- 您的位置:
- 标准下载网 >>
- 标准分类 >>
- 其他行业标准 >>
- FZ/T 13051-2021棉羊毛混纺涤纶弹力丝包芯纱本色布
标准号:
FZ/T 13051-2021
标准名称:
棉羊毛混纺涤纶弹力丝包芯纱本色布
标准类别:
其他行业标准
英文名称:
Cotton/wool blended and covered polyester drawn textured yarn grey fabric标准状态:
现行-
发布日期:
2021-04-19 -
实施日期:
2021-07-01 出版语种:
简体中文下载格式:
.pdf .zip
点击下载
标准简介:
本标准规定了棉羊毛混纺涤纶弹力丝包芯纱本色布的术语和定义、分类和标识、要求、试验和检验方法、检验规则、标志、包装、运输和贮存。
本标准适用于羊毛含量30%及以下,机织生产的精梳棉羊毛混纺涤纶弹力丝包芯纱本色布。
部分标准内容:
ICS.59.080.30
中华人民共和国纺织行业标准
FZ/T13051—2021
棉羊毛混纺涤纶弹力丝包芯纱本色布Cotton/wool blended and covered polyester drawn textured yarn grey fabric2021-04-19发布
中华人民共和国工业和信息化部2021-07-01实施
FZ/T13051—2021
本文件按照GB/T1.1一2020《标准化工作导则第1部分:标准化文件的结构和起草规则》的规定起草。
请注意本文件的某些内容可能涉及专利。本文件的发布机构不承担识别专利的责任。本文件由中国纺织工业联合会提出。本文件由全国纺织品标准化技术委员会棉纺织品分技术委员会(SAC/TC209/SC10)归口。本文件起草单位:魏桥纺织股份有限公司、上海市纺织工业技术监督所、浙江玉帛纺织股份有限公司、中国棉纺织行业协会
本文件主要起草人:张红霞、张华明、左舒文、胡小飞、侯锋。I
1范围
棉羊毛混纺涤纶弹力丝包芯纱本色布FZ/T13051—2021
本文件规定了棉羊毛混纺涤纶弹力丝包芯纱本色布的术语和定义、分类和标识、要求、试验和检验方法、检验规则、标志、包装、运输和贮存。本文件适用于羊毛含量30%及以下,机织生产的精梳棉羊毛混纺涤纶弹力丝包芯纱本色布。2规范性引用文件
下列文件中的内容通过文中的规范性引用而构成本文件必不可少的条款。其中,注日期的引用文件,仅该日期对应的版本适用于本文件;不注日期的引用文件,其最新版本(包括所有的修改单)适用于本文件。
GB/T406—2018棉本色布
GB/T2910.4
纺织品定量化学分析第4部分:某些蛋白质纤维与某些其他纤维的混合物(次氯酸盐法)
GB/T2910.11
纺织品定量化学分析第11部分:纤维素纤维与聚酯纤维的混合物(硫酸法)GB/T3923.1
纺织品织物拉伸性能第1部分:断裂强力和断裂伸长率的测定(条样法)纺织品机织物长度和幅宽的测定GB/T4666
GB/T4668
GB/T6529
GB/T8170
机织物密度的测定
纺织品调湿和试验用标准大气
数值修约规则与极限数值的表示和判定GB/T17759本色布布面疵点检验方法FZ/T10004
棉及化纤纯纺、混纺本色布检验规则本色布棉结杂质疵点格率检验方法FZ/T10006
9棉及化纤纯纺、混纺本色布标志与包装FZ/T10009
3术语和定义
下列术语和定义适用于本文件。3.1
棉羊毛混纺涤纶弹力丝包芯纱本色布cotton/woolblendedandcoveredpolyesterdrawntexturedyarn grey fabric
经纬向使用棉羊毛混纺涤纶弹力丝包芯本色纱制成的机织物。4分类和标识
4.1棉羊毛混纺涤纶弹力丝包芯纱本色布的产品品种、规格分类,根据用户需要,按附录A规定。4.2棉羊毛混纺涤纶弹力丝包芯纱本色布的产品标识应包括:经纱原料混纺比,经纱线密度(tex)/纬纱原料混纺比,纬纱线密度(tex),经密(根/10cm)/纬密(根/10cm),幅宽(cm),织物组织。1
FZ/T13051—2021
示例:JC/W/Tpry(67/17/16)11.8tex(22.2dtex)/JC/W/Tpry(67/17/16)11.8tex(22.2dtex)551.0/374.0267cm5/2经面缎纹
JC/W/Tpry(67/17/16)11.8tex(22.2dtex)——67%精梳棉与17%羊毛混纺、16%涤纶弹力丝包芯纱,经纱线密度11.8tex(包芯长丝线密度22.2dtex);JC/W/Tpry(67/17/16)11.8tex(22.2dtex)——67%精梳棉与17%羊毛混纺、16%涤纶弹力丝包芯纱,纬纱线密度11.8tex(包芯长丝线密度22.2dtex);经密551.0根/10cm,纬密374.0根/10cm,幅宽267cm,织物组织5枚2飞经面缎纹。5要求
5.1项目
棉羊毛混纺涤纶弹力丝包芯纱本色布要求分为内在质量和外观质量两个方面,内在质量包括织物组织、幅宽偏差率、密度偏差率、纤维含量偏差、单位面积无浆干燥质量偏差率、断裂强力偏差率、棉结杂质疵点格率、棉结症点格率8项,外观质量为布面疵点1项。5.2分等规定
棉羊毛混纺涤纶弹力丝包芯纱本色布的品等分为优等品、一等品、二等品,低于二等品的为等5.2.1
外品。
5.2.2棉羊毛混纺涤纶弹力丝包芯纱本色布的评等以匹为单位,织物组织、幅宽偏差率、布面疵点按匹评等,密度偏差率、纤维含量偏差、单位面积无浆干燥质量偏差率、断裂强力偏差率、棉结杂质疵点格率、棉结疵点格率按批评等,以内在质量和外观质量中最低一项品等为该匹布的品等。5.2.3成包后棉羊毛混纺涤纶弹力丝包芯纱本色布的长度按双方协议规定执行。注:通常每匹布以40m计。
5.3内在质量
棉羊毛混纺涤纶弹力丝包芯纱本色布的分等规定按表1、表2。表1内在质量分等规定
织物组织
幅宽偏差率/%
密度偏差率/%
纤维含量偏差/%
单位面积无浆干燥质量偏差率/%断裂强力偏差率/%
按设计规定
按产品规格
按产品规格
按产品规格
按设计标称值
按设计断裂强力
注1:织物组织对照贸易双方确认样评定。注2:幅宽、经纬向密度保证成包后符合表中规定。注3:密度偏差率、断裂强力偏差率规定降到二等为止。经向
:当幅宽偏差率超过十1.0%时,经密负偏差不超过一2.0%2
优等品
符合设计要求
-1.0~+1.2
-1.2~+1.2
-1.0~+1.2
-2.0~+2.0
—3.0~+3.0
一等品
符合设计要求
-1.0~+1.5
-1.5~+1.5
-1.0~+1.5
-2.5~+2.5
-5.0~+5.0
二等品
符合设计要求
—1.5~+2.0
-3.0~+3.0
织物组织
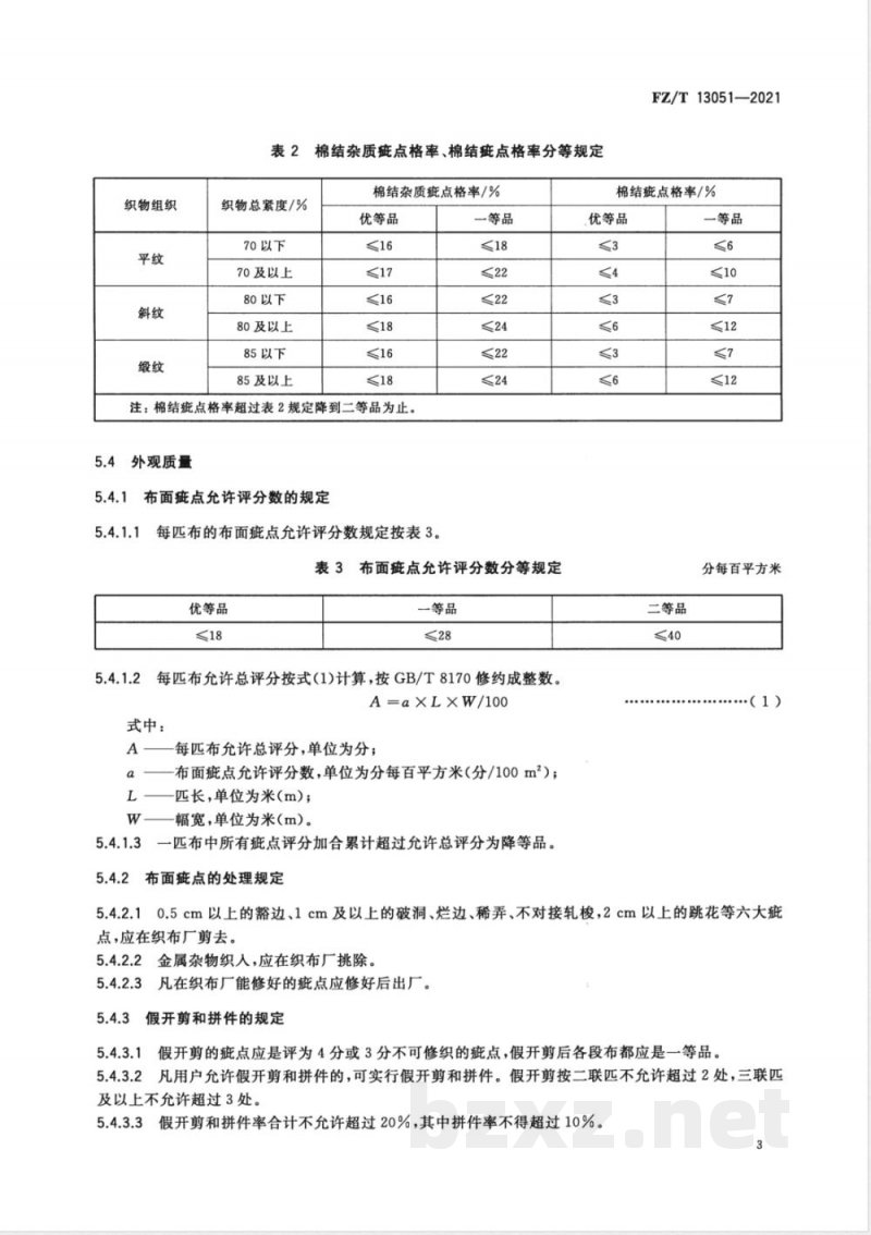
表2棉结杂质疵点格率、棉结疵点格率分等规定织物总紧度/%
70以下
70及以上
80以下
80及以上
85以下
85及以上
棉结杂质疵点格率/%
优等品
注:棉结疵点格率超过表2规定降到二等品为止。5.4外观质量
5.4.1布面疵点允许评分数的规定5.4.1.1
每匹布的布面疵点允许评分数规定按表3。一等品
表3布面疵点允许评分数分等规定优等品
一等品
每匹布允许总评分按式(1)计算,按GB/T8170修约成整数。A=a×L×W/100
式中:
每匹布允许总评分,单位为分;布面疵点允许评分数,单位为分每百平方米(分/100m2);匹长,单位为米(m);
幅宽,单位为米(m)。
一匹布中所有症点评分加合累计超过允许总评分为降等品。布面疵点的处理规定
FZ/T13051——2021
棉结疵点格率/%
优等品
二等品
二等品
分每百平方米
.(1)
0.5cm以上的豁边、1cm及以上的破洞、烂边、稀弄、不对接轧梭,2cm以上的跳花等六大疵点,应在织布厂剪去。
金属杂物织人,应在织布厂挑除。凡在织布厂能修好的疵点应修好后出厂。假开剪和拼件的规定
假开剪的疵点应是评为4分或3分不可修织的疵点,假开剪后各段布都应是一等品。5.4.3.2凡用户允许假开剪和拼件的,可实行假开剪和拼件。假开剪按二联匹不允许超过2处,三联匹及以上不允许超过3处。
假开剪和拼件率合计不允许超过20%,其中拼件率不得超过10%。3
FZ/T13051—2021
假开剪位置应作明显标记。
6试验和检验方法
幅宽、长度测定按GB/T4666执行。6.2密度测定按GB/T4668执行。
6.3纤维含量测定按GB/T2910.4、GB/T2910.11执行。6.4单位面积无浆干燥质量测定按附录B执行,单位面积无浆干燥质量偏差率按公式(2)计算,按GB/T8170修约至小数点后一位。mi-m
式中:
单位面积无浆于燥质量偏差率,%;单位面积无浆干燥质量实测值,单位为克每平方米(g/m2);单位面积无浆干燥质量标称值,单位为克每平方米(g/m2)。注:单位面积无浆干燥质量标称值为客户要求或面料设计值,按贸易双方协议商定。.·(2)
6.5断裂强力测定按GB/T3923.1执行,断裂强力偏差率按公式(3)计算,按GB/T8170修约至小数点后一位。
式中:
断裂强力偏差率,%;
F==×100
Q1——断裂强力实测值,单位为牛顿(N);Q
断裂强力设计值,单位为牛顿(N)。棉结杂质疵点格率、棉结疵点格率检验按FZ/T10006执行。6.6
6.7外观质量检验按GB/T17759执行。7检验规则
按FZ/T10004执行。
8标志、包装、运输和贮存
8.1标志和包装:按FZ/T10009执行。.......(3)
8.2运输和贮存:产品在运输过程中应避免包装破损,产品受潮。产品应贮存在干燥、清洁的环境中,确保产品不发生霉变等变质现象。9其他
用户对产品有特殊要求者,可由供需双方另订协议。4
附录A
(规范性)
技术条件制定规定
FZ/T13051—2021
A.1棉羊毛混纺涤纶弹力丝包芯纱本色布的技术条件的制定,除下列规定外,均按GB/T406一2018附录A执行。
A.2棉羊毛混纺涤纶弹力丝包芯纱本色布的原料代号为:精梳棉为JC、羊毛为W、涤纶弹力丝为TDrY。混纺比的写法规定为:含量多的纤维/含量少的纤维。当两种纤维含量相同时,纤维含量排列顺序可任意。例如:精梳棉含量为60%,羊毛含量为25%,涤纶低弹丝含量为15%,写为JC/W/Tpry60/25/15。
A.3棉的公定回潮率为8.5%,羊毛的公定回潮率为16.0%,涤纶的公定回潮率为0.4%。A.4棉羊毛混纺涤纶弹力丝包芯纱本色纱线的公定回潮率可按棉、羊毛、涤纶弹力丝干燥质量百分率计算,也可按棉、羊毛、涤纶弹力丝公定质量混纺比例计算,按式(A.1)和(A.2)计算,按GB/T8170修约至小数点后一位。
式中:
WcXAc+WwXAw+WrXAr
棉羊毛混纺涤纶弹力丝包芯纱本色纱线的公定回潮率,%:棉、羊毛、涤纶弹力丝的公定回潮率,%;Wc、Ww、W-
Ac、Aw、AT棉、羊毛、涤纶弹力丝的干燥质量百分比例,%;Bc、Bw、Br—
示例:
一棉、羊毛、涤纶弹力丝的公定质量混纺百分比例,%。JC/W/T(DTY)(67/17/16)棉羊毛混纺涤纶弹力丝公定回潮率的计算:67×8.5,17×16,16×0.4
......(A.1 )
·(A.2)
A.5棉羊毛混纺涤纶弹力丝包芯本色纱的公英制线密度按式(A.3)换算,按GB/T8170修约至小数点后一位。
式中:
T:—棉羊毛混纺涤纶弹力丝包芯本色纱的线密度,单位为特克斯(tex);N。一棉羊毛混纺涤纶弹力丝包芯本色纱的英制支数,单位为支(S)。·(A.3)
A.6棉羊毛混纺涤纶弹力丝包芯纱本色布织物的断裂强力以5cm×20cm布条的断裂强力表示,织物5
FZ/T13051—2021
的断裂强力设计值按式(A.4)计算,按GB/T8170修约为整数。P。×N×K×T.
2×100
式中:
棉羊毛混纺涤纶弹力丝包芯纱本色布的断裂强力,单位为牛顿(N);单根纱线一等品标准断裂强度,单位为厘牛每特克斯(cN/tex);织物中纱线标准密度,单位为根每10厘米(根/10cm);织物中纱线强力利用系数,K值见表A.1。表A.1
织物组织
纱线强力利用系数
紧度/%
中特及以上
0.80~0.88
0.88~1.01
0.85~0.95
0.80~0.95
紧度/%下载标准就来标准下载网
33~45
40~60
(A.4)
0.53~0.65
0.53~0.65
0.57~0.77
0.53~0.73
0.54~0.64
注1:紧度在表定紧度范围内时,K值按比例增减;小于表定紧度范围时,则按比例递减。如大于表定紧度范围时,则按最大的K值计算。
注2:表内未规定的股线,按相应单纱线密度取K值(例14texX2按28tex取K值)。注3:纱线按粗细程度分为特细、细特、中特、粗特四档。特细:9.8tex及以下(60s及以上);细特:9.8tex~14.8tex(60s~40s);中特:14.8tex~29.5tex(4os~20s);粗特:29.5tex以上(20s以下)。6
B.1适用范围
附录B
(规范性)
单位面积无浆干燥质量测定方法本方法适用于以淀粉或变性淀粉为主要浆料的织物。原理
FZ/T13051—2021
测量试样烘前质量和实际面积,再裁剪布条进行退浆试验,根据布条退浆前质量及退浆后干燥质量,计算出试样单位面积无浆干燥质量。B.3
设备和用具
天平:分度值为0.01g。
烘箱:能保持温度105℃~110℃。电炉。
玻璃烧杯:容量为50mL~3000mL。玻璃瓶:125mL~1000mL。
量筒:容量为25mL~1000mL。
钢尺:分度值为1mm。
玻璃棒。
干燥器。
试剂准备
硫酸备用液:1.84g/mL。
B.4.2蒸馏水:三级水。
碘:分析纯。
碘化钾:分析纯。
操作程序
每次随机抽取3匹布样,每匹布样剪取宽度为0.5m的整幅试样,试样距布端1m以上取样,要具有代表性,布面平整,不能有影响试验结果的疵点。2展开试样,置于GB/T6529规定的标准状态下放置24h及以上。B.5.1.2
FZ/T13051—2021
B.5.1.3调湿后的试样两边剪去2cm,四周修整平齐,置于平板上,量其长度与宽度。每块试样布测量中央及两边3处位置(距布边10cm),精确至0.1cm,取3个数值的算术平均值;然后,试样称量,精确至0.01g,作为试样的烘前质量。B.5.2试验用液的制备
B.5.2.1在1000mL玻璃烧杯中放置蒸馏水500mL,用量筒取1.84g/mL的硫酸备用液100mL,缓缓注人玻璃烧杯中,用玻璃棒搅拌,待完全混合后,冷却至室温,然后移入1000mL玻璃瓶中,制成浓度为26.4%硫酸工作液备用。
B.5.2.2在50mL玻璃烧杯中置碘1g、碘化钾3g、蒸馏水3mL,加温使碘溶解,然后倒入1000mL水中,搅匀,移入1000mL玻璃瓶中,制成稀碘液备用。B.5.3退浆试验
B.5.3.1沿试样幅宽方向,裁剪10cm宽整幅的布条(四边各拉去数根纱以免脱落),称得布条的质量(退浆布条的退浆前质量),精确至0.01g。B.5.3.2将布条在沸水中预处理10min。B.5.3.3按照配比(布条的退浆前质量:硫酸工作液:蒸馏水=1g:0.7mL:35mL),在玻璃烧杯中依次加人蒸馏水和硫酸工作液,放在电炉上煮沸,然后放入布条继续煮沸至40min(可在煮沸15min时,补充适量沸水至原液面)。
B.5.3.4滤纸过滤,取出布条及松散纱线和毛羽,用热水漂洗3~4次,除去余水,做退浆结果检查(滴稀碘液,若有蓝色或紫色产生,表示浆未退净,应继续退浆,方法同前),至退净为止。B.5.3.5将洗清的布条及松散纱线和毛羽除去余水移入烘箱烘至恒量,然后将其移入干燥器中冷却至室温,称得布条退浆后干燥质量,精确至0.01g。B.6结果计算
按式(B.1)计算棉羊毛混纺涤纶低弹丝包芯纱本色布单位面积无浆干燥质量,取3块试样的平均值,按GB/T8170修约至小数点后一位。m2×10°×g2
mi =L,×W,Xg1
式中:
m1——单位面积无浆干燥质量,单位为克每平方米(g/m2);m2——试样的烘前质量,单位为克(g);g2—布条退浆后干燥质量,单位为克(g);L,试样的长度,单位为毫米(mm);W试样的宽度,单位为毫米(mm);g1——布条退浆前质量,单位为克(g)。..(B.1)
小提示:此标准内容仅展示完整标准里的部分截取内容,若需要完整标准请到上方自行免费下载完整标准文档。
中华人民共和国纺织行业标准
FZ/T13051—2021
棉羊毛混纺涤纶弹力丝包芯纱本色布Cotton/wool blended and covered polyester drawn textured yarn grey fabric2021-04-19发布
中华人民共和国工业和信息化部2021-07-01实施
FZ/T13051—2021
本文件按照GB/T1.1一2020《标准化工作导则第1部分:标准化文件的结构和起草规则》的规定起草。
请注意本文件的某些内容可能涉及专利。本文件的发布机构不承担识别专利的责任。本文件由中国纺织工业联合会提出。本文件由全国纺织品标准化技术委员会棉纺织品分技术委员会(SAC/TC209/SC10)归口。本文件起草单位:魏桥纺织股份有限公司、上海市纺织工业技术监督所、浙江玉帛纺织股份有限公司、中国棉纺织行业协会
本文件主要起草人:张红霞、张华明、左舒文、胡小飞、侯锋。I
1范围
棉羊毛混纺涤纶弹力丝包芯纱本色布FZ/T13051—2021
本文件规定了棉羊毛混纺涤纶弹力丝包芯纱本色布的术语和定义、分类和标识、要求、试验和检验方法、检验规则、标志、包装、运输和贮存。本文件适用于羊毛含量30%及以下,机织生产的精梳棉羊毛混纺涤纶弹力丝包芯纱本色布。2规范性引用文件
下列文件中的内容通过文中的规范性引用而构成本文件必不可少的条款。其中,注日期的引用文件,仅该日期对应的版本适用于本文件;不注日期的引用文件,其最新版本(包括所有的修改单)适用于本文件。
GB/T406—2018棉本色布
GB/T2910.4
纺织品定量化学分析第4部分:某些蛋白质纤维与某些其他纤维的混合物(次氯酸盐法)
GB/T2910.11
纺织品定量化学分析第11部分:纤维素纤维与聚酯纤维的混合物(硫酸法)GB/T3923.1
纺织品织物拉伸性能第1部分:断裂强力和断裂伸长率的测定(条样法)纺织品机织物长度和幅宽的测定GB/T4666
GB/T4668
GB/T6529
GB/T8170
机织物密度的测定
纺织品调湿和试验用标准大气
数值修约规则与极限数值的表示和判定GB/T17759本色布布面疵点检验方法FZ/T10004
棉及化纤纯纺、混纺本色布检验规则本色布棉结杂质疵点格率检验方法FZ/T10006
9棉及化纤纯纺、混纺本色布标志与包装FZ/T10009
3术语和定义
下列术语和定义适用于本文件。3.1
棉羊毛混纺涤纶弹力丝包芯纱本色布cotton/woolblendedandcoveredpolyesterdrawntexturedyarn grey fabric
经纬向使用棉羊毛混纺涤纶弹力丝包芯本色纱制成的机织物。4分类和标识
4.1棉羊毛混纺涤纶弹力丝包芯纱本色布的产品品种、规格分类,根据用户需要,按附录A规定。4.2棉羊毛混纺涤纶弹力丝包芯纱本色布的产品标识应包括:经纱原料混纺比,经纱线密度(tex)/纬纱原料混纺比,纬纱线密度(tex),经密(根/10cm)/纬密(根/10cm),幅宽(cm),织物组织。1
FZ/T13051—2021
示例:JC/W/Tpry(67/17/16)11.8tex(22.2dtex)/JC/W/Tpry(67/17/16)11.8tex(22.2dtex)551.0/374.0267cm5/2经面缎纹
JC/W/Tpry(67/17/16)11.8tex(22.2dtex)——67%精梳棉与17%羊毛混纺、16%涤纶弹力丝包芯纱,经纱线密度11.8tex(包芯长丝线密度22.2dtex);JC/W/Tpry(67/17/16)11.8tex(22.2dtex)——67%精梳棉与17%羊毛混纺、16%涤纶弹力丝包芯纱,纬纱线密度11.8tex(包芯长丝线密度22.2dtex);经密551.0根/10cm,纬密374.0根/10cm,幅宽267cm,织物组织5枚2飞经面缎纹。5要求
5.1项目
棉羊毛混纺涤纶弹力丝包芯纱本色布要求分为内在质量和外观质量两个方面,内在质量包括织物组织、幅宽偏差率、密度偏差率、纤维含量偏差、单位面积无浆干燥质量偏差率、断裂强力偏差率、棉结杂质疵点格率、棉结症点格率8项,外观质量为布面疵点1项。5.2分等规定
棉羊毛混纺涤纶弹力丝包芯纱本色布的品等分为优等品、一等品、二等品,低于二等品的为等5.2.1
外品。
5.2.2棉羊毛混纺涤纶弹力丝包芯纱本色布的评等以匹为单位,织物组织、幅宽偏差率、布面疵点按匹评等,密度偏差率、纤维含量偏差、单位面积无浆干燥质量偏差率、断裂强力偏差率、棉结杂质疵点格率、棉结疵点格率按批评等,以内在质量和外观质量中最低一项品等为该匹布的品等。5.2.3成包后棉羊毛混纺涤纶弹力丝包芯纱本色布的长度按双方协议规定执行。注:通常每匹布以40m计。
5.3内在质量
棉羊毛混纺涤纶弹力丝包芯纱本色布的分等规定按表1、表2。表1内在质量分等规定
织物组织
幅宽偏差率/%
密度偏差率/%
纤维含量偏差/%
单位面积无浆干燥质量偏差率/%断裂强力偏差率/%
按设计规定
按产品规格
按产品规格
按产品规格
按设计标称值
按设计断裂强力
注1:织物组织对照贸易双方确认样评定。注2:幅宽、经纬向密度保证成包后符合表中规定。注3:密度偏差率、断裂强力偏差率规定降到二等为止。经向
:当幅宽偏差率超过十1.0%时,经密负偏差不超过一2.0%2
优等品
符合设计要求
-1.0~+1.2
-1.2~+1.2
-1.0~+1.2
-2.0~+2.0
—3.0~+3.0
一等品
符合设计要求
-1.0~+1.5
-1.5~+1.5
-1.0~+1.5
-2.5~+2.5
-5.0~+5.0
二等品
符合设计要求
—1.5~+2.0
-3.0~+3.0
织物组织
表2棉结杂质疵点格率、棉结疵点格率分等规定织物总紧度/%
70以下
70及以上
80以下
80及以上
85以下
85及以上
棉结杂质疵点格率/%
优等品
注:棉结疵点格率超过表2规定降到二等品为止。5.4外观质量
5.4.1布面疵点允许评分数的规定5.4.1.1
每匹布的布面疵点允许评分数规定按表3。一等品
表3布面疵点允许评分数分等规定优等品
一等品
每匹布允许总评分按式(1)计算,按GB/T8170修约成整数。A=a×L×W/100
式中:
每匹布允许总评分,单位为分;布面疵点允许评分数,单位为分每百平方米(分/100m2);匹长,单位为米(m);
幅宽,单位为米(m)。
一匹布中所有症点评分加合累计超过允许总评分为降等品。布面疵点的处理规定
FZ/T13051——2021
棉结疵点格率/%
优等品
二等品
二等品
分每百平方米
.(1)
0.5cm以上的豁边、1cm及以上的破洞、烂边、稀弄、不对接轧梭,2cm以上的跳花等六大疵点,应在织布厂剪去。
金属杂物织人,应在织布厂挑除。凡在织布厂能修好的疵点应修好后出厂。假开剪和拼件的规定
假开剪的疵点应是评为4分或3分不可修织的疵点,假开剪后各段布都应是一等品。5.4.3.2凡用户允许假开剪和拼件的,可实行假开剪和拼件。假开剪按二联匹不允许超过2处,三联匹及以上不允许超过3处。
假开剪和拼件率合计不允许超过20%,其中拼件率不得超过10%。3
FZ/T13051—2021
假开剪位置应作明显标记。
6试验和检验方法
幅宽、长度测定按GB/T4666执行。6.2密度测定按GB/T4668执行。
6.3纤维含量测定按GB/T2910.4、GB/T2910.11执行。6.4单位面积无浆干燥质量测定按附录B执行,单位面积无浆干燥质量偏差率按公式(2)计算,按GB/T8170修约至小数点后一位。mi-m
式中:
单位面积无浆于燥质量偏差率,%;单位面积无浆干燥质量实测值,单位为克每平方米(g/m2);单位面积无浆干燥质量标称值,单位为克每平方米(g/m2)。注:单位面积无浆干燥质量标称值为客户要求或面料设计值,按贸易双方协议商定。.·(2)
6.5断裂强力测定按GB/T3923.1执行,断裂强力偏差率按公式(3)计算,按GB/T8170修约至小数点后一位。
式中:
断裂强力偏差率,%;
F==×100
Q1——断裂强力实测值,单位为牛顿(N);Q
断裂强力设计值,单位为牛顿(N)。棉结杂质疵点格率、棉结疵点格率检验按FZ/T10006执行。6.6
6.7外观质量检验按GB/T17759执行。7检验规则
按FZ/T10004执行。
8标志、包装、运输和贮存
8.1标志和包装:按FZ/T10009执行。.......(3)
8.2运输和贮存:产品在运输过程中应避免包装破损,产品受潮。产品应贮存在干燥、清洁的环境中,确保产品不发生霉变等变质现象。9其他
用户对产品有特殊要求者,可由供需双方另订协议。4
附录A
(规范性)
技术条件制定规定
FZ/T13051—2021
A.1棉羊毛混纺涤纶弹力丝包芯纱本色布的技术条件的制定,除下列规定外,均按GB/T406一2018附录A执行。
A.2棉羊毛混纺涤纶弹力丝包芯纱本色布的原料代号为:精梳棉为JC、羊毛为W、涤纶弹力丝为TDrY。混纺比的写法规定为:含量多的纤维/含量少的纤维。当两种纤维含量相同时,纤维含量排列顺序可任意。例如:精梳棉含量为60%,羊毛含量为25%,涤纶低弹丝含量为15%,写为JC/W/Tpry60/25/15。
A.3棉的公定回潮率为8.5%,羊毛的公定回潮率为16.0%,涤纶的公定回潮率为0.4%。A.4棉羊毛混纺涤纶弹力丝包芯纱本色纱线的公定回潮率可按棉、羊毛、涤纶弹力丝干燥质量百分率计算,也可按棉、羊毛、涤纶弹力丝公定质量混纺比例计算,按式(A.1)和(A.2)计算,按GB/T8170修约至小数点后一位。
式中:
WcXAc+WwXAw+WrXAr
棉羊毛混纺涤纶弹力丝包芯纱本色纱线的公定回潮率,%:棉、羊毛、涤纶弹力丝的公定回潮率,%;Wc、Ww、W-
Ac、Aw、AT棉、羊毛、涤纶弹力丝的干燥质量百分比例,%;Bc、Bw、Br—
示例:
一棉、羊毛、涤纶弹力丝的公定质量混纺百分比例,%。JC/W/T(DTY)(67/17/16)棉羊毛混纺涤纶弹力丝公定回潮率的计算:67×8.5,17×16,16×0.4
......(A.1 )
·(A.2)
A.5棉羊毛混纺涤纶弹力丝包芯本色纱的公英制线密度按式(A.3)换算,按GB/T8170修约至小数点后一位。
式中:
T:—棉羊毛混纺涤纶弹力丝包芯本色纱的线密度,单位为特克斯(tex);N。一棉羊毛混纺涤纶弹力丝包芯本色纱的英制支数,单位为支(S)。·(A.3)
A.6棉羊毛混纺涤纶弹力丝包芯纱本色布织物的断裂强力以5cm×20cm布条的断裂强力表示,织物5
FZ/T13051—2021
的断裂强力设计值按式(A.4)计算,按GB/T8170修约为整数。P。×N×K×T.
2×100
式中:
棉羊毛混纺涤纶弹力丝包芯纱本色布的断裂强力,单位为牛顿(N);单根纱线一等品标准断裂强度,单位为厘牛每特克斯(cN/tex);织物中纱线标准密度,单位为根每10厘米(根/10cm);织物中纱线强力利用系数,K值见表A.1。表A.1
织物组织
纱线强力利用系数
紧度/%
中特及以上
0.80~0.88
0.88~1.01
0.85~0.95
0.80~0.95
紧度/%下载标准就来标准下载网
33~45
40~60
(A.4)
0.53~0.65
0.53~0.65
0.57~0.77
0.53~0.73
0.54~0.64
注1:紧度在表定紧度范围内时,K值按比例增减;小于表定紧度范围时,则按比例递减。如大于表定紧度范围时,则按最大的K值计算。
注2:表内未规定的股线,按相应单纱线密度取K值(例14texX2按28tex取K值)。注3:纱线按粗细程度分为特细、细特、中特、粗特四档。特细:9.8tex及以下(60s及以上);细特:9.8tex~14.8tex(60s~40s);中特:14.8tex~29.5tex(4os~20s);粗特:29.5tex以上(20s以下)。6
B.1适用范围
附录B
(规范性)
单位面积无浆干燥质量测定方法本方法适用于以淀粉或变性淀粉为主要浆料的织物。原理
FZ/T13051—2021
测量试样烘前质量和实际面积,再裁剪布条进行退浆试验,根据布条退浆前质量及退浆后干燥质量,计算出试样单位面积无浆干燥质量。B.3
设备和用具
天平:分度值为0.01g。
烘箱:能保持温度105℃~110℃。电炉。
玻璃烧杯:容量为50mL~3000mL。玻璃瓶:125mL~1000mL。
量筒:容量为25mL~1000mL。
钢尺:分度值为1mm。
玻璃棒。
干燥器。
试剂准备
硫酸备用液:1.84g/mL。
B.4.2蒸馏水:三级水。
碘:分析纯。
碘化钾:分析纯。
操作程序
每次随机抽取3匹布样,每匹布样剪取宽度为0.5m的整幅试样,试样距布端1m以上取样,要具有代表性,布面平整,不能有影响试验结果的疵点。2展开试样,置于GB/T6529规定的标准状态下放置24h及以上。B.5.1.2
FZ/T13051—2021
B.5.1.3调湿后的试样两边剪去2cm,四周修整平齐,置于平板上,量其长度与宽度。每块试样布测量中央及两边3处位置(距布边10cm),精确至0.1cm,取3个数值的算术平均值;然后,试样称量,精确至0.01g,作为试样的烘前质量。B.5.2试验用液的制备
B.5.2.1在1000mL玻璃烧杯中放置蒸馏水500mL,用量筒取1.84g/mL的硫酸备用液100mL,缓缓注人玻璃烧杯中,用玻璃棒搅拌,待完全混合后,冷却至室温,然后移入1000mL玻璃瓶中,制成浓度为26.4%硫酸工作液备用。
B.5.2.2在50mL玻璃烧杯中置碘1g、碘化钾3g、蒸馏水3mL,加温使碘溶解,然后倒入1000mL水中,搅匀,移入1000mL玻璃瓶中,制成稀碘液备用。B.5.3退浆试验
B.5.3.1沿试样幅宽方向,裁剪10cm宽整幅的布条(四边各拉去数根纱以免脱落),称得布条的质量(退浆布条的退浆前质量),精确至0.01g。B.5.3.2将布条在沸水中预处理10min。B.5.3.3按照配比(布条的退浆前质量:硫酸工作液:蒸馏水=1g:0.7mL:35mL),在玻璃烧杯中依次加人蒸馏水和硫酸工作液,放在电炉上煮沸,然后放入布条继续煮沸至40min(可在煮沸15min时,补充适量沸水至原液面)。
B.5.3.4滤纸过滤,取出布条及松散纱线和毛羽,用热水漂洗3~4次,除去余水,做退浆结果检查(滴稀碘液,若有蓝色或紫色产生,表示浆未退净,应继续退浆,方法同前),至退净为止。B.5.3.5将洗清的布条及松散纱线和毛羽除去余水移入烘箱烘至恒量,然后将其移入干燥器中冷却至室温,称得布条退浆后干燥质量,精确至0.01g。B.6结果计算
按式(B.1)计算棉羊毛混纺涤纶低弹丝包芯纱本色布单位面积无浆干燥质量,取3块试样的平均值,按GB/T8170修约至小数点后一位。m2×10°×g2
mi =L,×W,Xg1
式中:
m1——单位面积无浆干燥质量,单位为克每平方米(g/m2);m2——试样的烘前质量,单位为克(g);g2—布条退浆后干燥质量,单位为克(g);L,试样的长度,单位为毫米(mm);W试样的宽度,单位为毫米(mm);g1——布条退浆前质量,单位为克(g)。..(B.1)
小提示:此标准内容仅展示完整标准里的部分截取内容,若需要完整标准请到上方自行免费下载完整标准文档。
标准图片预览:





- 其它标准
- 热门标准
- 其他行业标准
- DGJ32J16-2014 住宅工程质量通病控制标准
- JB/T8974-2011 TAW系列增安型无刷励磁同步电动机技术条件
- QB/T2164-2013 家用和类似用途风扇型PTCR发热器
- JB/T11127-2010 印刷机械 光敏光聚合型直接制版冲版机
- JB/T9986-2013 工具热处理金相检验
- QB/T4639-2014 δ-十二内酯
- YB/T190.12-2014 连铸保护渣 三氧化二硼含量的测定 电感耦合等离子体原子发射光谱法
- YS/T832-2012 丁辛醇废催化剂化学分析方法 铑量的测定 电感耦合等离子体原子发射光谱法
- CECS:7094 建筑安装工程金属熔化焊焊缝射线照相检测标准CECS70:94
- TB/T2689.4-2018 铁路货物集装化运输 第4部分:一次性集装箱液体集装袋
- QB/T4549-2013 滑板鞋
- JB/T12150-2015 家用和类似用途电容性负载的电源开关
- QB/T1207.8-2011 二胡
- QX/T221-2013 气象计量实验室建设技术要求二等标准实验室
- FZ/T81004-2012 连衣裙、裙套
- 行业新闻
请牢记:“bzxz.net”即是“标准下载”四个汉字汉语拼音首字母与国际顶级域名“.net”的组合。 ©2025 标准下载网 www.bzxz.net 本站邮件:bzxznet@163.com
网站备案号:湘ICP备2025141790号-2
网站备案号:湘ICP备2025141790号-2