- 您的位置:
- 标准下载网 >>
- 标准分类 >>
- 其他行业标准 >>
- YS/T 239.7-2010三硫化二锑化学分析方法 第7部分:铅量的测定 火焰原子吸收光谱法
标准号:
YS/T 239.7-2010
标准名称:
三硫化二锑化学分析方法 第7部分:铅量的测定 火焰原子吸收光谱法
标准类别:
其他行业标准
英文名称:
Methods for chemical analysis of antimony trisulfide—Part 7:Determination of lead content—Flame atomic absorption spectrometric method标准状态:
现行-
发布日期:
2010-11-22 -
实施日期:
2011-03-01 出版语种:
简体中文下载格式:
.pdf .zip
标准ICS号:
冶金>>有色金属>>77.120.01有色金属综合中标分类号:
冶金>>金属化学分析方法>>H13重金属极其合金分析方法
点击下载
标准简介:
本部分规定了三硫化二锑中铅量的测定方法。
本部分适用于三硫化二锑中铅量的测定。测定范围:铅的质量分数0.0020%~0.050%。
YS/T239《三硫化二锑化学分析方法》共有7个部分:
———第1部分:锑量的测定 硫酸铈滴定法;
———第2部分:化合硫量的测定 燃烧中和滴定法;
———第3部分:游离硫量的测定 燃烧中和滴定法;
———第4部分:王水不溶物的测定 重量法;
———第5部分:砷量的测定 砷钼蓝分光光度法;
———第6部分:铁量的测定 邻二氮杂菲分光光度法;
———第7部分:铅量的测定 火焰原子吸收光谱法。
本部分为第7部分。
本部分是按照GB/T1.1—2009给出的规则起草的。
本部分为新增部分。
本标准由全国有色金属标准化技术委员会(SAC/TC243)归口。
本标准负责起草单位:锡矿山闪星锑业有限责任公司。
本部分起草单位:锡矿山闪星锑业有限责任公司。
本部分参加起草单位:湖南有色金属研究院、湖南辰州矿业股份有限公司。
本部分主要起草人:姚兴娜、宋应球、杨萍、庞文林、陈宏敏、杨德利。
部分标准内容:
中华人民共和国有色金属行业标准YS/T239.7-2010
三硫化二化学分析方法
第7部分:铅量的测定
火焰原子吸收光谱法
Methods for chemical analysis of antimony trisulfide-Part 7:Determinationof lead content-Flameatomic absorption spectrometricmethod2010-11-22发布
中华人民共和国工业和信息化部发布
2011-03-01实施
YS/T239《三硫化二锑化学分析方法》共有7个部分:第1部分:锑量的测定硫酸铈滴定法;第2部分:化合硫量的测定
燃烧中和滴定法;
一第3部分:游离硫量的测定
燃烧中和滴定法;
第4部分:王水不溶物的测定
重量法;
一第5部分:碑量的测定
砷钼蓝分光光度法;
一第6部分:铁量的测定
邻二氮杂菲分光光度法;
第7部分:铅量的测定
火焰原子吸收光谱法。
本部分为第7部分。
本部分是按照GB/T1.1一2009给出的规则起草的。本部分为新增部分。
本标准由全国有色金属标准化技术委员会(SAC/TC243)归口。本标准负责起草单位:锡矿山闪星锑业有限责任公司。本部分起草单位:锡矿山闪星锑业有限责任公司。本部分参加起草单位:湖南有色金属研究院、湖南辰州矿业股份有限公司。本部分主要起草人:姚兴娜、宋应球、杨萍、庞文林、陈宏敏、杨德利。YS/T239.7—2010
1范围
三硫化二化学分析方法
第7部分:铅量的测定
火焰原子吸收光谱法
YS/T239的本部分规定了三硫化二锑中铅量的测定方法。YS/T239.7-2010
本部分适用于三硫化二锑中铅量的测定。测定范围:铅的质量分数0.0020%~0.050%。2方法提要
试料用盐酸和硝酸溶解蒸干后,重复加氢溴酸挥发除锑。在稀盐酸介质中,使用空气-乙炔火焰,于原子吸收光谱仪波长283.3nm处测量铅的吸光度。3试剂
除非另有说明,本部分所用试剂和水均指确认的分析纯试剂和三级水。3.1盐酸(pl.19g/mL)。
3.2硝酸(p1.42g/mL)。
3.3氢溴酸(p1.50g/mL)。
3.4盐酸(1+1)。
3.5硝酸(1+1)。
3.6铅标准贮存溶液
称取1.0000g铅(wp≥99.99%)于200mL烧杯中,加入20mL硝酸(3.5),微热溶解完全,煮沸驱除氮的氧化物,冷却至室温。移入1000mL容量瓶中,补加20mL硝酸(3.5),用水稀释至刻度,混匀。此溶液1mL含铅1mg。
3.7铅标准溶液
移取10.00mL铅标准贮存溶液(3.6)于100mL容量瓶中,加人5mL盐酸(3.4),用水稀释至刻度,混匀。此溶液1mL含铅100μg。4仪器
原子吸收光谱仪,附铅空心阴极灯。在仪器最佳工作条件下,凡能达到下列指标者均可使用:特征浓度:在与测量溶液的基体相一致的溶液中,铅的特征浓度应不大于0.20μg/mL。一精密度:用最高浓度的标准溶液测量10次吸光度,其标准偏差应不超过平均吸光度的1.0%;用最低浓度的标准溶液(不是“零”浓度标准溶液)测量10次吸光度,其标准偏差应不超过最高浓度标准溶液平均吸光度的0.5%。一工作曲线线性:将工作曲线按浓度等分成五段,最高段的吸光度差值与最低段的吸光度差值之1
YS/T239.7—2010
比,应不小于0.7。
5试样
5.1试样粒度应小于0.100mm。
5.2试样应在100℃105℃烘1h,置于干燥器中冷却至室温。6分析步骤
6.1试料
按表1称取试样,精确至0.0001g。表1
铅的质量分数/%
0.0020~0.020
>0.020~0.050
6.2测定次数
独立地进行两次测定,取其平均值。6.3空白试验
随同试料做空白试验。
6.4测定
试料量/g
测定体积/mL
6.4.1将试料(6.1)置于100mL烧杯中,以少量水润湿,加人5mL盐酸(3.1),于电炉上加热驱除硫化氢,加10mL盐酸(3.1),3mL硝酸(3.2),加热蒸干,冷却。加入1mL盐酸(3.1),5mL氢溴酸(3.3),摇动片刻,于低温电炉上加热蒸干。继续加人5mL氢漠酸(3.3)蒸干,冷却。沿杯壁加入2mL盐酸(3.1)再蒸干,冷却。加入2mL盐酸(3.4)微热溶解残渣,吹入约10mL水洗涤杯壁,加热至沸,取下冷却。按表1规定的测定体积,将溶液移入容量瓶中,用水稀释至刻度,混匀。6.4.2使用空气-乙炔火焰于原子吸收光谱仪波长283.3nm处,以水调零,测量试料溶液的吸光度,减去试料空白溶液的吸光度,从工作曲线上查出相应的铅浓度。6.5工作曲线的绘制
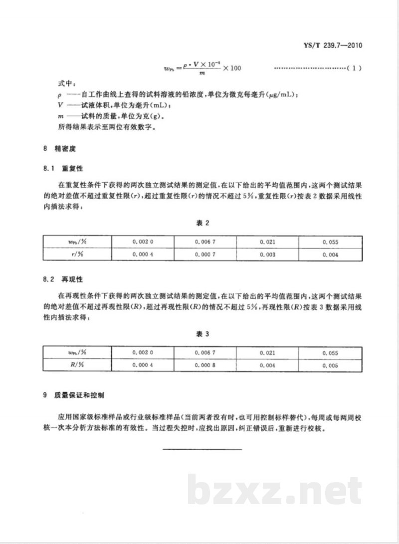
6.5.1移取0mL、0.50mL、2.50mL、5.00mL、7.50mL、10.00mL铅标准溶液(3.7)于一组100mL容量瓶中,分别加人8mL盐酸(3.4),用水稀释至刻度,混匀。6.5.2在与试料溶液相同的测定条件下,测量标准溶液的吸光度。以铅浓度为横坐标,吸光度(减去零浓度溶液的吸光度)为纵坐标,绘制工作曲线。分析结果的计算
按下式计算铅的质量分数wpb,数值以%表示:2
式中:
Wps =p.VX10-6
-×100
β—-自工作曲线上查得的试料溶液的铅浓度,单位为微克每毫升(μg/mL);V
一试液体积,单位为毫升(mL);—试料的质量,单位为克(g)。
所得结果表示至两位有效数字。8精密度
8.1重复性
YS/T239.7—2010
(1)
在重复性条件下获得的两次独立测试结果的测定值,在以下给出的平均值范围内,这两个测试结果的绝对差值不超过重复性限(r),超过重复性限(r)的情况不超过5%,重复性限(r)按表2数据采用线性内插法求得:
8.2再现性
在再现性条件下获得的两次独立测试结果的测定值,在以下给出的平均值范围内,这两个测试结果的绝对差值不超过再现性限(R),超过再现性限(R)的情况不超过5%,再现性限(R)按表3数据采用线性内插法求得:
质量保证和控制
应用国家级标准样品或行业级标准样品(当前两者没有时,也可用控制标样替代),每周或每两周校核一次本分析方法标准的有效性。当过程失控时,应找出原因,纠正错误后,重新进行校核。YS/T239.7-2010
中华人民共和国有色金属
行业标准
三硫化二锑化学分析方法
第7部分:铅量的测定
火焰原子吸收光谱法
YS/T239.7—2010
中国标准出版社出版发行
北京复兴门外三里河北街16号
邮政编码:100045
网址www.spc.net.cn
电话:6852394668517548
中国标准出版社秦皇岛印刷厂印刷各地新华书店经销
开本880×12301/16印张0.5字数7千字反2011年1月第一次印刷
2011年1月第一版
书号:155066·2-21497定价14.00元如有印装差错由本社发行中心调换版权专有侵权必究免费标准bzxz.net
举报电话:(010)68533533
小提示:此标准内容仅展示完整标准里的部分截取内容,若需要完整标准请到上方自行免费下载完整标准文档。
标准图片预览:





- 热门标准
- 其他行业标准
- DGJ32J16-2014 住宅工程质量通病控制标准
- JB/T8974-2011 TAW系列增安型无刷励磁同步电动机技术条件
- QB/T2164-2013 家用和类似用途风扇型PTCR发热器
- JB/T11127-2010 印刷机械 光敏光聚合型直接制版冲版机
- JB/T9986-2013 工具热处理金相检验
- QB/T4639-2014 δ-十二内酯
- FZ/T74006-2017 自行车骑行服
- YB/T190.12-2014 连铸保护渣 三氧化二硼含量的测定 电感耦合等离子体原子发射光谱法
- YS/T832-2012 丁辛醇废催化剂化学分析方法 铑量的测定 电感耦合等离子体原子发射光谱法
- CECS:7094 建筑安装工程金属熔化焊焊缝射线照相检测标准CECS70:94
- HG/T4544-2013 对苯二酚生产废液回收再利用生产碳酸锰的方法
- TB/T2689.4-2018 铁路货物集装化运输 第4部分:一次性集装箱液体集装袋
- QB/T4549-2013 滑板鞋
- JB/T12150-2015 家用和类似用途电容性负载的电源开关
- FZ/T81004-2012 连衣裙、裙套
- 行业新闻
网站备案号:湘ICP备2025141790号-2