- 您的位置:
- 标准下载网 >>
- 标准分类 >>
- 其他行业标准 >>
- YB/T 4503-2015钢筋机械连接件 残余变形量试验方法
标准号:
YB/T 4503-2015
标准名称:
钢筋机械连接件 残余变形量试验方法
标准类别:
其他行业标准
英文名称:
Mechanical splices of steel bars. Slip test method标准状态:
现行-
发布日期:
2015-07-14 -
实施日期:
2016-01-01 出版语种:
简体中文下载格式:
.pdf .zip
标准ICS号:
冶金>>金属材料试验>>77.040.10金属材料力学试验中标分类号:
冶金>>金属理化性能试验方法>>H22金属力学性能试验方法
点击下载
标准简介:
本标准规定了钢筋机械连接件残余变形量试验的术语及定义、符号及说明、试验原理、试件、试验设备、试验程序及试验报告。
本标准适用于室温下钢筋机械连接件承受规定静载荷后残余变形量的测量。
本标准按照GB/T 1.1-2009给出的规则起草。
本标准由中国钢铁工业协会提出。
本标准由全国钢标准化技术委员会(SAC/TC 183)归口。
本标准起草单位:山西太钢不锈钢股份有限公司、冶金工业信息标准研究院、武汉钢铁(集团)公司。
本标准主要起草人:王丽英、贾元伟、董莉、任永秀、张峰、李荣锋、侯捷。
本标准为首次发布。
部分标准内容:
ICS77.040.10
中华人民共和国黑色冶金行业标准YB/T4503—2015
钢筋机械连接件
残余变形量试验方法
Mechanical splices of steel bars-Slip testmethod2015-07-14发布
中华人民共和国工业和信息化部2016-01-01实施
YB/T4503—2015
范围·
规范性引用文件
术语及定义
符号及说明.
试验原理·
试验设备
试验程序
试验报告·
本标准按照GB/T1.1—2009给出的规则起草。本标准由中国钢铁工业协会提出。本标准由全国钢标准化技术委员会(SAC/TC183)归口。YB/T4503—2015
本标准起草单位:山西太钢不锈钢股份有限公司、冶金工业信息标准研究院、武汉钢铁(集团)公司。本标准主要起草人:王丽英、贾元伟、董莉、任永秀、张峰、李荣锋、侯捷。本标准为首次发布。
1范围
钢筋机械连接件残余变形量试验方法YB/T4503—2015
本标准规定了钢筋机械连接件残余变形量试验的术语及定义、符号及说明、试验原理、试件、试验设备、试验程序及试验报告。
本标准适用于室温下钢筋机械连接件承受规定静载荷后残余变形量的测量。2规范性引用文件
下列文件对于本文件的应用是必不可少的。凡是注日期的引用文件,仅所注日期的版本适用于本文件。凡是不注日期的引用文件,其最新版本(包括所有的修改单)适用于本文件。GB/T8170数值修约规则与极限数值的表示和判定GB/T10623金属材料力学性能试验术语GB/T12160单轴试验用引伸计的标定GB/T16825.1静力单轴试验机的检验第1部分:拉力和(或)压力试验机测力系统的检验与校准3术语及定义
GB/T10623界定的以及下列术语和定义适用于本文件3.1
钢筋机械连接件
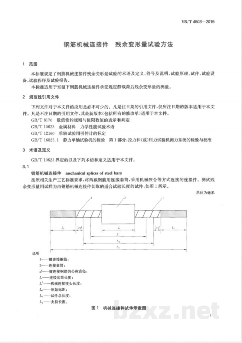
mechanicalsplicesofsteelbars按照相关生产工艺标准要求,将两截钢筋用连接套筒,采用机械咬合等方式连接的连接件。测试残余变形量用试样为由钢筋机械连接件切取的适合试验长度的试件,如图1所示。单位为毫米
被连接钢筋;
连接套筒;
被连接钢筋的公称直径;
连接套筒长度;
-机械连接接头长度;
原始标距;
试件总长度;
夹持长度。
图1机械连接件试件示意图
YB/T4503—2015
original gaugelength
原始标距
钢筋连接件加载前的试件标距。3.3
引伸计标距
extensometer gauge length
测量机械连接件残余变形用引伸计标距长度。3.4
应力速率
stressrate
钢筋连接件施加载荷时单位时间内应力的增加。3.5
保载时间
load holding time
钢筋连接试件加载至规定应力后保持的时间间隔。3.6
连接套筒长度
length of mechanical splice coupler钢筋机械连接件连接套筒的长度,见图1。3.7
机械连接接头长度
lengthofmechanicalsplice
连接套筒长度L加套筒两端钢筋横截面变化区段的长度,见图1。3.8
residual deformationof splice连接件残余变形
钢筋机械连接件试件按规定的加载制度加载并卸载后,在规定标距内所测得的变形量。3.9
夹持长度
clamping length
试验时试件夹持部分长度,见图1。符号及说明
本标准所使用的符号及说明见表1。表1符号及说明
被连接钢筋的公称直径
原始标距
连接套筒长度
注:1MPa=1N/mm。
5试验原理
表1符号及说明(续)
机械连接接头长度此内容来自标准下载网
引伸计标距
夹持长度
试件总长度
连接件残余变形
应力速率
保载时间
被连接钢筋屈服强度规定值
被连接钢筋规定屈服强度相应力值YB/T4503—2015
将已连接好的钢筋机械连接件试件施加轴向拉伸力至规定值,保持一定时间并卸力后,测量机械连接件的残余变形量。
6试件
6.1试件长度
钢筋机械连接件试件的连接应按相关标准的规定,施加规定的拧紧扭矩,外露螺纹或接头两端横截面变化区段的长度严格按连接工艺规定执行。试件总长度应按公式(1)执行,如图1所示。L≥Lo+2d+L
式中:
试件总长度,单位为毫米(mm);Lo——原始标距,单位为毫米(mm);d-被连接钢筋的公称直径,单位为毫米(mm);L——夹持长度,单位为毫米(mm)。6.2试件标距
6.2.1试件标距段应包括机械连接接头,并处于中心位置。(1)
6.2.2标距长度应按产品标准规定执行。如产品标准未作规定,标距长度推荐为机械连接接头长度L加40mm,并向较大的方向修约为10mm的倍数。6.2.3引伸计标距L。应等于试件的原始标距长度。7试验设备
7.1试验机应按照GB/T16825.1进行校准,其准确度应为1级或优于1级。7.2应采用双侧平均引伸计,引伸计应按照GB/T12160进行校准,其准确度应为1级或优于1级。3
YB/T4503—2015
8试验程序
8.1试件的夹持
8.1.1应使用楔形夹头、平推夹头等合适的夹具夹持试件。8.1.2试验时尽量确保夹持的试件受轴向拉力的作用。8.2试验过程
8.2.1试验一般在10℃35℃室温范围内进行。对温度要求严格的试验,试验温度应为23℃士5℃。8.2.2选择或调整引伸计初始标距,使其等于试样原始标距。8.2.3先夹持试样的一端,另一端被夹持之前,设定力测量系统的零点。之后的试验期间不再调节力值零点。
8.2.4为了消除试样夹持链间隙或压应力,确保试验的稳定性,可以施加不超过钢筋标准屈服强度2%相应的预应力作为预载荷。
8.2.5施加预应力后,将双侧平均引伸计夹持于钢筋连接接头试件上,标距范围应包括钢筋连接接头在内。同时对引伸计变形值清零。8.2.6以加载速率为2MPa/s~10MPa/s的应力速率对钢筋连接件施加产品标准规定的应力。无规定时,施加0.6R的应力。如图2所示。F/NA
10s~20s
图2钢筋连接接头试件载荷施加图t/s
8.2.7加载至规定应力后,保持载荷10s~20s。保持过程中载荷的波动应不大于力值的3%。然后卸除试验力至预载荷。如图2所示。8.2.8读出双侧平均引伸计读数或计算两侧读数的平均值,即为钢筋连接接头的残余变形量△L,如图3所示。
图3机械连接件残余变形量△L
残余变形量结果按照GB/T8170修约至0.005mm。试验报告
试验报告应包括以下内容:
本标准编号;
试件的相关信息(钢筋牌号、规格等);钢筋连接件使用的拧紧扭矩值;试验使用的试样标距值;
与标准规定不同的加载力值与保持时间;机械接头残余变形测定结果;
不在本标准规定之内的操作。
YB/T4503—2015
155024-0776
中华人民共和国黑色冶金
行业标准
钢筋机械连接件
:残余变形量试验方法
YB/T4503—2015
冶金工业出版社出版发行
北京北河沿大街嵩祝院北巷39号邮政编码:100009
北京七彩京通数码快印有限公司印刷各地新华书店经销
开本880×1230
2015年11月第一版
印张0.75
字数17千字
2015年11月第一次印刷
统一书号:155024·0776
定价:25.00元
小提示:此标准内容仅展示完整标准里的部分截取内容,若需要完整标准请到上方自行免费下载完整标准文档。
中华人民共和国黑色冶金行业标准YB/T4503—2015
钢筋机械连接件
残余变形量试验方法
Mechanical splices of steel bars-Slip testmethod2015-07-14发布
中华人民共和国工业和信息化部2016-01-01实施
YB/T4503—2015
范围·
规范性引用文件
术语及定义
符号及说明.
试验原理·
试验设备
试验程序
试验报告·
本标准按照GB/T1.1—2009给出的规则起草。本标准由中国钢铁工业协会提出。本标准由全国钢标准化技术委员会(SAC/TC183)归口。YB/T4503—2015
本标准起草单位:山西太钢不锈钢股份有限公司、冶金工业信息标准研究院、武汉钢铁(集团)公司。本标准主要起草人:王丽英、贾元伟、董莉、任永秀、张峰、李荣锋、侯捷。本标准为首次发布。
1范围
钢筋机械连接件残余变形量试验方法YB/T4503—2015
本标准规定了钢筋机械连接件残余变形量试验的术语及定义、符号及说明、试验原理、试件、试验设备、试验程序及试验报告。
本标准适用于室温下钢筋机械连接件承受规定静载荷后残余变形量的测量。2规范性引用文件
下列文件对于本文件的应用是必不可少的。凡是注日期的引用文件,仅所注日期的版本适用于本文件。凡是不注日期的引用文件,其最新版本(包括所有的修改单)适用于本文件。GB/T8170数值修约规则与极限数值的表示和判定GB/T10623金属材料力学性能试验术语GB/T12160单轴试验用引伸计的标定GB/T16825.1静力单轴试验机的检验第1部分:拉力和(或)压力试验机测力系统的检验与校准3术语及定义
GB/T10623界定的以及下列术语和定义适用于本文件3.1
钢筋机械连接件
mechanicalsplicesofsteelbars按照相关生产工艺标准要求,将两截钢筋用连接套筒,采用机械咬合等方式连接的连接件。测试残余变形量用试样为由钢筋机械连接件切取的适合试验长度的试件,如图1所示。单位为毫米
被连接钢筋;
连接套筒;
被连接钢筋的公称直径;
连接套筒长度;
-机械连接接头长度;
原始标距;
试件总长度;
夹持长度。
图1机械连接件试件示意图
YB/T4503—2015
original gaugelength
原始标距
钢筋连接件加载前的试件标距。3.3
引伸计标距
extensometer gauge length
测量机械连接件残余变形用引伸计标距长度。3.4
应力速率
stressrate
钢筋连接件施加载荷时单位时间内应力的增加。3.5
保载时间
load holding time
钢筋连接试件加载至规定应力后保持的时间间隔。3.6
连接套筒长度
length of mechanical splice coupler钢筋机械连接件连接套筒的长度,见图1。3.7
机械连接接头长度
lengthofmechanicalsplice
连接套筒长度L加套筒两端钢筋横截面变化区段的长度,见图1。3.8
residual deformationof splice连接件残余变形
钢筋机械连接件试件按规定的加载制度加载并卸载后,在规定标距内所测得的变形量。3.9
夹持长度
clamping length
试验时试件夹持部分长度,见图1。符号及说明
本标准所使用的符号及说明见表1。表1符号及说明
被连接钢筋的公称直径
原始标距
连接套筒长度
注:1MPa=1N/mm。
5试验原理
表1符号及说明(续)
机械连接接头长度此内容来自标准下载网
引伸计标距
夹持长度
试件总长度
连接件残余变形
应力速率
保载时间
被连接钢筋屈服强度规定值
被连接钢筋规定屈服强度相应力值YB/T4503—2015
将已连接好的钢筋机械连接件试件施加轴向拉伸力至规定值,保持一定时间并卸力后,测量机械连接件的残余变形量。
6试件
6.1试件长度
钢筋机械连接件试件的连接应按相关标准的规定,施加规定的拧紧扭矩,外露螺纹或接头两端横截面变化区段的长度严格按连接工艺规定执行。试件总长度应按公式(1)执行,如图1所示。L≥Lo+2d+L
式中:
试件总长度,单位为毫米(mm);Lo——原始标距,单位为毫米(mm);d-被连接钢筋的公称直径,单位为毫米(mm);L——夹持长度,单位为毫米(mm)。6.2试件标距
6.2.1试件标距段应包括机械连接接头,并处于中心位置。(1)
6.2.2标距长度应按产品标准规定执行。如产品标准未作规定,标距长度推荐为机械连接接头长度L加40mm,并向较大的方向修约为10mm的倍数。6.2.3引伸计标距L。应等于试件的原始标距长度。7试验设备
7.1试验机应按照GB/T16825.1进行校准,其准确度应为1级或优于1级。7.2应采用双侧平均引伸计,引伸计应按照GB/T12160进行校准,其准确度应为1级或优于1级。3
YB/T4503—2015
8试验程序
8.1试件的夹持
8.1.1应使用楔形夹头、平推夹头等合适的夹具夹持试件。8.1.2试验时尽量确保夹持的试件受轴向拉力的作用。8.2试验过程
8.2.1试验一般在10℃35℃室温范围内进行。对温度要求严格的试验,试验温度应为23℃士5℃。8.2.2选择或调整引伸计初始标距,使其等于试样原始标距。8.2.3先夹持试样的一端,另一端被夹持之前,设定力测量系统的零点。之后的试验期间不再调节力值零点。
8.2.4为了消除试样夹持链间隙或压应力,确保试验的稳定性,可以施加不超过钢筋标准屈服强度2%相应的预应力作为预载荷。
8.2.5施加预应力后,将双侧平均引伸计夹持于钢筋连接接头试件上,标距范围应包括钢筋连接接头在内。同时对引伸计变形值清零。8.2.6以加载速率为2MPa/s~10MPa/s的应力速率对钢筋连接件施加产品标准规定的应力。无规定时,施加0.6R的应力。如图2所示。F/NA
10s~20s
图2钢筋连接接头试件载荷施加图t/s
8.2.7加载至规定应力后,保持载荷10s~20s。保持过程中载荷的波动应不大于力值的3%。然后卸除试验力至预载荷。如图2所示。8.2.8读出双侧平均引伸计读数或计算两侧读数的平均值,即为钢筋连接接头的残余变形量△L,如图3所示。
图3机械连接件残余变形量△L
残余变形量结果按照GB/T8170修约至0.005mm。试验报告
试验报告应包括以下内容:
本标准编号;
试件的相关信息(钢筋牌号、规格等);钢筋连接件使用的拧紧扭矩值;试验使用的试样标距值;
与标准规定不同的加载力值与保持时间;机械接头残余变形测定结果;
不在本标准规定之内的操作。
YB/T4503—2015
155024-0776
中华人民共和国黑色冶金
行业标准
钢筋机械连接件
:残余变形量试验方法
YB/T4503—2015
冶金工业出版社出版发行
北京北河沿大街嵩祝院北巷39号邮政编码:100009
北京七彩京通数码快印有限公司印刷各地新华书店经销
开本880×1230
2015年11月第一版
印张0.75
字数17千字
2015年11月第一次印刷
统一书号:155024·0776
定价:25.00元
小提示:此标准内容仅展示完整标准里的部分截取内容,若需要完整标准请到上方自行免费下载完整标准文档。
标准图片预览:





- 其它标准
- 热门标准
- 其他行业标准
- FZ/T72006-2017 割圈法针织人造毛皮
- QB/T2289.4-2012 园艺工具 剪枝剪
- FZ/T13028-2013 聚苯硫醚纤维(中长型)本色布
- JB/T20034-2004 药用漩涡振动式筛分机
- CECS:7094 建筑安装工程金属熔化焊焊缝射线照相检测标准CECS70:94
- JB/T8974-2011 TAW系列增安型无刷励磁同步电动机技术条件
- JB/T11127-2010 印刷机械 光敏光聚合型直接制版冲版机
- QB/T4639-2014 δ-十二内酯
- YS/T661-2016 电池级氟化锂
- QX/T546-2020 空间高能粒子辐射效应术语
- CAS166-2008 家用深冷冷藏冷冻箱(附英文版)
- NB/T31048.4-2014 风力发电机用绕组线 第4部分 玻璃丝包薄膜绕包铜扁线
- DGTJ08-104-2014 城市轨道交通专用无线通信系统技术规范
- HG/T4544-2013 对苯二酚生产废液回收再利用生产碳酸锰的方法
- JB/T8973-2011 增安型无刷励磁同步电动机防爆技术要求
- 行业新闻
请牢记:“bzxz.net”即是“标准下载”四个汉字汉语拼音首字母与国际顶级域名“.net”的组合。 ©2025 标准下载网 www.bzxz.net 本站邮件:bzxznet@163.com
网站备案号:湘ICP备2025141790号-2
网站备案号:湘ICP备2025141790号-2