- 您的位置:
- 标准下载网 >>
- 标准分类 >>
- 其他行业标准 >>
- YB/T 4239-2010氮化硅铁
标准号:
YB/T 4239-2010
标准名称:
氮化硅铁
标准类别:
其他行业标准
英文名称:
Ferrosilicon nitride标准状态:
现行-
发布日期:
2010-11-22 -
实施日期:
2011-03-01 出版语种:
简体中文下载格式:
.pdf .zip
起草单位:
武汉钢铁(集团)公司;宁夏中宏氮化制品有限公司;冶金工业信息标准研究院归口单位:
冶金工业信息标准研究院发布部门:
中华人民共和国工业和信息化部相关标签:
氮化硅

点击下载
标准简介:
本标准规定了氮化硅铁的技术条件、试验方法、检验规则及包装、储运、标志和质量证明书。
本标准适用于炼钢用氮化硅铁,高炉出铁口炮泥用、铁沟用及其它耐火材料用氮化硅铁。

部分标准内容:
ICS77.100
中华人民共和国黑色冶金行业标准YB/T4239-2010
氮化硅铁
Ferrosiliconnitride
2010-11-10发布
中华人民共和国工业和信息化部2011-03-01实施
YB/T42392010
本标准的附录A、附录B、附录C、附录D、附录E、附录F、附录G、附录H、附录I、附录J和附录K为资料性附录。
本标准由中国钢铁工业协会提出。本标准由全国生铁及铁合金标准化技术委员会归口。本标准起草单位:武汉钢铁(集团)公司、宁夏中宏氮化制品有限公司、冶金工业信息标准研究院。本标准起草人:刘良田、杜文贯、白汉芳、张瑞香。本标准首次发布。
1范围
氮化硅铁
YB/T4239--2010
本标准规定了氨化硅铁的技术条件、试验方法、检验规则及包装、储运、标志和质量证明书。本标准适用于炼钢用氮化硅铁,高炉出铁口炮泥用、铁沟用及其他耐火材料用氮化硅铁。2规范性引用文件
下列文件对于本文件的应用是必不可少的。凡是注日期的引用文件,仅注日期的版本适用于本文件。凡是不注日期的引用文件,其最新版本(包括所有的修改单)适用于本文件。GB/T2001焦炭工业分析测定方法GB/T3560铁合金验收、包装、储运、标志和质量证明书的一般规定GB/T4010铁合金化学分析用试样的采取和制备GB/T13247铁合金产品粒度的取样和检测方法3分类及牌号表示方法
3.1分类
3.1.1氮化硅铁按其用途分为两种:耐火材料用氮化硅铁、炼钢用氮化硅铁。3.1.2耐火材料用氮化硅铁按其特征分类为:耐火材料用普通氮化硅铁、耐火材料用稳定化氮化硅铁。3.1.3炼钢用氮化硅铁按其特征分类为:炼钢用普通氮化硅铁、炼钢用高纯氮化硅铁。3.2牌号表示方法
表示不同组别。
表示主元素。
表示含铁元素的铁合金产品,
“NP”表示耐火材料用普通类别:“NW”表示耐火材料用稳定类别。“LP”表承炼钢用普通类别“LG”表示炼钢用高纯类别。例:NPFeSiN-A表示耐火材料用普通氮化硅铁类别的A组别。4技术要求
4.1耐火材料用氮化硅铁
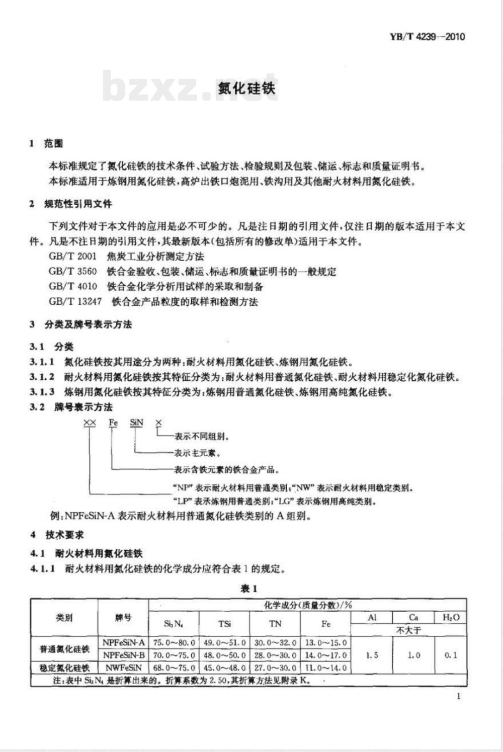
4.1.1耐火材料用氮化硅铁的化学成分应符合表1的规定。表1
普通氮化硅铁
稳定氮化硅铁
NPFeSiN-A
NPFeSiN-B
NWFeSiN
75.0~80.0
70.0~75.0
68.0~75.0
49.0~51.0
48.0~50.0
45.0~48.0
化学成分(质量分数)/%
30.0~32.0
28.0~30.0
27.0~30.0
13.0~15.0
14.0~17.0
11.0~14.0
注:表中SiN是折算出来的。折算系数为2.50,其折算方法见附录K,Al
不大于
YB/T4239--2010
4.1.2粒度
耐火材料用普通氮化硅铁的粒度为75μm(200目)、通过率90%。4.1.2.1
耐火材料用稳定氮化硅铁的粒度为45um(325目)、通过率90%。4.1.2.2
如有特殊要求,经供需双方协商,可供其他规格粒度产品。4.1.3外观
普通氮化硅铁为灰白色,稳定氮化硅铁为茶褐色。4.1.3.1
4.1.3.2耐火材料用氮化硅铁表面洁净,不应有明显的外来杂物。炼钢用氨化硅铁
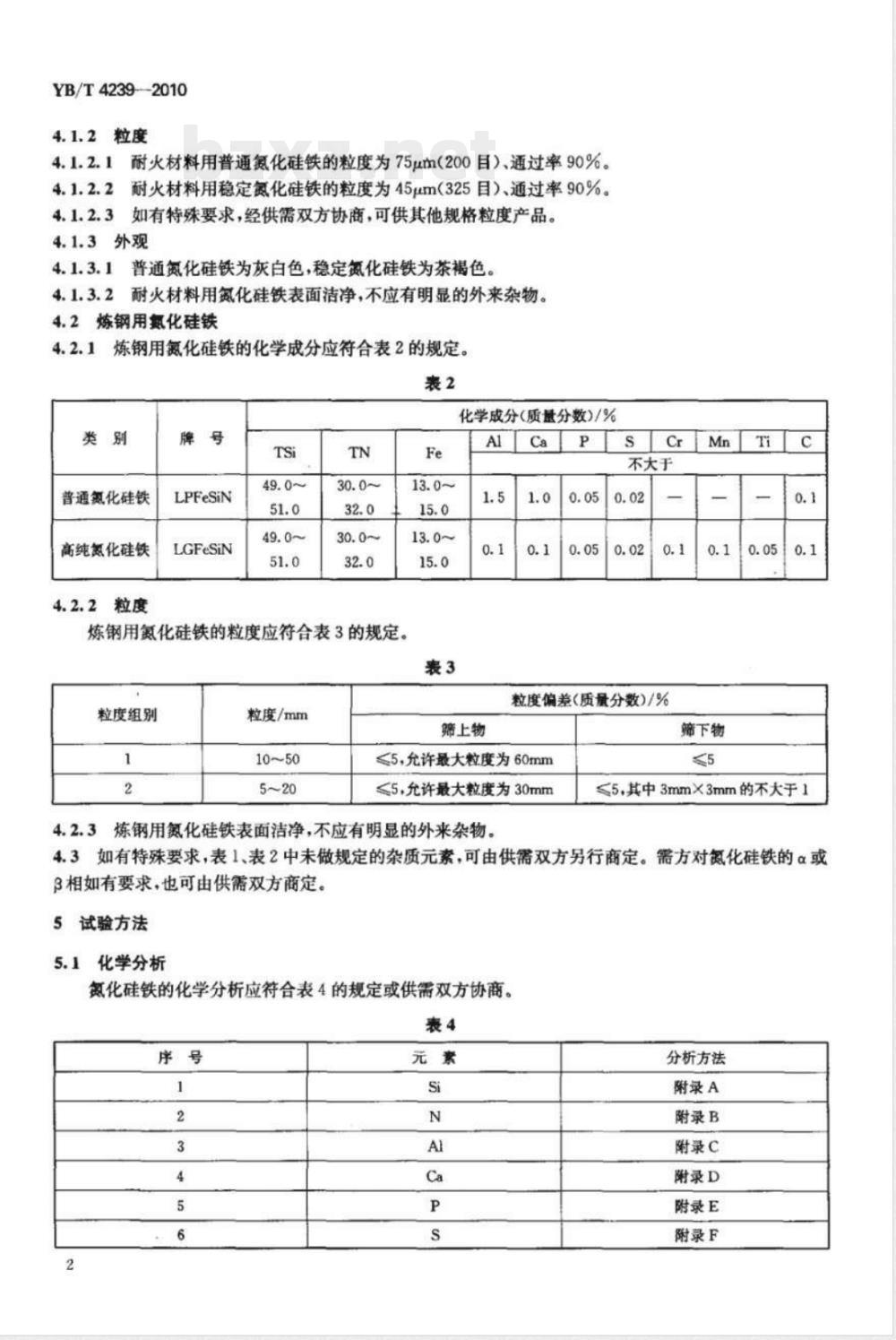
炼钢用氮化硅铁的化学成分应符合表2的规定。4.2.1
普通氮化硅铁
高纯氮化硅铁
4.2.2粒度
LPFeSiN
LGFeSiN
炼钢用氮化硅铁的粒度应符合表3的规定。粒度组别
粒度/mm
化学成分(质量分数)/%
筛上物
不大于
粒度偏差(质最分数)/%
筛下物
≤5,允许最大粒度为60mm
≤5,允许最大粒度为30mm
4.2.3炼钢用氮化硅铁表面洁净,不应有明显的外来杂物。5
≤5,其中3mm×3mm的不大于1
4.3如有特殊要求,表1、表2中未做规定的杂质元素,可由供需双方另行商定。需方对氮化硅铁的α或β相如有要求,也可由供需双方商定。5试验方法
5.1化学分析
氮化硅铁的化学分析应符合表4的规定或供需双方协商。表4
分析方法
附录A
附录B
附录C
附录D
附录E
附录F
表4(续)
5.2氮化硅铁粒度的检测按GB/T13247的规定。6检验规则
6.1组批
YB/T4239—2010
分析方法
附录G
附录H
附录1
附录」
GB/T2001
氮化硅铁应成批提交检验,每批应由同一牌号的氮化硅铁组成,批重应不超过10t。6.2试样的采取和制备
氮化硅铁化学分析用试样的采取和制备按GB/T4010的规定。6.3质量检查和验收
氮化硅铁的质量检查和验收按GB/T3650的规定。6.4:粒度的取样和验收
氮化硅铁粒度的取样和验收按GB/T13247的规定。包装、储运、标志和质量证明书7
7.1包装
氮化硅铁可用袋装或铁桶包装,并全部衬防潮内膜。如需其他形式包装时,可由供需双方另行商定。7.2储运、标志和质量证明书
储运、标志和质量证明书按GB/T3650的规定。YB/T42392010
A.1范围
附录A
(资料性附录)
氮化硅铁全硅含量的测定脱水重量法本附录规定了脱水重量电感耦合等离子体(ICP)发射光谱法测定氮化硅铁中全硅含量。本附录适用于氮化硅铁中全硅含量的测定。测定范围(质量分数):30.00%~70.00%。A.2原理
试样用碳酸钠熔融分解,加盐酸溶解。蒸发干燥将硅酸脱水。用盐酸将可溶性盐类溶解过滤。沉淀物高温蒸发脱水后称量,加人氢氟酸使二氧化硅挥发后再高温加热后称量,从其减少的量求得挥发部分的二氧化硅重量。滤液用电感耦合等离子体(ICP)发射光谱法或分光光度法测得滤液中的硅量。由以上两个测定值计算出全硅含量。
A.3试剂
除非另有说明,在分析中仅使用确认为分析纯的试剂和蒸馅水或与其纯度相当的水。A.3.1碳酸钠(无水)。
A.3.2盐酸,pl.19g/mL。
A.3.3氢氟酸,pl.13g/mL。
A.3.4盐酸,1+1。
A.3.5盐酸,1+4。
盐酸,1+10。
盐酸,1+50。
硫酸,1+1。
硫酸,1+4。
氢氟酸,1十9。
硼酸溶液,40g/L。
钼酸铵溶液,0.1g/mL用时配制。酒石酸溶液,100mL。
抗坏血酸溶液,100mL。
硅标准溶液,1.OmgSi/mL。
A.3.16硅标准溶液,0.1mgSi/mL。准确称取10mL硅标准溶液(1.0mgSi/mL)转移至100mL容量瓶中用水稀释至刻度摇匀。
注:碳酸钠(无水)也可用碳酸钾钠。A.4仪器
各种实验用品包括玻璃制品和塑料制品等在盐酸(1+10)溶液中浸泡10h,防止污染。A.5分析步骤
A.5.1试样
准确称取试样0.3000g。
A5.2空白试验
随同试样做空白试验。
A.5.3测定
A5.3.1将试样(A.5.1)置于铂金皿中,加2.0g无水碳酸(A.3.1)混匀,平铺于铂金皿底部。最初低温加热,最后加热至高温1000℃使试样完全融解。4
YB/T42392010
A.5.3.2盖上表面皿放冷后,加入20mL盐酸(A.3.4),在水浴上加热溶解,用少量水洗净表面血取出,继续蒸发至于润。期间用平头玻璃棒压碎析出的盐类成粉末。放冷后加入5mL盐酸(A3.2)静置约1min,加人20mL热水在水浴上加热5min,溶解可溶性盐类。A.5.3.3取滤纸过滤不溶物,滤液放入250mL容量瓶中,用热盐酸(A.3.7)洗铂金耻及沉淀各三次,再用热水继续洗铂金血及沉淀,直至无CI-存在(用1%的硝酸银检验),将滤液冷却后,稀释至刻度。A.5.3.4将A.5.3.3中的沉淀同滤纸一同放入铂金中,加人5滴硫酸(A.3.9),在不燃烧的情况下,加热使滤纸灰化后在1100℃士25℃的高温中加热60min。在干燥器中放冷后称其重量,反复操作直至恒重。
A.5.3.5将A.5.3.4中的二氧化硅用水润湿,加人3滴硫酸(A.3.8)及10mL氢氟酸(A.3.3)在砂浴上蒸发至干酒,在1100℃土25℃的高温中加热5min,在干燥器中放冷后称量,其减少的重量为主二氧化硅。
A.5.3.6用ICP测量滤液中硅含量A.5.3.6.1从A.5.3.3的滤液中准确移取10mL溶液置于100mL容量瓶中,加入5mL盐酸(A.3.5),用水稀释至刻度摇勺。
A.5.3.6.2部分A.5.3.6.1溶液喷雾在ICP发射光谱仪等离子体中,于波长251.61nm处测定黑度值,从标准曲线上求得滤液中硅含量。A.5.3.6.3标准曲线的绘制
用移液管移取10mL空白试验溶液(A.5.2)分别放入数个100mL容量瓶中,再依次分别加人0~4mL硅标准溶液(A.3.16),滴加5mL盐酸(A.3.5),用水稀释至刻度摇匀。用制成的溶液按A.5.3.6.2操作,制成熏度和硅量的关系线,通过原点平行移动绘制成标准曲线。A.5.3.7用分光光度法测量滤液中硅含量A.5.3.7.1从A.5.3.3的滤液中准确移取10mL置于100mL塑料烧杯中,加人2mL氢氟酸(A.3.10)静置10min,加人50mL硼酸(A.3.11)、2mL盐酸(A.3.5)用水稀释至70mL,加人3mL钳酸铵(A.3.12),静置10min。顺次加人5mL酒石酸溶液(A.3.13),3mL抗坏血酸溶液(A.3.14),摇匀后,转移至100mL容量瓶中,用水稀释至刻度播勾,静置30min。部分溶液移入1cm比色皿中,以水做参比,在波长650nm处测其吸光度,从标准曲线上求得滤液中硅含量。A.5.3.7.2标准曲线的绘制
用钼蓝吸光光度法时,操作如下,移取硅标准溶液0~4mL分别放入数个100mL塑料烧杯中,分别滴加10mL空白试验溶液,然后按A.5.3.7.1的添加氢氟酸(A.3.10)以后的操作,制成吸光度和硅量的关系线,通过原点平行移动绘制成标准曲线。A.6分析结果
A.6.1分析值的计算
按(A.1)计算试样中的全硅含量,数值以“%”表示:TSi%)(m-.)×.674(A--A.)×2.05/1x00... A.)式中:
全硅含量,单位为百分数(%);ml——主二氧化硅量,单位为克(g);空白二氧化硅量,单位为克(g);m2
滤液溶解硅量,单位为克(g));Az空白硅量,单位为克(g);
m-—试样量,单位为克(g)。
YB/T42392010
A.7允许差
在重复条件下所得两个单次分析值的允许差为0.15%。A.8试验报告
试验报告应包括下列内容:
a)鉴别试料、实验室和分析日期等资料;b)遵守本标准规定的程度;
e)分析结果及其表示;
测定中观察到的异常现象;
对分析结果可能有影响而本标准未包括的操作,或者任选的操作。e)
B.1范围
附录B
(资料性附录)
氨化硅铁全氮含的测定
中和滴定法
本附录规定了中和滴定法测定全氮含量。本附录适用于氮化硅铁中全氮含量的测定。测定范围(质量分数):20%~45%。B.2原理
YB/T4239—2010
试样在加压分解容器中经硫酸、氢氟酸分解,氮转化为铵盐,加人硼酸后移入蒸馏瓶。加人氢氧化钠后进行水气蒸馏,蒸馏出的氨被一定量的氨基磺酸溶液吸收,剩余的氨基磺酸用氢氧化钠滴定。B.3试剂
除非另有说明,在分析中仅使用确认为分析纯的试剂和蒸馏水或与其纯度相当的水。B.3.1硼酸
B.3.2硫酸铵,99.9%以上,用时110℃干燥3h,在干燥器中放冷。B.3.3氢氟酸,pl.13g/mL。
B.3.4硫酸,1+1。
B.3.5氢氧化钠溶液,500g/L。
B.3.6氨基磺酸溶液:称取氨基磺酸10.0g精确至0.1mg,用水溶解后转移至1000mL容量瓶中稀释至刻度摇匀。溶液浓度由(B.1)计算:GxP
97.093X100
式中:
C-一氨基磺酸的浓度,单位为摩尔每升(mol/L);G一氨基磺酸的称取量,单位为克(g);P—一氨基磺酸的纯度,%
B.3.7氢氧化钠溶液:按常规配制,取50mL氨基磺酸溶液(B3.6)置于200mL烧杯中,用水稀释至100mL,用玻璃电极pH计测定溶液pH值,用氢氧化钠溶液(B.3.5)滴定至pH5.5为终点,求得氢氧化钠溶液的用量。该溶液浓度由(B.2)算出:CCX50.0
式中:
C——氢氧化钠溶液的浓度,单位为摩尔每升(mol/L);C氨基磺酸溶液的浓度,单位为摩尔每升(mol/L);V氢氧化钠溶液的用量,单位为毫升(mL)。B.4仪器及器具
B.4.1加压分解容器:如图B.1所示,不锈钢材质的耐压容器及平衡板、聚四氟乙烯材质的树脂容器及密封盖。
B.4.2水蒸气蒸馅仪器:如图B.2所示。B.4.2.1水蒸气发生瓶是带补水漏斗的2500mL烧瓶,内置1kW镍铬丝加热器,并带有水蒸气导出管。B.4.2.2冷凝水收集瓶(500mL)下端用乳胶管和弹簧夹封口,收集瓶内蒸气导出管端部开数孔。7www.bzxz.net
YB/T42392010
中.0以上铜丝
中心螺丝
均衡板
耐压容器
树脂容器
图B.1加压分解容器
球面密封
328/12
1kW镖饹丝
图B.2水蒸气蒸馏装置
328/12
单位为毫米
单位为毫米
YB/T4239—2010
B.4.2.3蒸馏瓶顶端为加液漏斗,漏斗底部与蒸馏瓶连接管处配旋塞,连接管分两段,上段与下段用乳胶管联结,以方便更换下段。
B.4.2.4蒸馅瓶为750mL烧瓶。
B.4.2.5蛇形冷却器。
B.4.2.6冷凝液收集器为500mL烧杯。B.5分析步骤
B.5.1.试样
称取试样0.1500g,精确至0.1mg。B.5.2空白试验
随同试样做空白试验,所用试剂取自同一试剂瓶。B.5.3测定
B.5.3.1将试样(B.5.1)置于30mL铂金中,将铂金埚放人树脂容器中,加人5mL硫酸(B.3.4),5mL氢氟酸(B.3.3),加盖装入耐压容器,放好平衡板,拧紧上盖,用夹具固定,紧固顶端压紧螺栓。小心将容器放入160℃的空气浴中加热16h。B.5.3.2容器取出后冷却,取下外盖、平衡板及内盖。用塑料夹取出铂金,溶液移入塑料烧杯(100mL),用少量水洗净铂金、夹子、内盖及树脂容器后,加入5g硼酸(B.3.1)溶解。B.5.3.3将B5.3.2的溶液移人蒸馏烧瓶后,安装蒸馏设备,在接收烧杯中加人50mL氨基磺酸溶液(B3.6),联结好蒸出气体导出管末端的软管并浸人吸收液中。由加液漏斗加入50mL氢氧化钠溶液(B.3.5),用水冲洗漏斗,液量控制约150mL后,关闭漏斗旋塞。B.5.3.4补充好水蒸气发生瓶的水量,打开冷凝水收集瓶下端的弹簧夹,送电加热至水沸腾,调节加热器功率,使水蒸气量控制在每分钟4.5mL~5.0mL。B5.3.5夹好弹簧夹,进行水蒸气蒸馅,接收烧杯中的液量达到约170mL时,下移烧杯,软管下端离开液面,继续蒸罐至液量达到200mL,用适量水冲洗软管末端外侧。B.5.3.6用0.1mol/L氢氧化钠溶液滴定,用玻璃电极pH计测定溶液pH=5.5为终点,读取消耗0.1mol/L氢氧化钠溶液的用量。注:使用新的或长时间不用的蒸馏装置时,预先蒸馏2h~3h清洗系统。B.6回收率的测定
B.6.1试样
称取硫酸铵0.2800g,精确至0.1mg。B.6.2测定
B.6.2.1将试样(B.6.1)置于铂金地埚中,进行B.5.3的操作。B.6.2.2按(B3)计算回收率:
R(50.00×FXXE)X0. 001400×100GX0.2120
式中:
R一回收率,单位为百分数(%):F——氨基磺酸溶液的浓度,单位为摩尔每升(mol/L);F一氢氧化钠溶液的浓度,单位为摩尔每升(mol/L);V-—消耗0.1mol/L氢氧化钠溶液的体积,单位为毫升(mL);G硫酸铵的称取量,单位为克(g)。B.7分析结果
B.7.1分析值的计算
按(B4)公式计算试样中的全氮含量,数值以“%”表示:(B.3)
小提示:此标准内容仅展示完整标准里的部分截取内容,若需要完整标准请到上方自行免费下载完整标准文档。
中华人民共和国黑色冶金行业标准YB/T4239-2010
氮化硅铁
Ferrosiliconnitride
2010-11-10发布
中华人民共和国工业和信息化部2011-03-01实施
YB/T42392010
本标准的附录A、附录B、附录C、附录D、附录E、附录F、附录G、附录H、附录I、附录J和附录K为资料性附录。
本标准由中国钢铁工业协会提出。本标准由全国生铁及铁合金标准化技术委员会归口。本标准起草单位:武汉钢铁(集团)公司、宁夏中宏氮化制品有限公司、冶金工业信息标准研究院。本标准起草人:刘良田、杜文贯、白汉芳、张瑞香。本标准首次发布。
1范围
氮化硅铁
YB/T4239--2010
本标准规定了氨化硅铁的技术条件、试验方法、检验规则及包装、储运、标志和质量证明书。本标准适用于炼钢用氮化硅铁,高炉出铁口炮泥用、铁沟用及其他耐火材料用氮化硅铁。2规范性引用文件
下列文件对于本文件的应用是必不可少的。凡是注日期的引用文件,仅注日期的版本适用于本文件。凡是不注日期的引用文件,其最新版本(包括所有的修改单)适用于本文件。GB/T2001焦炭工业分析测定方法GB/T3560铁合金验收、包装、储运、标志和质量证明书的一般规定GB/T4010铁合金化学分析用试样的采取和制备GB/T13247铁合金产品粒度的取样和检测方法3分类及牌号表示方法
3.1分类
3.1.1氮化硅铁按其用途分为两种:耐火材料用氮化硅铁、炼钢用氮化硅铁。3.1.2耐火材料用氮化硅铁按其特征分类为:耐火材料用普通氮化硅铁、耐火材料用稳定化氮化硅铁。3.1.3炼钢用氮化硅铁按其特征分类为:炼钢用普通氮化硅铁、炼钢用高纯氮化硅铁。3.2牌号表示方法
表示不同组别。
表示主元素。
表示含铁元素的铁合金产品,
“NP”表示耐火材料用普通类别:“NW”表示耐火材料用稳定类别。“LP”表承炼钢用普通类别“LG”表示炼钢用高纯类别。例:NPFeSiN-A表示耐火材料用普通氮化硅铁类别的A组别。4技术要求
4.1耐火材料用氮化硅铁
4.1.1耐火材料用氮化硅铁的化学成分应符合表1的规定。表1
普通氮化硅铁
稳定氮化硅铁
NPFeSiN-A
NPFeSiN-B
NWFeSiN
75.0~80.0
70.0~75.0
68.0~75.0
49.0~51.0
48.0~50.0
45.0~48.0
化学成分(质量分数)/%
30.0~32.0
28.0~30.0
27.0~30.0
13.0~15.0
14.0~17.0
11.0~14.0
注:表中SiN是折算出来的。折算系数为2.50,其折算方法见附录K,Al
不大于
YB/T4239--2010
4.1.2粒度
耐火材料用普通氮化硅铁的粒度为75μm(200目)、通过率90%。4.1.2.1
耐火材料用稳定氮化硅铁的粒度为45um(325目)、通过率90%。4.1.2.2
如有特殊要求,经供需双方协商,可供其他规格粒度产品。4.1.3外观
普通氮化硅铁为灰白色,稳定氮化硅铁为茶褐色。4.1.3.1
4.1.3.2耐火材料用氮化硅铁表面洁净,不应有明显的外来杂物。炼钢用氨化硅铁
炼钢用氮化硅铁的化学成分应符合表2的规定。4.2.1
普通氮化硅铁
高纯氮化硅铁
4.2.2粒度
LPFeSiN
LGFeSiN
炼钢用氮化硅铁的粒度应符合表3的规定。粒度组别
粒度/mm
化学成分(质量分数)/%
筛上物
不大于
粒度偏差(质最分数)/%
筛下物
≤5,允许最大粒度为60mm
≤5,允许最大粒度为30mm
4.2.3炼钢用氮化硅铁表面洁净,不应有明显的外来杂物。5
≤5,其中3mm×3mm的不大于1
4.3如有特殊要求,表1、表2中未做规定的杂质元素,可由供需双方另行商定。需方对氮化硅铁的α或β相如有要求,也可由供需双方商定。5试验方法
5.1化学分析
氮化硅铁的化学分析应符合表4的规定或供需双方协商。表4
分析方法
附录A
附录B
附录C
附录D
附录E
附录F
表4(续)
5.2氮化硅铁粒度的检测按GB/T13247的规定。6检验规则
6.1组批
YB/T4239—2010
分析方法
附录G
附录H
附录1
附录」
GB/T2001
氮化硅铁应成批提交检验,每批应由同一牌号的氮化硅铁组成,批重应不超过10t。6.2试样的采取和制备
氮化硅铁化学分析用试样的采取和制备按GB/T4010的规定。6.3质量检查和验收
氮化硅铁的质量检查和验收按GB/T3650的规定。6.4:粒度的取样和验收
氮化硅铁粒度的取样和验收按GB/T13247的规定。包装、储运、标志和质量证明书7
7.1包装
氮化硅铁可用袋装或铁桶包装,并全部衬防潮内膜。如需其他形式包装时,可由供需双方另行商定。7.2储运、标志和质量证明书
储运、标志和质量证明书按GB/T3650的规定。YB/T42392010
A.1范围
附录A
(资料性附录)
氮化硅铁全硅含量的测定脱水重量法本附录规定了脱水重量电感耦合等离子体(ICP)发射光谱法测定氮化硅铁中全硅含量。本附录适用于氮化硅铁中全硅含量的测定。测定范围(质量分数):30.00%~70.00%。A.2原理
试样用碳酸钠熔融分解,加盐酸溶解。蒸发干燥将硅酸脱水。用盐酸将可溶性盐类溶解过滤。沉淀物高温蒸发脱水后称量,加人氢氟酸使二氧化硅挥发后再高温加热后称量,从其减少的量求得挥发部分的二氧化硅重量。滤液用电感耦合等离子体(ICP)发射光谱法或分光光度法测得滤液中的硅量。由以上两个测定值计算出全硅含量。
A.3试剂
除非另有说明,在分析中仅使用确认为分析纯的试剂和蒸馅水或与其纯度相当的水。A.3.1碳酸钠(无水)。
A.3.2盐酸,pl.19g/mL。
A.3.3氢氟酸,pl.13g/mL。
A.3.4盐酸,1+1。
A.3.5盐酸,1+4。
盐酸,1+10。
盐酸,1+50。
硫酸,1+1。
硫酸,1+4。
氢氟酸,1十9。
硼酸溶液,40g/L。
钼酸铵溶液,0.1g/mL用时配制。酒石酸溶液,100mL。
抗坏血酸溶液,100mL。
硅标准溶液,1.OmgSi/mL。
A.3.16硅标准溶液,0.1mgSi/mL。准确称取10mL硅标准溶液(1.0mgSi/mL)转移至100mL容量瓶中用水稀释至刻度摇匀。
注:碳酸钠(无水)也可用碳酸钾钠。A.4仪器
各种实验用品包括玻璃制品和塑料制品等在盐酸(1+10)溶液中浸泡10h,防止污染。A.5分析步骤
A.5.1试样
准确称取试样0.3000g。
A5.2空白试验
随同试样做空白试验。
A.5.3测定
A5.3.1将试样(A.5.1)置于铂金皿中,加2.0g无水碳酸(A.3.1)混匀,平铺于铂金皿底部。最初低温加热,最后加热至高温1000℃使试样完全融解。4
YB/T42392010
A.5.3.2盖上表面皿放冷后,加入20mL盐酸(A.3.4),在水浴上加热溶解,用少量水洗净表面血取出,继续蒸发至于润。期间用平头玻璃棒压碎析出的盐类成粉末。放冷后加入5mL盐酸(A3.2)静置约1min,加人20mL热水在水浴上加热5min,溶解可溶性盐类。A.5.3.3取滤纸过滤不溶物,滤液放入250mL容量瓶中,用热盐酸(A.3.7)洗铂金耻及沉淀各三次,再用热水继续洗铂金血及沉淀,直至无CI-存在(用1%的硝酸银检验),将滤液冷却后,稀释至刻度。A.5.3.4将A.5.3.3中的沉淀同滤纸一同放入铂金中,加人5滴硫酸(A.3.9),在不燃烧的情况下,加热使滤纸灰化后在1100℃士25℃的高温中加热60min。在干燥器中放冷后称其重量,反复操作直至恒重。
A.5.3.5将A.5.3.4中的二氧化硅用水润湿,加人3滴硫酸(A.3.8)及10mL氢氟酸(A.3.3)在砂浴上蒸发至干酒,在1100℃土25℃的高温中加热5min,在干燥器中放冷后称量,其减少的重量为主二氧化硅。
A.5.3.6用ICP测量滤液中硅含量A.5.3.6.1从A.5.3.3的滤液中准确移取10mL溶液置于100mL容量瓶中,加入5mL盐酸(A.3.5),用水稀释至刻度摇勺。
A.5.3.6.2部分A.5.3.6.1溶液喷雾在ICP发射光谱仪等离子体中,于波长251.61nm处测定黑度值,从标准曲线上求得滤液中硅含量。A.5.3.6.3标准曲线的绘制
用移液管移取10mL空白试验溶液(A.5.2)分别放入数个100mL容量瓶中,再依次分别加人0~4mL硅标准溶液(A.3.16),滴加5mL盐酸(A.3.5),用水稀释至刻度摇匀。用制成的溶液按A.5.3.6.2操作,制成熏度和硅量的关系线,通过原点平行移动绘制成标准曲线。A.5.3.7用分光光度法测量滤液中硅含量A.5.3.7.1从A.5.3.3的滤液中准确移取10mL置于100mL塑料烧杯中,加人2mL氢氟酸(A.3.10)静置10min,加人50mL硼酸(A.3.11)、2mL盐酸(A.3.5)用水稀释至70mL,加人3mL钳酸铵(A.3.12),静置10min。顺次加人5mL酒石酸溶液(A.3.13),3mL抗坏血酸溶液(A.3.14),摇匀后,转移至100mL容量瓶中,用水稀释至刻度播勾,静置30min。部分溶液移入1cm比色皿中,以水做参比,在波长650nm处测其吸光度,从标准曲线上求得滤液中硅含量。A.5.3.7.2标准曲线的绘制
用钼蓝吸光光度法时,操作如下,移取硅标准溶液0~4mL分别放入数个100mL塑料烧杯中,分别滴加10mL空白试验溶液,然后按A.5.3.7.1的添加氢氟酸(A.3.10)以后的操作,制成吸光度和硅量的关系线,通过原点平行移动绘制成标准曲线。A.6分析结果
A.6.1分析值的计算
按(A.1)计算试样中的全硅含量,数值以“%”表示:TSi%)(m-.)×.674(A--A.)×2.05/1x00... A.)式中:
全硅含量,单位为百分数(%);ml——主二氧化硅量,单位为克(g);空白二氧化硅量,单位为克(g);m2
滤液溶解硅量,单位为克(g));Az空白硅量,单位为克(g);
m-—试样量,单位为克(g)。
YB/T42392010
A.7允许差
在重复条件下所得两个单次分析值的允许差为0.15%。A.8试验报告
试验报告应包括下列内容:
a)鉴别试料、实验室和分析日期等资料;b)遵守本标准规定的程度;
e)分析结果及其表示;
测定中观察到的异常现象;
对分析结果可能有影响而本标准未包括的操作,或者任选的操作。e)
B.1范围
附录B
(资料性附录)
氨化硅铁全氮含的测定
中和滴定法
本附录规定了中和滴定法测定全氮含量。本附录适用于氮化硅铁中全氮含量的测定。测定范围(质量分数):20%~45%。B.2原理
YB/T4239—2010
试样在加压分解容器中经硫酸、氢氟酸分解,氮转化为铵盐,加人硼酸后移入蒸馏瓶。加人氢氧化钠后进行水气蒸馏,蒸馏出的氨被一定量的氨基磺酸溶液吸收,剩余的氨基磺酸用氢氧化钠滴定。B.3试剂
除非另有说明,在分析中仅使用确认为分析纯的试剂和蒸馏水或与其纯度相当的水。B.3.1硼酸
B.3.2硫酸铵,99.9%以上,用时110℃干燥3h,在干燥器中放冷。B.3.3氢氟酸,pl.13g/mL。
B.3.4硫酸,1+1。
B.3.5氢氧化钠溶液,500g/L。
B.3.6氨基磺酸溶液:称取氨基磺酸10.0g精确至0.1mg,用水溶解后转移至1000mL容量瓶中稀释至刻度摇匀。溶液浓度由(B.1)计算:GxP
97.093X100
式中:
C-一氨基磺酸的浓度,单位为摩尔每升(mol/L);G一氨基磺酸的称取量,单位为克(g);P—一氨基磺酸的纯度,%
B.3.7氢氧化钠溶液:按常规配制,取50mL氨基磺酸溶液(B3.6)置于200mL烧杯中,用水稀释至100mL,用玻璃电极pH计测定溶液pH值,用氢氧化钠溶液(B.3.5)滴定至pH5.5为终点,求得氢氧化钠溶液的用量。该溶液浓度由(B.2)算出:CCX50.0
式中:
C——氢氧化钠溶液的浓度,单位为摩尔每升(mol/L);C氨基磺酸溶液的浓度,单位为摩尔每升(mol/L);V氢氧化钠溶液的用量,单位为毫升(mL)。B.4仪器及器具
B.4.1加压分解容器:如图B.1所示,不锈钢材质的耐压容器及平衡板、聚四氟乙烯材质的树脂容器及密封盖。
B.4.2水蒸气蒸馅仪器:如图B.2所示。B.4.2.1水蒸气发生瓶是带补水漏斗的2500mL烧瓶,内置1kW镍铬丝加热器,并带有水蒸气导出管。B.4.2.2冷凝水收集瓶(500mL)下端用乳胶管和弹簧夹封口,收集瓶内蒸气导出管端部开数孔。7www.bzxz.net
YB/T42392010
中.0以上铜丝
中心螺丝
均衡板
耐压容器
树脂容器
图B.1加压分解容器
球面密封
328/12
1kW镖饹丝
图B.2水蒸气蒸馏装置
328/12
单位为毫米
单位为毫米
YB/T4239—2010
B.4.2.3蒸馏瓶顶端为加液漏斗,漏斗底部与蒸馏瓶连接管处配旋塞,连接管分两段,上段与下段用乳胶管联结,以方便更换下段。
B.4.2.4蒸馅瓶为750mL烧瓶。
B.4.2.5蛇形冷却器。
B.4.2.6冷凝液收集器为500mL烧杯。B.5分析步骤
B.5.1.试样
称取试样0.1500g,精确至0.1mg。B.5.2空白试验
随同试样做空白试验,所用试剂取自同一试剂瓶。B.5.3测定
B.5.3.1将试样(B.5.1)置于30mL铂金中,将铂金埚放人树脂容器中,加人5mL硫酸(B.3.4),5mL氢氟酸(B.3.3),加盖装入耐压容器,放好平衡板,拧紧上盖,用夹具固定,紧固顶端压紧螺栓。小心将容器放入160℃的空气浴中加热16h。B.5.3.2容器取出后冷却,取下外盖、平衡板及内盖。用塑料夹取出铂金,溶液移入塑料烧杯(100mL),用少量水洗净铂金、夹子、内盖及树脂容器后,加入5g硼酸(B.3.1)溶解。B.5.3.3将B5.3.2的溶液移人蒸馏烧瓶后,安装蒸馏设备,在接收烧杯中加人50mL氨基磺酸溶液(B3.6),联结好蒸出气体导出管末端的软管并浸人吸收液中。由加液漏斗加入50mL氢氧化钠溶液(B.3.5),用水冲洗漏斗,液量控制约150mL后,关闭漏斗旋塞。B.5.3.4补充好水蒸气发生瓶的水量,打开冷凝水收集瓶下端的弹簧夹,送电加热至水沸腾,调节加热器功率,使水蒸气量控制在每分钟4.5mL~5.0mL。B5.3.5夹好弹簧夹,进行水蒸气蒸馅,接收烧杯中的液量达到约170mL时,下移烧杯,软管下端离开液面,继续蒸罐至液量达到200mL,用适量水冲洗软管末端外侧。B.5.3.6用0.1mol/L氢氧化钠溶液滴定,用玻璃电极pH计测定溶液pH=5.5为终点,读取消耗0.1mol/L氢氧化钠溶液的用量。注:使用新的或长时间不用的蒸馏装置时,预先蒸馏2h~3h清洗系统。B.6回收率的测定
B.6.1试样
称取硫酸铵0.2800g,精确至0.1mg。B.6.2测定
B.6.2.1将试样(B.6.1)置于铂金地埚中,进行B.5.3的操作。B.6.2.2按(B3)计算回收率:
R(50.00×FXXE)X0. 001400×100GX0.2120
式中:
R一回收率,单位为百分数(%):F——氨基磺酸溶液的浓度,单位为摩尔每升(mol/L);F一氢氧化钠溶液的浓度,单位为摩尔每升(mol/L);V-—消耗0.1mol/L氢氧化钠溶液的体积,单位为毫升(mL);G硫酸铵的称取量,单位为克(g)。B.7分析结果
B.7.1分析值的计算
按(B4)公式计算试样中的全氮含量,数值以“%”表示:(B.3)
小提示:此标准内容仅展示完整标准里的部分截取内容,若需要完整标准请到上方自行免费下载完整标准文档。

标准图片预览:





- 其它标准
- 上一篇: YB/T 4154-2015低钛高碳铬铁
- 下一篇: YB/T 4240-2010微、低碳锰硅合金
- 热门标准
- 其他行业标准
- QX/T365-2016 气象卫星接收时间表格式
- YB/T192-2015 炼钢用增碳剂
- QX/T255-2015 供暖气象等级
- YB/T4458-2015 家电用彩色涂层钢板及钢带
- NB/SH/T0407-2013 石油蜡水溶性酸或碱试验法
- FZ/T07002-2018 废旧纺织品再加工短纤维
- QX/T409-2017 农业气象观测规范 番茄
- QX/T412-2017 卫星遥感监测技术导则 霾
- QJMS0005S-2016 焦作市米奇食品饮料有限公司 果汁饮料
- HG/T4670-2014 改性塑料用阻燃剂黑点和异色点的测定
- JB/T7565.1-2011 隔爆型三相异步电动机技术条件 第1部分:YB3系列隔爆型三相异步电动机
- HG/T3766-2004 炔螨特乳油
- YS/T254.7-2011 铍精矿、绿柱石化学分析方法 第7部分:水分量的测定 重量法
- QJLYN0002S-2016 吉林省医诺生物技术有限公司 桦树茸复合饮料浓浆
- QB/T2025-2013 平版印铁油墨
- 行业新闻
请牢记:“bzxz.net”即是“标准下载”四个汉字汉语拼音首字母与国际顶级域名“.net”的组合。 ©2009 标准下载网 www.bzxz.net 本站邮件:bzxznet@163.com
网站备案号:湘ICP备2023016450号-1
网站备案号:湘ICP备2023016450号-1