- 您的位置:
- 标准下载网 >>
- 标准分类 >>
- 其他行业标准 >>
- YS/T 786-2012赤泥粉煤灰耐火隔热砖
标准号:
YS/T 786-2012
标准名称:
赤泥粉煤灰耐火隔热砖
标准类别:
其他行业标准
英文名称:
Shaped refractory insulating products—Red mud and flyash bricks标准状态:
现行-
发布日期:
2012-11-07 -
实施日期:
2013-03-01 出版语种:
简体中文下载格式:
.pdf .zip
标准ICS号:
采矿和矿产品>>金属矿>>73.060.10铁矿中标分类号:
冶金>>冶金原料与辅助材料>>H30冶金原料与辅助材料综合

点击下载
标准简介:
本标准规定了赤泥粉煤灰耐火隔热砖的要求、试验方法、检验规则和包装、标志、运输、储存及质量证明书。
本标准适用于赤泥粉煤灰耐火隔热砖,材料主要用于工业窑炉的隔热层。
本标准按照GB/T1.1—2009给出的规则起草。
本标准由全国有色金属标准化技术委员会(SAC/TC243)归口。
本标准负责起草单位:中铝集团晋铝耐材有限公司。
本标准主要起草人:雷发祥、阮克胜、焦柏锁、侯会泽。
下列文件对于本文件的应用是必不可少的。凡是注日期的引用文件,仅注日期的版本适用于本文件。凡是不注日期的引用文件,其最新版本(包括所有的修改单)适用于本文件。
GB/T2992 通用耐火砖形状尺寸
GB/T2998 定形隔热耐火制品 体积密度和真气孔率试验方法
GB/T5072 耐火材料 常温耐压强度试验方法
GB/T5988 耐火材料 加热永久线变化试验方法
GB/T10325 定形耐火制品抽样验收规则
GB/T10326 定形耐火制品尺寸、外观及断面的检查方法
GB/T16546 定形耐火制品包装、标志、运输和储存
YB/T4130 耐火材料 导热系数试验方法(水流量平板法)

部分标准内容:
中华人民共和国有色金属行业标准YS/T786—2012
赤泥粉煤灰耐火隔热砖
Shaped refractory insulating products-Red mud and flyash bricks2012-11-07发布
2013-03-01实施
中华人民共和国有色金属
行业标准
赤泥粉煤灰耐火隔热砖
YS/T786-2012
中国标准出版社出版发行
北京市朝阳区和平里西街甲2号(100013)北京市西城区三里河北街16号(100045)网址www.spc.net.cn
总编室:(010)64275323发行中心:(010)51780235读者服务部:(010)68523946
中国标准出版社秦皇岛印刷厂印刷各地新华书店经销
5印张0.5字数9千字
开本880×1230
2013年3月第一版
2013年3月第一次印刷
书号:155066·2-24421定价
如有印装差错
由本社发行中心调换
版权专有侵权必究
举报电话:(010)68510107
本标准按照GB/T1.12009给出的规则起草。本标准由全国有色金属标准化技术委员会(SAC/TC243)归口。本标准负责起草单位:中铝集团晋铝耐材有限公司。本标准主要起草人:雷发祥、阮克胜、焦柏锁、侯会泽。YS/T786—2012
1范围
赤泥粉煤灰耐火隔热砖
YS/T786—2012
本标准规定了赤泥粉煤灰耐火隔热砖的要求、试验方法、检验规则和包装、标志、运输、储存及质量证明书。
本标准适用于赤泥粉煤灰耐火隔热砖(以下简称材料),材料主要用于工业窑炉的隔热层。2规范性引用文件
下列文件对于本文件的应用是必不可少的。凡是注日期的引用文件,仅注日期的版本适用于本文件。凡是不注日期的引用文件,其最新版本(包括所有的修改单)适用于本文件。GB/T2992
GB/T2998
GB/T5072
GB/T5988
GB/T10325
GB/T10326
GB/T16546
YB/T4130
3要求
3.1产品分类
通用耐火砖形状尺寸
定形隔热耐火制品体积密度和真气孔率试验方法耐火材料常温耐压强度试验方法耐火材料加热永久线变化试验方法定形耐火制品抽样验收规则
定形耐火制品尺寸、外观及断面的检查方法定形耐火制品包装、标志、运输和储存耐火材料导热系数试验方法(水流量平板法)产品分为CF-0.6、CF-0.8两个牌号。3.2物理性能
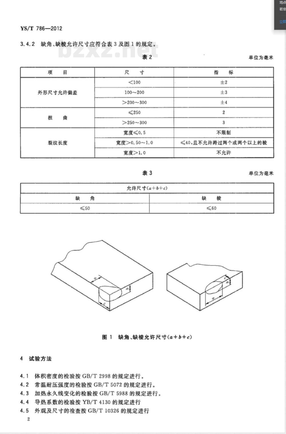
材料的物理性能指标应符合表1规定。表1
3.3外观及尺寸
体积密度
耐压强度
加热永久线变化/%
900℃×8h
材料的外观及尺寸应符合GB/T2992的规定,也可按需方图纸制造。3.4外形尺寸允许偏差、扭曲、裂纹及缺角、缺棱允许尺寸3.4.1外形尺寸允许偏差、扭曲、裂纹应符合表2的规定。导热系数/(W/m·K)
300℃±10℃
YS/T786—2012
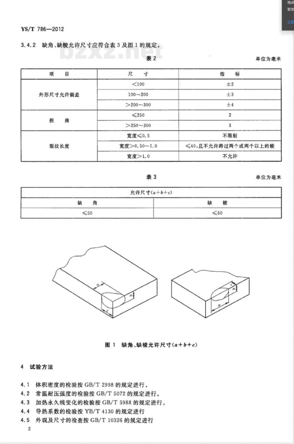
缺角、缺棱允许尺寸应符合表3及图1的规定。表2
外形尺寸允许偏差
裂纹长度
试验方法
100~200
>200~300
≤250
>250~300
宽度≤0.5
宽度>0.50~1.0
宽度>1.0
允许尺寸(a+b+c)
不限制
单位为毫米
<40,且不允许跨过两个或两个以上的棱不允许
单位为毫米
图1缺角、缺棱允许尺寸(a+b+c)体积密度的检验按GB/T2998的规定进行。4.1
4.2常温耐压强度的检验按GB/T5072的规定进行。4.3加热永久线变化的检验按GB/T5988的规定进行。4.4导热系数的检验按YB/T4130的规定进行4.5外观及尺寸的检查按GB/T10326的规定进行2
5检验规则
5.1检查及验收
YS/T786—2012
5.1.1产品应由供方技术监督部门进行检查,保证产品质量符合本标准的规定,并填写产品质量证明书。其内容按本标准6.5的规定填写。5.1.2需方应对收到的产品按本标准的规定进行检验。如检验结果与本标准的规定不符时,应在收到产品之日起1个月内向供方提出,由供需双方协商解决。如需仲裁,仲裁取样由供需双方共同进行,取样组批按5.2的规定进行,取样数量按5.3的规定进行。5.2组批
材料应按同一牌号进行组批,每批数量不大于50t。5.3抽样
材料的抽样按GB/T10325进行,所抽取的测试样数量应符合表4的规定。表4
检验项目
体积密度
常温耐压强度
加热永久线变化
导热系数
5.4检验结果的判定
5.4.1材料的验收按GB/T10325进行。5.4.2体积密度、常温耐压强度、加热永久线变化为验收项目。6
标志、包装、运输、贮存及质量证明书产品标志、包装、运输、贮存按GB/T16546进行。6.1标志
包装件上应标明:
制造厂名、厂标;
产品名称、注册商标;
产品标准编号、牌号、等级、材料号、数量;包装件的序号、重量;
制造日期、批号;
防雨、防潮标志;
小心轻放标志;
储存条件。
取样数量/块
YS/T786—2012此内容来自标准下载网
6.2包装
产品用纸箱包装。
6.3运输
产品在运输装卸时,应轻拿轻放,紧密排列,避免碰撞损坏。装运产品的车船必须有防雨设施,不得受雨淋水浸。
6.4贮存
产品存放在仓库内,应标志清楚,堆放整齐,不应混杂。露天堆放用苦布覆盖,防止雨淋水浸。6.5质量证明书
产品出厂时应附有技术监督部门签发的质量证明书,其上标明:a)
需方名称;
生产日期;
合同号;
产品名称;
执行标准;
牌号;
生产批号;
检验批号;
发货批号;
理化指标;
技术监督部门的印记。
7订货单(或合同)
本标准所列产品的订货单(或合同)至少包括下列内容:a)产品名称;
b)牌号;
重量;
d)本标准编号;
其他要求。
版权专有侵权必究
书号:155066·2-24421
YS/T786-2012
定价:
小提示:此标准内容仅展示完整标准里的部分截取内容,若需要完整标准请到上方自行免费下载完整标准文档。

标准图片预览:





- 其它标准
- 热门标准
- 其他行业标准
- YS/T3008-2012 燃油(柴油)加热活性炭再生工艺能源消耗限额
- CNAS-CC11:2018 多场所组织的管理体系审核与认证
- YB/T096-2015 高碳铬不锈钢丝
- GJB845.1-1990 潜艇核动力装置质量保证安全规定总则
- QX/T362-2016 农业气象观测规范 烟草
- QX/T367-2016 地球静止轨道处能量2 MeV以上的电子日积分强度分级
- QJLYN0005S-2016 吉林省医诺生物技术有限公司 桦树茸复合压片糖果
- QX/T365-2016 气象卫星接收时间表格式
- QB/T1151-2011 订书钉
- JB/T1308.3-2011 PN2500超高压阀门和管件 第3部分:管子端部
- FZ/T07002-2018 废旧纺织品再加工短纤维
- YB/T4458-2015 家电用彩色涂层钢板及钢带
- QJMS0005S-2016 焦作市米奇食品饮料有限公司 果汁饮料
- JB/T7565.1-2011 隔爆型三相异步电动机技术条件 第1部分:YB3系列隔爆型三相异步电动机
- NB/SH/T0407-2013 石油蜡水溶性酸或碱试验法
- 行业新闻
网站备案号:湘ICP备2023016450号-1