- 您的位置:
- 标准下载网 >>
- 标准分类 >>
- 其他行业标准 >>
- YS/T 942-2013微波磁控管器件用贵金属及其合金钎料
标准号:
YS/T 942-2013
标准名称:
微波磁控管器件用贵金属及其合金钎料
标准类别:
其他行业标准
英文名称:
Specification of precious metals and their alloy brazing filler materials for microwave magnetrons devices标准状态:
现行-
发布日期:
2013-10-17 -
实施日期:
2014-03-01 出版语种:
简体中文下载格式:
.pdf .zip
标准ICS号:
冶金>>有色金属产品>>77.150.99其他有色金属产品中标分类号:
冶金>>有色金属及其合金产品>>H68贵金属及其合金

点击下载
标准简介:
本标准规定了微波磁控管器件用贵金属及其合金钎料线材、带、箔材的技术要求、试验方法和检验规则及标志、包装、运输、贮存及质量证明书与合同(或订货单)内容。
本标准适用于微波磁控管器件焊接用贵金属及其合金钎料。
本标准按照GB/T1.1—2009给出的规则起草。
本标准参照了ASTM F106-95《电子设备用钎焊料规范》、JIS3267:1998《钯铜焊金属焊料》和JIS3268:1998《真空用铜焊贵金属焊料》标准。
本标准由全国有色金属标准化技术委员会(SAC/TC243)归口。
本标准起草单位:贵研铂业股份有限公司。
本标准起草人:蒋传贵、朱武勋、王建平、王健、王海燕、张建康、张春荣。
下列文件对于本文件的应用是必不可少的。凡是注日期的引用文件,仅注日期的版本适用于本文件。凡是不注日期的引用文件,其最新版本(包括所有的修改单)适用于本文件。
GB/T1425 贵金属及其合金熔化温度范围的测定 热分析试验方法
GB/T5121.8 铜及铜合金化学分析方法 第8部分:氧含量的测定
GB/T15072(所有部分) 贵金属及其合金化学分析方法
GB/T15077 贵金属及其合金材料几何尺寸测量方法
GJB950A(所有部分) 贵金属及其合金微量元素分析方法
SJ/T10754 电子器件用金、银及其合金钎焊料检验方法 清洁性检验方法
SJ/T10755 电子器件用金、银及其合金钎焊料检验方法 溅散性检验方法

部分标准内容:
中华人民共和国有色金属行业标准YS/T942—2013
微波磁控管器件用贵金属及其合金钎料Specification of precious metals and their alloy brazing filler materials formicrowavemagnetronsdevices
2013-10-17发布
中华人民共和国工业和信息化部发布
2014-03-01实施
本标准按照GB/T1.1一2009给出的规则起草。YS/T942—2013
本标准参照了ASTMF106-95《电子设备用钎焊料规范》、JIS3267:1998《钯铜焊金属焊料》和JIS3268:1998《真空用铜焊贵金属焊料》标准。本标准由全国有色金属标准化技术委员会(SAC/TC243)归口。本标准起草单位:贵研铂业股份有限公司。本标准起草人:蒋传贵、朱武勋、王建平、王健、王海燕、张建康、张春荣。地点
1范围
微波磁控管器件用贵金属及其合金针料YS/T942-2013
本标准规定了微波磁控管器件用贵金属及其合金钎料线材、带、箔材的技术要求、试验方法和检验规则及标志、包装、运输、贮存及质量证明书与合同(或订货单)内容。本标准适用于微波磁控管器件焊接用贵金属及其合金钎料。2规范性引用文件
下列文件对于本文件的应用是必不可少的。凡是注日期的引用文件,仅注日期的版本适用于本文件。凡是不注日期的引用文件,其最新版本(包括所有的修改单)适用于本文件。GB/T1425贵金属及其合金熔化温度范围的测定热分析试验方法GB/T5121.8铜及铜合金化学分析方法第8部分:氧含量的测定GB/T15072(所有部分)贵金属及其合金化学分析方法GB/T15077贵金属及其合金材料几何尺寸测量方法GJB950A(所有部分)贵金属及其合金微量元素分析方法SJ/T10754
电子器件用金、银及其合金钎焊料检验方法清洁性检验方法SJ/T10755
3要求
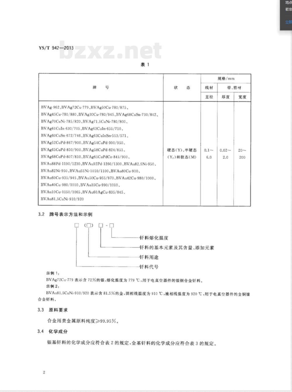
3.1产品分类
电子器件用金、银及其合金钎焊料检验方法溅散性检验方法产品按贵金属种类分为银基钎料和金基钎料两个系列共32种牌号。牌号、状态和规格应符合表1的规定,新旧牌号对照表见附录A。地点
YS/T942-2013
BVAg-962,BVAg72Cu-779,BVAg50Cu-780/875、表1
BVAg45Cu-780/880.BVAg30Cu-780/945.BVAg68CuSn-730/842、BVAg70CuNi-785/820,BVAg71.5CuNi-780/800BVAg61CuIn-630/705、BVAg63Culn-655/710.BVAg60CuSn-672/746,BVAg63CulnSn-553/571、BVAg52CuPd-867/900、BVAg54CuPd-900/950、BVAg65CuPd-850/900.BVAg58CuPd-824/851.BVAg68CuPd-807/810、BVAg65CuPdCo-845/900,BVAu88Pd-1190/1230.BVAu92Pd-1260/1300.BVAu82.5Ni-950.BVAu82Ni-950.BVAu55Ni-1010/1100、BVAu80Cu-910、BVAu60Cu-935/945、BVAu50Cu-955/970、BVAu42Cu-980/1000BVAu40Cu-980/1010、BVAu35Cu-990/1010,BVAu10Cu-1050/1065,BVAu60AgCu-835/845、BVAu81.5CuNi-910/920
牌号表示方法和示例
示例1:
口·口
硬态(Y)、半硬态
(Y,)和软态(M)
钎料熔化温度
钎料的基本元素及其含量、添加元素钎料用途
钎料代号
BVAg72Cu-779表示含72%的银,熔化温度为779℃,用于电真空器件的银铜合金钎料。示例2:
规格/mm
带、箔材
BVAu81.5CuNi-910/920表示含81.5%的金,固相线温度为910℃,液相线温度为920℃,用于电真空器件的金铜镍合金钎料。
原料要求
合金用贵金属原料纯度≥99.95%。3.4化学成分
银基钎料的化学成分应符合表2的规定,金基钎料的化学成分应符合表3的规定。2
YS/T942—2013
100°0
210:00
s0fs*us
s'0干9
0'1千02
0'1+os
01千82
oo6/oooa
01808-P8
006/08-
YS/T942—2013
200℃
200℃
100℃
s0午8
S0干8
0011/0101-INV
供货状态
YS/T942—2013
产品状态分为硬态(Y)、半硬态(Y,)和软态(M)三种。一般以硬态供货,若需半硬态或软态产品,应在订货合同中注明。
外形尺寸及其偏差
3.6.1线材的外形尺寸及其允许偏差应符合表4的规定。经双方协商可供其他规格和允许偏差的产品。
≥0.1~0.2
允许偏差
单位为毫米
3.6.2带、箔材的外形尺寸及其允许偏差应符合表5的规定。成批供货时,单根带材长度不小于5000m。经双方协商可供其他规格和允许偏差的产品。表5
≥0.02~0.05
>0.05~0.10
>0.10~0.25
>0.25~0.50
>0.50~2.00
外观质量
厚度允许偏差
20~100
20~160
20~200
单位为毫米
宽度允许偏差
线材和带、箔材表面不应有氧化,但表面局部的轻微氧化色、发暗和油迹不作判废依据。3.7.1
线材表面应光洁,允许有不影响钎焊性能,深度不超出直径允许偏差的个别凹坑、划痕等。3.7.2
3.7.3带、箔材表面应光洁、平整,不应有起皮等缺陷。允许有不影响钎焊性能,深度不超出尺寸允许偏差的擦伤、划痕、辊印、凹坑和凸点等缺陷。3.7.4带、箔材边部应整齐、平直、无裂边。3.8
清洁性和溅散性
产品供货时钎料清洁性为I~Ⅱ级,溅散性为A级。9含氧量
产品供货时不提供钎料的含氧量测试数据,如需进行含氧量测试,应在订货合同中注明。地点
YS/T942—2013
固相线和液相线温度
产品供货时不提供钎料的固相线和液相线温度测试数据,若需要提供应在订货合同中注明。试验方法
钎料化学成分。
1产品主要成分的分析方法按照GB/T15072的规定进行。4.1.1
4.1.2杂质元素测定按照GJB950A的规定进行。没有标准分析方法的合金牌号成分和杂质元素含量的测定,由供需双方通过协商解决。4.2外形尺寸的测量方法按照GB/T15077的规定进行。4.3外观质量采用目视检查。
产品清洁性、溅散性的检验方法按SJ/T10754、SJ/T10755的规定进行。4.5
产品的含氧量检验方法按GB/T5121.8的规定进行。产品的固相线温度和液相线温度的检验方法按GB/T1425的规定进行。检验规则
检查和验收
1产品应由供方技术监督部门进行检验,保证产品质量符合本标准及合同(或订货单)的规定,并5.1.1
填写质量证明书。
2需方应对收到的产品按本标准及合同(或订货单)的规定进行验收,若试验结果与本标准及订货5.1.2
合同的规定不符时,应在收到产品之日起一个月内向供方提出,由供需双方协商解决。如需仲裁,仲裁取样应由供需双方共同进行。
产品应成批提交验收,每批应由同一牌号、炉号、规格、状态的产品组成,批重不限。5.3
检验项目
每批产品出厂前应进行化学成分、几何尺寸、外观质量、清洁性、溅散性的检验。5.4取样
产品取样应符合表6的规定。
检验项目
化学成分
外形尺寸
外观质量
清洁性、溅散性
氧含量
固相线温度和液相线温度
取样位置
距铸锭缩孔1/3处
头或尾
头或尾
头或尾
头或尾
头或尾
取样数量
每炉一个
每批2个
每批2个
每批2个
每批2个
每批2个
要求的章条号
检验方法的章条号
5.5检验结果的判定
化学成分不合格时,则判该炉或该批产品不合格。YS/T942—2013
2外形尺寸、外观质量、清洁性、溅散性、氧含量、固相线温度和液相线温度的检验如有不合格,允5.5.2bzxZ.net
许再取双倍试样对其进行复检。如试样检验仍有一项不合格,则判该炉或该批不合格。6标志、包装、运输、购存、质量证明书6
6.1标志
检验合格的产品应附有标签,标明:a)
供方名称;
产品名称;
批号(炉号);
规格;
状态;
净重及生产日期。
包装、运输和贮存
带材、箔材和线材成卷包装,外用软质材料捆扎好放人箱内。材料在运输和贮存时,应防止机械损伤,受潮及化学试剂的浸蚀。质量证明书
每批产品应附有产品质量证明书,注明:a)
供方名称或代号;
产品名称;
牌号;
规格;
供货状态;
批号(炉号);
净重和件数
各项分析检验结果和技术监督部门印记;本标准编号;
生产日期(或包装日期)。
合同(或订货单)内容
订购本规范所列材料的合同(或订货单)内应包括下列内容:a)
产品名称;
b)合金牌号;
产品状态;
YS/T942-2013
产品规格;
重量(每种尺寸规格的总重量);本标准编号;
产品级别;
增加本标准以外内容时的协商结果。地点
附录A
(资料性附录)
新旧牌号对照表
新旧牌号及参考熔化温度对照表见表A.1。表A.1
合金牌号
PdAgCu54-21
PdAgCus2-28
PdAgCuss-z20
PdAgCus8-32
PdAgCuse-27
PdAgCuCos5-20-1
AgCuzs
AgCuso
AgCuss
AgCuro
AgCuSnz-5
AgCuNi8-2
AgCuNis-0.75
AgCuIn24-15
AgCulnz7-10
AgCuSno-10
AgCuInSn17-13-7
AuAgCu20-20
AuCu2o
AuCuao
AuCuso
AuCusa
AuCuso
BVAg54CuPd-900/950
BVAg52CuPd-867/900
BVAg65CuPd-845/880
BVAg58CuPd-824/852
BVAg68CuPd-807/810
BVAg65CuPdCo-845/900
BVAg-962
BVAg72Cu-779
BVAg50Cu-780/875
BVAg45Cu-780/880
BVAg30Cu-780/945
BVAg68CuSn-730/842
BVAg70CuNi-785/820
BVAg71.5CuNi-780/800
BVAg61Culn-625/705
BVAg63Culn-655/710
BVAg60CuSn-672/746
BVAg63CulnSn-553/571
BVAu60AgCu-835/845
BVAu80Cu-910
BVAu60Cu-935/945
BVAu50Cu-955/970
BVAu42Cu-980/1000
BVAu40Cu-980/1010
YS/T9422013
熔化温度/℃
固相线
液相线
小提示:此标准内容仅展示完整标准里的部分截取内容,若需要完整标准请到上方自行免费下载完整标准文档。

标准图片预览:





- 其它标准
- 上一篇: YS/T 941-2013三碘化铑
- 下一篇: YS/T 943-2013硫酸钯
- 热门标准
- 其他行业标准
- YB/T096-2015 高碳铬不锈钢丝
- QX/T362-2016 农业气象观测规范 烟草
- JB/T1308.3-2011 PN2500超高压阀门和管件 第3部分:管子端部
- YS/T3008-2012 燃油(柴油)加热活性炭再生工艺能源消耗限额
- QB/T4654-2014 香茅醛
- FZ/T07002-2018 废旧纺织品再加工短纤维
- CNAS-CC01:2011 管理体系认证机构要求(2011版本)
- YB/T4458-2015 家电用彩色涂层钢板及钢带
- QX/T365-2016 气象卫星接收时间表格式
- QJLYN0005S-2016 吉林省医诺生物技术有限公司 桦树茸复合压片糖果
- HG/T3766-2004 炔螨特乳油
- QX/T367-2016 地球静止轨道处能量2 MeV以上的电子日积分强度分级
- YS/T300-2015 锗精矿
- NB/SH/T0407-2013 石油蜡水溶性酸或碱试验法
- QB/T4656-2014 小茴香(精)油
- 行业新闻
网站备案号:湘ICP备2023016450号-1