- 您的位置:
- 标准下载网 >>
- 标准分类 >>
- 纺织行业标准(FZ) >>
- FZ/T 92069-2014 纬编机用输纱器
标准号:
FZ/T 92069-2014
标准名称:
纬编机用输纱器
标准类别:
纺织行业标准(FZ)
标准状态:
现行出版语种:
简体中文下载格式:
.zip .pdf下载大小:
229.33 KB
相关标签:
机用
点击下载
标准简介:
FZ/T 92069-2014.
范围
FZ/T 92069规定了纬编机用输纱器的术语和定义、分类、型式与基本参数、要求、试验方法、检验规则与抽样、标志、包装、运输和贮存。
FZ/T 92069适用于加工纬编针织物的圆型与平型纬编机用的输纱瞿。
2规范性引用文件
下列文件对于本文件的应用是必不可少的。凡是注日期的引用文件,仅注日期的版本适用于本文件。儿是不注8期的引用文件,其最新版本(包括所有的修改单)适用于本文件。
GB/T 191包装 储运图示标志
GB/T 2828.1计数抽样 检验程序第1部分:按接收质量限(AQL)检索的逐批检验抽样计划
GB/T 711.1幼织机械噪声 测试规范第1部分:通用要求
GB/T 19384.1纺织机械与附件针织机用输纱 器与纱线控制装置第1部分;术语
FZ/T 90054纺织机械仪 器仪表产品包装
FZ/T 90074纺织机械产 品涂装
FZ/T 90089.1纺织机械铭牌 型式.尺寸 及技术要求
FZ/T 90089.3纺织机械铭牌 针织机械铭牌 内容
3术语和定义
GB/T 19384.1界定的术语和定义适用于本文件。
4分类、型式与基本参数
4.1 分类
4.1.1积极式输纱 器。
4.1.2消极式输纱器 .
4.2型式
4.2.1绞盘式输纱器:
a)普通绞盘式输纱器;
5要求
5.1外观
5.1.1压铸件表面应平整,无缩孔、裂纹等缺陷。
5.1.2塑料件表面不应有毛刺、飞边等缺陷。
5.1.3表面经镀覆或化学处理的零件,色泽应-致,保护层不应有脱落或露底现象。
5.1.4导纱瓷件表面应光滑,不挂纤维.
5.1.5绞盘式输纱器、储存式输纱器的储纱轮工作表面应光滑,不挂纤维;表面粗糙度Ra0.4μm~Ra0.8 μm.
5.1.6绞盘式输纱器、储存式输纱器的张力梳片应平整、光滑,不挂纤维。
5.1.7退 卷式输纱器送纱辊表面应光滑,不挂纤维;表面粗糙度Ra 0.4 μm~Ra 0.8 um。.
5.1.8输纱器 的涂装应符合FZ/T 90074的规定。
部分标准内容:
中华人民共和国纺织行业标准
FZ/T92069--2014
代替FZ/T92069—2000
纬编机用输纱器
Yarn feeders for weft knitting machines2014-07-09发布
中华人民共和国工业和信息化部发布
2014-11-01实施
本标准按照GB/T1.1—2009给出的规则起草。本标准由中国纺织工业联合会提出。本标准由全国纺织机械与附件标准化技术委员会(SAC/TC215)归口。本标准代替FZ/T92069—2000《纬编机用输纱器》。本标准与FZ/T92069—2000相比,主要差异如下:增加了消极式输纱器和张力控制式输纱器的内容;修改了规范性引用文件(见第2章,2000年版的第2章);按照GB/T19384.1界定的术语和定义规范了本标准中的术语;扩大了适用纱线张力范围(见表1,2000年版的表1);扩大了输纱量范围(见表1,2000年版的表1);增加了外观要求(见5.1);
增加了电气要求(见5.3);
其他编辑性修改。
FZ/T92069—2014
本标准起草单位:慈溪太阳洲纺织科技有限公司、浙江恒鑫机械有限公司、启圣(厦门)机械有限公司、福建台帆实业有限公司、飞虎科技有限公司、浙江恒强科技股份有限公司、浙江省质量检测科学研究院、中国纺织机械器材工业协会。本标准主要起草人:高山、段凤丽、徐海平、施海滨、鲁献荣、胡军祥、叶礼兴、林天来、周定安。本标准所代替标准的历次版本发布情况为:FZ/T92069—1999、FZ/T92069—2000。I
1范围
纬编机用输纱器
FZ/T92069—2014
本标准规定了纬编机用输纱器的术语和定义、分类、型式与基本参数、要求、试验方法、检验规则与抽样、标志、包装、运输和贮存。本标准适用于加工纬编针织物的圆型与平型纬编机用的输纱器。2规范性引用文件
下列文件对于本文件的应用是必不可少的。凡是注日期的引用文件,仅注日期的版本适用于本文件。凡是不注日期的引用文件,其最新版本(包括所有的修改单)适用于本文件。GB/T191包装储运图示标志
GB/T2828.1计数抽样检验程序第1部分:按接收质量限(AQL)检索的逐批检验抽样计划GB/T7111.1纺织机械噪声测试规范第1部分:通用要求GB/T19384.1纺织机械与附件针织机用输纱器与纱线控制装置第1部分:术语
FZ/T90054纺织机械仪器仪表产品包装FZ/T90074纺织机械产品涂装
FZ/T90089.1纺织机械铭牌型式、尺寸及技术要求FZ/T90089.3纺织机械铭牌针织机械铭牌内容3术语和定义
GB/T19384.1界定的术语和定义适用于本文件。4分类、型式与基本参数
4.1.1积极式输纱器。
消极式输纱器。
4.2型式
4.2.1绞盘式输纱器:
a)普通绞盘式输纱器:
b)张力可控的绞盘式输纱器。
4.2.2退卷式输纱器。
4.2.3储存式输纱器:
a)平型纬编机用储存式输纱器;b)圆型纬编机用储存式输纱器。1
FZ/T92069--2014
4.3基本参数
基本参数及适用纱线品种见表1
积极式输纱器
适用纱线品种
适用纱线张力范
图/eN
输纱量/(m/s)
绞盘式输纱器
张力可控的
绞盘式输纱器
天然纤维、化学
纤维”
:化学纤维中的氨纶丝除外。
绞盘式输纱器
氨纶丝及包覆纱
储存式输纱器基本参数见表2。
退卷式输纱器
氨纶丝
额定转速/(r/min)
额定转矩/N·m
启动时间/s
转子温升/℃
输人功率/W
5要求
5.1外观
平型纬编机用储存式输纱器
1320±15
0.025~0.05
压铸件表面应平整,无缩孔、裂纹等缺陷。5.1.1
塑料件表面不应有毛刺、飞边等缺陷。消极式输纱器
储存式输纱器
平型纬编机用
储存式输纱器
天然纤维、化学纤维
圆型纬编机用
储存式输纱器
圆型纬编机用储存式输纱器
1500±15
5.1.3表面经镀覆或化学处理的零件,色泽应-一致,保护层不应有脱落或露底现象。5.1.4
导纱瓷件表面应光滑,不挂纤维。5.1.5
绞盘式输纱器、储存式输纱器的储纱轮工作表面应光滑,不挂纤维;表面粗糙度Ra0.4μm~Ra0.8μm。
5.1.6绞盘式输纱器、储存式输纱器的张力梳片应平整、光滑,不挂纤维5.1.7
退卷式输纱器送纱辊表面应光滑,不挂纤维;表面粗糙度Ra0.4μm~Ra0.8μm。输纱器的涂装应符合FZ/T90074的规定。5.1.8
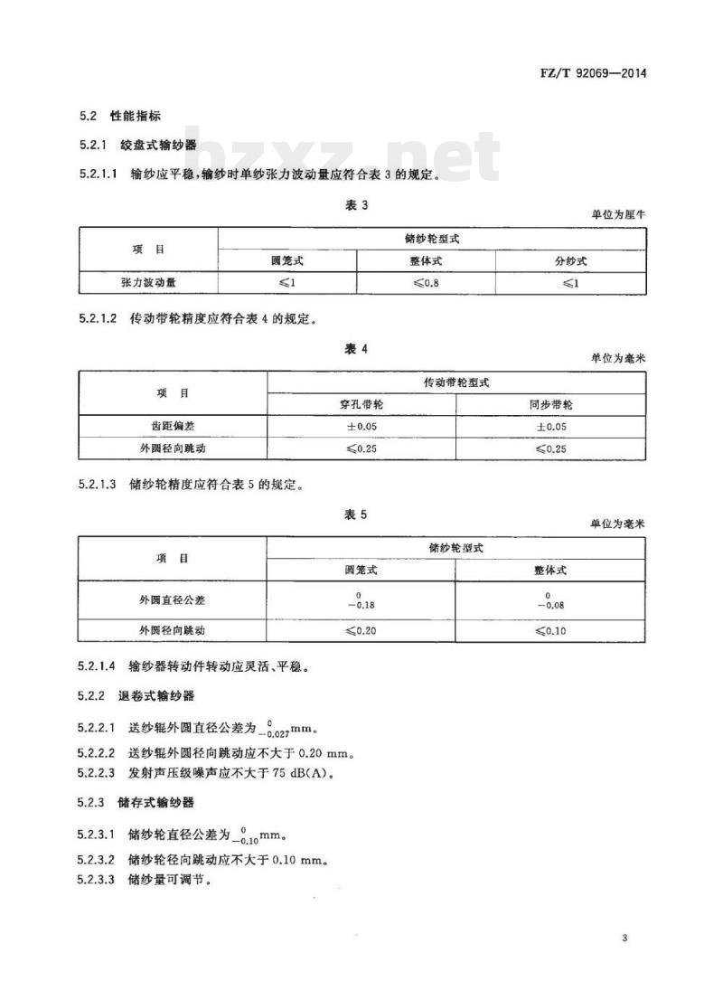
5.2性能指标
5.2.1绞盘式输纱器
输纱应平稳,输纱时单纱张力波动量应符合表3的规定。表3
张力波动量
圆笼式
传动带轮精度应符合表4的规定。项目
齿距偏差
外圆径向跳动
储纱轮精度应符合表5的规定。
外圆直径公差
外圆径向跳动
输纱器转动件转动应灵活、平稳。退卷式输纱器
0.027mm。
送纱辊外圆直径公差为
穿孔带轮
圆笼式
送纱辊外圆径向跳动应不大于0.20mm。发射声压级噪声应不大于75dB(A)。5.2.3
储存式输纱器
0.10mm。
储纱轮直径公差为
储纱轮径向跳动应不大于0.10mm。储纱量可调节。
储纱轮型式
整体式
传动带轮型式
储纱轮型式
FZ/T92069—2014
单位为厘牛
分纱式
单位为毫米
同步带轮
单位为毫米
整体式
FZ/T92069—2014
5.3电气
5.3.1退卷式输纱器
5.3.1.1输纱器的触针与互联电缆铜芯之间的电阻应小于0.1α。5.3.1.2互联电缆铜芯与壳体之间的绝缘电阻应不小于500kQ2。5.3.2储存式输纱器
5.3.2.1输纱器电机各绕组与机壳及电气上独立的各绕组之间应能承受50Hz正弦波电压冲击,试验电压1000V,历时2s的绝缘介电强度试验,要求绝缘不被击穿。5.3.2.2输纱器的金属外壳与电源插头的接地端之间的电阻应小于0.12。5.3.3断纱和失张力自停
断纱和失张力应自停正确,电气信号显示准确。6试验方法
6.1外观(5.1.1~5.1.3)、输纱器转动件转动(5.2.1.4)、储纱量调节(5.2.3.3)用目测、手感法检测。6.2导纱瓷件表面(5.1.4)、输纱器的张力梳片(5.1.6)用纤维丝擦摩检测。6.3表面粗糙度(5.1.5、5.1.7)用粗糙度标准样块或粗糙度仪检测。6.4输纱器的涂装(5.1.8)按FZ/T90074的规定检测。6.5单纱张力波动量(5.2.1.1)用测试台配合张力仪检测。6.6传动带轮精度(5.2.1.2)、储纱轮精度(5.2.1.3)用游标卡尺和百分表检测。送纱辊外圆直径公差(5.2.2.1)、储纱轮直径公差(5.2.3.1)用外径千分尺检测。6.7
6.8送纱辊外圆径向跳动(5.2.2.2)、储纱轮径向跳动(5.2.3.2)用百分表检测。6.9退卷式输纱器噪声(5.2.2.3)在传动带轮转速为1900r/min的条件下,按GB/T7111.1规定的环境条件和背景噪声要求检测:测点分别位于退卷式输纱器的上方和水平方向的左、右共三点,距输纱器1 m的位置,计算三点的平均值。输纱器的触针与铜芯之间的电阻(5.3.1.1)用接地电阻测试仪检测。6.10
6.11互联电缆铜芯与壳体之间的绝缘电阻(5.3.1.2)用兆欧表检测。6.12
耐压试验(5.3.2.1)用耐压试验仪检测。输纱器的金属外壳与电源插头的接地端之间的电阻(5.3.2.2)用接地电阻测试仪检测。6.14
断纱和失张力自停(5.3.3)用测试台通电检测20次,不应发生误动作。7检验规则与抽样
7.1出厂检验
7.1.1每个输纱器应经制造厂质检部门进行出厂检验合格后方可出厂,并附有制造厂质检部门开具的产品合格证。
7.1.2出厂检验项目:5.1、5.2.1.2~5.2.1.4、5.2.2、5.2.3、5.3.1、5.3.2.2、5.3.3。其中5.1、5.2.1.4、5.2.3.35.3.1、5.3.3采用全检;5.2.1.2、5.2.1.3、5.2.2、5.2.3.1、5.2.3.2采用GB/T2828.1正常检查二次抽样,检验水平Ⅱ,AQL=1.0;5.3.2.2每批次抽检3只。如有1只不合格,应加倍进行复测,如复测仍不合格,则判为不合格。
7.2型式检验
7.2.1型式检验项目为第5章规定的全部内容。7.2.2产品每年至少进行一次型式试验,如有下列情况之时,应进行型式检验:设计、工艺或所用材料有重大改变时;产品停产半年以上,恢复生产时;一国家有关部门提出进行型式检验要求时。FZ/T92069—2014
7.2.3抽样:进行型式检验的样品应从出厂检验合格的产品中抽取。样品数量10只,其中3只做试验,其余做加倍复测用。
7.2.4判别规则:进行型式检验时,如有任何一个样品不符合任一条、款、项要求时,应加倍进行复测。如复测仍不合格,则判为不合格。8标志、包装、运输和购存
8.1标志
8.1.1包装储运标志应符合GB/T191的规定。8.1.2产品铭牌应符合FZ/T90089.1、FZ/T90089.3的规定。8.2包装
产品应置于防震包装箱内。
8.2.2其他有关包装要求应符合FZ/T90054的规定。8.3运输
产品在运输过程中,要注意防潮和防雨及腐蚀介质,不得倾倒或改变方向。8.4购存
产品出厂后,在有良好防雨、防腐蚀及通风的贮存条件下,包装箱内的产品防潮防锈有效期为一年。5
FZ/T92069-2014
中华人民共和国纺织
行业标准
纬编机用输纱器
FZ/T92069—2014
中国标准出版社出版发行
北京市朝阳区和平里西街甲2号(100029)北京市西城区三里河北街16号(100045)网址spc.net.cn
发行中心:(010)51780235
总编室:(010)64275323
读者服务部:(010)68523946
中国标准出版社秦皇岛印刷厂印刷各地新华书店经销
880×1230
开本8
印张0.75
字数10千字
2014年9月第一版
2014年9月第一次印刷
书号:155066·2-27315
如有印装差错
由本社发行中心调换
版权专有侵权必究
举报电话:(010)68510107下载标准就来标准下载网
1029022
小提示:此标准内容仅展示完整标准里的部分截取内容,若需要完整标准请到上方自行免费下载完整标准文档。
标准图片预览:





- 其它标准
- 热门标准
- FZ纺织行业标准
- FZ/T93040-1995 苎麻环锭细纱机
- FZ/T32006-2016 苎麻本色线
- FZ/T62005-2003 被、被套
- FZ/T92024-2006 LZ系列下罗拉轴承
- FZ/T24024-2017 精梳单经单纬毛织品
- FZ/T90069-1995 零件表面交接处图形所代表的圆角半径尺寸要求
- FZ/T92042-1995 边字提花装置
- FZ/T93053-2019 转杯纺纱机转杯
- FZ/T42007-2001 生丝/氨纶包缠丝
- FZ/T64058-2016 汽车隔音隔热垫用再加工纤维毡
- FZ92065-1998 不锈钢焊接式烘筒
- FZ/T20018-2000 毛纺织品中二氯甲烷可溶性物质的测定
- FZ/T97016-1997 提花经编机
- FZ/T90046-1993 棉纺设备调换齿轮
- FZ/T01093-2008 机织物结构分析方法 织物中拆下纱线线密度的测定
- 行业新闻
网站备案号:湘ICP备2025141790号-2