- 您的位置:
- 标准下载网 >>
- 标准分类 >>
- 纺织行业标准(FZ) >>
- FZ/T 53007-2017 导电锦纶6毛条
标准号:
FZ/T 53007-2017
标准名称:
导电锦纶6毛条
标准类别:
纺织行业标准(FZ)
标准状态:
现行出版语种:
简体中文下载格式:
.zip .pdf下载大小:
1.31 MB
点击下载
标准简介:
FZ/T 53007-2017.
1范围
FZ/T 53007规定了导电锦纶6毛条的术语和定义、产品标识.技术要求.试验方法.检验规则和标志.包装.运输、贮存。
FZ/T 53007适用于单纤维线密度为1.0 dtex~8.0 dtex的圆形截面碳黑复合的导电锦纶6毛条。其他类型的导电锦纶6毛条可参照使用。
2规范性引用文件
下列文件对于本文件的应用是必不可少的。凡是注8期的引用文件,仅注日期的版本适用于本文件.凡是不注日期的引用文件,其最新版本(包括所有的修改单)适用于本文件。
GB/T 3291.1纺织纺织材料性 能和试验术语第 1部分:纤维和纱线
GB/T 3291.3纺织纺织材料性 能和试验术语第 3部分;通用
GB/T 4146 (所有部分)纺织品化学纤维
GB/T 6503化学纤维回潮率试验方法
GB/T 8170敷值修约规则 与极限数值的表示和判定
GB/T 14335化学纤维短纤 维线密度试验方法
FZ/T 50022化纤毛条试验方法
FZ/T 50035合成纤维长丝电阻试验方法
3术语和定义
GB/T 3291.1 ,GB/T 3291.3 ,GB/T 4146(所有部分) .FZ/T 50022和FZ/T 50035界定的以及下列的术语和定义适用于本文件。
3.1导电锦纶6毛条electrical conductive polyamide 6 top
棗己内酰胶与导电性材料复合纺丝制成的毛条。
4产品标识
产品以单纤维线密度和毛条名义长度标识。其中,线密度单位为分特(dtex);毛条名义长度单位为毫米(mm)。
示例: 3.33 dtexX76 mm.
5技术要求
部分标准内容:
中华人民共和国纺织行业标准
FZ/T53007—2017
导电锦纶6毛条
Electrical conductivepolyamide6top2017-11-07发布
中华人民共和国工业和信息化部2018-04-01实施
本标准按照GB/T1.1一2009给出的规则起草。本标准由中国纺织工业联合会提出。本标准由上海市纺织工业技术监督所归口。FZ/T53007—2017
本标准起草单位:北京中纺优丝特种纤维科技有限公司、上海市纺织工业技术监督所、凯泰特种纤维科技有限公司、威海海马地毯集团有限公司。本标准主要起草人:焦红娟、杨春喜、周祯德、贺利娟、张治文。I
1范围
导电锦纶6毛条
FZ/T53007—2017
本标准规定了导电锦纶6毛条的术语和定义、产品标识、技术要求、试验方法、检验规则和标志、包装、运输、贮存。
本标准适用于单纤维线密度为1.0dtex~8.0dtex的圆形截面,碳黑复合的导电锦纶6毛条。其他类型的导电锦纶6毛条可参照使用。2规范性引用文件
下列文件对于本文件的应用是必不可少的。凡是注日期的引用文件,仅注日期的版本适用于本文件。凡是不注日期的引用文件,其最新版本(包括所有的修改单)适用于本文件。GB/T3291.1纺织纺织材料性能和试验术语第1部分:纤维和纱线GB/T3291.3纺织纺织材料性能和试验术语第3部分:通用GB/T4146(所有部分)纺织品化学纤维GB/T6503化学纤维回潮率试验方法GB/T8170数值修约规则与极限数值的表示和判定5化学纤维短纤维线密度试验方法GB/T14335
化纤毛条试验方法
FZ/T50022
合成纤维长丝电阻试验方法
FZ/T50035
3术语和定义
GB/T3291.1、GB/T3291.3,GB/T4146(所有部分)、FZ/T50022和FZ/T50035界定的以及下列的术语和定义适用于本文件。
导电锦纶6毛条
electrical conductive polyamide6 top聚已内酰胺与导电性材料复合纺丝制成的毛条4产品标识
产品以单纤维线密度和毛条名义长度标识。其中,线密度单位为分特(dtex);毛条名义长度单位为毫米(mm)。
示例:3.33dtex×76mm。
5技术要求
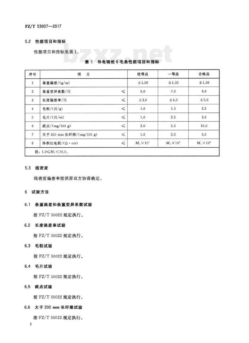
5.1产品分等
导电锦纶6毛条产品分为优等品,一等品、合格品三个等级。1
FZ/T53007—2017
性能项目和指标
性能项目和指标见表1。免费标准bzxz.net
条重偏差/(g/m)
条重变异系数/%
长度偏差率/%
毛粒/(只/g)
毛片/(只/m)
症点/(mg/100g)
导电锦纶6毛条性能项目和指标
大于200mm长纤维/(mg/100g)
体积比电阻/(Q·cm)
注:1.0≤M<10.0。
线密度
线密度偏差率按供需双方协商确定。试验方法
条重偏差和条重变异系数试验
按FZ/T50022规定执行。
长度偏差率试验
按FZ/T50022规定执行。
毛粒试验
按FZ/T50022规定执行。
毛片试验
按FZ/T50022规定执行。
症点试验
按FZ/T50022规定执行。
大于200mm长纤维试验
按FZ/T50022规定执行。
优等品
一等品
M,×101
合格品
M,×105
6.7回潮率试验
按GB/T6503规定执行。
6.8体积比电阻试验
按FZ/T50035规定执行。其中:
在实验室样品中任取10根毛条,每根测试一次;一不加张力拉直,不涂导电液;一条重按式(1)折算成以分特为单位的线密度:FZ/T53007—2017
-10根毛条的算术平均值为最终结果,用a×10\的形式表示,其中1.0≤a<10.0。pI=10*×T
式中:
pl——毛条线密度,单位为分特(dtex);T—毛条条重,单位为克每米(g/m)。6.9线密度试验
按GB/T14335规定执行。
7检验规则
7.1检验项目
表1中所有项目均为考核项目,并按第6章规定的试验方法进行检验。7.2组批规则
在一定范围内采用周期性取样组成检验批。一个生产批可由一个检验批或由若干个检验批组成。7.3取样规定
性能项目的取样按FZ/T50022取样方法规定进行。7.4综合评定
性能项目的测定值或计算值按GB/T8170中修约值比较法与表1中的极限值比较,逐项判定等级,以各项质量指标中最低的等级判定该批产品的等级。7.5复验规则
7.5.1通则
一批产品到需方时,应及时检查包装件的外包装、件数、质量与货单是否相符,如因运输、保管等原因影响品质时,应查明责任,由责任方负责。一批产品到收货方3个月内,对产品品质有异议时可提交复验。若该批产品的数量使用了1/3以上,不应申请复验。复验可在双方同意的任何一方进行,必要时可请仲裁检验机构按本标准要求取样、检验、仲裁。由于该批产品品质影响了后加工产品品质,并造成严重损失时,供需双方应分析原因,明确责任,协商处理。3
FZ/T53007—2017
7.5.2检验项目
同7.1。
7.5.3取样规定
性能项目试验按FZ/T50022包装件取样方法规定抽样检验,不得抽取在运输途中意外受潮、污染、擦伤或包装已经打开的包装件。7.5.4组批规定
按原生产批组批。
复验评定
7.5.5.1产品综合等级的评定按7.4,高于或等于原等级则判为符合;低于原等级则判为不符合。7.5.5.2包装件平均净质量与公定质量的偏差率超过士0.5%,由供需双方协商确定。7.5.5.3包装件名义质量与公定质量的偏差率超过土1%,由供需双方协商确定。7.5.6公定质量计算
公定质量按式(2)计算。
1+R。
m=mlXi+R
式中:
-批产品包装件公定质量,单位为千克(kg);批产品包装件净质量,单位为千克(kg);m
R。一—导电锦纶6毛条的公定回潮率,为4.5%;R
实测回潮率。
8标志、包装、运输、贮存
8.1标志
8.1.1包装件上应标明产品名称、规格、等级、批号、净质量、生产日期、商标、产品标准编号、生产企业名称、地址以及产品防护、搬运的警示标志。8.1.2产品印刷标志应明显且不褪色,防止油、色渗人包内污染纤维。8.2包装
8.2.1产品包装保持包型完整,纤维不外露。包装的质量应保证纤维不受损伤。8.2.2不同规格、批号、类别的导电锦纶6毛条应分别包装。8.2.4非定重产品每包装件质量与同批定重产品名义质量的差异建议不超过士5%。8.2.4每批产品应附质量检验单。8.3运输
运输和装卸时应按产品警示标志规定执行,采取相应防范措施,防止产品受潮、曝晒、污染和受损,4
不得抛掷。
8.4贮存
FZ/T53007—2017
包装件按批堆放,贮存在通风、干燥、清洁的仓库内,不应靠近火源、热源,避免阳光直射。
小提示:此标准内容仅展示完整标准里的部分截取内容,若需要完整标准请到上方自行免费下载完整标准文档。
标准图片预览:





- 其它标准
- 上一篇: JT/T 865-2013 溢油分散剂喷洒装置
- 下一篇: JT/T 864-2013 吸油拖栏
- 热门标准
- FZ纺织行业标准
- FZ/T64003—2021 喷胶棉絮片
- FZ/T54052-2012 有色涤纶牵伸单丝
- FZ/T43036-2016 合成纤维装饰织物
- FZ/T32004-2009 亚麻棉混纺本色纱线
- FZ/T73018—2021 毛针织品
- FZ/T98014-2016 马丁代尔耐磨及起毛起球性能试验仪
- FZ/T81008—2021 茄克衫
- FZ/T14029-2014 棉磨毛印染布
- FZ/T14007-2011 棉涤混纺印染布
- FZ/T12064-2019 喷气涡流纺腈纶羊毛混纺色纺纱
- FZ/T54109-2018 有色对位芳纶长丝
- FZ/T93034-2017 棉纺悬锭粗纱机
- FZ/T92018-2001 平面钢领
- FZ/T50010.1-1998 粘胶纤维用浆粕 取样方法
- FZ/T43007-2011 丝织被面
- 行业新闻
网站备案号:湘ICP备2025141790号-2