- 您的位置:
- 标准下载网 >>
- 标准分类 >>
- 国家标准(GB) >>
- GB/T 11318.8-1996 电视和声音信号的电缆分配系统设备与部件 第8部分:干线放大器通用规范
【国家标准(GB)】 电视和声音信号的电缆分配系统设备与部件 第8部分:干线放大器通用规范
本网站 发布时间:
2024-08-06 12:56:36
- GB/T11318.8-1996
- 已作废
- 点击下载此标准
标准号:
GB/T 11318.8-1996
标准名称:
电视和声音信号的电缆分配系统设备与部件 第8部分:干线放大器通用规范
标准类别:
国家标准(GB)
英文名称:
Cable distribution system equipment and components for television and sound signals Part 8: General specification for trunk amplifiers标准状态:
已作废-
发布日期:
1996-09-09 -
实施日期:
1997-05-01 出版语种:
简体中文下载格式:
.rar.pdf下载大小:
585.05 KB
标准ICS号:
电信、音频和视频技术>>电信设备用部件和附件>>33.120.20导线和对称电缆中标分类号:
通信、广播>>广播、电视设备>>M72印象、电声设备
替代情况:
GB/T 14948.4-1994
点击下载
标准简介:
标准下载解压密码:www.bzxz.net
本标准规定了5MHZ~1750MHz电视和声音信号的电缆分配系统中干线放大器的产品分类、要求、试验方法、检验规则以及标志、包装、运输和贮存等。本标准适用于5MHZ~1750MHz电视和声音信号的电缆分配系统中的干线放大器。 GB/T 11318.8-1996 电视和声音信号的电缆分配系统设备与部件 第8部分:干线放大器通用规范 GB/T11318.8-1996
部分标准内容:
1范围
中华人民共和国国家标准
电视和声音信号的电缆分配系统设备与部件
第8部分:干线放大器通用规范
Equipments and components used in cableddistribution systems primarily intendedfor television and sound signalsPart 8:Generic specifications for trunk amplifiersGB/T11318.8—1996
代替GH/T14948.41994
本标准规定了5MHz~1750MHz电视和声音信号的电缆分配系统中干线放大器的产品分类、要求、试验方法、检验规定及标志、包装、运输和贮存等。本标准适用于5MHz~1750MHz电视和声音信号的电缆分配系统的干线放人器。2引用标准
下列标准所包含的条文,通过在本标准中引用而构成为本标准的条文。本标准出版时.所示版本均为有效。所有标准都会被修订,使用本标准的各方应探讨使用下列标准最新版本的可能性。GB/T11318.1-1996电视和声音信号的电缆分配系统设备与部件第1部分:通用规范GB/T11318.14--1996电视和声音信号的电缆分配系统设备与部件第14部分:避雷器通用规范
3定义
本标准采用下列定义,其他定义应符合GB/T11318.1中的有关规定。3.1标称输入电平rated input level标称输入电平系指满足干线放大器性能参数的输入电平范围内中心点或参考点的输入电平,即从输入监测端口所测得的电平加上监测电路分支损耗之和,它是将从干线放大器输入端口至第-级放大器中间的插损扣除后的第一级放大器的实际输入电平。3.2标称输出电平rated outputlevel标称输出电平系指在标称增益情况下,干线放大器的输出电平。3.3平坦输出型干线放大器trunkamplifierswithflatoutput level平坦输出型干线放大器是这样一类放大器:在信号传输过程中,在每个干线放大器输出端可获得等幅的各频率信号的电平。
3.4全倾斜型干线放大器trunkamplifierswithfull slopedoutputlevel全倾斜型干线放大器是这样一类放大器:在信号传输过程中,在每个十线放大器输入口可获得等幅的各频率信号的电平,而干线放大器的输出电平是随频率的增高而增高。国家技术监督局1996-09-09批准366
1997-05-01实施
GB/T11318.8--1996
3.5半倾斜型干线放大器trunkamplifierswithhalf slopedoutputlevel半倾斜型干线放大器是这样一类放大器:在信号传输过程中,在每段电缆的中点可得等幅的各频率信号的电平,而干线放大器的输人端和输出端各频率信号的电平是不相等的。3.6增益调整范围gainadjustablerange增益调整范围是指手动调节增益时,在两个极限位置处增益值之分贝差。3.7均衡值equalized value
均衡值是指均衡器的低频参考点与高频参考点之间衰减量的分贝差。3.8当量均衡值equivalent equalized value当量均衡值则直接用高频参考点的电缆衰减量来表示。本标准采用当量均衡值,在干线放大器的频带确定之后,则:当量均衡值=均衡值/[1一(岁)\)fh/
式中:f——为低频参考点;
fh—为高频参考点。
3.9均衡器与电缆互补mutual complementbetween equalizerand cable本标准中出现的互补的含义系指当有·一平坦输出响应的扫频发生器串接一段电缆和均衡器后,重新获得平坦输出响应的频率特性,则称均衡器与电缆互补。3.10倾斜量tilt
倾斜量系指放大器高频参考点的输出电平与低频参考点输出电平之差。3.11斜率slope
斜率直接用高频参考点相应的电缆衰减量来表示。3.12斜率调整范围slopeadjustablerange斜率调整范围系指在调节斜率时最大斜率与最小斜率之分贝差。3.13增益稳定度stability of gain在20℃时干线放大器置于标称增益,当温度在一10℃~十40C范围内变化时,增益偏离量即为增益稳定度。
minimum full gain
3.14最小满增益
当干线放大器输入端衰减器和均衡器都短接,并置于手动最大增益时,干线放大器的增益为最小满增益。
4产品分类
4.1I类干线放大器(ALC)干线放大器。4.2I类干线放大器(AGC)干线放大器IA类:带斜率自动补偿的AGC干线放大器。IB类:无斜率自动补偿的AGC干线放大器。4.3类干线放大器(手控增益和斜率的干线放大器)。ⅢA类:与I类干线放大器间隔使用的T线放大器。ⅡB类:单独使用或与I类于线放大器间隔使用的干线放大器。5要求
5.1—般要求
干线放大器的一般要求应符合GB/T11318.1-1996中4.1.1的规定。5.2性能参数要求
GB/T11318.8-1996
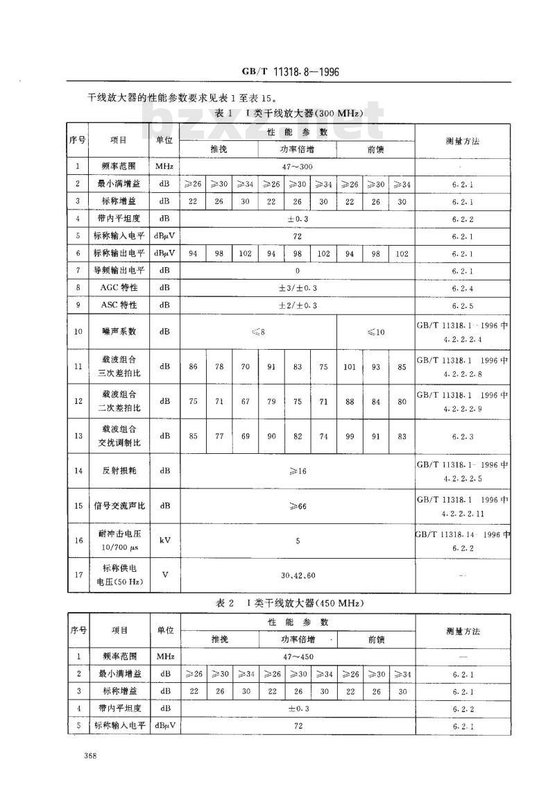
干线放大器的性能参数要求见表1至表15。表1「类干线放大器(300MHz)
频率范围
最小满增益Www.bzxZ.net
标称增益
带内平坦度
标称输入电平
标称输出电平
导频输出电平
AGC特性
ASC特性
噪声系数
载波组合
三次差拍比
载波组合
二次差拍比
载波组合
交扰调制比
反射损耗
信号交流声比
耐冲击电压
10/700μs
标称供电
电压(50Hz)
频率范围
最小满增益
标称增益
带内平坦度
标称输入电平
性能参数
功率倍增
47~300
±3/±0.3
±2/±0.3
30、42、60
表2I类干线放大器(450MHz)
性能参数
功率倍增
47~450
测量方法
GB/T 11318. 1 - 1996 中
4.2.2.2.4
GB/T11318.11996中
4. 2. 2. 2. 8
GB/T11318.11996中
4.2.2.2.9
GB/T 11318. 1- 1996 中
4.2.2.2.5
GB/T 11318.1
1996中
4.2.2.2.11
GB/T11318.141996中
测量方法
标称输出电平
导频输出电平
AGC特性
ASC特性
噪声系数
载波组合
三次差拍比
载波组合
二次差拍比
载波组合
交扰调制比
反射损耗
信号交流声比
耐冲击电压
10/700μts
标称供电
电压(50Hz)
频率范围
最小满增益
标称增益
带内平坦度
标称输入电平
标称输出电平
导频输出电平
AGC特性
ASC特性
噪声系数
GB/T 11318.8-1996
表2(完)
性能参数
功率倍增
±3/±0.3
±2/±0.3
30、42.60
表31类干线放大器(550MHz)
性能参数
功率倍增
47~550
≥34 1≥26
≥30/≥34
±3/±0.3
±2/±0.3
测量方法
GB/T 11318. 1-1996 中
4. 2. 2. 2. 4
GB/T 11318. 1 -1996 中
4.2.2.2.8
GB/T11318.1-1996中
4.2.2.2. 9
GB/T 11318. 1-1996 中
4.2.2.2.5
GB/T 11318. 1--1996 中
4.2.2.2.11
GB/T11318.14—1996中
测量方法
GB/T 11318. 1--1996 中
4.2.2.2.4
载波组合
三次差拍比
载波组合
二次差拍比
载波组合
交扰调制比
反射损耗
信号交流声比
耐冲击电压
10/700μs
标称供电
电压(50 Hz)
频率范围
最小满增益
标称增益
带内平坦度
标称输入电平
标称输出电平
导频输出电平
AGC 和斜率
补偿特性
噪声系数
载波组合
三次差拍比
载波组合
二次差拍比
载波组合
交扰调制比
GB/T 11318.8-1996
表3(完)
性能参数
功率倍增
30、42、60
表4ⅡA类干线放大器(300MHz)
性能参数
功率倍增
47~300
±3/±0.5
测望方法
GB/T11318.11996中
4.2.2.2.8
GJ3/T11318.1
1996中
4.2.2.2.9
GB3/T 11318. 1 -- 1996 中
4.2.2.2.5
GB/T 11318- 1 - 1996 +
4.2.2.2.11
GB/T11318.141996中
测量方法
GB/T 11318.1 --1996 中
4.2.2.2.4
GB/T 11318. 1 - 1996 中
4.2.2.2.8
GB/T 11318. 1 - 1996 中
4.2.2.2.9
反射损耗
信号交流声比
耐冲击电压
10/700 μs
标称供电
电压(50Hz)
频率范围
最小满增益
标称增益
带内平坦度
标称输入电平
标称输出电平
导频输出电平
AGC和斜率
补偿特性
噪声系数
载波组合
三次差拍比
载波组合
二次差拍比
载波组合
交扰调制比
反射损耗
信号交流声比
耐冲击电压
10/700μs
GB/T 11318.8-1996
表4(完)
性能参数
功率倍增
30、42.60
IA类干线放大器(450MHz)
性能参数
功率倍增
47~450
±3/±0.5
测基方法
|GB/T11318.1--1996中
4.2.2.2.5
GB/T11318.1--1996中
4.2.2.2.11
GB/T 11318.14-1996中
测量方法
GB/T11318.1--1996中
4.2.2.2.4
GB/T11318.11996中
4.2.2.2.8
GB/T 11318. 1
1996中
4.2.2.2.9
GB/T11318.1—1996中
4.2.2.2.5
GB/T 11318. 1--1996 中
4.2.2.2.11
GB/T11318.14--1996中
标称供电
电压(50Hz)
频率范围
最小满增益
标称增益
带内平坦度
标称输入电平
标称输出电平
导频输出电平
AGC和斜率
补偿特性
噪声系数
载波组合
三次差拍比
载波组合
二次差拍比
载波组合
交扰调制比
反射损耗
信号交流声比
耐冲击电压
10/700gs
标称供电
电压(50 Hz)
GB/T 11318.8—1996
表5(完)
性能参数
功率倍增
30、42、60
表6IA类干线放大器(550MH2)
性能参数
≥30≥34
功率倍增
47~550
±3/±0.5
30、42、60
测量方法
测量方法
GB/T11318.11996中
4.2.2.2.4
GB/T 11318.1 1996 中
4.2.2.2.8
GB/T 11318. --- 1996中
4.2.2.2.9
GB/T 11318.1- 1996 中
4.2.2.2.5
GB/T11318.1—1996中
4.2.2.2.11
GB/T11318.14—1996中
频率范围
最小满增益
标称增益
带内平坦度
标称输入电平
标称输出电平
导频输出电平
AGC特性
噪声系数
载波组合
三次差拍比
载波组合
二次差拍比
载波组合
交扰调制比
反射损耗
信号交流声比
耐冲击电压
10/700μs
标称供电
电压(50Hz)
频率范围
最小满增益
标称增益
带内平坦度
标称输入电平
标称输出电平
导频输出电平
GB/T11318.8—1996
ⅡB类干线放大器(300MHz)
能参数
功率倍增
47~300
±3/±0.3
表8IB类干线放大器(450MHz)
性能参数
功率倍增
47~450
测量方法
GB/T 11318. 1 -1996 申
4. 2. 2. 2. 4
GB/T11318.1-1996中
4.2.2.2.8
GB/T 11318.1—1996 中
4.2.2.2.9
GB/T11318.1--1996中
4.2.2.2.5
GB/T11318.1—1996中
4.2.2.2.11
GB/T11318.14-1996中
测量方法
AGC特性
噪声系数
载波组合
三次差拍比
载波组合
二次差拍比
载波组合
交扰调制比
反射损耗
信号交流声比
耐冲击电压
10/700μs
标称供电
电压(50Hz)
频率范围
最小满增益
标称增益
带内平坦度
标称输入电平
标称输出电平
导频输出电平
AGC特性
噪声系数
载波组合
三次差拍比
载波组合
二次差拍比
GB/T 11318. 8--1996
表8(完)
功率倍增
±3/±0.3
30、42、60
ⅡB类干线放大器(550MHz)
性能参数
功率倍增
47~550
测量方法
GB/T 11318. 1 -1996 中
4.2.2.2.4
GB/T 11318.1
1996中
4.2.2.2.8
GB/T11318.11996中
4.2.2.2.9
GB/T 11318. 1
1996中
4.2.2.2.5
GB/T 11318.1 1996 中
4.2. 2. 2.11
GB/T11318.141996中
测基方法
GR/T11318.11996中
4.2.2.2. 4
GB/T11318.11996中
4.2.2.2.8
[GB/T 11318.11996中
4.2.2.2.9
载波组合
交扰调制比
反射损耗
信号交流声比
耐冲击电压
10/700μs
标称供电
电压(50Hz)
频率范围
最小满增益
标称增益
增益调节范围
带内平坦度
斜率调节范围
增益稳定度
噪声系数
标称输出电平
载波组合
三次差拍比
载波组合
二次差拍比
载波组合
交扰调制比
反射损耗
信号交流声比
耐冲击电压
10/700 μs
标称供电
电压(50Hz)
CB/T 11318.8—1996
表9(完)
功率倍增
30.42、60
亚A类干线放大器(300MHz)
性能参数
功率倍增
47~300
0~~10
测量方法
GB/T11318.1 1996中
4.2.2.2.5
[GB/T 11318. 1 --1996 中
4.2.2.2. 11
GB/T11318.14-1996中
测量方法
0~22|0~26|0~300~220~26|0~300~22|0~26|0~30±0.5
30、42、60
GB/T 11318. 1- 1996中
4.2.2.2. 4
GB/T 11318. 1 --1996 中
4.2.2.2.8
GB/T 11318. --1996 中
4.2.2.2.9
GB/T 11318. 1-- 1996 中
4.2.2.2.5
GB/T 11318.1
1996中
4.2. 2. 2.11
CB/T 11318. 14 --1996 中
频率范围
最小满增益
标称增益
增益调节范围
带内平坦度
斜率调节范围
增益稳定度
噪声系数
标称输出电平
载波组合
三次差拍比
载波组合
二次差拍比
载波组合
交扰调制比
反射损耗
信号交流声比
耐冲击电压
10/700μs
标称供电
电压(50Hz)
频率范围
最小满增益
标称增益
增益调节范围
带内平坦度
斜率调节范围
增益稳定度
GB/T 11318.8—1996
ⅢA类干线放大器(450MHz)
性能参数
功率倍增
47~450
0~220~260~300~220~260~300~220~260~30±0.5
30、42.60
表12ⅡA类干线放大器(550MHz)性能参数
功率倍增
47~550
测量方法
GB/T11318.11996申
4.2.2.2.4
GB/T 11318.1 1996中
4.2.2.2.8
GB/T 11318. 1
1996中
4.2.2.2.9
GB/T 11318.1 1996 中
4.2.2.2.5
GB/T 11318. 1--1996 中
4.2.2.2.11
GB/T 11318.141996中
测量方法
0~220~260~300~22|0~260~300~220~26|030±0.5
噪声系数
标称输出电平
载波组合
三款差拍比
载波组合
二次差拍比
载波组合
交扰调制比
反射损耗
信号交流声比
耐冲击电压
10/700μs
标称供电
电压(50Hz)
频率范围
最小满增益
标称增益
增益调节范围
带内平坦度
斜率调节范围
增益稳定度
噪声系数
标称输出电平
载波组合
三次差拍比
载波组合
二次差拍比
GB/T 11318.8—1996
表12(完)
性能参数
功率倍增
30、42、60
ⅡB类干线放大器(300MHz)
性能参数
功率倍增
47~300
0~220~260~300~22|0~260~300~22/0~260~30±0.5
测量方法
GB/T 11318.1-1996 +
4.2.2.2.4
GB/T 11318.1-1996中
4.2.2.2.8
GB/T 11318. I ~-1996 中
4.2.2.2.9
GB/T 11318. 1- 1996 中
4.2.2.2.5
GB/T 11318. 1--1996 中
4.2.2.2.11
GB/T11318.14—1996中
测量方法
GB/T 11318. 1—
1996中
4.2.2.2.4
GB/T 11318. 1--1996 中
4.2.2.2.8
GB/T 11318.1 1996中
1.2.2.2.9
小提示:此标准内容仅展示完整标准里的部分截取内容,若需要完整标准请到上方自行免费下载完整标准文档。
中华人民共和国国家标准
电视和声音信号的电缆分配系统设备与部件
第8部分:干线放大器通用规范
Equipments and components used in cableddistribution systems primarily intendedfor television and sound signalsPart 8:Generic specifications for trunk amplifiersGB/T11318.8—1996
代替GH/T14948.41994
本标准规定了5MHz~1750MHz电视和声音信号的电缆分配系统中干线放大器的产品分类、要求、试验方法、检验规定及标志、包装、运输和贮存等。本标准适用于5MHz~1750MHz电视和声音信号的电缆分配系统的干线放人器。2引用标准
下列标准所包含的条文,通过在本标准中引用而构成为本标准的条文。本标准出版时.所示版本均为有效。所有标准都会被修订,使用本标准的各方应探讨使用下列标准最新版本的可能性。GB/T11318.1-1996电视和声音信号的电缆分配系统设备与部件第1部分:通用规范GB/T11318.14--1996电视和声音信号的电缆分配系统设备与部件第14部分:避雷器通用规范
3定义
本标准采用下列定义,其他定义应符合GB/T11318.1中的有关规定。3.1标称输入电平rated input level标称输入电平系指满足干线放大器性能参数的输入电平范围内中心点或参考点的输入电平,即从输入监测端口所测得的电平加上监测电路分支损耗之和,它是将从干线放大器输入端口至第-级放大器中间的插损扣除后的第一级放大器的实际输入电平。3.2标称输出电平rated outputlevel标称输出电平系指在标称增益情况下,干线放大器的输出电平。3.3平坦输出型干线放大器trunkamplifierswithflatoutput level平坦输出型干线放大器是这样一类放大器:在信号传输过程中,在每个干线放大器输出端可获得等幅的各频率信号的电平。
3.4全倾斜型干线放大器trunkamplifierswithfull slopedoutputlevel全倾斜型干线放大器是这样一类放大器:在信号传输过程中,在每个十线放大器输入口可获得等幅的各频率信号的电平,而干线放大器的输出电平是随频率的增高而增高。国家技术监督局1996-09-09批准366
1997-05-01实施
GB/T11318.8--1996
3.5半倾斜型干线放大器trunkamplifierswithhalf slopedoutputlevel半倾斜型干线放大器是这样一类放大器:在信号传输过程中,在每段电缆的中点可得等幅的各频率信号的电平,而干线放大器的输人端和输出端各频率信号的电平是不相等的。3.6增益调整范围gainadjustablerange增益调整范围是指手动调节增益时,在两个极限位置处增益值之分贝差。3.7均衡值equalized value
均衡值是指均衡器的低频参考点与高频参考点之间衰减量的分贝差。3.8当量均衡值equivalent equalized value当量均衡值则直接用高频参考点的电缆衰减量来表示。本标准采用当量均衡值,在干线放大器的频带确定之后,则:当量均衡值=均衡值/[1一(岁)\)fh/
式中:f——为低频参考点;
fh—为高频参考点。
3.9均衡器与电缆互补mutual complementbetween equalizerand cable本标准中出现的互补的含义系指当有·一平坦输出响应的扫频发生器串接一段电缆和均衡器后,重新获得平坦输出响应的频率特性,则称均衡器与电缆互补。3.10倾斜量tilt
倾斜量系指放大器高频参考点的输出电平与低频参考点输出电平之差。3.11斜率slope
斜率直接用高频参考点相应的电缆衰减量来表示。3.12斜率调整范围slopeadjustablerange斜率调整范围系指在调节斜率时最大斜率与最小斜率之分贝差。3.13增益稳定度stability of gain在20℃时干线放大器置于标称增益,当温度在一10℃~十40C范围内变化时,增益偏离量即为增益稳定度。
minimum full gain
3.14最小满增益
当干线放大器输入端衰减器和均衡器都短接,并置于手动最大增益时,干线放大器的增益为最小满增益。
4产品分类
4.1I类干线放大器(ALC)干线放大器。4.2I类干线放大器(AGC)干线放大器IA类:带斜率自动补偿的AGC干线放大器。IB类:无斜率自动补偿的AGC干线放大器。4.3类干线放大器(手控增益和斜率的干线放大器)。ⅢA类:与I类干线放大器间隔使用的T线放大器。ⅡB类:单独使用或与I类于线放大器间隔使用的干线放大器。5要求
5.1—般要求
干线放大器的一般要求应符合GB/T11318.1-1996中4.1.1的规定。5.2性能参数要求
GB/T11318.8-1996
干线放大器的性能参数要求见表1至表15。表1「类干线放大器(300MHz)
频率范围
最小满增益Www.bzxZ.net
标称增益
带内平坦度
标称输入电平
标称输出电平
导频输出电平
AGC特性
ASC特性
噪声系数
载波组合
三次差拍比
载波组合
二次差拍比
载波组合
交扰调制比
反射损耗
信号交流声比
耐冲击电压
10/700μs
标称供电
电压(50Hz)
频率范围
最小满增益
标称增益
带内平坦度
标称输入电平
性能参数
功率倍增
47~300
±3/±0.3
±2/±0.3
30、42、60
表2I类干线放大器(450MHz)
性能参数
功率倍增
47~450
测量方法
GB/T 11318. 1 - 1996 中
4.2.2.2.4
GB/T11318.11996中
4. 2. 2. 2. 8
GB/T11318.11996中
4.2.2.2.9
GB/T 11318. 1- 1996 中
4.2.2.2.5
GB/T 11318.1
1996中
4.2.2.2.11
GB/T11318.141996中
测量方法
标称输出电平
导频输出电平
AGC特性
ASC特性
噪声系数
载波组合
三次差拍比
载波组合
二次差拍比
载波组合
交扰调制比
反射损耗
信号交流声比
耐冲击电压
10/700μts
标称供电
电压(50Hz)
频率范围
最小满增益
标称增益
带内平坦度
标称输入电平
标称输出电平
导频输出电平
AGC特性
ASC特性
噪声系数
GB/T 11318.8-1996
表2(完)
性能参数
功率倍增
±3/±0.3
±2/±0.3
30、42.60
表31类干线放大器(550MHz)
性能参数
功率倍增
47~550
≥34 1≥26
≥30/≥34
±3/±0.3
±2/±0.3
测量方法
GB/T 11318. 1-1996 中
4. 2. 2. 2. 4
GB/T 11318. 1 -1996 中
4.2.2.2.8
GB/T11318.1-1996中
4.2.2.2. 9
GB/T 11318. 1-1996 中
4.2.2.2.5
GB/T 11318. 1--1996 中
4.2.2.2.11
GB/T11318.14—1996中
测量方法
GB/T 11318. 1--1996 中
4.2.2.2.4
载波组合
三次差拍比
载波组合
二次差拍比
载波组合
交扰调制比
反射损耗
信号交流声比
耐冲击电压
10/700μs
标称供电
电压(50 Hz)
频率范围
最小满增益
标称增益
带内平坦度
标称输入电平
标称输出电平
导频输出电平
AGC 和斜率
补偿特性
噪声系数
载波组合
三次差拍比
载波组合
二次差拍比
载波组合
交扰调制比
GB/T 11318.8-1996
表3(完)
性能参数
功率倍增
30、42、60
表4ⅡA类干线放大器(300MHz)
性能参数
功率倍增
47~300
±3/±0.5
测望方法
GB/T11318.11996中
4.2.2.2.8
GJ3/T11318.1
1996中
4.2.2.2.9
GB3/T 11318. 1 -- 1996 中
4.2.2.2.5
GB/T 11318- 1 - 1996 +
4.2.2.2.11
GB/T11318.141996中
测量方法
GB/T 11318.1 --1996 中
4.2.2.2.4
GB/T 11318. 1 - 1996 中
4.2.2.2.8
GB/T 11318. 1 - 1996 中
4.2.2.2.9
反射损耗
信号交流声比
耐冲击电压
10/700 μs
标称供电
电压(50Hz)
频率范围
最小满增益
标称增益
带内平坦度
标称输入电平
标称输出电平
导频输出电平
AGC和斜率
补偿特性
噪声系数
载波组合
三次差拍比
载波组合
二次差拍比
载波组合
交扰调制比
反射损耗
信号交流声比
耐冲击电压
10/700μs
GB/T 11318.8-1996
表4(完)
性能参数
功率倍增
30、42.60
IA类干线放大器(450MHz)
性能参数
功率倍增
47~450
±3/±0.5
测基方法
|GB/T11318.1--1996中
4.2.2.2.5
GB/T11318.1--1996中
4.2.2.2.11
GB/T 11318.14-1996中
测量方法
GB/T11318.1--1996中
4.2.2.2.4
GB/T11318.11996中
4.2.2.2.8
GB/T 11318. 1
1996中
4.2.2.2.9
GB/T11318.1—1996中
4.2.2.2.5
GB/T 11318. 1--1996 中
4.2.2.2.11
GB/T11318.14--1996中
标称供电
电压(50Hz)
频率范围
最小满增益
标称增益
带内平坦度
标称输入电平
标称输出电平
导频输出电平
AGC和斜率
补偿特性
噪声系数
载波组合
三次差拍比
载波组合
二次差拍比
载波组合
交扰调制比
反射损耗
信号交流声比
耐冲击电压
10/700gs
标称供电
电压(50 Hz)
GB/T 11318.8—1996
表5(完)
性能参数
功率倍增
30、42、60
表6IA类干线放大器(550MH2)
性能参数
≥30≥34
功率倍增
47~550
±3/±0.5
30、42、60
测量方法
测量方法
GB/T11318.11996中
4.2.2.2.4
GB/T 11318.1 1996 中
4.2.2.2.8
GB/T 11318. --- 1996中
4.2.2.2.9
GB/T 11318.1- 1996 中
4.2.2.2.5
GB/T11318.1—1996中
4.2.2.2.11
GB/T11318.14—1996中
频率范围
最小满增益
标称增益
带内平坦度
标称输入电平
标称输出电平
导频输出电平
AGC特性
噪声系数
载波组合
三次差拍比
载波组合
二次差拍比
载波组合
交扰调制比
反射损耗
信号交流声比
耐冲击电压
10/700μs
标称供电
电压(50Hz)
频率范围
最小满增益
标称增益
带内平坦度
标称输入电平
标称输出电平
导频输出电平
GB/T11318.8—1996
ⅡB类干线放大器(300MHz)
能参数
功率倍增
47~300
±3/±0.3
表8IB类干线放大器(450MHz)
性能参数
功率倍增
47~450
测量方法
GB/T 11318. 1 -1996 申
4. 2. 2. 2. 4
GB/T11318.1-1996中
4.2.2.2.8
GB/T 11318.1—1996 中
4.2.2.2.9
GB/T11318.1--1996中
4.2.2.2.5
GB/T11318.1—1996中
4.2.2.2.11
GB/T11318.14-1996中
测量方法
AGC特性
噪声系数
载波组合
三次差拍比
载波组合
二次差拍比
载波组合
交扰调制比
反射损耗
信号交流声比
耐冲击电压
10/700μs
标称供电
电压(50Hz)
频率范围
最小满增益
标称增益
带内平坦度
标称输入电平
标称输出电平
导频输出电平
AGC特性
噪声系数
载波组合
三次差拍比
载波组合
二次差拍比
GB/T 11318. 8--1996
表8(完)
功率倍增
±3/±0.3
30、42、60
ⅡB类干线放大器(550MHz)
性能参数
功率倍增
47~550
测量方法
GB/T 11318. 1 -1996 中
4.2.2.2.4
GB/T 11318.1
1996中
4.2.2.2.8
GB/T11318.11996中
4.2.2.2.9
GB/T 11318. 1
1996中
4.2.2.2.5
GB/T 11318.1 1996 中
4.2. 2. 2.11
GB/T11318.141996中
测基方法
GR/T11318.11996中
4.2.2.2. 4
GB/T11318.11996中
4.2.2.2.8
[GB/T 11318.11996中
4.2.2.2.9
载波组合
交扰调制比
反射损耗
信号交流声比
耐冲击电压
10/700μs
标称供电
电压(50Hz)
频率范围
最小满增益
标称增益
增益调节范围
带内平坦度
斜率调节范围
增益稳定度
噪声系数
标称输出电平
载波组合
三次差拍比
载波组合
二次差拍比
载波组合
交扰调制比
反射损耗
信号交流声比
耐冲击电压
10/700 μs
标称供电
电压(50Hz)
CB/T 11318.8—1996
表9(完)
功率倍增
30.42、60
亚A类干线放大器(300MHz)
性能参数
功率倍增
47~300
0~~10
测量方法
GB/T11318.1 1996中
4.2.2.2.5
[GB/T 11318. 1 --1996 中
4.2.2.2. 11
GB/T11318.14-1996中
测量方法
0~22|0~26|0~300~220~26|0~300~22|0~26|0~30±0.5
30、42、60
GB/T 11318. 1- 1996中
4.2.2.2. 4
GB/T 11318. 1 --1996 中
4.2.2.2.8
GB/T 11318. --1996 中
4.2.2.2.9
GB/T 11318. 1-- 1996 中
4.2.2.2.5
GB/T 11318.1
1996中
4.2. 2. 2.11
CB/T 11318. 14 --1996 中
频率范围
最小满增益
标称增益
增益调节范围
带内平坦度
斜率调节范围
增益稳定度
噪声系数
标称输出电平
载波组合
三次差拍比
载波组合
二次差拍比
载波组合
交扰调制比
反射损耗
信号交流声比
耐冲击电压
10/700μs
标称供电
电压(50Hz)
频率范围
最小满增益
标称增益
增益调节范围
带内平坦度
斜率调节范围
增益稳定度
GB/T 11318.8—1996
ⅢA类干线放大器(450MHz)
性能参数
功率倍增
47~450
0~220~260~300~220~260~300~220~260~30±0.5
30、42.60
表12ⅡA类干线放大器(550MHz)性能参数
功率倍增
47~550
测量方法
GB/T11318.11996申
4.2.2.2.4
GB/T 11318.1 1996中
4.2.2.2.8
GB/T 11318. 1
1996中
4.2.2.2.9
GB/T 11318.1 1996 中
4.2.2.2.5
GB/T 11318. 1--1996 中
4.2.2.2.11
GB/T 11318.141996中
测量方法
0~220~260~300~22|0~260~300~220~26|030±0.5
噪声系数
标称输出电平
载波组合
三款差拍比
载波组合
二次差拍比
载波组合
交扰调制比
反射损耗
信号交流声比
耐冲击电压
10/700μs
标称供电
电压(50Hz)
频率范围
最小满增益
标称增益
增益调节范围
带内平坦度
斜率调节范围
增益稳定度
噪声系数
标称输出电平
载波组合
三次差拍比
载波组合
二次差拍比
GB/T 11318.8—1996
表12(完)
性能参数
功率倍增
30、42、60
ⅡB类干线放大器(300MHz)
性能参数
功率倍增
47~300
0~220~260~300~22|0~260~300~22/0~260~30±0.5
测量方法
GB/T 11318.1-1996 +
4.2.2.2.4
GB/T 11318.1-1996中
4.2.2.2.8
GB/T 11318. I ~-1996 中
4.2.2.2.9
GB/T 11318. 1- 1996 中
4.2.2.2.5
GB/T 11318. 1--1996 中
4.2.2.2.11
GB/T11318.14—1996中
测量方法
GB/T 11318. 1—
1996中
4.2.2.2.4
GB/T 11318. 1--1996 中
4.2.2.2.8
GB/T 11318.1 1996中
1.2.2.2.9
小提示:此标准内容仅展示完整标准里的部分截取内容,若需要完整标准请到上方自行免费下载完整标准文档。
标准图片预览:





- 热门标准
- 国家标准(GB)
- GB/T2828.1-2012 计数抽样检验程序 第1部分:按接收质量限(AQL)检索的逐批检验抽样计划
- GB/T228.1-2021 金属材料 拉伸试验 第1部分:室温试验方法
- GB50367-2013 混凝土结构加固设计规范
- GB/T18204.4-2000 公共场所毛巾、床上卧具微生物检验方法细菌总数测定
- GB/T12053-1989 光学识别用字母数字字符集 第一部分:OCR-A字符集印刷图象的形状和尺寸
- GB/T23892.3-2009 滑动轴承 稳态条件下流体动压可倾瓦块止推轴承 第3部分:可倾瓦块止推轴承计算的许用值
- GB/T9145-2003 普通螺纹 中等精度、优选系列的极限尺寸
- GB/T11839-1989 二氧化铀芯块中硼的测定 姜黄素萃取光度法
- GB50209-2002 建筑地面工程施工质量验收规范
- GB/T6122.1-2002 圆角铣刀 第1部分:型式和尺寸
- GB/T7433-1987 对称电缆载波通信系统抗无线电广播和通信干扰的指标
- GB5725-2009 安全网
- GB13851-2022 内河交通安全标志
- GB/T9239-1988 刚性转子平衡品质 许用不平衡的确定
- GB/T15917.3-1995 金属镝及氧化镝化学分析方法 对氯苯基荧光酮--溴化十六烷基三甲基胺分光光度法测定钽量
- 行业新闻
请牢记:“bzxz.net”即是“标准下载”四个汉字汉语拼音首字母与国际顶级域名“.net”的组合。 ©2025 标准下载网 www.bzxz.net 本站邮件:bzxznet@163.com
网站备案号:湘ICP备2025141790号-2
网站备案号:湘ICP备2025141790号-2