- 您的位置:
- 标准下载网 >>
- 标准分类 >>
- 医药行业标准(YY) >>
- YY/T 0179-2005 丁字式开口器
标准号:
YY/T 0179-2005
标准名称:
丁字式开口器
标准类别:
医药行业标准(YY)
标准状态:
现行出版语种:
简体中文下载格式:
.zip .pdf下载大小:
95.00 KB
相关标签:
开口
点击下载
标准简介:
YY/T 0179-2005.Mouth gags.
4.2螺钉固定应牢 固,蝶形螺钉旋转应轻松、无滑牙,撑开杆开闭灵活,无卡塞现象。
4.3 开口器应有足够的强度。
4.4开口器应有良好的耐腐蚀性能,应达到YY/T 0149的规定:外表面b级,齿形部位及螺钉c级。
4.5开口器表面可制成有光亮或无光亮,其表面粗糙度(除齿形部位及螟钉外)Ra之数值应不大于:有光亮0.4 μm;无光亮0. 8 μm。
5试验方法
5.1外观检验
以目力观察及用手拭摸,应符合4.1的规定。
5.2撑开灵活性试验
仿使用动作,应符合4.2的规定。
5.3强度试验
固定调节架,在离开口器头端4mm处吊150N重物,然后旋转蝶形螺钉,当二片头端打开到相距20 mm~30 mm时持续3 min,取下重物;按上述方法,再对另一片头部进行试验,试验完毕后用目力观察,开口器上各部位不得有明显变形,应符合4. 3的规定。
5.4耐腐蚀性能检验
按YY/T0149中规定的佛水试验法进行,试验后表面状态应符合4.4的规定。
5.5表面粗糙度试验
用样块比较法或电测法进行测量应符合4. 6的规定。质量仲裁用电测法进行。
6检验规则.
6.1 验收
开口器应经制造厂质量检验部门进行检验,合格后方可提交订货方验收。
6.2检验方式
开口器应成批提交检验,检验分逐批检验(出厂检验)和周期检验(型式检验)。
6.3逐批检验
6.3.1开口器的逐批检验应按GB/T2828.1的规定进行。
6.3.2开口器的逐批检验采用一 次抽样,抽样方案严格性从正常检验方案开始,其不合格分类、检验项目、检验水平和AQL(接收质量限)按表1的规定(按每百单位产品不合格数计)。
部分标准内容:
中华人民共和国医药行业标准
YY/T0179-—2005
代Y1:34
丁字式开口器
Mouth gags
2005-07-18发布
国家食品药品监督管理局
2006-06-01实施
91994丁宇式并口器”,bzxz.net
本标准化营Y/70179
本标准与YY/T0179—1004的主要区别如下:期卡硬度指标!
增加了制造材料的戏用范围:
增加周期检瞻,
本标准由全国外科器械标准化技术委融会提山并归口。本标准主要超草单位:张家港双银医疗器械有限公司,本标准主要起人:张权荣。
车标准断代誉标准的历次象本发布情况,WS2-55—1976
YY/T0179
YY/T0179—2C05
1范围
丁字式开口器
YY/T0179—2005
木标准规定了」字式开口器产品(以下简称开器)的分类与自名,要求、成验方法、检验规则,标志、包装,运赖、比在.
本标准适用于开口器,该,产品供急时撑开口腔用,2规范性引用文件
下列文件中的条款通过本标的明币而成为本弥准的条故。F量江日期的引用文作,其随后所有帕悠改单不包括勘误的内容!或修了版均不用于本标难,然而,起报据本标谁达成协这的各卡研究是否可快同这此文件的最新需车。凡是不注F期的引用文件,其最新版本适用下本标准,GH/123n不锈摔(GR/T1220—1992.negJISG4303:1S)GB/T2328.1计数扣.样检验程序第1部分,按要收质量限
3分类
3.1开器应以CB/T1220中规定的2C13、1Cr13及其他用的材料制成,3,2开器的型式和基本尺寸应符合图1的规定!30
左右挣杆
螺汀;
诚节架:
操形竭针
1丁字式开口器
4要求
4.1开口器的外形应平整,对,抢率清晰,不得有锋钱、毛利、避纹等缺陷YX/T0179—2005
4.2爆钉固定应牢固,禁形烟订施转应起松、无滑牙,开杆开阅灵.无下蜜现保。开亡器应有延够的强度。
斤器应有良好的耐腐蚀性鹅,应达新YY/T0149的规定,外表面b级,逝形部位及端钉心级。4.4
4.5开口器面可制成有光变或无光危,其表面粗糙度(除匹形部位及螺打外)R。之数值应不大于:有宠率0.4\m:无光宽0.8rm
5试噬方法
外观检验
必日力规案及用手其操,应符台1.1的规定,5.2摔开灵循性试验
仿使用动作.应符合4.2的裁定.
5.3强座试验
固定调节架,在离开H溢头谢4mm处吊150N黄物·然后兼转棘形螺钉,当二片头端打开到相配20mm--30mm时持续3mim,收下重物,按上述右法,再对片头部进行试验,成验完孕启用目力观频,并口器上各部位不得有明显业形,应符合4.3的娩定。5.4耐离快性能检验
按YY/T0119中恩定的沸水试验法进行,试股后表山状套应符育4.4的规定。5. 5表面粗糖度试验
用样块比较法或良制法进行测盈应符合!.1的规定,灵量州获用心达进行:6检整规则
6. 1验收
开口器应经制道厂质量检验部门进行检验,合格后方可拱交订货方验收,6.2检验方式
并口器底成社提交检验,整分逐批检验(品厂检验)和周期检(型式检验)。6.3墨批检验
6.3.1开口器的函批检验应按GB/T2828.1均规定进行,63.2开口器的递世检验采月次抽样、抽样方案严格性以正带检验方案并始·其不合格分类、检验项日,验水平和八QL(援收质量限)按表】的规定(按等百单位产品不合悼数计):表1严批检验
不合碚分类
不个格分类望
格验损目
拎验水平
6.4、周期神验
准下列情况下,应进行用期检验,新产品投产前(包括.老产品转产)h
逆续生产中的产品每二年不少于一次;隔一年以上再投产
在设计,工艺,材料在革大收变时:函家质量监督检验机构提山要求对,s.
6.4.2周期检验应按GB/T2829的规定行,YY/T0179—2005
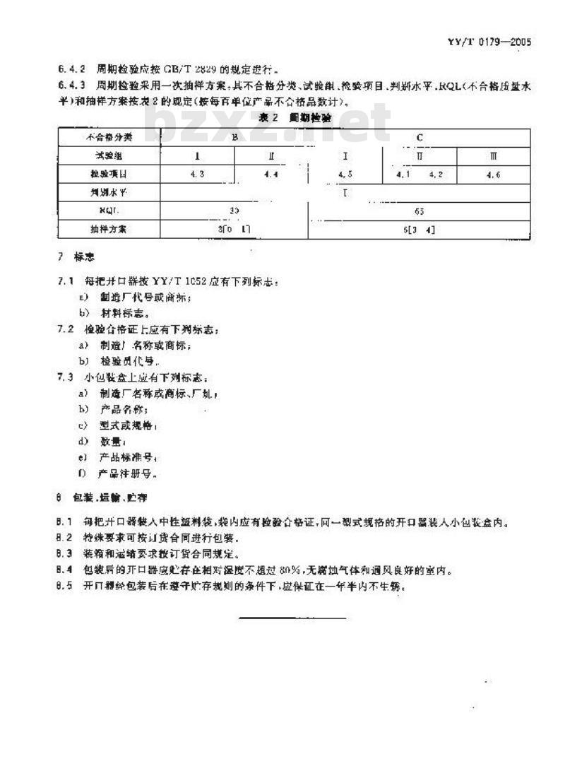
6.4.3周期检验采用一次抽样方案,其不合格分类、试晚前.检验项目,判新水乎.RQL(不合格压盘水平和抽样方案接农2的规(按每百单位产最不合格品数计)。表 2国期检险
不音格分类
冰险据
拉险项目
抽拌方案
7标惠
7.1每把开口器按YY/T1C52应有下列标志:E)制造厂代号或商标;
b)材料标志。
7.2憧验合格证上应有下列标志:a)制造厂名称或商标;
b)检验员代导,
7.3小包裁盒上应有下列标志:
制适厂名称或商标、厂划,
h)产品名称;
型式或规格1
产品标准号,
产品往册号,
日包装运物、贮存
日.1每把开口器装人中性盘料袋装内应有检验合格证,同一双式规格的开口装人小包装盒内。日.2特殊要求可按订货食同进行包蒋,日.3装箱和运结要求微订货合同规定。日.4包费后的开口器应此存在相对湿度不超过欲%,无随蚀气体和调风良好的室内。8,5开几辑统包转后在度守贮存想划的条件下,应保证在一年半内不生锈
小提示:此标准内容仅展示完整标准里的部分截取内容,若需要完整标准请到上方自行免费下载完整标准文档。
标准图片预览:





- 其它标准
- 上一篇: YY/T 0180-1994 眼睑拉钩
- 下一篇: YY/T 0179-1994 丁字式开口器
- 热门标准
- YY医药标准
- YY0345-2002 骨接合植入物金属骨针
- YY/T0452-2003 止血钳
- YY/T0475-2011 干化学尿液分析仪
- YY1007-2010 立式蒸汽灭菌器
- YY/T0178-1994 直肠、乙状结肠活体取样钳
- YY0062-1991 X射线管组件固有滤过
- YY0329-2002 一次性使用去白细胞滤器
- YY0322-2000 高频电灼治疗仪
- YY0240-1996 药用辅料 硅酸镁铝
- YY0285.5-2004 一次性使用无菌血管内导管 第5部分:套针外周导管
- YY0307-2004 连续波掺钕钇铝石榴石激光治疗机通用技术条件
- YY/T0184-1994 输精管分离钳
- YY/T0471.2-2004 接触性创面敷料试验方法第2部分:透气膜敷料水蒸气透过率
- YY/T0474-2004 外科植人物用聚 L-丙交酯树脂及制品体外降解试验
- YY/T1043-2004 牙科治疗机
- 行业新闻
网站备案号:湘ICP备2025141790号-2