- 您的位置:
- 标准下载网 >>
- 标准分类 >>
- 商检行业标准(SN) >>
- SN/T 3317.8-2013 进出口纺织品质量安全风险评估规范.第8部分:纺织制品
- 标准号: - SN/T 3317.8-2013
- 标准名称: - 进出口纺织品质量安全风险评估规范.第8部分:纺织制品
- 标准类别: - 商检行业标准(SN)
- 标准状态: 现行
- 出版语种: 简体中文
- 下载格式: .zip .pdf
- 下载大小: 1.67 MB
 标准简介/下载
标准简介/下载点击下载
标准简介:
					SN/T 3317.8-2013.Rish assessent specification of quality and safety in textiles for import and export-Part 8 :Textile products.
1范围
SN/T 3317.8规定了进出口纺织制品质量安全风险分级的程序、内容、要求和动态调整的方法。
SN/T 3317.8适用于进出口纺织制品在正常贸易、使用、消费和可预见的误用过程中的风险分级。
2规范性引用文件
下列文件对于本文件的应用是必不可少的。凡是注日期的引用文件,仅注日期的版本适用于本文件。凡是不注日期的引用文件,其最新版本(包括所有的修改单)适用于本文件。
GB/T22760消费品安全风险评估通则
GB/T 23694风险管理术语
SN/T 1649-2011进出口纺织品安全项目检验规范
SN/T 2755.3-2011出口工业产品企业分类管理第 3部分:产品风险分级基本要求
3术语和定义
GB/T 22760和GB/T 23694界定的以及下列术语和定义适用于本文件。
3.1纺织制品质量安全Safety quality of textile products
反映纺织制品外观、附件及其内在品质质量安全特征指标符合法规性及其可预见的和隐含的安全要求的状态。
3.2质量事故Quality accident
与产品质量安全有关的危害事件和伤害消费者的事件
 标准内容
标准内容部分标准内容:
进出口纺织品质量安全风险评估规范第8部分:纺织制品
Rish assessent specification of quality and safety in textiles for importand exportPart8:Textileproducts2013-08-30发布
中华人民共和国
国家质量监督检验检疫总局
2014-03-01实施
SN/T3317《进出口纺织品质量安全风险评估规范》共分为10部分:—一第1部分:纺织原料
-—第2部分:纺织原料
第3部分:纺织原料
第4部分:纺织原料
第5部分:纺织原料
第6部分:纺织纱线;
第7部分:纺织织物;
蚕丝;
羊毛:
麻类;
棉花;
化纤;
-第8部分:纺织制品;
—第9部分:服装;
第10部分:特种纺织品。
本部分为SN/T3317的第8部分。
本部分按照GB/T1.1—2009给出的规则起草本部分由国家认证认可监督管理委员会提出并归口。本部分负责起草单位:中华人民共和国江苏出人境检验检疫局。本部分参与单位:中华人民共和国广东出人境检验检疫局。SN/T 3317.8—2013
本部分主要起草人:徐志红、夏春春、贺毅、王晓冰、姚启华、石洁、侯玉蜂、郑跃君。I
1范围
进出口纺织品质量安全风险评估规范第8部分:纺织制品
SN/T3317.8—2013
SN/T3317的本部分规定了进出口纺织制品质量安全风险分级的程序、内容、要求和动态调整的方法。
本部分适用于进出口纺织制品在正常贸易、使用、消费和可预见的误用过程中的风险分级。2规范性引用文件
下列文件对于本文件的应用是必不可少的凡是注日期的引用文件,仅注日期的版本适用于本文件。凡是不注日期的引用文件,其最新版本(包括所有的修改单)适用于本文件。GB/T22760消费品安全风险评估通则GB/T23694风险管理术语
SN/T1649—2011进出口纺织品安全项目检验规范SN/T2755.3一2011出口工业产品企业分类管理第3部分:产品风险分级基本要求3术语和定义
GB/T22760和GB/T23694界定的以及下列术语和定义适用于本文件。3.1
纺织制品质量安全Safetyqualityof textileproducts反映纺织制品外观、附件及其内在品质质量安全特征指标符合法规性及其可预见的和隐含的安全要求的状态。
质量事故Qualityaccident
与产品质量安全有关的危害事件和伤害消费者的事件4风险分级要求
4.1风险分级过程中,按SN/T2755.3一2011中4.1和4.2规定,从纺织制品产品的质量特征、质量数据、敏感因子和其他影响要素等方面广泛收集相关信息,确保信息的真实、科学、可靠、及时。4.2相关信息的来源包括国内外技术法规、标准、出版物、研究报告、检测报告、政府网站、TBT咨询网站等。SN/T1649列出了已知国家和地区的强制性技术法规以及非强制性的标准要求,可作为风险分级的重要的参考资料。
5风险分级程序
5.1风险分级的准备
5.1.1确定风险分级对象
按SN/T2755.3一2011中5.1.1规定,按产品质量特性,穿着人群、环境、时间,等要素划分纺织制SN/T3317.8—2013
品的类别,明确待风险分级的产品类别。并在H.S.编码的框架下确定具体产品名称,如毯子,H.S.编码范围6301200010~6301900090。
5.1.2确定方法
按SN/T2755.3一2011中5.1.2规定,针对选定的风险分析的纺织制品对象,按本部分规定的方法进行风险分析(风险识别、危害程度确定、概率确定)和风险评价。必要时,采取成立专家组开展风险分析工作。
5.1.3信息收集
5.1.3.1纺织制品特性信息的收集按主要危害类别划分为:a)物理危害
一机械危险:纺织制品在正常使用或误用中由于零部件、绳索、附件等对消费者产生伤害的危险。一火灾危险:纺织制品在正常使用或误用中引起人员、动物灼伤及着火的危害。一物理环境危害:纺织制品在正常使用或误用、废弃、处理等过程对周围水、大气、土壤等自然环境造成的物理危害。
b)化学危害
一有毒有害物质危害:纺织制品在正常使用或误用中释放化学物质危害人类健康的危害。伤害皮肤危害:纺织制品在正常使用或误用中释放化学物质引起皮肤过敏、刺激的危害。化学环境危害:纺织制品在废弃、处理等过程中化学物质的污染对周围水、大气、土壤等自然环境造成的化学危害。
c)生物危害
生物致病危害:纺织制品在正常使用或误用中引起的人员、动物接触有毒有害物质、病原体、寄生虫、细菌所造成的疾病、健康危害。生物环境危害:纺织制品在正常使用或误用中对周围水、大气、土壤等自然环境造成的生物危害。
d)消费者权益损害
一消费者受欺诈伤害:纺织制品使用说明、成分标签、护理标签、产地标签、功能性标签等误导消费者而对消费者造成的伤害。
质量事故的信息收集,主要包括:a)
纺织制品不合格情况的历史数据;纺织制品国内外质量安全风险预警及通报情况;b)
纺织制品投诉、索赔、退货及其他质量事故情况。注:尤其注意收集产地质量数据。3敏感因子的信息收集,主要包括:5.1.3.3
纺织制品进口国(地区)技术法规、标准和合格评定程序;a)
纺织制品及其相关技术项目的社会关注度;纺织制品贸易方式;
d)纺织制品产品使用环境。
5.1.3.4其他潜在危害因素的信息,主要是指:纺织制品在正常使用或误用中某些潜在的其他因素引发人员、动物、周围环境、设施危害的风险。2
5.2风险识别
5.2.1识别危害项目
SN/T3317.8—2013
按纺织制品的类别和相关技术标准确定能够体现产品技术特征和质量特征的具体技术项目,具体技术项目是否存在本部分5.1.2.2规定的危害,按SN/T1649一2011附录A.1和A.2描述的内容进行识别。危害项目的类别按本部分5.1.3.1规定归类,风险评价记录表参见附录A。5.2.2确定风险项目
当某一纺织制品有两种或两种以上危害时,应该分别对每种危害进行风险识别,并确定该产品风险分级所包括的具体技术项目。
5.2.3风险识别的途径
按SN/T2755.3一2011中5.2.3规定执行5.3风险估计
风险估计内容
主要包括危害程度确定和危害概率确定两部分。5.3.2
危害程度的确定
5.3.2.1危害程度划分
纺织制品在正常使用和可以预见的误用过程中产生的危害(伤害)程度一般分为:非常严重、严重、一般、微弱四个等级。
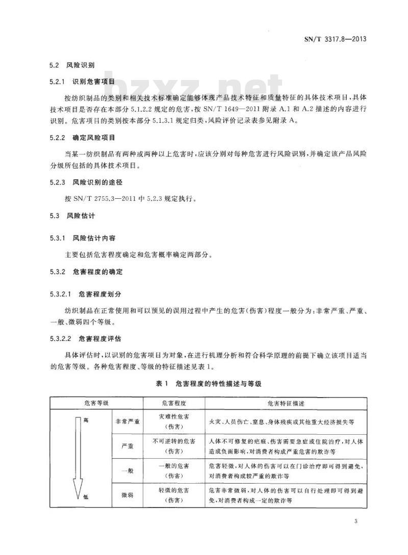
5.3.2.2危害程度评估
具体评估时,以识别的危害项目为对象,在进行机理分析和符合科学原理的前提下确立该项目适当的危害等级。各种危害程度、等级的特征描述见表1。表1危害程度的特性描述与等级
危害等级
非常严重
危害程度
灾难性危害
(伤害)
不可逆转的危害
(伤害)
一般的危害
(伤害)
轻微的危害
(伤害)
危害特征描述
火灾、人员伤亡、室息、身体残疾或其他重大经济损失等人体不可修复的疤痕、伤害需要急症或住院治疗,对人体造成负面影响,对消费者构成严重危害的欺诈等危害轻微,对人体的伤害可以在门诊治疗即可得到避免,对消费者构成较严重的欺诈等
危害非常微弱,对人体的伤害可以自行处理即可得到避免,对消费者构成一定的欺诈等3
SN/T3317.8—2013
危害概率确定
5.3.3.1危害概率类型
纺织制品在正常使用和可以预见的误用过程中发生的危害(伤害)概率(可能性)一般分为八种类型。对应的概率量值及其概率特征描述见表2表2八种危害概率的类型、对应量化值及其特征描述危害概率
概率类型
>1/100
>1/1000
>1/10000
>1/100000
>1/1000000
≤1/10000000
质量事故的危害概率(q1)赋值
概率特征描述
危害发生的可能性极大,在任何情况下会重复出现经常会发生危害事件
有一定的危害事件发生,可能性不属于小概率事件有一定的危害事件发生,可能性属于小概率事件会发生少数危害事件,但可能性较小会发生少效危害事件,但可能性极小特定情况下可能发生
不会发生危害事件·但在极少数特在任何情况下都不会发生危害事件以危害识别确定的项目对象为基础,依据该项目不合格情况的历史数据,国内外质量安全风险预警及通报情况,投诉、索赔、退货及其他质量事故情况进行综合评估,确定该危害项目发生质量事故的概率q1。
3敏感因子及其他潜在危害因素的危害概率(q2)赋值5.3.3.3
以危害识别确定的项目对象为基础,依据该项目进口国(地区)技术法规、标准和合格评定程序,产品的社会关注度,贸易方式,产品使用环境,其他潜在危害因素进行综合评估,确定以上各敏感因子及其他潜在危害因素的发生危害的概率部分国家和地区对损害消费者权益和有毒有害物质的使用颁布了禁止或限量的强制性要求,与纺织制品有关的技术法规见SN/T1649—2011中A.1。5.3.3.4全过程危害概率(g)确定确定全过程危害概率时,以危害识别确定的项目对象为基础,在确定质量事故的危害概率91和敏感因子及其他潜在危害因素概率92的基础上,以两者概率之积作为该项目的全过程危害概率,即:9qiXq20
5.4风险评价
5.4.1产品项目的风险评价
根据其危害程度(见5.3.2)和危害概率(见5.3.3)所确定的全过程危害概率g值,对照表3确定逐个项目的风险等级。
危害概率
>1/100
>1/1000
>1/10000
>1/100000
>1/1000000
≤1/10000000
产品整体风险评价
表3纺织制品风险等级矩阵法划分表危害程度的等级
非常严重
高险区
SN/T3317.8—2013
股风险区
针对纺织制品整体质量安全风险评价,当某一纺织制品有两种或两种以上危害时,以各种危害最高风险等级作为该纺织制品的风险等级。纺织制品风险等级评价表参见附录B。5.4.3
风险分级文件
纺织制品质量安全风险分级应该形成分级报告,报告应包括以下内容:a)
风险分级的信息收集、分析、归纳;风险分级的目标;
危害类型;
危害程度确定及其依据;
危害概率确定及其依据;
风险等级的确定;
专家小组对结果复审及其结论记录风险等级的确定
纺织制品质量安全风险分级的结果应该根据不同情况报专家小组对结果进行复审和确认。高风险产品应该报国家质量监督检验检疫总局复审并确认,较高风险产品、一般风险产品应报直属局复审和确认,确认后的结果分别由总局和直属局授权发布并在专用信息化网站公布。6风险分级结果的采用
经过专家复审确认和授权发布的结果,在选择检验监管方式时采用。2风险分级中涉及的信息发生重大变化时,检验检疫机构应及时对确定的对象重新进行风险分级6.2
风险等级结果发生变化时,要重新选择采用此结果的检验监管方式,5
SN/T3317.82013
分级项目
填充料的安全和卫生
小部件抗拉强力
消费者
燃烧性能
断针及金属利器
接缝拉力
禁用染料
总铅含量
总镐含量
可溶性重金属含量
甲醛含量
富马酸二甲酯
含氯酚
色牢度
寄生虫
致病菌
填充物回潮率
纤维含量
产品整体风险等级Www.bzxZ.net
危害程度
非常严
严重重般弱
附录A
(资料性附录)
风险评价记录表
风险评价记录表
危害概率
敏感因子及其他潜在影响(q,)质量事故数据(q
历史通报 索赔
数据预警
技术 社会 贸易使用 潜在
环境影响
全过程
风险等级
涵盖的
H.S编码
组长:(签名)
批准人意见:
附录B
(资料性附录)
年度出口纺织制品产品风险等级评价表表B.1××××年出口纺织制品风险等级评价表风险信息
对应国家或地区
有效信息
风险(危害)识别
组员:(签名)
签名:
风险等级
SN/T3317.8—2013
产品整体
风险评价
小提示:此标准内容仅展示完整标准里的部分截取内容,若需要完整标准请到上方自行免费下载完整标准文档。
 标准图片预览
标准图片预览 标准图片预览:





- 热门标准
- SN商检标准
- SN/T3714-2013 橡胶和塑料制品中钴、砷、铬、锡和铅的定量筛选方法电感耦合等离子体原子发射 光谱法
- SN/T0684-2011 出口肉及肉制品中奥芬哒唑、芬苯哒唑、苯硫胍及奥芬哒唑砜残留量检测方法液相色谱-质谱/质谱法
- SN/T4242-2015 进出口钕铁硼永磁材料中钕、镝、镨、镧、钴、硼、铝的测定电感耦合等离子体原子发射光谱法
- SN/T3896.6-2017 进出口纺织品纤维定量分析近红外法第6部分:聚酯纤维与羊毛的混合物
- SN/T3775.3-2014 (进)出口纺织品质量符合性验证规范第3部分:纺织织物
- SN/T3777.3-2014 纺织产品出口企业分类规范第3部分:纺织织物
- SN/T3461-2012 植物病原菌标准样品制备要求
- SN/T4247-2015 自贸试验区进口再制造用途机电产品检验规程
- SN/T4304-2015 出口氯化钡中铝、镁、铅、硅的测定电感耦合等离子体原子发射光谱法
- SN/T3480.2-2013 进口电子电工行业成套设备检验技术要求第2部分:电线电缆制造专用设备
- SN/T3694.7-2014 进出口工业品中全氟烷基化合物测定第7部分:油漆和涂料液相色谱-串联质谱法
- SN/T0746-1999 出口不锈钢器皿检验规程
- SN/T4401.1-2015 临床检验标本中毒品成分的定性及定量分析方法.第1部分:氯胺酮
- SN/T4669-2016 进出口纺织品悬挂材料抗火焰传播性测试标准方法开 口测试箱法
- SN/T3981.5-2015 进出口纺织品质量符合性评价方法纺织原料第5部分:蚕丝类绢丝
- 行业新闻
网站备案号:湘ICP备2025141790号-2
