- 您的位置:
- 标准下载网 >>
- 标准分类 >>
- 商检行业标准(SN) >>
- SN/T 0320-94 出口柴油发电机组检验规程
- 标准号: - SN/T 0320-94
- 标准名称: - 出口柴油发电机组检验规程
- 标准类别: - 商检行业标准(SN)
- 标准状态: 现行
- 出版语种: 简体中文
- 下载格式: .zip .pdf
- 下载大小: 1.32 MB
 标准简介/下载
标准简介/下载点击下载
标准简介:
					SN/T 0320-94.Rules for the inspection of diesel electric generating sets for export.
1主题内容 与适用范围
SN/T 0320规定了额定功率不大于3200kW的出口柴油发电机组(以下简称机组)的抽样、检验和检验结果的判定。
SN/T 0320适用于出口频率为:50 Hz、60 Hz.400 Hz、双频(50/400 Hz)。额定功率因数为:0.8(滞后);单相可为0. 9(滞后)或1. 0,移动式(包括汽车电站、挂车电站)和固定式的机组检验。
2引用标准
GB 191包装 储运图示标志.
GB 2819交 流工频移动电站通用技术条件
GB 2820工频 柴油发电机组通用技术条件
GB 2828逐批检 查计数抽样程序及抽样表(适用于连续批的检查)
GB 5320内燃机电站名词术语
JB 3007交流中频移动电站通用技术条件
JB 3008交流双频移动电站通用技术条件
JB 4122 出口柴油发电机组通用技术条件
3术语
3.1 检验批
各自在同一生产条件下生产的同型号同规格的柴油机和发电机,由同一生产单位在同一周期内配套组装而成的机组作为一个检验批。
4抽样
4.1抽样条件
审查由生产单位提供该检验批机组合格的、有效期内的型式(或鉴定)试验报告及厂检合格报告。
4.2抽样方案
采用GB 2828正常检查一次抽样方案。不合格分类、检查水平与合格质量水平AQL按表1规定。
 标准内容
标准内容部分标准内容:
0320—94
上海市技术溢督精海配流所
登泥号Q7966167
出口柴油发电机组检验规程
Rules for the inspection of dieselelectric generating sets for export1994-12-02发布
中华人民共和国国家进出口商品检验局1995-05-01实施
中华人民共和国进出口商品检验行业标准出口柴油发电机组检验规程
Rules for the inspection of dieselelectric generating sets for export主题内容与适用范围
SN/T0320—94
本标准规定了额定功率不大于3200kW的出口柴油发电机组(以下简称机组)的抽样、检验和检验结果的判定。
本标准适用于出口频率为:50Hz、60Hz、400Hz、双频(50/400Hz)。额定功率因数为:0.8(滞后);单相可为0.9(滞后)或1.0,移动式(包括汽车电站、挂车电站)和固定式的机组检验。2引用标准
包装储运图示标志
GB2819
GB2820
GB2828
GB5320
JB3007
JB3008
JB4122
3术语
3.1检验批
交流工频移动电站通用技术条件工频柴油发电机组通用技术条件逐批检查计数抽样程序及抽样表(适用于连续批的检查)内燃机电站名词术语
交流中频移动电站通用技术条件交流双频移动电站通用技术条件出口柴油发电机组通用技术条件各自在同一生产条件下生产的同型号同规格的柴油机和发电机,由同一生产单位在同一周期内配套组装而成的机组作为一个检验批。4抽样
4.1抽样条件
审查由生产单位提供该检验批机组合格的、有效期内的型式(或鉴定)试验报告及厂检合格报告。4.2抽样方案
采用GB2828正常检查一次抽样方案。不合格分类、检查水平与合格质量水平AQL按表1规定。表1不合格分类、检查水平及合格质量水平不合格类别
中华人民共和国国家进出口商品检验局1994-12-02批准合格质量水平(AQL)
不允许
1995-05-01实施
4.3抽样方法
在检验批中随机抽取。
4.4检查严格度
执行GB2828转移规则。
5检验
5.1检验分类
SN/T0320--94
检验分为型式检验和交收检验,型式检验属周期检验,交收检验属逐批检验,5.2有下列情况之一时,应进行型式检验:a.
首批出口或3年以上未出口又再次出口;结构、材料、工艺或主要配套件变更,可能影响产品质量b.
质量不稳定,交收检验有异常时。5.3交收检验项目、技术要求、检验方法见表2。型式检验的项目、技术要求、检验方法按GB2820、JB3007、JB3008的规定执行。表2出口柴油发电机组检验项目、技术要求、检验方法、不合格分类检验项目
一、安全
二、性能
1.绝缘电阻
2.绝缘介电强度
3.保护装置
4.接地装置及标志
1.常温启动性能
2.自动化机组的手动控制
4.空载电压整定范围
5.电压和频率的稳态调整率
6.测量电压和频率的波动率
7.控制屏各指示装置工作情况
8.行驶试验
按GB2820中4.8.1
按GB2820中4.8.2
按GB2820中4.8.4;4.8.5
按GB2820中4.8.3
按GB2820中4.5.8
按JB4122中2.3.7
按GB2820中4.5.5
按GB2820中4.4.1
a。上
.双频
按GB2820中4.4.2;
按JB3007中1.3.5;
按JB3008中1.3.5
按GB2820中4.4.2
按JB3007中1.3.5
按JB3008中1.3.5
按GB2820中4.5.6
按JB3008中1.4.4
按JB3008中1.4-5
验方法
按GB2820中7.3
按GB2820中7.4
按GB2820中7.9
按GB.2820中7.5
按JB4122中6.1.8
按GB2820.中7.6
按GB2820中7.8
a.按GB2820中7.10;
b.按JB3007中2.2.2.2;
c.按JB3008中2.2.2.2,
2.2.2.3.2.2.2.4
a.按GB2820中7.13
b.按JB3007中2.2.2.4
c.按JB3008中2.2.2.5
按GB2820中7.7
按JB3008中2.2.1.11
按JB3008中2.2.1.10
不合格
检验项目
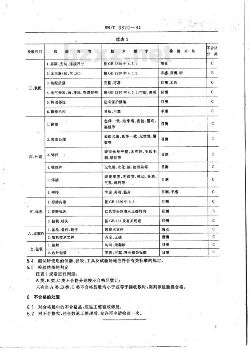
三、装配
四、外观
1.界限、安装、连接尺寸
2.无三漏(油、气、水)
3.装配质量
4.电气安装,布、接线,管道排列5.转动部位
6.操作机构
2.表面处理
4.橡胶件
1.标牌内容
五、标志
2.旋转标志
3.包装、唛头
六、成套性
七、包装
1.备品、备件、附件
2.随机技术文件
2.内外包装
SN/T0320—94
续表2
按GB2820中4.5.1
按GB2820中4.5.2
完整、可靠
按GB2820中4.5.5,牢固、美观
应有保护措施
灵活、可靠
色泽一致,无漆瘤、流挂、露底、裂脱等
表面光滑、色泽一致,无锈蚀、漏镀等
表面光滑平整,无夹砂、毛边毛刺、错位等
无龟裂、老化、漆、油污染等
焊接牢固,无焊穿、咬边、夹渣。气孔、焊药等
牢固、美观、整齐
按GB2820中9.2
红色箭头应表示正确转向
按GB191及有关规定
按技术文件
齐全、正确
均匀、无漏涂
牢固、可靠,符合相关标准
检验方法
手感、目测、听
目测、工具
目测、手感
5.4测试所使用的仪器、仪表、工具及试验场地应符合有关标准的规定,5.5检验结果的判定
按表1规定进行判定
A类、B类、C类不合格分别按不合格品数计:只有当A类、B类、C类不合格品数均小于或等于接收数时,则判该检验批合格,6不合格的处置
6.1对合格批中的不合格品,应返工整理或修复。6.2对不合格批,经全数返工整理后,允许再申请检验一次。不合格
附加说明:
SN/T 0320—94
本标准由中华人民共和国国家进出口商品检验局提出。本标准由中华人民共和国江苏、天津、河北进出口商品检验局负责起草,本标准主要起草人马骥、密丹丹、周汉初、李鸿书。(京)新登宇023号bzxZ.net
SN/T0320-1994
中国标准出版社出版中国标准出版社秦皇岛印刷厂印刷1995年5月第一版
1995年5月第一次印刷
书号:155066·2-9922
小提示:此标准内容仅展示完整标准里的部分截取内容,若需要完整标准请到上方自行免费下载完整标准文档。
 标准图片预览
标准图片预览 标准图片预览:





- 其它标准
- 热门标准
- SN商检标准
- SN/T3714-2013 橡胶和塑料制品中钴、砷、铬、锡和铅的定量筛选方法电感耦合等离子体原子发射 光谱法
- SN/T4242-2015 进出口钕铁硼永磁材料中钕、镝、镨、镧、钴、硼、铝的测定电感耦合等离子体原子发射光谱法
- SN/T3775.3-2014 (进)出口纺织品质量符合性验证规范第3部分:纺织织物
- SN/T0684-2011 出口肉及肉制品中奥芬哒唑、芬苯哒唑、苯硫胍及奥芬哒唑砜残留量检测方法液相色谱-质谱/质谱法
- SN/T3896.6-2017 进出口纺织品纤维定量分析近红外法第6部分:聚酯纤维与羊毛的混合物
- SN/T3777.3-2014 纺织产品出口企业分类规范第3部分:纺织织物
- SN/T4247-2015 自贸试验区进口再制造用途机电产品检验规程
- SN/T4304-2015 出口氯化钡中铝、镁、铅、硅的测定电感耦合等离子体原子发射光谱法
- SN/T3480.2-2013 进口电子电工行业成套设备检验技术要求第2部分:电线电缆制造专用设备
- SN/T3694.7-2014 进出口工业品中全氟烷基化合物测定第7部分:油漆和涂料液相色谱-串联质谱法
- SN/T4401.1-2015 临床检验标本中毒品成分的定性及定量分析方法.第1部分:氯胺酮
- SN/T4669-2016 进出口纺织品悬挂材料抗火焰传播性测试标准方法开 口测试箱法
- SN/T3981.5-2015 进出口纺织品质量符合性评价方法纺织原料第5部分:蚕丝类绢丝
- SN/T3696-2013 进口再制造用途机电产品检验风险评估方法指南
- SN/T3771-2014 进出口轮胎通用技术要求
- 行业新闻
网站备案号:湘ICP备2025141790号-2
