- 您的位置:
- 标准下载网 >>
- 标准分类 >>
- 商检行业标准(SN) >>
- SN/T 0903-2000 进口彩色电视广播接收机安全要求检验规程
标准号:
SN/T 0903-2000
标准名称:
进口彩色电视广播接收机安全要求检验规程
标准类别:
商检行业标准(SN)
标准状态:
现行出版语种:
简体中文下载格式:
.zip .pdf下载大小:
3.02 MB
手机扫码下载更方便
点击下载
标准简介:
SN/T 0903-2000.Rules for the inspection of safety requirements of color television broadcasting receivers for import.
1范围
SN/T 0903规定了进口彩色电视机安全要求检验的抽样、检验方法及检验结果的判定。
SN/T 0903适用于电网电源供电、电压有效值不超过250V,额定频率为50Hz的进口彩色电视机的安全要求检验。
只有通过本标准检验后的进口彩色电视机,才能进行技术性能检验。
2引用标准
下列标准所包含的条文,通过在本标准中引用而构成为本标准的条文。本标准出版时,所示版本均为有效。所有标准都会被修订,使用本标准的各方应探讨使用下列标准最新版本的可能性。
GB/T 2828-1987 逐批检查计数抽样程序及抽样表(适用于连续批的检查)。
GB 8898- 1997电网 电源供电的家用和类似一般用途的电子及有关设备的安全要求
GB/T 10239-1994彩色电视广播接收机通用技术条件
3定义
本标准采用下列定义。
检验批inspection lot
为了实施抽样检验而汇集的同一合同、同次到货的同一品牌、规格、型号的单位产品,称为检验批,简称批。
4抽样
4.1 抽样条件
产品已取得CCIB安全质量许可证。按检验批抽样。
4.2抽样方案
4.2.1交收检验按 GB/T 2828的规定,采用正常检查- - 次抽样方案,检查水平为特殊检查水平S-3。
4.2.2 例行试验按GB/T 10239- 1994进行。
4.2.3列入本标准的检验项目,均为安全要求,不规定合格质量水平,不允许不合格品存在。
4.3 抽样方法
4.3.1交收检验 从检验批中随机抽取样品。
4.3.2例行试验 从检验批中随机抽取样品。
部分标准内容:
进口彩色电视广播接收机
安全要求检验规程
Rules for the inspection of safety requirements of colortelevision broadcastingreceivers forimport2000-06-22发布
2000-11-01实施
中华人民共和国国家出人境检验检疫局发布SN/T0903-2000
本标准是对原专业标准ZBM74002—1987的修订。ZBM74002-1987由原中华人民共和国江苏进出口商品检验局陈寄生起草。本标准参照GB8898一1997《电网电源供电的家用和类似一般用途的电子及有关设备的安全要求》,对ZBM74002一1987进行了修订,并增加了对例行试验的要求,在格式上按照GB/T1.1一1993《标准化工作导则第1单元:标准的起草与表述规则第1部分:标准编写的基本规定》的要求进行编写。
自本标准生效之日起代替ZBM74002—1987。本标准由中华人民共和国国家出入境检验检疫局提出。本标准起草单位:中华人民共和国江苏出入境检验检疫局。本标准起草人:唐法荣。
1范围
中华人民共和国出人境检验检疫行业标准进口彩色电视广播接收机
安全要求检验规程
Rules forthe inspectionof safetyrequirements of colortelevision broadcasting receivers for importSN/T 0903—2000
代替ZBM74002-1987
本标准规定了进口彩色电视机安全要求检验的抽样、检验方法及检验结果的判定,本标准适用于电网电源供电、电压有效值不超过250V,额定频率为50Hz的进口彩色电视机的安全要求检验。
只有通过本标准检验后的进口彩色电视机,才能进行技术性能检验。2引用标准
下列标准所包含的条文,通过在本标准中引用而构成为本标准的条文。本标准出版时,所示版本均为有效。所有标准都会被修订,使用本标准的各方应探讨使用下列标准最新版本的可能性。GB/T2828—1987逐批检查计数抽样程序及抽样表(适用于连续批的检查)。GB8898一1997电网电源供电的家用和类似一般用途的电子及有关设备的安全要求GB/T10239-—1994彩色电视广播接收机通用技术条件3定义
本标准采用下列定义。
检验批inspectionlot
为了实施抽样检验而汇集的同一合同、同次到货的同一品牌、规格、型号的单位产品,称为检验批,简称批。
4抽样
4.1抽样条件
产品已取得CCIB安全质量许可证。按检验批抽样。4.2抽样方案
4.2.1交收检验按GB/T2828的规定,采用正常检查一次抽样方案,检查水平为特殊检查水平S-3。4.2.2例行试验按GB/T10239-1994进行。4.2.3列入本标准的检验项目,均为安全要求,不规定合格质量水平,不允许不合格品存在。4.3抽样方法
4.3.1交收检验从检验批中随机抽取样品。4.3.2例行试验从检验批中随机抽取样品。中华人民共和国国家出人境检验检疫局2000-06-22批准2000-11-01实施
5检验
5.1检验分类
检验分为交收检验和例行试验。SN/T0903—2000
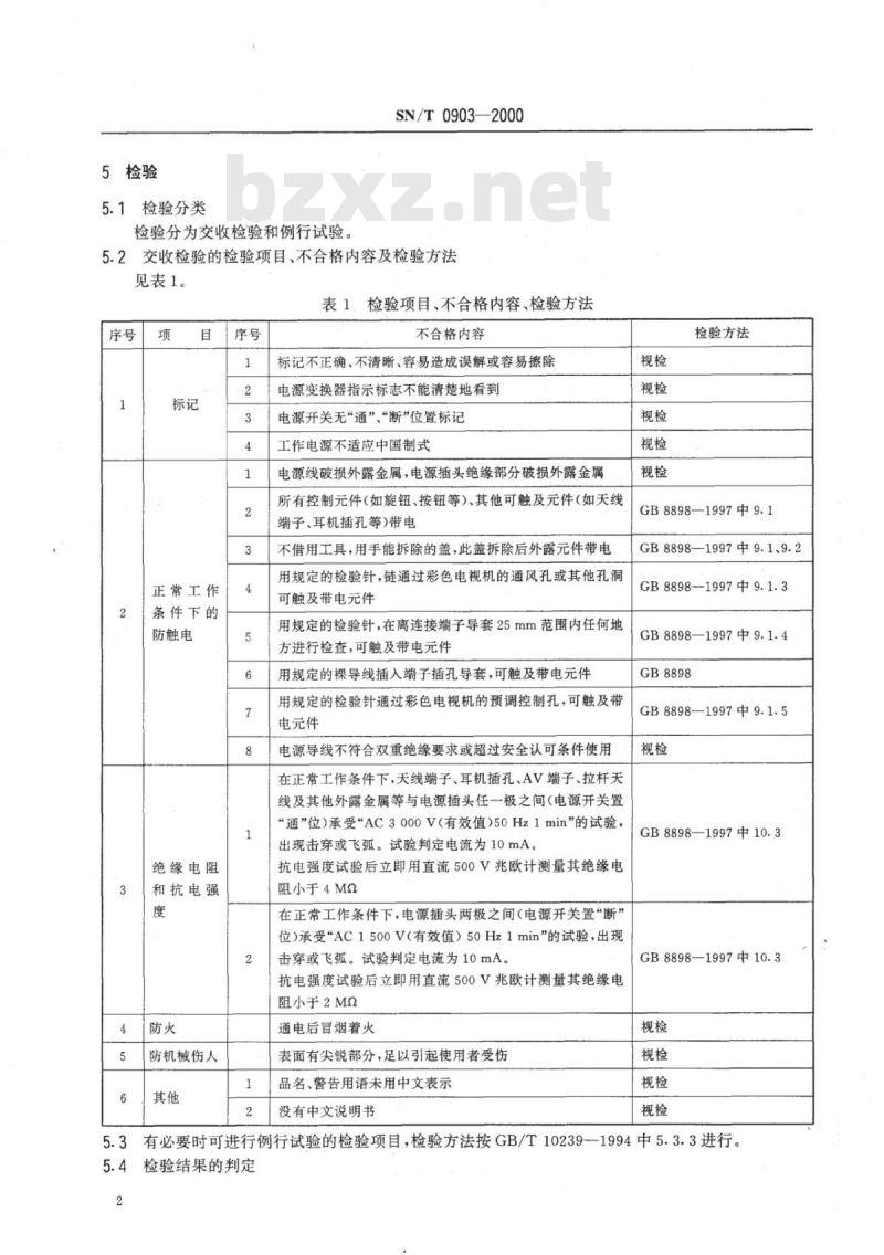
5.2交收检验的检验项目、不合格内容及检验方法见表1。
表1、检验项目、不合格内容、检验方法序号
正常工作
条件下的
防触电
绝缘电阻
和抗电强
防机械伤人
不合格内容
标记不正确、不清晰、容易造成误解或容易擦除电源变换器指示标志不能清楚地看到电源开关无“通”“断”位置标记工作电源不适应中国制式
电源线破损外露金属,电源插头绝缘部分破损外露金属所有控制元件(如旋钮、按钮等)、其他可触及元件(如天线端子、耳机插孔等)带电
不借用工具,用手能拆除的盖,此盖拆除后外露元件带电用规定的检验针,链通过彩色电视机的通风孔或其他孔洞可触及带电元件
用规定的检验针,在离连接端子导套25mm范围内任何地方进行检查,可触及带电元件
用规定的裸导线插入端子插孔导套,可触及带电元件用规定的检验针通过彩色电视机的预调控制孔,可触及带电元件
电源导线不符合双重绝缘要求或超过安全认可条件使用在正常工作条件下,天线端子、耳机插孔、AV端子、拉杆天线及其他外露金属等与电源插头任一极之间(电源开关置“通”位)承受“AC3000V(有效值)50Hz1min”的试验,出现击穿或飞弧。试验判定电流为10mA。抗电强度试验后立即用直流500V兆欧计测量其绝缘电阻小于4MQ
在正常工作条件下,电源插头两极之间(电源开关置“断”位)承受“AC1500V(有效值)50Hz1min\的试验,出现击穿或飞弧。试验判定电流为10mA。抗电强度试验后立即用直流500V兆欧计测量其绝缘电阻小于2MQ
通电后冒烟着火
表面有尖锐部分,足以引起使用者受伤品名、警告用语未用中文表示
没有中文说明书
检验方法
GB 8898—1997中9.1bZxz.net
GB8898—1997中9.1、9.2
GB 8898-1997中 9.1.3
GB8898—1997中9.1.4
GB8898
GB8898—1997中9.1.5
GB8898—1997中10.3
GB8898—1997中10.3
有必要时可进行例行试验的检验项目,检验方法按GB/T10239--1994中5.3.3进行。5.4
检验结果的判定
SN/T09032000
5.4.1交收检验中样本全项目检验合格,则判定该批安全检测结果合格。否则判定该批不合格。5.4.2例行试验中样本全项目检验合格,则判定该产品例行试验合格。否则判定不合格。6不合格处置
对不合格批出具检验证书。
中华人民共和国出入境检验检疫行业标准
进口彩色电视广播接收机
安全要求检验规程
SN/T0903-2000
中国标准出版社出版
北京复兴门外三里河北街16号
邮政编码:100045
电话:68522112
中国标准出版社秦皇岛印刷厂印刷版权专有不得翻印
开本880X×12301/16印张1/2字数6千字2000年8月第一版2000年8月第一次印刷印数1-2000
书号:155066·2-13210定价6.00元
小提示:此标准内容仅展示完整标准里的部分截取内容,若需要完整标准请到上方自行免费下载完整标准文档。
标准图片预览:





- 其它标准
- 热门标准
- SN商检标准
- SN/T2389.10-2012 进出口商品容器计重规程第10部分:液体化工品船舱静态计重
- SN/T5310—2021 涂料中4-叔戊基苯酚和对特辛基苯酚含量的测定气相色谱法
- SN/T4133-2015 玩具材料中邻苯二甲酸酯增塑剂的测定方法液相色谱质谱联用法
- SN0158-92 出口水果中螨完锡残留量检验方法
- SN/T4105-2015 进出口纺织品铬橙、铬酸铅、钼铬红的筛选检测方法
- SN/T4466-2016 国境口岸中东呼吸综合征冠状病毒实时荧光RT-PCR检测方法
- SN/T4846-2017 进出口机动车儿童乘员用约束系统质量风险评估规范
- SN0369-1995 出口热狗肠检验规程
- SN/T3986-2014 实验动物饲养、运输、使用过程中的动物福利规范
- SN/T4188-2015 进出口危险化学品检验规程硝酸铵
- SN/T1935.1-2007 出口危险货物罐式集装箱包装检验规程 第1部分:总则
- SN/T5309——2021 食品接触材料高分子材料食品模拟物中壬基酚和辛基酚的测定液相色谱–串联质谱法
- SN/T1935.2-2007 出口危险货物罐式集装箱包装检验规程 第2部分:性能检验
- SN/T3315.5-2012 纺织品再生纤维索纤维与棉的定量分析第5部分:混酸法
- SN/T4271.1-2015 国际航行船舶携带输入性医学媒介生物采集方法第1部分:蚊类
- 行业新闻