- 您的位置:
- 标准下载网 >>
- 标准分类 >>
- 商检行业标准(SN) >>
- SN/T 0106-2010 出口无毛绒检验规程
标准号:
SN/T 0106-2010
标准名称:
出口无毛绒检验规程
标准类别:
商检行业标准(SN)
标准状态:
现行-
发布日期:
2010-01-10 -
实施日期:
2010-07-16 出版语种:
简体中文下载格式:
.rar .pdf下载大小:
2.04 MB
替代情况:
替代SN 0106-1992
部分标准内容:
中华人民共和国出入境检验检疫行业标准SN/T0106-2010
代替SN0106-1992
出口无毛绒检验规程
Protocolof inspectionforexportdehairedcashmere2010-01-10发布
数码防伪
中华人民共和国
国家质量监督检验检疫总局
2010-07-16实施
木标准代替SN0106—1992《出口无毛绒检验规程》。本标准是对SN0106一92的修订,主要变化如下:调整了部分术语和定义;
增加了品质要求;
增加了异色纤维含量检验项目;增加了平均直径试验项目;
增加了平均断裂强力试验项目;在长度检验中,增加了对环境的要求;将水分检验修订为回潮率检验:SN/T0106—2010
含脂率试验方法参照GB/T6977,修订为乙醛提取物、乙醇提取物两种方法;其他动物纤维含量试验方法参照GB/T14593或GB/T16988进行,对原标准进行了修订。本标准由国家认证认可监督管理委员会提出并归口。本标准起草单位:中华人民共和国天津出人境检验检疫局。木标准主要起草人:张澜君、王琨、诸乃彤、本标准所代替标准历次版本发布情况为:SN0106--1992。
1范围
出口无毛绒检验规程
本标准规定了出口无毛绒的样品制备和试验方法,本标准适用于出口无毛山羊绒、无毛驼绒、无毛耗牛绒的检验。2规范性引用文件
SN/T0106—2010
下列文件中的条款通过本标准的引用而成为本标准的条款。凡是注日期的引用文件,其随后所有的修改单(不包括勘误的内容)或修订版均不适用于本标准,然而,鼓励根据本标准达成协议的各方研究是否可使用这些文件的最新版本。风是不注日期的引用文件,其最新版本适用于本标准。GB/T2910(所有部分),纺织品定量化学分析方法GB/T2911
GB/T6500
GB/T6977
GB/T8170
GB/T10685
GB/T14593
GB/T16988
纺织品三组分纤维混纺产品定量化学分析方法羊绒纤维回潮率试验方法烘箱法洗净羊毛乙醇萃取物、灰分、植物性杂质、总碱不溶物含量试验方法数值修约规则与极限数值的表示和判定羊毛纤维直径试验方法投影显微镜法山羊绒、绵羊毛及其混合纤维定量分析方法扫描电镜法特种动物纤维与绵羊毛混合物含量的测定山羊绒
GB18267
3术语和定义
下列术语和定义适用于本标准
山羊绒
cashmere
山羊原绒、过轮山羊绒、洗净山羊绒分梳山羊绒统称为山羊绒。3.2
无毛(分梳)山羊绒
dehaired
ashmere
经洗涤、工业分硫加工后除去粗毛的山羊绒。3.3
粗毛goathair
从山羊身上采集的、直径大于25um的毛绒纤维。一端有绒特征,另一端具有粗毛特征,粗毛长度占纤维全长二分之一以上者,按粗毛处理。3.4
异色纤维colourfibre
自山羊绒中含有的与其颜色有差异的毛绒纤维。3.5
non-animali fibreincashmere
非动物纤维
山羊绒中含有的植物纤维、化学纤维等。3.6
otheranimalfibreincashmere
其他动物纤维
山羊以外其他动物的纤维。
SN/T0106—2010
含粗率
goat hair content
分梳(无毛)山羊绒中粗毛的质量占总质量的百分数。3.8
含杂率
impurity content
分梳(无毛)山羊绒中杂质(包括皮屑)的质量占总质量的百分数。3.9
短绒率
shortcashmerecontent
长度在15mm及以下的绒纤维根数占总根数的百分数。4
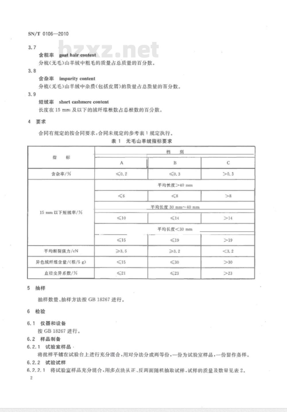
合同有规定的按合同要求,合同未规定的参考表1规定执行。表1
无毛山羊绒指标要求
含杂率/%
15mm以下短绒率/%
平均断裂强力/eN
异色绒纤维含量/(根/5g)
直径变异系数/%
抽样数量、抽样方法按GB18267进行。检验
仪器和设备
按GB18267进行。
6.2样品制备
6.2.1试验室样品
平均长度>40mm
平均长度30mm~40mm
平均长度<30mm
将批样平铺在试验台上进行充分混合,用对分法分成两等份,一份为试验室样品,一份留作备样。6.2.2试验试样
将试验室样品充分混合,用多点法从正、反两面随机抽取试样,试样的质量及数量见表2。6.2.2.1
试验项目
含粗率
含杂率
异色纤维含量
手排长度
平均直径
其他动物纤维含量
非动物纤维含量
含油脂率
平均断裂强力
试样质量及数量
每份试样质量/g
称取回潮率试样,每份试样质量50g,精确至0.01g。6.3试验方法
含粗率、含杂率试验
SN/T0106—2010
试样数量/份
称取试样5g,精确至0.01g。将试样置于与被测绒纤维颜色反差较大的绒板上,用镊子将粗毛、杂质(包括肤皮屑)抹出,分别称取质量,精确至0.0001g。6.3.1.2
含租率按式(1)计算:
mc×100
式中:
含粗率,%;
粗毛质量,单位为克(g);
试样质量,单位为克(g)。
含杂率按式(2)计算:
m×100
式中:
含杂率,%;
杂质质量,单位为克(g);
试样质量,单位为克(g)。
........(1)
.....(2)
当两份试样的含粗率或含杂率的绝对差值超过0.05%时,须增试第三份试样,并以三份试样含粗率或含杂率的平均值作为最终结果。计算结果含粗率修约至整数,含杂率修约至一位小数。6.3.2
异色纤维含量试验
称取试样5g,精确至0.01g。将试样置于白色衬纸上,并在白色光不小于4001x的光源条6.3.2.1
件下进行。用镊子将白山羊绒中含有的与其颜色有差异的毛绒纤维抹出。6.3.2.2
异色纤维含量以“×根/5g\的形式表示,计算结果修约至整数。以两份试样异色纤维含量的平均值为最终结果。6.3.3手排长度试验
试样制备:将试验室样品充分混合,用多点法从正、反两面随机抽取纤维(不少于40个点)约150mg,充分混合,平分成三份,称取各份样品质量,其中两份用于平行试验,一份留作备样。6.3.3.2
样品应在温度(20+2)℃湿度65%土2%环境下平衡4h,并在此环境下排图。3
SN/T0106-—2010
6.3.3.3排图:将抽取的试样用手反复整理成一端接近平齐且纤维白然顺直的小绒束,右手握住小绒束平齐的一端,将另一端贴于绒板并用左手的大拇指住该端,将纤维由长至短从绒束中缓缓拔出,使逐次被拔出的纤维沿绒板左上端自上而下、自左而右、一端平齐地贴覆在绒板上,当手中的纤维全部拔完后用镊子将试样起出,再理成小绒束,如此操作数遍(不多于五遍),直至将试样均匀地排成底边长度为250mm士10mm、纤维分布均匀的长度分布图(如图1所示)。H/mm
排长度标准板上的刻度,将相关的数值记录下来。以长度分布图的底边为横坐标,以纤维长度为纵坐标,从原点自左向右每间隔10mm标出横坐标1、终点坐标点工。,测量每一组中点对应的纤维长度为。
6.3.3.5平均长度按式(3)计算:式中:下载标准就来标准下载网
平均长度,单位为毫米(mm):、H.、、H,.
第i组中点坐标对应的纤维长度,单位为毫米(mm)长度分布图底边总长度,单位为毫米(mm);H,末组中点坐标对应的纤维长度,单位为毫米(mm)。6.3.3.6短绒率按式(4)计算:
S=×100
式中:
S根数短绒率,%:
长度分布图底边总长度,单位为毫米(mm);工,
15mm长度纤维H,对应的横坐标值,单位为毫米(mm)。入如果末组组距小于10mm,标出-1。长度分布图底边总长度
(3)
(4)
6.3.3.7以两份试样平均长度的平均值为试验结果,当两份试样平均长度的绝对值差异超过2mm时,应增试第三份试样,并以三份试样平均长度的平均值作为最终结果。平均长度计算结果修约至整数。短绒率计算结果修约至一位小数。4
6.3.4平均直径试验
按GB/T10685进行。
6.3.5含油脂率试验
按GB/T6977进行。
6.3.6平均断裂强力试验
按GB18267进行。
6.3.7回潮率试验
按GB/T6500进行。
6.3.8其他动物纤维含量试验
按GB/T14593或·GB/T1Q98
6.3.9非动物纤维含量试验
按GB/T2910或GR/T291
6.3.10公量试验
按GB18267进行。
试验数据的修约
按GB/T8170进行。
检验结果判定
各项指标试验结果均合格
SN/T0106—2010
合约另有规定的除外。
SN/T0106-2010
中华人民共和国出入境检验检疫行业标准
出口无毛绒检验规程
SN/T0106—2010
中国标准出版社出版
北京复兴门外三里河北街16号
邮政编码:100045
网址www,spc.net.cn
电话:6852394668517548
中国标准出版社秦皇岛印刷厂印刷*
开本880×12301/16
字数10千字
印张0.75
2010年4月第一版
2010年4月第一次印刷
印数1-1600
书号:155066·2-20618
小提示:此标准内容仅展示完整标准里的部分截取内容,若需要完整标准请到上方自行免费下载完整标准文档。
代替SN0106-1992
出口无毛绒检验规程
Protocolof inspectionforexportdehairedcashmere2010-01-10发布
数码防伪
中华人民共和国
国家质量监督检验检疫总局
2010-07-16实施
木标准代替SN0106—1992《出口无毛绒检验规程》。本标准是对SN0106一92的修订,主要变化如下:调整了部分术语和定义;
增加了品质要求;
增加了异色纤维含量检验项目;增加了平均直径试验项目;
增加了平均断裂强力试验项目;在长度检验中,增加了对环境的要求;将水分检验修订为回潮率检验:SN/T0106—2010
含脂率试验方法参照GB/T6977,修订为乙醛提取物、乙醇提取物两种方法;其他动物纤维含量试验方法参照GB/T14593或GB/T16988进行,对原标准进行了修订。本标准由国家认证认可监督管理委员会提出并归口。本标准起草单位:中华人民共和国天津出人境检验检疫局。木标准主要起草人:张澜君、王琨、诸乃彤、本标准所代替标准历次版本发布情况为:SN0106--1992。
1范围
出口无毛绒检验规程
本标准规定了出口无毛绒的样品制备和试验方法,本标准适用于出口无毛山羊绒、无毛驼绒、无毛耗牛绒的检验。2规范性引用文件
SN/T0106—2010
下列文件中的条款通过本标准的引用而成为本标准的条款。凡是注日期的引用文件,其随后所有的修改单(不包括勘误的内容)或修订版均不适用于本标准,然而,鼓励根据本标准达成协议的各方研究是否可使用这些文件的最新版本。风是不注日期的引用文件,其最新版本适用于本标准。GB/T2910(所有部分),纺织品定量化学分析方法GB/T2911
GB/T6500
GB/T6977
GB/T8170
GB/T10685
GB/T14593
GB/T16988
纺织品三组分纤维混纺产品定量化学分析方法羊绒纤维回潮率试验方法烘箱法洗净羊毛乙醇萃取物、灰分、植物性杂质、总碱不溶物含量试验方法数值修约规则与极限数值的表示和判定羊毛纤维直径试验方法投影显微镜法山羊绒、绵羊毛及其混合纤维定量分析方法扫描电镜法特种动物纤维与绵羊毛混合物含量的测定山羊绒
GB18267
3术语和定义
下列术语和定义适用于本标准
山羊绒
cashmere
山羊原绒、过轮山羊绒、洗净山羊绒分梳山羊绒统称为山羊绒。3.2
无毛(分梳)山羊绒
dehaired
ashmere
经洗涤、工业分硫加工后除去粗毛的山羊绒。3.3
粗毛goathair
从山羊身上采集的、直径大于25um的毛绒纤维。一端有绒特征,另一端具有粗毛特征,粗毛长度占纤维全长二分之一以上者,按粗毛处理。3.4
异色纤维colourfibre
自山羊绒中含有的与其颜色有差异的毛绒纤维。3.5
non-animali fibreincashmere
非动物纤维
山羊绒中含有的植物纤维、化学纤维等。3.6
otheranimalfibreincashmere
其他动物纤维
山羊以外其他动物的纤维。
SN/T0106—2010
含粗率
goat hair content
分梳(无毛)山羊绒中粗毛的质量占总质量的百分数。3.8
含杂率
impurity content
分梳(无毛)山羊绒中杂质(包括皮屑)的质量占总质量的百分数。3.9
短绒率
shortcashmerecontent
长度在15mm及以下的绒纤维根数占总根数的百分数。4
合同有规定的按合同要求,合同未规定的参考表1规定执行。表1
无毛山羊绒指标要求
含杂率/%
15mm以下短绒率/%
平均断裂强力/eN
异色绒纤维含量/(根/5g)
直径变异系数/%
抽样数量、抽样方法按GB18267进行。检验
仪器和设备
按GB18267进行。
6.2样品制备
6.2.1试验室样品
平均长度>40mm
平均长度30mm~40mm
平均长度<30mm
将批样平铺在试验台上进行充分混合,用对分法分成两等份,一份为试验室样品,一份留作备样。6.2.2试验试样
将试验室样品充分混合,用多点法从正、反两面随机抽取试样,试样的质量及数量见表2。6.2.2.1
试验项目
含粗率
含杂率
异色纤维含量
手排长度
平均直径
其他动物纤维含量
非动物纤维含量
含油脂率
平均断裂强力
试样质量及数量
每份试样质量/g
称取回潮率试样,每份试样质量50g,精确至0.01g。6.3试验方法
含粗率、含杂率试验
SN/T0106—2010
试样数量/份
称取试样5g,精确至0.01g。将试样置于与被测绒纤维颜色反差较大的绒板上,用镊子将粗毛、杂质(包括肤皮屑)抹出,分别称取质量,精确至0.0001g。6.3.1.2
含租率按式(1)计算:
mc×100
式中:
含粗率,%;
粗毛质量,单位为克(g);
试样质量,单位为克(g)。
含杂率按式(2)计算:
m×100
式中:
含杂率,%;
杂质质量,单位为克(g);
试样质量,单位为克(g)。
........(1)
.....(2)
当两份试样的含粗率或含杂率的绝对差值超过0.05%时,须增试第三份试样,并以三份试样含粗率或含杂率的平均值作为最终结果。计算结果含粗率修约至整数,含杂率修约至一位小数。6.3.2
异色纤维含量试验
称取试样5g,精确至0.01g。将试样置于白色衬纸上,并在白色光不小于4001x的光源条6.3.2.1
件下进行。用镊子将白山羊绒中含有的与其颜色有差异的毛绒纤维抹出。6.3.2.2
异色纤维含量以“×根/5g\的形式表示,计算结果修约至整数。以两份试样异色纤维含量的平均值为最终结果。6.3.3手排长度试验
试样制备:将试验室样品充分混合,用多点法从正、反两面随机抽取纤维(不少于40个点)约150mg,充分混合,平分成三份,称取各份样品质量,其中两份用于平行试验,一份留作备样。6.3.3.2
样品应在温度(20+2)℃湿度65%土2%环境下平衡4h,并在此环境下排图。3
SN/T0106-—2010
6.3.3.3排图:将抽取的试样用手反复整理成一端接近平齐且纤维白然顺直的小绒束,右手握住小绒束平齐的一端,将另一端贴于绒板并用左手的大拇指住该端,将纤维由长至短从绒束中缓缓拔出,使逐次被拔出的纤维沿绒板左上端自上而下、自左而右、一端平齐地贴覆在绒板上,当手中的纤维全部拔完后用镊子将试样起出,再理成小绒束,如此操作数遍(不多于五遍),直至将试样均匀地排成底边长度为250mm士10mm、纤维分布均匀的长度分布图(如图1所示)。H/mm
排长度标准板上的刻度,将相关的数值记录下来。以长度分布图的底边为横坐标,以纤维长度为纵坐标,从原点自左向右每间隔10mm标出横坐标1、终点坐标点工。,测量每一组中点对应的纤维长度为。
6.3.3.5平均长度按式(3)计算:式中:下载标准就来标准下载网
平均长度,单位为毫米(mm):、H.、、H,.
第i组中点坐标对应的纤维长度,单位为毫米(mm)长度分布图底边总长度,单位为毫米(mm);H,末组中点坐标对应的纤维长度,单位为毫米(mm)。6.3.3.6短绒率按式(4)计算:
S=×100
式中:
S根数短绒率,%:
长度分布图底边总长度,单位为毫米(mm);工,
15mm长度纤维H,对应的横坐标值,单位为毫米(mm)。入如果末组组距小于10mm,标出-1。长度分布图底边总长度
(3)
(4)
6.3.3.7以两份试样平均长度的平均值为试验结果,当两份试样平均长度的绝对值差异超过2mm时,应增试第三份试样,并以三份试样平均长度的平均值作为最终结果。平均长度计算结果修约至整数。短绒率计算结果修约至一位小数。4
6.3.4平均直径试验
按GB/T10685进行。
6.3.5含油脂率试验
按GB/T6977进行。
6.3.6平均断裂强力试验
按GB18267进行。
6.3.7回潮率试验
按GB/T6500进行。
6.3.8其他动物纤维含量试验
按GB/T14593或·GB/T1Q98
6.3.9非动物纤维含量试验
按GB/T2910或GR/T291
6.3.10公量试验
按GB18267进行。
试验数据的修约
按GB/T8170进行。
检验结果判定
各项指标试验结果均合格
SN/T0106—2010
合约另有规定的除外。
SN/T0106-2010
中华人民共和国出入境检验检疫行业标准
出口无毛绒检验规程
SN/T0106—2010
中国标准出版社出版
北京复兴门外三里河北街16号
邮政编码:100045
网址www,spc.net.cn
电话:6852394668517548
中国标准出版社秦皇岛印刷厂印刷*
开本880×12301/16
字数10千字
印张0.75
2010年4月第一版
2010年4月第一次印刷
印数1-1600
书号:155066·2-20618
小提示:此标准内容仅展示完整标准里的部分截取内容,若需要完整标准请到上方自行免费下载完整标准文档。
标准图片预览:





- 其它标准
- 热门标准
- 商检行业标准(SN)
- SN/T3775.3-2014 (进)出口纺织品质量符合性验证规范第3部分:纺织织物
- SN/T3896.6-2017 进出口纺织品纤维定量分析近红外法第6部分:聚酯纤维与羊毛的混合物
- SN/T4242-2015 进出口钕铁硼永磁材料中钕、镝、镨、镧、钴、硼、铝的测定电感耦合等离子体原子发射光谱法
- SN/T3777.3-2014 纺织产品出口企业分类规范第3部分:纺织织物
- SN/T4247-2015 自贸试验区进口再制造用途机电产品检验规程
- SN/T3480.2-2013 进口电子电工行业成套设备检验技术要求第2部分:电线电缆制造专用设备
- SN/T3694.7-2014 进出口工业品中全氟烷基化合物测定第7部分:油漆和涂料液相色谱-串联质谱法
- SN/T4304-2015 出口氯化钡中铝、镁、铅、硅的测定电感耦合等离子体原子发射光谱法
- SN/T4401.1-2015 临床检验标本中毒品成分的定性及定量分析方法.第1部分:氯胺酮
- SN/T4669-2016 进出口纺织品悬挂材料抗火焰传播性测试标准方法开 口测试箱法
- SN/T3696-2013 进口再制造用途机电产品检验风险评估方法指南
- SN/T3468.8-2013 钢材残损检验鉴定规程第8部分:钢丝绳
- SN/T3702.1-2014 进出口纺织品质量符合性评价抽样方法第1部分:通则
- SN/T3981.5-2015 进出口纺织品质量符合性评价方法纺织原料第5部分:蚕丝类绢丝
- SN/T3614-2013 进出口陶瓷制品质量风险评估规范
- 行业新闻
请牢记:“bzxz.net”即是“标准下载”四个汉字汉语拼音首字母与国际顶级域名“.net”的组合。 ©2025 标准下载网 www.bzxz.net 本站邮件:bzxznet@163.com
网站备案号:湘ICP备2025141790号-2
网站备案号:湘ICP备2025141790号-2