- 您的位置:
- 标准下载网 >>
- 标准分类 >>
- 机械行业标准(JB) >>
- JB/T 6420-1992 单元式列车空调机组
标准号:
JB/T 6420-1992
标准名称:
单元式列车空调机组
标准类别:
机械行业标准(JB)
英文名称:
Unitized train air conditioning unit标准状态:
现行-
发布日期:
1992-07-20 -
实施日期:
1993-01-01 出版语种:
简体中文下载格式:
.rar.pdf下载大小:
326.75 KB

点击下载
标准简介:
标准下载解压密码:www.bzxz.net
本标准规定了单式列车空调机组的型式、基本参数、技术要求、试验方法、检验规则、标志、包装和贮存。本标准适用于普通铁道客车顶部安装的电动机驱动压缩单元式以R22 为制冷剂的风冷式电热型空调机组,特种客车空调机组亦可参照使用。 JB/T 6420-1992 单元式列车空调机组 JB/T6420-1992

部分标准内容:
中华人民共和国机械行业标准
单元式列车空调机组
1主题内容与适用范围
JB/T 6420-- 92
本标准规定了单元式列车空调机组(以下简称空调机组)的型式、基本参数、技术要求、试验方法、检验规则、标志、包装和贮存。
本标准适用于普通铁道客车顶部安装的电动机驱动压缩单元式以R22为制冷剂的风冷式电热型空调机组,特种客车空调机组亦可参照使用。2引用标准
GB 190
GB 755
GB6388
GB7373
GB9237
包装储运图示标记
旋转电机基本技术要求
运输包装收货标志
工业用二氟一氯甲烷
制冷设备通用技术规范
GB 10079
全封闭活塞制冷压缩机
GB/T 13306
GB3/T 13274
GB/T 13275
ZB J73 022
ZBJ73025
般用途轴流通风机技术条件
一般用途离心通风机技术条件
单元式空气调节机试验方法
制冷机型号编制方法
ZBJ73046
单元式空气调节机技术条件
3型式
3.1空调机组结构型式
3.1.1按外形分为平底圆项和圆底圆顶两种。3.1.2按出风方式分为前出风和下出风两种。3.2空调机组型号编制方法除应符合ZBJ73025的规定外,还应符合以下规定。KLD-
出风方式,前出风用Q、下出风用X表示空调机组结构型式:平底用P、圆底用Y表示名义制冷量:用阿拉伯数字(取整数)表示,单位kW(见表2~4)电热型列车空调机组代号
中华人民共和国机械电子工业部1992-07-20批准964
1993-01-01实施
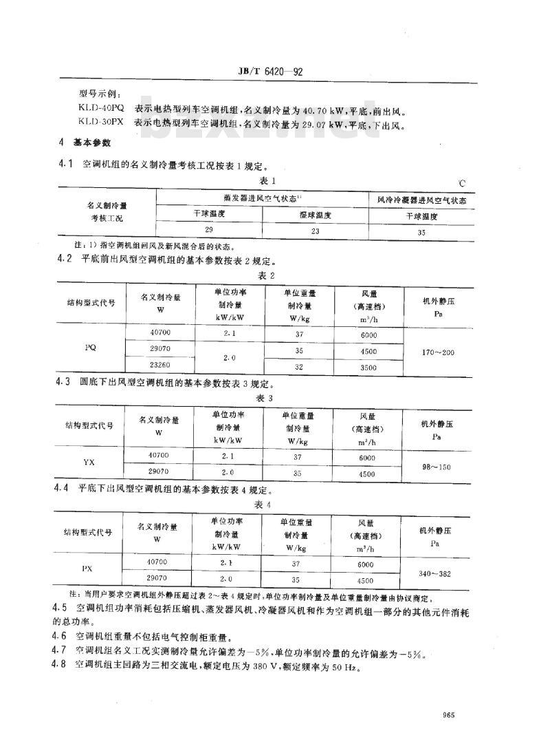
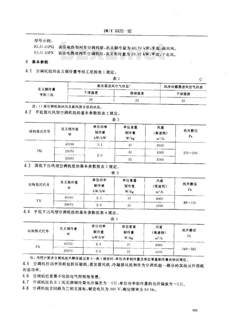
型号示例:
KLD-40PQ
KLD-30PX
基本参数
JB/T6420—92
表示电热型列车空调机组,名义制冷量为40.70kW,平底,前出风。表示电热型列车空调机组,名义制冷量为29.07kW,平底,下出风。4.1空调机组的名义制冷量考核工况按表1规定。表1
名义制冷量
考核工况
蒸发器进风空气状态!
干球温度
注:1)指空调机组回风及新风混合后的状态。4.2平底前出风型空调机组的基本参数按表2规定。表2
结构型式代号
名义制冷量
单位功率
制冷量
圆底下出风型空调机组的基本参数按表3规定。4.3
名义制冷量
结构型式代号
单位功率
制冷量
平底下出风型空调机组的基本参数按表4规定。4.4
名义制冷量
结构型式代号
单位功率
制冷量
湿球温度
单位重量
制冷量
单位重量
制冷量
单位重量
制冷量
风冷冷凝器进风空气状态
干球温度
(高速档)
(速档)
(商速档)
机外静压
170~~200
机外静压
98~150
机外静压
340~382
注:当用户要求空调机组外静压超过表2~表4规定时,单位功率制冷量及单位重量制冷量由协议商定。4.5空调机组功率消耗包括压缩机、蒸发器风机、冷凝器风机和作为空调机组一部分的其他元件消耗的总功率。
4.6空调机组重量不包括电气控制柜重量。4.7空调机组名义工况实测制冷量允许偏差为一5%,单位功率制冷量的允许偏差为一5%。4.8空调机组主回路为三相交流电,额定电压为380V,额定频率为50Hz。965
5技术要求
5.1 一般要求
JB/T 6420—92
空调机组应符合本标准的规定,并按经规定程序批准的图样和技术文件或按协议制造。5.2使用条件
5.2.1环境温度为45C时空调机组在自然条件下应能正常工作。5.2.2空调机组应能在车辆运行的振动、冲击等条件下正常工作。5.3零、部件要求
5.3.1空调机组的活塞式制冷压缩机应符合GB10079或有关标准的规定。并符合车用压缩机的有关要求。
5.3.2空调机组的风机应符合GB/T13274、GB/T13275的规定。5.3.3空调机组的电动机应符合GB755的规定。5.3.4空调机组使用的制冷剂应符合GB7373的规定。5.3.5蒸发器和冷凝器应按有关规定制造。凡属压力容器,还应符合有关压力容器标准的规定。5.3.6空调机组的电气控制系统及元件应符合有关标准的规定。5.3.7空调机组的防风、防水密封垫及减振器应符合有关标准的规定。5.3.8空调机组的壳体及全部管件的材料均应符合有关材料标准要求。壳体应平整,不应有裂纹和焊接缺陷。
5.3.9空调机组的隔热层应具有阻燃性,隔热层应粘贴牢固、平整。5.4结构要求
5.4.1空调机组的排水结构应可靠,在运行中凝结水及雨水不应从机组内渗漏人车厢内,离心风机出风口不应喷雾带水。
5.4.2空调机组两侧设新风口,其开度大小应满足新风量的要求。新风人口处应设百叶片,以防列车运行时雨水从新风口进人车厢内,其滤尘网应装卸方便。5.5装配要求
5.5.1空调机组的制冷系统内部各部件在装配前均应保持清洁、干燥。5.5.2空调机组内各管路、部件应采取必要的定位措施,确保在运输中不发生摩擦、撞击。5.5.3各部件的连接应牢固,不应漏水和油。5.5.4电气线路、电气设备以及自控器件的安装布置应安全、牢固、整齐。5.6性能要求
5.6.1密封性
空调机组系统应连接牢固,不应泄漏制冷剂。5.6.2绝缘电阻
空调机组带电部位对地、对非带电金属部位的绝缘电阻应不小于2MQ。5.6.3电气强度
空调机组带电部位和非带电的金属部位间电气绝缘应能承受电气强度试验,历时1min不应击穿及闪络。
5.6.4最大负荷工况
空调机组在最大负荷工况和电源电压为额定值的一10%时,应能正常启动和工作。5.6.5低温工况
空调机组在低温工况下运行时,蒸发器的风路不应被冰霜堵塞,室内送风应无水滴。5.6.6凝露工况
a。凝结水不应从空调机组中随风吹出。966
b.凝结水应能顺利地从排水孔排出。5.6.7防水性能
JB/T 6420—92
空调机组在作喷淋防水性能试验时,空调机组底部防水密封区域内无漏水。5.6.8 耐振性能
空调机组在振动试验或列车实际运行后,其零部件应不受损坏,紧固件无松动,性能符合要求。5.7安全保护
5.7.1空调机组制冷系统应有过压、欠压、差压、过载和短路、高压、高温、缺风、缺相等保护,且工作应灵敏、可靠。
5.7.2空调机组应有可靠接地。
5.7.3安装有辅助电加热器的空调机组应符合下列要求。a,电加热器应安装牢固。电热元件受摄时,不应触及空调机组的金属部件;b.电加热器周围的零部件应具有足够的耐热性。5.8外观质量
每台空调机组出厂前应进行外观检查,机架、壳体等不应变形,油漆不应擦伤。5.9可靠性
在用户按照产品说明书正确使用与存放空调机组的情况下,制造厂应保证其平均无故障运转时间(MTBF)不少于1a。
5.10保修期
在用户避守产品说明书中各项规定条件下,从制造厂发货之日起18个月内,空调机组确因制造质量不良发生损坏或不能正常工作时,制造厂应免费更换或修理(不包括易损件)。6试验方法
试验工况按表5规定。
蒸发器进风干球温度
蒸发器进风湿球温度
冷凝器进风温度
名义工况
最大负荷工况
6.2工况偏差及测量仪器精度按ZBJ73022中4.2条规定。6.3密封性试验
a.气压检漏
低温工况
凝露工况
向空调机组制冷系统充入压力(表压)为1.8MPa的氮气,保压1h,压力无变化。用肥皂水或其他方法检查各接头处不应泄漏。
b.真空检漏
将空调机组制冷系统抽真空至绝对压力130Pa,5min内压力无变化。c.充注制冷剂检漏
在空调机组制冷系统内的绝对压力不超过400Pa的条件下,向空调机组内充注规定量制冷剂,用卤素灯进行检漏应符合5.6.1条要求。6.4绝缘电阻试验
用500V绝缘电阻计测定空调机组带电部位对非带电金属部位的绝缘电阻应符合5.6.2条要求。6.5电气强度试验
在带电部位和非带电的金属部位之间施加试验电压(1000V+2倍额定电压)应符合5.6.3条967
要求。
JB/T 6420—92
同一产品大量试验无问题时允许采用120%试验电压历时1$代替上述试验。在电机厂已做过介电强度试验时,本试验时可脱开电机端子。6.6运转试验
空调机组与控制柜联动应连续运行4h,分别测量其电压、电流,安全保护装置应灵敏、可靠,无喷雾、漏水。
6.7喷淋试验
将压力高于0.1MPa和不小于200mm/h的降水量均匀地浇酒不少于5rmin,其防水性能应符合5.6.7条要求。
6.8名义制冷量试验及单位输人功率制冷量试验名义制冷量试验及单位输人功率制冷量试验分别按ZBJ73022中的4.3.1.1条及4.3.1.2条规定。
6.9静压试验
空调机组的机外静压试验按ZBJ73022中的4.3.1.3条规定。6.10最大负荷工况试验
a。在额定频率额定电压下,在表5规定中的最大负荷工况下,连续运行2h。b,连续运行2h后切断空调机组全部电源停车3min,在一10%额定电压条件下重新接通电源启动压缩机。应符合5.6.4条要求。6.11低温试验
低温工况试验在表5的低温工况下运转4h,应符合5.6.5条要求。6.12凝露工况试验
凝露试验在表5的凝露工况下运转4h,应符合5.6.6条要求。6.13振动试验
空调机组中制冷压缩机振动试验按车用全封闭压缩机要求进行,整台空调机组的振动试验应按本标准附录A(补充件)在振动试验台上进行或在列车上实际运行考核,应符合5.6.8条要求。6.14热工特性试验
空调机组应有由试验获得的全性能曲线,即在不同的室内侧空气进口湿球温度,室外侧的空气进口干球温度的情况下,测量空调机组的制冷量、输人功率。室内侧进风工况不少于5点,室外侧进风工况不少于2点。7检验规则
7.1一般规定
每台空调机组应经制造厂的检验部门按本标准和有关标准及技术文件检验合格,并附有产品合格证方可出厂。
7.2检验分类
空调机组检验分出厂检验、型式检验和抽样检验。试验方法按第6章的规定。7.3出厂检验
每台空调机组出厂前均应按6.3~6.7条规定进行出厂检验。7.4型式检验
空调机组的试制产品应在出厂试验合格后进行型式检验。可靠性试验以列车实际运行、实地记录方式进行。
每种型号空调机组的试制产品应按6.86.14条规定进行累计不少于150h的型式检验,且应经鉴定合格,当空调机组结构有重大改革时,应重新进行型式检验,并进行工业性试验,以检验改革的968
效果。
7.5抽样检验
JB/T 6420--92
7.5.1:空调机组应由出厂检验合格产品中抽取,按6.8条和6.9条进行检验,7.5.2
一年内的同型号产品数量作为一个检查批量,抽样的时间应均衡分布在1a.中。7.5.3正常成批生产的每种型号的空调机组的检验方案按表6规定的一次抽样方案。表6bzxz.net
>50~100
>100~500
7.6可靠性判据
样本大小n
合格判定数 A。
7.6.1空调机组在按6.13条要求试验后,出现下述情况则认为试验未通过。任何零件(包括所有附件和安装螺栓)的断裂;b.
任何零部件从机组上脱开;
运转不平稳,有异常声响,主机损坏等;制冷剂泄漏;
电气设备短路、断路或击穿;
不合格判定数R。
外壳及零、部件变形,影响设备正常工作。未通过可靠性试验的空调机组,制造厂应采取改进措施,重新进行试验,直至合格为止。8标志、包装和贴存
8.1标志
8.1.1每台空调机组应有耐久性铭牌固定在明显部位。铭牌的尺寸和技术要求应符合GB/T13306的规定,铭牌上应标示下列内容:a.
制造厂名称;
产品型号和名称;
量),
标记。
主要技术性能参数(制冷量、制热量、制冷剂代号及其充注量、电压、频率、相数、总功率和重产品出厂编号;
制造年月。
空调机组上应有标明工作情况的标志(如通风机旋转方问的箭头),指示仪表和控制按钮的8.2出厂文件
每台空调机组出厂时应随带下列技术文件。8.2.1产品合格证,其内容包括:a.
产品型号和名称;
产品出厂编号;
检验和试运结论;
检验员签字和公章;
检验日期。
产品说明书,其内容包括:
JB/T 6420—92
产品型号和名称、适用范围、热工特性曲线等;产品结构示意图、制冷系统图、电路图及接线图;b.
安装说明和要求。
备件目录;
使用说明、维护和保养注意事项。8.2.3装箱单
8.3包装
8.3.1空调机组在包装前应进行清洁处理,并充注额定量的制冷剂,各部件应清洁、于燥,易锈部件应涂防锈剂。
空调机组应外套塑料袋并应固定在箱内,以免运输中受潮和发生机械损伤。空调机组包装箱上应有下列标志:发货站和制造广名称;
到货站和收货单位名称;
产品型号和名称;
净重、毛重;
外形尺寸;
“小心轻放”“向上”“怕湿”和堆放层数等有关包装、储运标志。包装标志应符合GB6388和GB191的有关规定。
8.4贮存
装箱后的空调机组应贮存在通风良好的库房内。970
A1适用范围
JB/T 6420—92
附录A
单元式列车空调机组搬动试验方法(补充件)
本附录规定了列车空调机组在振动试验台上进行的常规振动试验(以下简称振动试验)方法。A2术语
A2.1共振试验
为检验空调机组内某些零、部件是否产生共振,若有共振产生时求出其共振频率的试验。A2.2振动性能试验
为施加振动及尚未施加振动时对零、部件的性能进行比较的试验。A2.3振动耐久试验
在振动的情况下对空调机组的耐久性进行的试验。A3试验条件
A3.1不能单独试验的空调机组或重量超过100kg的零、部件,可以对它们的各个组成部分进行振动试验。
A3.2试验顺序:先做共振试验,再做振动耐久试验,但共振试验与振动性能试验可合并同时进行。A3.3空调机组安装:在试验台上的安装方法与状态应尽量与实际装车情况相同。A3.4空调机组状态:应是经检查各部件完好的空调机组,并能正常工作,试验中,空调机组不工作,但做振动耐久试验时,应对空调机组试验前、后的工作状况进行比较。A3.5施加振动的方法
在空调机组实际安装状态的前后,左右,上下成垂直的三个方向按任意顺序施加单振动,所谓前后、左右、上下方向是指空调机组在车体上安装时分别与车体的前后、左右及上下方向相同的方向。A4试验方法
A4.1共振试验
A4.1.1在表A1所示的频率范围内,使频率连续上升或下降。表Al
注:加速度全振幅为加速度值的两倍。频率范围,Hz
振动大小
全振幅5mm
加速度全振幅0.5g(4.90m/s2)全振幅10mm
加速度全振幅1g(9.81m/s2)
A4.1.2频率变化速度应掌握在不使共振频率遗漏的程度。A4.1.3在最低,最高频率之间往返1次所需的时间应足够长,目的是不应遗漏共振频率。A4.1.4频率往返的次数应在1次以上。A4.1.5振动大小:在低频范围内,全振幅应为定值。在高频范围内,加速度全振幅应为定值。971
JB/T 6420—92
A4.1.6加速度全振幅与振动的全振幅及振动频率之间的关系,见式(A1)。式中:2α—全振幅,mm;
1 000 × 2af2~ 2a × (
2α—
一用自由落体加速度(9.80665m/s2)的倍数来表示的加速度全振幅(g),f—振动频率,Hz。
(Al)
A4.1.7在振动试验台能力不足时可做简单振动试验,按表A2所规定的频率范围及全振幅进行,在该频率范围内使振动频率连续上升和下降。这时,振动频率变化速度、往返次数等与A4.1.2~~A4.1.4条相同。表A2
振动大小
频率范闺,Hz
1~30
全振幅
注:表中最大加速度全振幅为最大振动频率及全振幅的对应值,仅作参考用。A4.2振动耐久试验
振动耐久试验分有共振和无共振两种考
最大加速度全振幅g.m/s2
0.9(8. 83)
1.8(17.7)
振动耐久试验原则上按表A3的B种进行,也可根据试验时间、振动试验台的能力等条件进行A种或C种的试验。
振动耐久试验内容如下:
A4.2.1无共振情况
无共振情况如表A3。
全振幅
振幅g
有共振情况
试验时间
空调机组有一个共振频率
全振幅
振幅g
试验时间
全振幅加速
振幅g
试验时间
在表A1所示的全振幅或共振频率下,对应于加速度全振幅的全振幅为2αmm时,试验按表A4进行,但在共振频率下,对应于加速度全振幅的全振幅应由式(A1)求出。再根据表A3所示的全振幅及表A5所示的试验时间继续进行试验。972
小提示:此标准内容仅展示完整标准里的部分截取内容,若需要完整标准请到上方自行免费下载完整标准文档。
单元式列车空调机组
1主题内容与适用范围
JB/T 6420-- 92
本标准规定了单元式列车空调机组(以下简称空调机组)的型式、基本参数、技术要求、试验方法、检验规则、标志、包装和贮存。
本标准适用于普通铁道客车顶部安装的电动机驱动压缩单元式以R22为制冷剂的风冷式电热型空调机组,特种客车空调机组亦可参照使用。2引用标准
GB 190
GB 755
GB6388
GB7373
GB9237
包装储运图示标记
旋转电机基本技术要求
运输包装收货标志
工业用二氟一氯甲烷
制冷设备通用技术规范
GB 10079
全封闭活塞制冷压缩机
GB/T 13306
GB3/T 13274
GB/T 13275
ZB J73 022
ZBJ73025
般用途轴流通风机技术条件
一般用途离心通风机技术条件
单元式空气调节机试验方法
制冷机型号编制方法
ZBJ73046
单元式空气调节机技术条件
3型式
3.1空调机组结构型式
3.1.1按外形分为平底圆项和圆底圆顶两种。3.1.2按出风方式分为前出风和下出风两种。3.2空调机组型号编制方法除应符合ZBJ73025的规定外,还应符合以下规定。KLD-
出风方式,前出风用Q、下出风用X表示空调机组结构型式:平底用P、圆底用Y表示名义制冷量:用阿拉伯数字(取整数)表示,单位kW(见表2~4)电热型列车空调机组代号
中华人民共和国机械电子工业部1992-07-20批准964
1993-01-01实施
型号示例:
KLD-40PQ
KLD-30PX
基本参数
JB/T6420—92
表示电热型列车空调机组,名义制冷量为40.70kW,平底,前出风。表示电热型列车空调机组,名义制冷量为29.07kW,平底,下出风。4.1空调机组的名义制冷量考核工况按表1规定。表1
名义制冷量
考核工况
蒸发器进风空气状态!
干球温度
注:1)指空调机组回风及新风混合后的状态。4.2平底前出风型空调机组的基本参数按表2规定。表2
结构型式代号
名义制冷量
单位功率
制冷量
圆底下出风型空调机组的基本参数按表3规定。4.3
名义制冷量
结构型式代号
单位功率
制冷量
平底下出风型空调机组的基本参数按表4规定。4.4
名义制冷量
结构型式代号
单位功率
制冷量
湿球温度
单位重量
制冷量
单位重量
制冷量
单位重量
制冷量
风冷冷凝器进风空气状态
干球温度
(高速档)
(速档)
(商速档)
机外静压
170~~200
机外静压
98~150
机外静压
340~382
注:当用户要求空调机组外静压超过表2~表4规定时,单位功率制冷量及单位重量制冷量由协议商定。4.5空调机组功率消耗包括压缩机、蒸发器风机、冷凝器风机和作为空调机组一部分的其他元件消耗的总功率。
4.6空调机组重量不包括电气控制柜重量。4.7空调机组名义工况实测制冷量允许偏差为一5%,单位功率制冷量的允许偏差为一5%。4.8空调机组主回路为三相交流电,额定电压为380V,额定频率为50Hz。965
5技术要求
5.1 一般要求
JB/T 6420—92
空调机组应符合本标准的规定,并按经规定程序批准的图样和技术文件或按协议制造。5.2使用条件
5.2.1环境温度为45C时空调机组在自然条件下应能正常工作。5.2.2空调机组应能在车辆运行的振动、冲击等条件下正常工作。5.3零、部件要求
5.3.1空调机组的活塞式制冷压缩机应符合GB10079或有关标准的规定。并符合车用压缩机的有关要求。
5.3.2空调机组的风机应符合GB/T13274、GB/T13275的规定。5.3.3空调机组的电动机应符合GB755的规定。5.3.4空调机组使用的制冷剂应符合GB7373的规定。5.3.5蒸发器和冷凝器应按有关规定制造。凡属压力容器,还应符合有关压力容器标准的规定。5.3.6空调机组的电气控制系统及元件应符合有关标准的规定。5.3.7空调机组的防风、防水密封垫及减振器应符合有关标准的规定。5.3.8空调机组的壳体及全部管件的材料均应符合有关材料标准要求。壳体应平整,不应有裂纹和焊接缺陷。
5.3.9空调机组的隔热层应具有阻燃性,隔热层应粘贴牢固、平整。5.4结构要求
5.4.1空调机组的排水结构应可靠,在运行中凝结水及雨水不应从机组内渗漏人车厢内,离心风机出风口不应喷雾带水。
5.4.2空调机组两侧设新风口,其开度大小应满足新风量的要求。新风人口处应设百叶片,以防列车运行时雨水从新风口进人车厢内,其滤尘网应装卸方便。5.5装配要求
5.5.1空调机组的制冷系统内部各部件在装配前均应保持清洁、干燥。5.5.2空调机组内各管路、部件应采取必要的定位措施,确保在运输中不发生摩擦、撞击。5.5.3各部件的连接应牢固,不应漏水和油。5.5.4电气线路、电气设备以及自控器件的安装布置应安全、牢固、整齐。5.6性能要求
5.6.1密封性
空调机组系统应连接牢固,不应泄漏制冷剂。5.6.2绝缘电阻
空调机组带电部位对地、对非带电金属部位的绝缘电阻应不小于2MQ。5.6.3电气强度
空调机组带电部位和非带电的金属部位间电气绝缘应能承受电气强度试验,历时1min不应击穿及闪络。
5.6.4最大负荷工况
空调机组在最大负荷工况和电源电压为额定值的一10%时,应能正常启动和工作。5.6.5低温工况
空调机组在低温工况下运行时,蒸发器的风路不应被冰霜堵塞,室内送风应无水滴。5.6.6凝露工况
a。凝结水不应从空调机组中随风吹出。966
b.凝结水应能顺利地从排水孔排出。5.6.7防水性能
JB/T 6420—92
空调机组在作喷淋防水性能试验时,空调机组底部防水密封区域内无漏水。5.6.8 耐振性能
空调机组在振动试验或列车实际运行后,其零部件应不受损坏,紧固件无松动,性能符合要求。5.7安全保护
5.7.1空调机组制冷系统应有过压、欠压、差压、过载和短路、高压、高温、缺风、缺相等保护,且工作应灵敏、可靠。
5.7.2空调机组应有可靠接地。
5.7.3安装有辅助电加热器的空调机组应符合下列要求。a,电加热器应安装牢固。电热元件受摄时,不应触及空调机组的金属部件;b.电加热器周围的零部件应具有足够的耐热性。5.8外观质量
每台空调机组出厂前应进行外观检查,机架、壳体等不应变形,油漆不应擦伤。5.9可靠性
在用户按照产品说明书正确使用与存放空调机组的情况下,制造厂应保证其平均无故障运转时间(MTBF)不少于1a。
5.10保修期
在用户避守产品说明书中各项规定条件下,从制造厂发货之日起18个月内,空调机组确因制造质量不良发生损坏或不能正常工作时,制造厂应免费更换或修理(不包括易损件)。6试验方法
试验工况按表5规定。
蒸发器进风干球温度
蒸发器进风湿球温度
冷凝器进风温度
名义工况
最大负荷工况
6.2工况偏差及测量仪器精度按ZBJ73022中4.2条规定。6.3密封性试验
a.气压检漏
低温工况
凝露工况
向空调机组制冷系统充入压力(表压)为1.8MPa的氮气,保压1h,压力无变化。用肥皂水或其他方法检查各接头处不应泄漏。
b.真空检漏
将空调机组制冷系统抽真空至绝对压力130Pa,5min内压力无变化。c.充注制冷剂检漏
在空调机组制冷系统内的绝对压力不超过400Pa的条件下,向空调机组内充注规定量制冷剂,用卤素灯进行检漏应符合5.6.1条要求。6.4绝缘电阻试验
用500V绝缘电阻计测定空调机组带电部位对非带电金属部位的绝缘电阻应符合5.6.2条要求。6.5电气强度试验
在带电部位和非带电的金属部位之间施加试验电压(1000V+2倍额定电压)应符合5.6.3条967
要求。
JB/T 6420—92
同一产品大量试验无问题时允许采用120%试验电压历时1$代替上述试验。在电机厂已做过介电强度试验时,本试验时可脱开电机端子。6.6运转试验
空调机组与控制柜联动应连续运行4h,分别测量其电压、电流,安全保护装置应灵敏、可靠,无喷雾、漏水。
6.7喷淋试验
将压力高于0.1MPa和不小于200mm/h的降水量均匀地浇酒不少于5rmin,其防水性能应符合5.6.7条要求。
6.8名义制冷量试验及单位输人功率制冷量试验名义制冷量试验及单位输人功率制冷量试验分别按ZBJ73022中的4.3.1.1条及4.3.1.2条规定。
6.9静压试验
空调机组的机外静压试验按ZBJ73022中的4.3.1.3条规定。6.10最大负荷工况试验
a。在额定频率额定电压下,在表5规定中的最大负荷工况下,连续运行2h。b,连续运行2h后切断空调机组全部电源停车3min,在一10%额定电压条件下重新接通电源启动压缩机。应符合5.6.4条要求。6.11低温试验
低温工况试验在表5的低温工况下运转4h,应符合5.6.5条要求。6.12凝露工况试验
凝露试验在表5的凝露工况下运转4h,应符合5.6.6条要求。6.13振动试验
空调机组中制冷压缩机振动试验按车用全封闭压缩机要求进行,整台空调机组的振动试验应按本标准附录A(补充件)在振动试验台上进行或在列车上实际运行考核,应符合5.6.8条要求。6.14热工特性试验
空调机组应有由试验获得的全性能曲线,即在不同的室内侧空气进口湿球温度,室外侧的空气进口干球温度的情况下,测量空调机组的制冷量、输人功率。室内侧进风工况不少于5点,室外侧进风工况不少于2点。7检验规则
7.1一般规定
每台空调机组应经制造厂的检验部门按本标准和有关标准及技术文件检验合格,并附有产品合格证方可出厂。
7.2检验分类
空调机组检验分出厂检验、型式检验和抽样检验。试验方法按第6章的规定。7.3出厂检验
每台空调机组出厂前均应按6.3~6.7条规定进行出厂检验。7.4型式检验
空调机组的试制产品应在出厂试验合格后进行型式检验。可靠性试验以列车实际运行、实地记录方式进行。
每种型号空调机组的试制产品应按6.86.14条规定进行累计不少于150h的型式检验,且应经鉴定合格,当空调机组结构有重大改革时,应重新进行型式检验,并进行工业性试验,以检验改革的968
效果。
7.5抽样检验
JB/T 6420--92
7.5.1:空调机组应由出厂检验合格产品中抽取,按6.8条和6.9条进行检验,7.5.2
一年内的同型号产品数量作为一个检查批量,抽样的时间应均衡分布在1a.中。7.5.3正常成批生产的每种型号的空调机组的检验方案按表6规定的一次抽样方案。表6bzxz.net
>50~100
>100~500
7.6可靠性判据
样本大小n
合格判定数 A。
7.6.1空调机组在按6.13条要求试验后,出现下述情况则认为试验未通过。任何零件(包括所有附件和安装螺栓)的断裂;b.
任何零部件从机组上脱开;
运转不平稳,有异常声响,主机损坏等;制冷剂泄漏;
电气设备短路、断路或击穿;
不合格判定数R。
外壳及零、部件变形,影响设备正常工作。未通过可靠性试验的空调机组,制造厂应采取改进措施,重新进行试验,直至合格为止。8标志、包装和贴存
8.1标志
8.1.1每台空调机组应有耐久性铭牌固定在明显部位。铭牌的尺寸和技术要求应符合GB/T13306的规定,铭牌上应标示下列内容:a.
制造厂名称;
产品型号和名称;
量),
标记。
主要技术性能参数(制冷量、制热量、制冷剂代号及其充注量、电压、频率、相数、总功率和重产品出厂编号;
制造年月。
空调机组上应有标明工作情况的标志(如通风机旋转方问的箭头),指示仪表和控制按钮的8.2出厂文件
每台空调机组出厂时应随带下列技术文件。8.2.1产品合格证,其内容包括:a.
产品型号和名称;
产品出厂编号;
检验和试运结论;
检验员签字和公章;
检验日期。
产品说明书,其内容包括:
JB/T 6420—92
产品型号和名称、适用范围、热工特性曲线等;产品结构示意图、制冷系统图、电路图及接线图;b.
安装说明和要求。
备件目录;
使用说明、维护和保养注意事项。8.2.3装箱单
8.3包装
8.3.1空调机组在包装前应进行清洁处理,并充注额定量的制冷剂,各部件应清洁、于燥,易锈部件应涂防锈剂。
空调机组应外套塑料袋并应固定在箱内,以免运输中受潮和发生机械损伤。空调机组包装箱上应有下列标志:发货站和制造广名称;
到货站和收货单位名称;
产品型号和名称;
净重、毛重;
外形尺寸;
“小心轻放”“向上”“怕湿”和堆放层数等有关包装、储运标志。包装标志应符合GB6388和GB191的有关规定。
8.4贮存
装箱后的空调机组应贮存在通风良好的库房内。970
A1适用范围
JB/T 6420—92
附录A
单元式列车空调机组搬动试验方法(补充件)
本附录规定了列车空调机组在振动试验台上进行的常规振动试验(以下简称振动试验)方法。A2术语
A2.1共振试验
为检验空调机组内某些零、部件是否产生共振,若有共振产生时求出其共振频率的试验。A2.2振动性能试验
为施加振动及尚未施加振动时对零、部件的性能进行比较的试验。A2.3振动耐久试验
在振动的情况下对空调机组的耐久性进行的试验。A3试验条件
A3.1不能单独试验的空调机组或重量超过100kg的零、部件,可以对它们的各个组成部分进行振动试验。
A3.2试验顺序:先做共振试验,再做振动耐久试验,但共振试验与振动性能试验可合并同时进行。A3.3空调机组安装:在试验台上的安装方法与状态应尽量与实际装车情况相同。A3.4空调机组状态:应是经检查各部件完好的空调机组,并能正常工作,试验中,空调机组不工作,但做振动耐久试验时,应对空调机组试验前、后的工作状况进行比较。A3.5施加振动的方法
在空调机组实际安装状态的前后,左右,上下成垂直的三个方向按任意顺序施加单振动,所谓前后、左右、上下方向是指空调机组在车体上安装时分别与车体的前后、左右及上下方向相同的方向。A4试验方法
A4.1共振试验
A4.1.1在表A1所示的频率范围内,使频率连续上升或下降。表Al
注:加速度全振幅为加速度值的两倍。频率范围,Hz
振动大小
全振幅5mm
加速度全振幅0.5g(4.90m/s2)全振幅10mm
加速度全振幅1g(9.81m/s2)
A4.1.2频率变化速度应掌握在不使共振频率遗漏的程度。A4.1.3在最低,最高频率之间往返1次所需的时间应足够长,目的是不应遗漏共振频率。A4.1.4频率往返的次数应在1次以上。A4.1.5振动大小:在低频范围内,全振幅应为定值。在高频范围内,加速度全振幅应为定值。971
JB/T 6420—92
A4.1.6加速度全振幅与振动的全振幅及振动频率之间的关系,见式(A1)。式中:2α—全振幅,mm;
1 000 × 2af2~ 2a × (
2α—
一用自由落体加速度(9.80665m/s2)的倍数来表示的加速度全振幅(g),f—振动频率,Hz。
(Al)
A4.1.7在振动试验台能力不足时可做简单振动试验,按表A2所规定的频率范围及全振幅进行,在该频率范围内使振动频率连续上升和下降。这时,振动频率变化速度、往返次数等与A4.1.2~~A4.1.4条相同。表A2
振动大小
频率范闺,Hz
1~30
全振幅
注:表中最大加速度全振幅为最大振动频率及全振幅的对应值,仅作参考用。A4.2振动耐久试验
振动耐久试验分有共振和无共振两种考
最大加速度全振幅g.m/s2
0.9(8. 83)
1.8(17.7)
振动耐久试验原则上按表A3的B种进行,也可根据试验时间、振动试验台的能力等条件进行A种或C种的试验。
振动耐久试验内容如下:
A4.2.1无共振情况
无共振情况如表A3。
全振幅
振幅g
有共振情况
试验时间
空调机组有一个共振频率
全振幅
振幅g
试验时间
全振幅加速
振幅g
试验时间
在表A1所示的全振幅或共振频率下,对应于加速度全振幅的全振幅为2αmm时,试验按表A4进行,但在共振频率下,对应于加速度全振幅的全振幅应由式(A1)求出。再根据表A3所示的全振幅及表A5所示的试验时间继续进行试验。972
小提示:此标准内容仅展示完整标准里的部分截取内容,若需要完整标准请到上方自行免费下载完整标准文档。

标准图片预览:





- 其它标准
- 热门标准
- 机械行业标准(JB)
- JB/T6882-2006 泵可靠性验证试验
- JB/T9592.2-1999 全金属12角法兰面锁紧螺母 技术条件
- JB/T4718-1992 管壳式换热器用金属包垫片
- JB8734.2-1998 额定电压 450/750V及以下聚氯乙烯绝缘电缆电线和软线第2部分: 固定布线用电缆电线
- JB/T10325-2002 锅炉除氧器 技术条件
- JB/T10187-2011 滚动轴承 深沟球轴承振动
- JB/T7991.4-2001 电镀超硬磨料制品 磨头
- JB/T8528-1997 普通型阀门电动装置 技术条件
- JBJ10-1996 机械工厂采暖通风与空气调节设计规范
- JB/T2740-2008 工业机械电气设备 电气图、图解和表的绘制
- JB/T82.1-1994 凸面对焊钢制管法兰
- JB/T6313.2-1992 电工铜编织线 斜纹编织线
- JB/T10472-2005 光轮压路机
- JB/T5917-2006 袋式除尘器用滤袋框架
- JB/T6504-1992 汽轮机油漆 典型工艺
- 行业新闻
请牢记:“bzxz.net”即是“标准下载”四个汉字汉语拼音首字母与国际顶级域名“.net”的组合。 ©2009 标准下载网 www.bzxz.net 本站邮件:bzxznet@163.com
网站备案号:湘ICP备2023016450号-1
网站备案号:湘ICP备2023016450号-1