- 您的位置:
- 标准下载网 >>
- 标准分类 >>
- 电子行业标准(SJ) >>
- SJ 51438.5-1995 PM23型接触件间距为1.905mm的印制电路插头连接器详细规范
标准号:
SJ 51438.5-1995
标准名称:
PM23型接触件间距为1.905mm的印制电路插头连接器详细规范
标准类别:
电子行业标准(SJ)
标准状态:
现行出版语种:
简体中文下载格式:
.rar .pdf下载大小:
305.31 KB
点击下载
标准简介:
标准下载解压密码:www.bzxz.net
SJ 51438.5-1995 PM23型接触件间距为1.905mm的印制电路插头连接器详细规范 SJ51438.5-1995
部分标准内容:
中华人民共和国电子行业军用标准FL5935
SJ51438.5-1995
PM23型接触件间距为1.905mm
的印制电路插头连接器
详细规范
Connectors, plug type PM23, for printed circuit(1.905mm spacing) detil specification for1995-05-25发布
1995-12-01实施
中华人民共和国电子工业部批准中华人民共和国电子行业军用标准PM23型接触件间距为1.905mm的
印制电路插头连接器
详细规范
Connectors,plugtypePM23,
for printed circuit(1.905mm spacing),detil specificationfor
SJ51438.5-1995
本规范规定的连接器,其全部要求由本规范和GJB1438一92印制电路连接器及附件总规范>作出规定。
1范围
1.1主题内容
本规范规定了PM23型印制电路插头连接器(以下简称插头连接器)的设计和结构、外形和安装尺寸、定位形式及要求。1.2适用范围
本规范适用于供电子设备中印制电路连接用的PM23型插头连接器。该连接器接触件间距为1.905mm,其接触件数为以10递增的10至120、150、160和180等,与和SI51438.3和SJ51438.6中规定的相应PM24或PM25型插座连接器插配使用。1.3型号表示方法
本规范包括的连接器型号由类型号、序号和规格号组成,其表示方法示例如下:PM23-01
规格号(见表1和表2)
类型代号
2引用文件
GJB1438—1992
SJ51438.6-1995
印制电路连接器及附件总规范
PM24型接触件间距为1.905mm的印制电路插座连接器详细规范
中华人民共和国电子工业部1995-05-25发布1995-12-01实施
或例角
ti-+61t
0f-0+82
SI51438.5-1995
2-42.44+0.13
内部定位插头连接器
接触件锡焊端
(0.15×0.76)
插针防护罩
SJ51438.5-1995
印制电路板
(1.37~1.78)
0.64±0.02
0.51±0.05
6.86±0.51
0.75±0.05
印制电路板端接尺寸
续图1
2-$2.77+0.10
SJ51438.5-1995
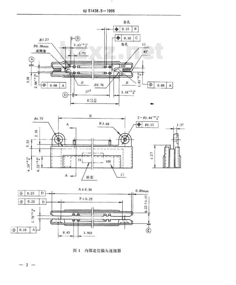
注:除非另有规定,所有末注公差的尺寸其公差为土0.13mm,角度公差为±2。1)在侧面每5个接触件孔位印上邻近一排接触件孔位的数字标记;在插合面各排端头印上接触件孔位的数字标记(见表1)。
2)D=C×1.905mm,C为每排接触件孔位间隔数。3)印制电路板焊接区最小长度。4)端接电路设计按0.635mm标准网格。续图1
SJ51438.3—1995
3要求
3.1设计和结构
3.1.1内部定位插头连接器
PM25型接触件间距为1.905mm的印制电路插座连接器详细规范
内部定位插头连接器的外形及尺寸应符合图1和表1的规定。表1
接触件
规格号
外部定位插头连接器
外部定位插头连接器的外形及尺寸应符合图2和表2的规定。4
接触件
孔位号
16—30
51-100
1—55
56-110
61-120
76-150
81-160免费标准下载网bzxz
91-180
2.06*0.00
3.43+0.13
或倒角
2-2.440.13
ei-a61t
SJ51438.5-1995
E+8:13
3.18+0.13
图2外部定位插头连接器
of-o82
注:①除非另有规定,所有未注公差的尺寸其公差为±0.13mm,角度公差为±2°。2a-0
1)在侧面每5个接触件孔位印上邻近一排接触件孔位的数字标记;在插合面各排端头印上接触件孔位的数字标记(见表2)。
2)模压定位标记。
3)D=C×1.905mm,C为每排接触件孔位间隔数。5
SJ51438.5-1995
4)A一A面及印制电路板端接尺寸同图1。续图2
接触件
规格号
接触件
孔位号
6—10
1—10
16—30
26—50
1—30
31—60
36—70
1—40
46—90
1—50
51-100
56-110
61—120
76-150
81-160
91-180
3.2表面处理
3.2.1接触件
SJ51438.5-1995
应按GIB1438的规定,在接触件插合部分(最小长度3.81mm)的镍底层上镀金,在接触件尾部焊接部分(最小长度4.06mm)的镍底层上镀锡铝合金,其最小长度为2.03mm,接触件其余部分镀镍。
3.2.2插针防护罩
铝合金插针防护罩应按规定进行阳极化处理或涂覆复厚度为0.025至0.076mm的环氧树脂。
3.3接触件孔位号
按图1、表1和图2、表2的规定。3.4额定电流
在温度为42℃时,每一接触件最大电流为3A,连续工作时为2.25A。3.5定位
3.5.1内部定位
PM23—01至PM2315型插头连接器可采用3.5.1.1或3.5.1.2条中所规定的内部定位形式(定位套或定位销)。
3.5.1.1定位套
定位套尺寸如图3所示,采用H62黄铜制造,表面镀镍,其装配方式见图4,用胶合剂将2个定位套分别粘合到选定位置(每端前6位除外)的连接器插针接触件上。3.5.1.2定位销
定位销采用H62黄铜制造,表面镀镍,其尺寸见图5,装配方式见图6,卸去连接器中选定位置(每端前6位除外)上的2个插针接触件并插入定位销,将其打弯卡在基座边缘并修平。80+8.0
6.35±0.13
图3定位套
插座连接器组件
5.77±0.13
插鹿连接器组件
SJ51438.5-1995
这些位置
不用于定位
扩孔+1.57
定位套
(粘合在插针接触件上)
图4定位套的装配
17.78±0.38
图5定位销
这些位置
不用于定位
定位销
卸去接触件
图6定位销的装配
插针连接器组件
插头连接器组件
3.5.2外部定位
SJ51438.5-1995
PM23一16至PM23-30型插头连接器采用如图7所示的外部定位键定位,定位键用不锈钢制造并进行钝化处理,其装配方式见图9,将定位键装入由定位槽指示的号码位置内(所示为6号位)并用铆钉固定,固定钉用H62黄铜制造并镀镍,尺寸见图8。3>
定位指标
外部定位键
图8定位键固定铆钉
安装螺钉
(2件)
插座连接器组件
3.6插合力和分离力
SJ51438.5-1995
定位键
(4件)
.插头连接器组件
图9外部定位键的装配
定位键固定铆钉
(2件)
连接器最大插合力应为接触件数乘以1.11N:最小分离力应为接触件数乘以0.11N,并且应不大于测出的插合力。
3.7接触电阻
每一接触对的接触电阻应符合表3规定。表3
最大平均值
3.8接触件固定性
接触件应能承受不小于13.34N的轴向负荷。3.9介质耐压
介质耐压应符合表4规定。
海拨高度
海平面
最大值
附加说明:
SJ51438.5-1995
本规范由中国电子技术标准化研究所归口。本规范由国营第七九六厂起草。本规范主要起草人:汪其龙、陈永利、肖阳川、杨琴秀、张开健。计划项目代号:B32013。
小提示:此标准内容仅展示完整标准里的部分截取内容,若需要完整标准请到上方自行免费下载完整标准文档。
SJ51438.5-1995
PM23型接触件间距为1.905mm
的印制电路插头连接器
详细规范
Connectors, plug type PM23, for printed circuit(1.905mm spacing) detil specification for1995-05-25发布
1995-12-01实施
中华人民共和国电子工业部批准中华人民共和国电子行业军用标准PM23型接触件间距为1.905mm的
印制电路插头连接器
详细规范
Connectors,plugtypePM23,
for printed circuit(1.905mm spacing),detil specificationfor
SJ51438.5-1995
本规范规定的连接器,其全部要求由本规范和GJB1438一92印制电路连接器及附件总规范>作出规定。
1范围
1.1主题内容
本规范规定了PM23型印制电路插头连接器(以下简称插头连接器)的设计和结构、外形和安装尺寸、定位形式及要求。1.2适用范围
本规范适用于供电子设备中印制电路连接用的PM23型插头连接器。该连接器接触件间距为1.905mm,其接触件数为以10递增的10至120、150、160和180等,与和SI51438.3和SJ51438.6中规定的相应PM24或PM25型插座连接器插配使用。1.3型号表示方法
本规范包括的连接器型号由类型号、序号和规格号组成,其表示方法示例如下:PM23-01
规格号(见表1和表2)
类型代号
2引用文件
GJB1438—1992
SJ51438.6-1995
印制电路连接器及附件总规范
PM24型接触件间距为1.905mm的印制电路插座连接器详细规范
中华人民共和国电子工业部1995-05-25发布1995-12-01实施
或例角
ti-+61t
0f-0+82
SI51438.5-1995
2-42.44+0.13
内部定位插头连接器
接触件锡焊端
(0.15×0.76)
插针防护罩
SJ51438.5-1995
印制电路板
(1.37~1.78)
0.64±0.02
0.51±0.05
6.86±0.51
0.75±0.05
印制电路板端接尺寸
续图1
2-$2.77+0.10
SJ51438.5-1995
注:除非另有规定,所有末注公差的尺寸其公差为土0.13mm,角度公差为±2。1)在侧面每5个接触件孔位印上邻近一排接触件孔位的数字标记;在插合面各排端头印上接触件孔位的数字标记(见表1)。
2)D=C×1.905mm,C为每排接触件孔位间隔数。3)印制电路板焊接区最小长度。4)端接电路设计按0.635mm标准网格。续图1
SJ51438.3—1995
3要求
3.1设计和结构
3.1.1内部定位插头连接器
PM25型接触件间距为1.905mm的印制电路插座连接器详细规范
内部定位插头连接器的外形及尺寸应符合图1和表1的规定。表1
接触件
规格号
外部定位插头连接器
外部定位插头连接器的外形及尺寸应符合图2和表2的规定。4
接触件
孔位号
16—30
51-100
1—55
56-110
61-120
76-150
81-160免费标准下载网bzxz
91-180
2.06*0.00
3.43+0.13
或倒角
2-2.440.13
ei-a61t
SJ51438.5-1995
E+8:13
3.18+0.13
图2外部定位插头连接器
of-o82
注:①除非另有规定,所有未注公差的尺寸其公差为±0.13mm,角度公差为±2°。2a-0
1)在侧面每5个接触件孔位印上邻近一排接触件孔位的数字标记;在插合面各排端头印上接触件孔位的数字标记(见表2)。
2)模压定位标记。
3)D=C×1.905mm,C为每排接触件孔位间隔数。5
SJ51438.5-1995
4)A一A面及印制电路板端接尺寸同图1。续图2
接触件
规格号
接触件
孔位号
6—10
1—10
16—30
26—50
1—30
31—60
36—70
1—40
46—90
1—50
51-100
56-110
61—120
76-150
81-160
91-180
3.2表面处理
3.2.1接触件
SJ51438.5-1995
应按GIB1438的规定,在接触件插合部分(最小长度3.81mm)的镍底层上镀金,在接触件尾部焊接部分(最小长度4.06mm)的镍底层上镀锡铝合金,其最小长度为2.03mm,接触件其余部分镀镍。
3.2.2插针防护罩
铝合金插针防护罩应按规定进行阳极化处理或涂覆复厚度为0.025至0.076mm的环氧树脂。
3.3接触件孔位号
按图1、表1和图2、表2的规定。3.4额定电流
在温度为42℃时,每一接触件最大电流为3A,连续工作时为2.25A。3.5定位
3.5.1内部定位
PM23—01至PM2315型插头连接器可采用3.5.1.1或3.5.1.2条中所规定的内部定位形式(定位套或定位销)。
3.5.1.1定位套
定位套尺寸如图3所示,采用H62黄铜制造,表面镀镍,其装配方式见图4,用胶合剂将2个定位套分别粘合到选定位置(每端前6位除外)的连接器插针接触件上。3.5.1.2定位销
定位销采用H62黄铜制造,表面镀镍,其尺寸见图5,装配方式见图6,卸去连接器中选定位置(每端前6位除外)上的2个插针接触件并插入定位销,将其打弯卡在基座边缘并修平。80+8.0
6.35±0.13
图3定位套
插座连接器组件
5.77±0.13
插鹿连接器组件
SJ51438.5-1995
这些位置
不用于定位
扩孔+1.57
定位套
(粘合在插针接触件上)
图4定位套的装配
17.78±0.38
图5定位销
这些位置
不用于定位
定位销
卸去接触件
图6定位销的装配
插针连接器组件
插头连接器组件
3.5.2外部定位
SJ51438.5-1995
PM23一16至PM23-30型插头连接器采用如图7所示的外部定位键定位,定位键用不锈钢制造并进行钝化处理,其装配方式见图9,将定位键装入由定位槽指示的号码位置内(所示为6号位)并用铆钉固定,固定钉用H62黄铜制造并镀镍,尺寸见图8。3>
定位指标
外部定位键
图8定位键固定铆钉
安装螺钉
(2件)
插座连接器组件
3.6插合力和分离力
SJ51438.5-1995
定位键
(4件)
.插头连接器组件
图9外部定位键的装配
定位键固定铆钉
(2件)
连接器最大插合力应为接触件数乘以1.11N:最小分离力应为接触件数乘以0.11N,并且应不大于测出的插合力。
3.7接触电阻
每一接触对的接触电阻应符合表3规定。表3
最大平均值
3.8接触件固定性
接触件应能承受不小于13.34N的轴向负荷。3.9介质耐压
介质耐压应符合表4规定。
海拨高度
海平面
最大值
附加说明:
SJ51438.5-1995
本规范由中国电子技术标准化研究所归口。本规范由国营第七九六厂起草。本规范主要起草人:汪其龙、陈永利、肖阳川、杨琴秀、张开健。计划项目代号:B32013。
小提示:此标准内容仅展示完整标准里的部分截取内容,若需要完整标准请到上方自行免费下载完整标准文档。
标准图片预览:





- 热门标准
- 行业标准
- SJ675-1983 DM-346电真空玻璃主要技术数据
- SJ50681.76-1994 SMC系列(不接电缆)插针接触件印制电路板用2级射频同轴插座连接器详细规范
- SJ/T31439-1994 除湿机完好要求和检查评定方法
- SJ/T10588.12-1994 DB-438型电子玻璃技术数据
- SJ1805-1981 2CC126型硅调频变容二极管
- SJ20646-1997 混合集成电路DC/DC变换器测试方法
- SJ/T31344-1994 GP3.5kW高频感应加热机完好要求和检查评定方法
- SJ/T31445-1994 热力管道完好要求和检查评定方法
- SJ/T10586.3-1994 DW-217型电子玻璃技术数据
- SJ/T10783-1996 电子器件详细规范 半导体集成电路CD7176CP伴音中频放大电路(可供认证用)
- SJ1553-1980 测温型负温度系数热敏电阻器总技术条件
- SJ2241.7-1982 CWT9J型同心型微调电容器
- SJ2674-1986 电子器件详细规范 低功率非线绕固定电阻器RJ16型金属膜固定电阻器 评定水平E
- SJ3006.3-1988 组合冲模 下圆角刃口
- SJ3003.5-1988 组合冲模 圆形刃口
- 行业新闻
请牢记:“bzxz.net”即是“标准下载”四个汉字汉语拼音首字母与国际顶级域名“.net”的组合。 ©2025 标准下载网 www.bzxz.net 本站邮件:bzxznet@163.com
网站备案号:湘ICP备2025141790号-2
网站备案号:湘ICP备2025141790号-2