- 您的位置:
- 标准下载网 >>
- 标准分类 >>
- 机械行业标准(JB) >>
- JB/T 6384.1-1992 锥密封焊接式隔壁直角管接头
标准号:
JB/T 6384.1-1992
标准名称:
锥密封焊接式隔壁直角管接头
标准类别:
机械行业标准(JB)
英文名称:
Cone seal welded bulkhead right angle pipe joint标准状态:
已作废-
发布日期:
1992-07-14 -
实施日期:
1993-07-01 -
作废日期:
2007-09-01 出版语种:
简体中文下载格式:
.rar.pdf下载大小:
388.01 KB
替代情况:
被JB/T 6384.1-2007替代
点击下载
标准简介:
标准下载解压密码:www.bzxz.net
本标准规定了锥密封焊接式隔壁直角管头的分类。 JB/T 6384.1-1992 锥密封焊接式隔壁直角管接头 JB/T6384.1-1992
部分标准内容:
中华人民共和国机械行业标准
JB/T 6384.1-1992
锥密封焊接式隔壁直角管接头
1992-07-14发布
中华人民共和国机械电子工业部1993-07-01实施
中华人民共和国机械行业标准
锥密封焊接式隔壁直角管接头
1主题内容与适用范围
本标准规定了锥密封焊接式隔壁直角管接头的分类。JB/T 6384.11992
本标准适用于以油、气为介质管路系统中的锥密封焊接式隔壁直角管接头。公称压力PN≤31.5MPa,工作温度-25~+80℃。
2引用标准
GB1414
GB2346
GB2878
GB5865
JB/T6386
3产品分类
管路旋入端用普通螺纹尺寸系列液压气动系统及元件公称压力系列液压气动系统和元件油(气)口连接螺纹尺寸润滑系统及元件基本参数
锥密封焊接式管接头技术条件
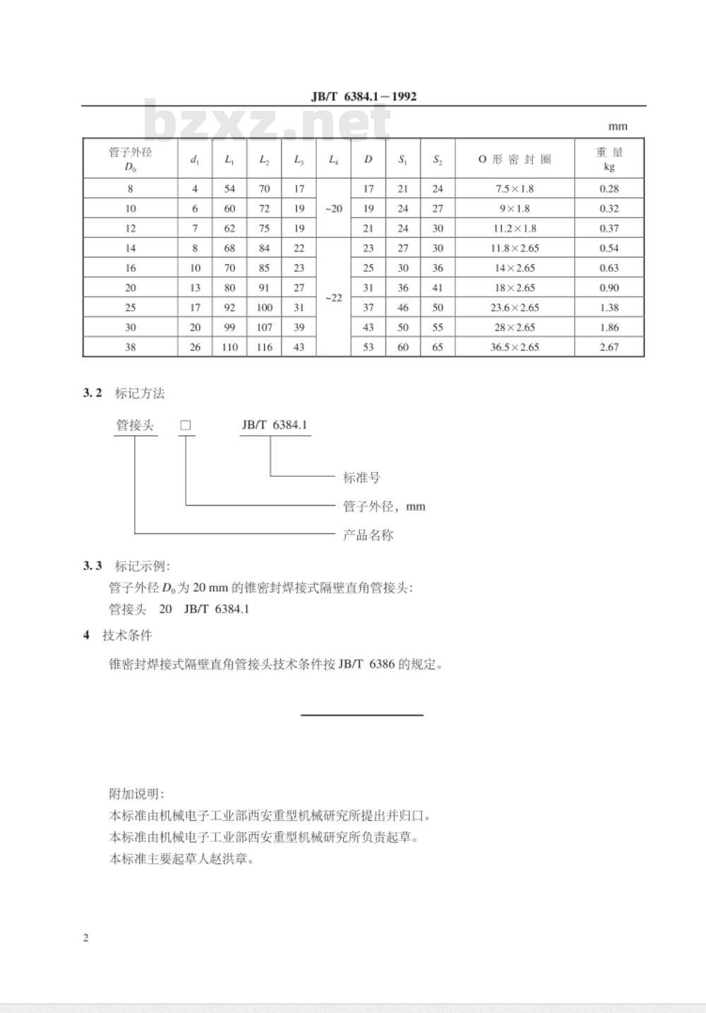
锥密封焊接式隔壁直角管接头的型式、尺寸按图和表的规定。3.1免费标准bzxz.net
机械电子工业部1992-07-14批准1993-07-01实施
管子外径
标记方法
管接头
标记示例:
JB/T6384.1
JB/T6384.11992
标准号
管子外径,mm
产品名称
管子外径D。为20mm的锥密封焊接式隔壁直角管接头:管接头
技术条件
JB/T6384.1
锥密封焊接式隔壁直角管接头技术条件按JB/T6386的规定。附加说明:
本标准由机械电子工业部西安重型机械研究所提出并归口。本标准由机械电子工业部西安重型机械研究所负责起草。本标准主要起草人赵洪章。
O形密封
11.2×1.8
11.8×2.65
23.6×2.65
36.5×2.65
小提示:此标准内容仅展示完整标准里的部分截取内容,若需要完整标准请到上方自行免费下载完整标准文档。
JB/T 6384.1-1992
锥密封焊接式隔壁直角管接头
1992-07-14发布
中华人民共和国机械电子工业部1993-07-01实施
中华人民共和国机械行业标准
锥密封焊接式隔壁直角管接头
1主题内容与适用范围
本标准规定了锥密封焊接式隔壁直角管接头的分类。JB/T 6384.11992
本标准适用于以油、气为介质管路系统中的锥密封焊接式隔壁直角管接头。公称压力PN≤31.5MPa,工作温度-25~+80℃。
2引用标准
GB1414
GB2346
GB2878
GB5865
JB/T6386
3产品分类
管路旋入端用普通螺纹尺寸系列液压气动系统及元件公称压力系列液压气动系统和元件油(气)口连接螺纹尺寸润滑系统及元件基本参数
锥密封焊接式管接头技术条件
锥密封焊接式隔壁直角管接头的型式、尺寸按图和表的规定。3.1免费标准bzxz.net
机械电子工业部1992-07-14批准1993-07-01实施
管子外径
标记方法
管接头
标记示例:
JB/T6384.1
JB/T6384.11992
标准号
管子外径,mm
产品名称
管子外径D。为20mm的锥密封焊接式隔壁直角管接头:管接头
技术条件
JB/T6384.1
锥密封焊接式隔壁直角管接头技术条件按JB/T6386的规定。附加说明:
本标准由机械电子工业部西安重型机械研究所提出并归口。本标准由机械电子工业部西安重型机械研究所负责起草。本标准主要起草人赵洪章。
O形密封
11.2×1.8
11.8×2.65
23.6×2.65
36.5×2.65
小提示:此标准内容仅展示完整标准里的部分截取内容,若需要完整标准请到上方自行免费下载完整标准文档。
标准图片预览:



- 其它标准
- 热门标准
- 机械行业标准(JB)
- JB/T9396-1999 环块磨损试验机 技术条件
- JB/T7732.1-1995 地膜覆盖机 技术条件
- JB/T7422.2-1999 立式内圆珩磨机 精度检验
- JB/T7665-1995 通用机械噪声声功率级现场测定 声强法
- JB/T9272-1999 氨压力表
- JB/T7273.8-1994 背面波纹手轮
- JB/T5810-1991 电机磁极线圈及磁场绕组匝间绝缘试验规范
- JB/T450-1992 PN16.0~32.0MPa锻造角式高压阀门、管件、紧固件 技术条件
- JB/T6664.2-1993 自吸泵 技术条件
- JB/T8022.1-1999 机床夹具零件及部件 内涨器
- JB/T9014.7-1999 连续输送设备 散粒物料 堆积角的测定
- JB/T9541-1999 家用换气扇用电动机 通用技术条件
- JB/T9902.1-1999 连杆瓦镗床 精度检验
- JB/T9991-1999 电镀金刚石铰刀
- JB/T10352-2002 YFB系列粉尘防爆型三相异步电动机(机座号63~355)技术条件
- 行业新闻
请牢记:“bzxz.net”即是“标准下载”四个汉字汉语拼音首字母与国际顶级域名“.net”的组合。 ©2025 标准下载网 www.bzxz.net 本站邮件:bzxznet@163.com
网站备案号:湘ICP备2025141790号-2
网站备案号:湘ICP备2025141790号-2