- 您的位置:
- 标准下载网 >>
- 标准分类 >>
- 农业行业标准(NY) >>
- NY/T 1191-2006 砀山酥梨
标准号:
NY/T 1191-2006
标准名称:
砀山酥梨
标准类别:
农业行业标准(NY)
标准状态:
现行-
发布日期:
2006-12-06 -
实施日期:
2007-02-01 出版语种:
简体中文下载格式:
.rar.pdf下载大小:
93.26 KB
标准ICS号:
食品技术>>水果、蔬菜及其制品>>67.080.01水果、蔬菜及其制品综合中标分类号:
农业、林业>>经济作物>>B31瓜果、蔬菜种植与产品
点击下载
标准简介:
标准下载解压密码:www.bzxz.net
本标准规定了砀山酥梨鲜梨的要求、检验方法、检验规则、包装标志及贮运。本标准适用于砀山酥梨鲜梨的生产和流通。 NY/T 1191-2006 砀山酥梨 NY/T1191-2006
部分标准内容:
ICS 67.080.01
中华人民共和国农业行业标准
NY/T1191—2006
砀山酥梨
2006-12-06发布
2007-02-01实施
中华人民共和国农业部
本标准由中华人民共和国农业部提出并归口。本标准起草单位:安徽省农业委员会。本标准主要起草人:杨汉明、马述松、黄永丰,程晓冬、张学堂。NY/T1191—2006
1范围
砀山酥
本标推规定了硒山酥梨鲜梨的要求、检验方法、检验规则、包装标志及忙运。本标推适用于砀山聊梨鲜梨的生产和流通。2规范性引用文件
NY/T 1191—2006
下列文件中的条款通过木标准的引用而成为本标准的条款,凡是注口期的引用文件,其随后所有的修改单(不包括勘误的内容)或修订版均不适用于本标准,然而,鼓动根据本标准达成协议的各订研究是否可使用这些文件的最新版本。凡足不注口期的引用文件,其最新版本适用于本标准。GB/T1U060梨冷技术
GB/T 10650鲜梨
3术语和定义
本标雄采用下列定义。
具有尽品种果实成熟时应有的形状和特征,秉实近圆形或马蹄形。3.2
本品种果实成熟时应具有的白然色泽,梁果实成熟时为黄绿色,贮藏后变为金黄色。3.3
果实发育充分,呈现山本品种特有的色、香、味皮多汁的特色,果肉出硬转变为酥脆。4要求
4.1等级规格指标
等级规格指标见表1
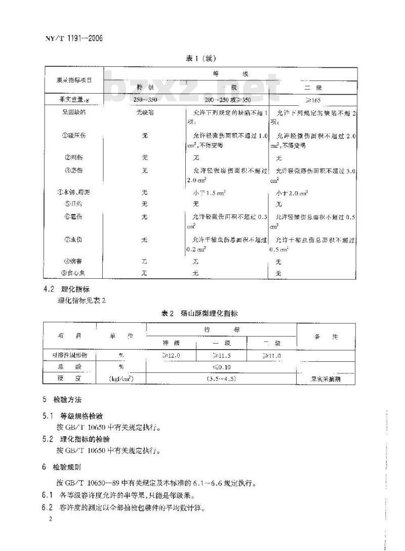
表1砀山酥梨等级规格
质指标峨育
基本要求
各等级的架完整良灯,无不正带的外部水分,尤异喉及异味,果面清齿,发育正常,具有贮存或市场要求的戚度
果形端正,近圆形或马形,
只有不品种应有的特征
渠形端正,近国形或马瞬形,是影近圆彤或马蹄形、充许有允许有轻微缺陷,其有本品独应轻微缺陷,仍保不品种应有的有的特征
成熟时黄绿色,延蔽后转为金黄色特征,不得有缺过大形果
NY/T 1191--2006
质量指标项目
巢实意量.
呆面缺陷
①碰压伤
③恋伤
白水铸、药袭
心港伤
食心虫
4.2理化指标
理化指标见表2
亚溶性固形物
检验方法
等级规格检验
250--350
无缺陷
(kgl/u?)
按G出/T10650中有关规定执行。5.2理化指标的检验www.bzxz.net
按GB/10650中有关规定执行:
6检验规则
表1 (续)
200--250或350
允许下列规定的缺陷不踏「
允许轻微伤而积不超过 1.0
2,不得变懋
无许轻微磨伤面积不超过
小1.5cm2
允许轻微伤百积不过0.3
充许下列规定的缺陷不超2
许轻微伤面积不超过 2.0
cnuz,不得变揭
充轻微磨伤而积不超过3,0
小于2.0cn2
允许轻微伤总面积不超过0.5
允萍干枯虫伤总面积不超过!
允许十粘点伤总面积不超过
表2砀山酥梨理化指标
(3.5.~4.5)
接GB/T10650—89中有关规定发本标准的6.1~-6.6规定执行。6.1各等级容许度允许的串等果,只能是邻级果。6.2容许度的测定以全部抽检包装件的平均数计算。2
果实采摘期
6.3容许度允许的果便受损果不得伤及果皮。6.4容许度规定的百分率般以重量为基准计算,6.5验收容许度
6.5.1特等品可有不超过2%的一等果,果面元缺陷6.5.2一等品可有总量不超过5%的二等品及果面有缺陷的果品。NY/T1191—2006
6.5.3二等品可有总量不超过8%的不符合本等级规定的品质要求及果面有缺陷的果品。6.5.4各等级不符合单果重规定范围的果实不得超过5%,6.6整批梨不得有过于显著的果实人小差异。同包装作(箱)单果重差异不超过50。7包装、储藏、运输与保管
7.1每一包装件砀山酥梨果实的成熟度、别、品质相向。7.2包装容器,包装方法与要求
7.2.1杨酥梨果实实行单果包纸或套泡米塑料网套:包装纸按照(出/110158中的有关规定热行泡沫塑料网套经食品卫生部门检验光链,适含食品包装:7.2.2砀1酰裂运输、销售包装用瓦樱纸模板将果实隔并。箱内装满、装实,防直果实在箱内冕动,两端箱m上留4个6个通气孔。纸箱结合处用胶带封严,储腹包装根据储藏库来选定适宜包装容器。7.3猪储藏
按GB/T10060中有关规定热行。
7.4运输与保管
按照GB/T10650中有关见定执行。7.5标志
7.5.1果实标志
需要单果标志,每只果实附工标签,标明产品务称、注册商标。同一批次的标签在内容和形式上保持致。
7.5.2包装标志
包装箱外侧标明品名称、江册商标、产品标准号、质量等级、宣量(毛重或净重)、牛产单位、采收日期、包装日期、经销单位名称。箱内标明分级包装者姓名或代号以备查。3
小提示:此标准内容仅展示完整标准里的部分截取内容,若需要完整标准请到上方自行免费下载完整标准文档。
中华人民共和国农业行业标准
NY/T1191—2006
砀山酥梨
2006-12-06发布
2007-02-01实施
中华人民共和国农业部
本标准由中华人民共和国农业部提出并归口。本标准起草单位:安徽省农业委员会。本标准主要起草人:杨汉明、马述松、黄永丰,程晓冬、张学堂。NY/T1191—2006
1范围
砀山酥
本标推规定了硒山酥梨鲜梨的要求、检验方法、检验规则、包装标志及忙运。本标推适用于砀山聊梨鲜梨的生产和流通。2规范性引用文件
NY/T 1191—2006
下列文件中的条款通过木标准的引用而成为本标准的条款,凡是注口期的引用文件,其随后所有的修改单(不包括勘误的内容)或修订版均不适用于本标准,然而,鼓动根据本标准达成协议的各订研究是否可使用这些文件的最新版本。凡足不注口期的引用文件,其最新版本适用于本标准。GB/T1U060梨冷技术
GB/T 10650鲜梨
3术语和定义
本标雄采用下列定义。
具有尽品种果实成熟时应有的形状和特征,秉实近圆形或马蹄形。3.2
本品种果实成熟时应具有的白然色泽,梁果实成熟时为黄绿色,贮藏后变为金黄色。3.3
果实发育充分,呈现山本品种特有的色、香、味皮多汁的特色,果肉出硬转变为酥脆。4要求
4.1等级规格指标
等级规格指标见表1
表1砀山酥梨等级规格
质指标峨育
基本要求
各等级的架完整良灯,无不正带的外部水分,尤异喉及异味,果面清齿,发育正常,具有贮存或市场要求的戚度
果形端正,近圆形或马形,
只有不品种应有的特征
渠形端正,近国形或马瞬形,是影近圆彤或马蹄形、充许有允许有轻微缺陷,其有本品独应轻微缺陷,仍保不品种应有的有的特征
成熟时黄绿色,延蔽后转为金黄色特征,不得有缺过大形果
NY/T 1191--2006
质量指标项目
巢实意量.
呆面缺陷
①碰压伤
③恋伤
白水铸、药袭
心港伤
食心虫
4.2理化指标
理化指标见表2
亚溶性固形物
检验方法
等级规格检验
250--350
无缺陷
(kgl/u?)
按G出/T10650中有关规定执行。5.2理化指标的检验www.bzxz.net
按GB/10650中有关规定执行:
6检验规则
表1 (续)
200--250或350
允许下列规定的缺陷不踏「
允许轻微伤而积不超过 1.0
2,不得变懋
无许轻微磨伤面积不超过
小1.5cm2
允许轻微伤百积不过0.3
充许下列规定的缺陷不超2
许轻微伤面积不超过 2.0
cnuz,不得变揭
充轻微磨伤而积不超过3,0
小于2.0cn2
允许轻微伤总面积不超过0.5
允萍干枯虫伤总面积不超过!
允许十粘点伤总面积不超过
表2砀山酥梨理化指标
(3.5.~4.5)
接GB/T10650—89中有关规定发本标准的6.1~-6.6规定执行。6.1各等级容许度允许的串等果,只能是邻级果。6.2容许度的测定以全部抽检包装件的平均数计算。2
果实采摘期
6.3容许度允许的果便受损果不得伤及果皮。6.4容许度规定的百分率般以重量为基准计算,6.5验收容许度
6.5.1特等品可有不超过2%的一等果,果面元缺陷6.5.2一等品可有总量不超过5%的二等品及果面有缺陷的果品。NY/T1191—2006
6.5.3二等品可有总量不超过8%的不符合本等级规定的品质要求及果面有缺陷的果品。6.5.4各等级不符合单果重规定范围的果实不得超过5%,6.6整批梨不得有过于显著的果实人小差异。同包装作(箱)单果重差异不超过50。7包装、储藏、运输与保管
7.1每一包装件砀山酥梨果实的成熟度、别、品质相向。7.2包装容器,包装方法与要求
7.2.1杨酥梨果实实行单果包纸或套泡米塑料网套:包装纸按照(出/110158中的有关规定热行泡沫塑料网套经食品卫生部门检验光链,适含食品包装:7.2.2砀1酰裂运输、销售包装用瓦樱纸模板将果实隔并。箱内装满、装实,防直果实在箱内冕动,两端箱m上留4个6个通气孔。纸箱结合处用胶带封严,储腹包装根据储藏库来选定适宜包装容器。7.3猪储藏
按GB/T10060中有关规定热行。
7.4运输与保管
按照GB/T10650中有关见定执行。7.5标志
7.5.1果实标志
需要单果标志,每只果实附工标签,标明产品务称、注册商标。同一批次的标签在内容和形式上保持致。
7.5.2包装标志
包装箱外侧标明品名称、江册商标、产品标准号、质量等级、宣量(毛重或净重)、牛产单位、采收日期、包装日期、经销单位名称。箱内标明分级包装者姓名或代号以备查。3
小提示:此标准内容仅展示完整标准里的部分截取内容,若需要完整标准请到上方自行免费下载完整标准文档。
标准图片预览:





- 其它标准
- 上一篇: NY/T 1190-2006 柑橘等级规格
- 下一篇: NY/T 1192-2006 肥城桃
- 热门标准
- 农业行业标准(NY)
- NY/T889-2004 土壤速效钾和缓效钾含量的测定
- NY/T5295-2004 无公害食品 产地环境评价准则
- NY/T598-2002 食用绿豆
- NY5086-2002 无公害食品 鲜食葡萄
- NY/T797-2004 硅肥
- NY/T1858.2-2010 番茄主要病害抗病性鉴定技术规程 第2部分:番茄抗叶霉病鉴定技术规程
- NY/T1153.4-2013 农药登记用白蚁防治剂药效试验方法及评价 第4部分农药木材处理预防白蚁
- NY/T2669-2014 热带作物品种审定规范 木薯
- NY/T2695-2015 牛遗传缺陷基因检测技术规程
- NY/T456-2001 茉莉花茶
- NY/T5161-2002 无公害食品 虹鳟养殖技术规范
- NY/T423-2000 绿色食品 鲜梨
- NY5187-2002 无公害食品 罐装金针菇
- NY/T749-2003 绿色食品 食用菌
- NY/T680-2003 禽白血病病毒p27抗原酶联免疫吸附试验方法
- 行业新闻
请牢记:“bzxz.net”即是“标准下载”四个汉字汉语拼音首字母与国际顶级域名“.net”的组合。 ©2025 标准下载网 www.bzxz.net 本站邮件:bzxznet@163.com
网站备案号:湘ICP备2025141790号-2
网站备案号:湘ICP备2025141790号-2