- 您的位置:
- 标准下载网 >>
- 标准分类 >>
- 农业行业标准(NY) >>
- NY/T 1190-2006 柑橘等级规格
标准号:
NY/T 1190-2006
标准名称:
柑橘等级规格
标准类别:
农业行业标准(NY)
标准状态:
现行-
发布日期:
2006-12-06 -
实施日期:
2007-02-01 出版语种:
简体中文下载格式:
.rar.pdf下载大小:
560.71 KB
标准ICS号:
食品技术>>水果、蔬菜及其制品>>67.080.01水果、蔬菜及其制品综合中标分类号:
农业、林业>>经济作物>>B31瓜果、蔬菜种植与产品
点击下载
标准简介:
标准下载解压密码:www.bzxz.net
本标准规定了甜橙类、宽皮柑橘类、橘橙类、柠檬来檬类、柚、橘柚类、葡萄柚、金柑类鲜果的等级规格要求、检验方法、包装与标识。本标准适用于柑橘鲜果外观质量分级、检验、包装。 NY/T 1190-2006 柑橘等级规格 NY/T1190-2006
部分标准内容:
ICS67.080.01
中华人民共和国农业行业标准
NY/T1190—2006
柑橘等级规格
Grades and specifications of citrus fruits2006-12-06发布
2007-02-01实施
中华人民共和国农业部
日伴网t
本标准由中华人民共和国农业部提出并归口。NY/T1190—2006
本标准起草单位:全国农业技术推广服务中心,农业部柑橘及苗木质量监督检验测试中心本标准主要起草人:李莉、谢建华、焦必宁王成秋、付陈梅、王日莫、罗楠孙钧http://foodmate.net1范围
柑橘等级规格
NY/T1190-2006
本标准规定了甜橙类、宽皮柑橘类、橘橙类、柠檬来檬类,柚、橘柚类、葡萄柚、金柑类鲜果的等级规格要求、检验方法、包装与标识本标准适用于柑橘鲜果外观质量分级、检验、包装2规范性引用文件
下列文件中的条款通过本标准的引用而成为本标准的条款。凡是注日期的引用文件,其随后所有的修改单(不包括勘误的内容)或修订版均不适用于本标准,然而,鼓励根据本标准达成协议的各方研究是否可使用这些文件的最新版本。凡是不注日期的引用文件,其最新版本适用于本标准。GB/T8210出口柑橘鲜果检验方法GB/T8855新鲜水果和蔬菜的取样方法GB/T12947鲜柑橘
3术语和定义
GB/T12947确立的以及下列术语和定义适用于本标准。3.1
缺陷defectivefruit
由于自然,生物、机械或人为因素的作用,对果实表面造成的各种损伤,以及果实在生长发育和采摘贮运过程中造成的浮皮、裂果、冻伤、腐烂、水肿、枯水、日灼等部分或全部失去食用价值的缺陷。4要求
4.1等级
4.1.1基本要求
根据对每个等级的规定和允许误差,应符合下列基本条件:果实完整、完好,无裂果、冻伤果;一无刺伤、碰压伤无擦伤或过大的愈合口:一无腐烂,变质果,洁净,基本不含可见异物基本无菱、浮皮现象;
一无冷害、冻害:表面干燥,但冷藏取出后的表面结冰和冷凝现象除外;一无异常气味或滋味;
一果实具有适于市场或贮运要求的成熟度:一允许对柑橘果实进行“脱绿”处理,但要符合表1的要求,并且使用方法应按国家有关规定执行。
4.1.2等级划分
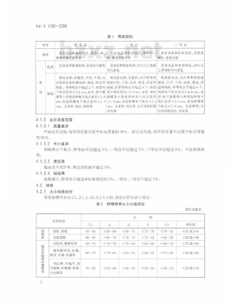
在符合基本要求的前提下,柑橘类果实分为特等品、一等品和二等品三个等级,各等级应符合表1规定。
http:
NY/T1190—2006
特等品
具有该品种典型特征,果形一致,果蒂青绿完整平齐
具该品种典型色泽,完全均勺着色果皮光滑:无冠伤、日灼、干疤:充表1等级指标
一等品
具有该品种形状特征,果形较一致,果带完整平齐
具该品种典型色泽,75%以上果面均勾着色
果皮较光滑;无范伤:充许单果有许单果有极轻微油斑、菌遗、药迹等轻微日灼、干疤、油斑、菌遗、药速等缺陷。单果斑点不超过2个,柚类每缺陷,但单果斑点不超过4个,柚类个斑点直径≤2.0mm,金柑、南丰蜜每个斑点直径≤3.0mm.金柑、南丰三等品
具有该品种形状特征,无明显
畸形,果蒂完整
具有该品种典型特征,35%以
上果面较均匀着色
果面较光洁,允许单果有轻微
電伤、日购、干疤、油斑、菌迹药等缺陷,单果斑点不超过6个
柚类每个班点直径≤4.0mm.金
橘等小果型品种每个斑点直径≤1.0蜜橘等小果型品种每个斑点直径相、南丰蛋橘等小果型品种每个mm,其他柑橘每个斑点直径≤1.5≤1,5mm,其他柑橘单个斑点≤2.5斑点直径≤2.0mm.其他柑橘单
个斑点≤3.0mms无水肿果,允
mm。无水肿、枯水、浮皮果
4.1.3充许误差范围
4.1.3.1质量差异
mm无水肿、粘水果,允许有极轻微浮皮果
许有轻微枯水、浮皮果
产地站台交接,每件净含量不低于标示质量的99%。到达目的地,每件净含量不应低于标示质量的95%。
4.1.3.2大小差异
邻级果以个数计,特等品不应超过3%,一等品不应超过5%,二等品不应超过8%,不应有隔级果。
4.1.3.3腐烂果
起运点不允许有,到达目的地不超过3%,4.1.3.4缺陷果
按数量计,特等品不超过本标准规定的1%,一等品,二等品不超过3%。4.2规格
4.2.1大小规格划分
果实按横径分为2L、2L、L、M、S2S五组,各组应符合表2规定。表2柑橘鲜果大小分组规定
单位为毫米
品种类型
甜橙类
宽皮柑橘类和橘叠类
脐橙、锦橙
其他甜橙
碰柑类,橘橙类等
温州蜜柑类、红橘、
藻柑、早橘、橙橘等
朱红、本地旱、南
丰蜜橘、砂糖橘、年桶、
马水橘等
≤85~80bZxz.net
<80~75
<75-70
<75-65
<65~60
食品依伴网bttp:
<80~75
≤75-70
<65-60
<60-50
≤75~70
≤70-65
<65~60
<60-55
<50-40
www foodmate net
≤70~65
<65-55
≤60~55
<55-50
<40~25
等外果
≤.65或>95
<55或>85
<55或>85
<50或>80
<25或>70
品种类型
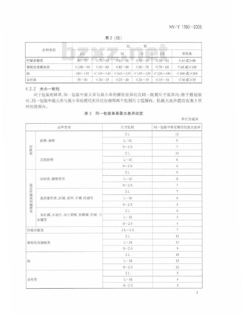
柠檬来檬类
葡萄柚及橘柚类
金柑类
4.2.2大小一致性
<105-90
185-155
表2(续)
≤70~63
<90-85
<155145
≤30~25
<85-80
<145-135
<25~20
≤56~50
≤8075
<135-120
<20~15
NY/T1190—2006
等外果
≤7565
<120-100
<15~10
<45或>80
<65或>105
<100或>185
<10或>35
对于包装的鲜果,同一包装中最大果与最小果的横径差异应在同一组别尺寸范围内;按个数包装时,同一包装中最大果与最小果的横径差异应在相邻两个组别尺寸范围内。但最大差异值应在表3所列的范围内。
同一包装单果最大差异规定
单位为毫米
品种类型
脐榄、铬橙
甜橙类
其他甜橙
桂柑类、橘橙类等
宽皮柑橘类和橘橙类
温州蜜柑类、红橘、燕柑、早橘、慢橘等朱红橘、本地早、南丰蜜橘、砂糖橘、年橘、马水橘等
柠檬来檬类
葡萄柚及梧柚类
金柑类
尺寸组别
http://foodmate.net同一包装中果实横径的最大差异11
NY/T1190—2006
5检验
5.1抽样方法
按GB/T8855进行取样或按有关协定的方法取样。5.2检验方法
质量、净含量、数量、规格的检验,按GB8210规定执行。5.3检验期限规定
产品在起运点24h以内取样检验。产品到达目的地48h以内取样检验6
包装容器应符合卫生,透气性和强度要求,保证柑橘适宜运输和贴藏。包装(或散装)容器不应有异味,不会对产品造成污染。包装容器外表面应有该品种典型照片。7标识
包装箱上应有明显标识,内容包括:产品名称,等级、规格、产品执行标准编号、生产者、包装商和分销商详细地址、产地、净含量和采收、包装日期。若需冷藏保存,应注明保藏方式。标注内容要求字迹清晰、完整,规范。应用的保鲜剂和柑橘收获时期用的其他化学物质,可标示官方控制标识。4
食用k伴网httn·//wwwfoodma
小提示:此标准内容仅展示完整标准里的部分截取内容,若需要完整标准请到上方自行免费下载完整标准文档。
中华人民共和国农业行业标准
NY/T1190—2006
柑橘等级规格
Grades and specifications of citrus fruits2006-12-06发布
2007-02-01实施
中华人民共和国农业部
日伴网t
本标准由中华人民共和国农业部提出并归口。NY/T1190—2006
本标准起草单位:全国农业技术推广服务中心,农业部柑橘及苗木质量监督检验测试中心本标准主要起草人:李莉、谢建华、焦必宁王成秋、付陈梅、王日莫、罗楠孙钧http://foodmate.net1范围
柑橘等级规格
NY/T1190-2006
本标准规定了甜橙类、宽皮柑橘类、橘橙类、柠檬来檬类,柚、橘柚类、葡萄柚、金柑类鲜果的等级规格要求、检验方法、包装与标识本标准适用于柑橘鲜果外观质量分级、检验、包装2规范性引用文件
下列文件中的条款通过本标准的引用而成为本标准的条款。凡是注日期的引用文件,其随后所有的修改单(不包括勘误的内容)或修订版均不适用于本标准,然而,鼓励根据本标准达成协议的各方研究是否可使用这些文件的最新版本。凡是不注日期的引用文件,其最新版本适用于本标准。GB/T8210出口柑橘鲜果检验方法GB/T8855新鲜水果和蔬菜的取样方法GB/T12947鲜柑橘
3术语和定义
GB/T12947确立的以及下列术语和定义适用于本标准。3.1
缺陷defectivefruit
由于自然,生物、机械或人为因素的作用,对果实表面造成的各种损伤,以及果实在生长发育和采摘贮运过程中造成的浮皮、裂果、冻伤、腐烂、水肿、枯水、日灼等部分或全部失去食用价值的缺陷。4要求
4.1等级
4.1.1基本要求
根据对每个等级的规定和允许误差,应符合下列基本条件:果实完整、完好,无裂果、冻伤果;一无刺伤、碰压伤无擦伤或过大的愈合口:一无腐烂,变质果,洁净,基本不含可见异物基本无菱、浮皮现象;
一无冷害、冻害:表面干燥,但冷藏取出后的表面结冰和冷凝现象除外;一无异常气味或滋味;
一果实具有适于市场或贮运要求的成熟度:一允许对柑橘果实进行“脱绿”处理,但要符合表1的要求,并且使用方法应按国家有关规定执行。
4.1.2等级划分
在符合基本要求的前提下,柑橘类果实分为特等品、一等品和二等品三个等级,各等级应符合表1规定。
http:
NY/T1190—2006
特等品
具有该品种典型特征,果形一致,果蒂青绿完整平齐
具该品种典型色泽,完全均勺着色果皮光滑:无冠伤、日灼、干疤:充表1等级指标
一等品
具有该品种形状特征,果形较一致,果带完整平齐
具该品种典型色泽,75%以上果面均勾着色
果皮较光滑;无范伤:充许单果有许单果有极轻微油斑、菌遗、药迹等轻微日灼、干疤、油斑、菌遗、药速等缺陷。单果斑点不超过2个,柚类每缺陷,但单果斑点不超过4个,柚类个斑点直径≤2.0mm,金柑、南丰蜜每个斑点直径≤3.0mm.金柑、南丰三等品
具有该品种形状特征,无明显
畸形,果蒂完整
具有该品种典型特征,35%以
上果面较均匀着色
果面较光洁,允许单果有轻微
電伤、日购、干疤、油斑、菌迹药等缺陷,单果斑点不超过6个
柚类每个班点直径≤4.0mm.金
橘等小果型品种每个斑点直径≤1.0蜜橘等小果型品种每个斑点直径相、南丰蛋橘等小果型品种每个mm,其他柑橘每个斑点直径≤1.5≤1,5mm,其他柑橘单个斑点≤2.5斑点直径≤2.0mm.其他柑橘单
个斑点≤3.0mms无水肿果,允
mm。无水肿、枯水、浮皮果
4.1.3充许误差范围
4.1.3.1质量差异
mm无水肿、粘水果,允许有极轻微浮皮果
许有轻微枯水、浮皮果
产地站台交接,每件净含量不低于标示质量的99%。到达目的地,每件净含量不应低于标示质量的95%。
4.1.3.2大小差异
邻级果以个数计,特等品不应超过3%,一等品不应超过5%,二等品不应超过8%,不应有隔级果。
4.1.3.3腐烂果
起运点不允许有,到达目的地不超过3%,4.1.3.4缺陷果
按数量计,特等品不超过本标准规定的1%,一等品,二等品不超过3%。4.2规格
4.2.1大小规格划分
果实按横径分为2L、2L、L、M、S2S五组,各组应符合表2规定。表2柑橘鲜果大小分组规定
单位为毫米
品种类型
甜橙类
宽皮柑橘类和橘叠类
脐橙、锦橙
其他甜橙
碰柑类,橘橙类等
温州蜜柑类、红橘、
藻柑、早橘、橙橘等
朱红、本地旱、南
丰蜜橘、砂糖橘、年桶、
马水橘等
≤85~80bZxz.net
<80~75
<75-70
<75-65
<65~60
食品依伴网bttp:
<80~75
≤75-70
<65-60
<60-50
≤75~70
≤70-65
<65~60
<60-55
<50-40
www foodmate net
≤70~65
<65-55
≤60~55
<55-50
<40~25
等外果
≤.65或>95
<55或>85
<55或>85
<50或>80
<25或>70
品种类型
柠檬来檬类
葡萄柚及橘柚类
金柑类
4.2.2大小一致性
<105-90
185-155
表2(续)
≤70~63
<90-85
<155145
≤30~25
<85-80
<145-135
<25~20
≤56~50
≤8075
<135-120
<20~15
NY/T1190—2006
等外果
≤7565
<120-100
<15~10
<45或>80
<65或>105
<100或>185
<10或>35
对于包装的鲜果,同一包装中最大果与最小果的横径差异应在同一组别尺寸范围内;按个数包装时,同一包装中最大果与最小果的横径差异应在相邻两个组别尺寸范围内。但最大差异值应在表3所列的范围内。
同一包装单果最大差异规定
单位为毫米
品种类型
脐榄、铬橙
甜橙类
其他甜橙
桂柑类、橘橙类等
宽皮柑橘类和橘橙类
温州蜜柑类、红橘、燕柑、早橘、慢橘等朱红橘、本地早、南丰蜜橘、砂糖橘、年橘、马水橘等
柠檬来檬类
葡萄柚及梧柚类
金柑类
尺寸组别
http://foodmate.net同一包装中果实横径的最大差异11
NY/T1190—2006
5检验
5.1抽样方法
按GB/T8855进行取样或按有关协定的方法取样。5.2检验方法
质量、净含量、数量、规格的检验,按GB8210规定执行。5.3检验期限规定
产品在起运点24h以内取样检验。产品到达目的地48h以内取样检验6
包装容器应符合卫生,透气性和强度要求,保证柑橘适宜运输和贴藏。包装(或散装)容器不应有异味,不会对产品造成污染。包装容器外表面应有该品种典型照片。7标识
包装箱上应有明显标识,内容包括:产品名称,等级、规格、产品执行标准编号、生产者、包装商和分销商详细地址、产地、净含量和采收、包装日期。若需冷藏保存,应注明保藏方式。标注内容要求字迹清晰、完整,规范。应用的保鲜剂和柑橘收获时期用的其他化学物质,可标示官方控制标识。4
食用k伴网httn·//wwwfoodma
小提示:此标准内容仅展示完整标准里的部分截取内容,若需要完整标准请到上方自行免费下载完整标准文档。
标准图片预览:





- 其它标准
- 热门标准
- 农业行业标准(NY)
- NY/T5295-2004 无公害食品 产地环境评价准则
- NY/T598-2002 食用绿豆
- NY5086-2002 无公害食品 鲜食葡萄
- NY/T797-2004 硅肥
- NY/T1858.2-2010 番茄主要病害抗病性鉴定技术规程 第2部分:番茄抗叶霉病鉴定技术规程
- NY/T1153.4-2013 农药登记用白蚁防治剂药效试验方法及评价 第4部分农药木材处理预防白蚁
- NY/T2669-2014 热带作物品种审定规范 木薯
- NY/T456-2001 茉莉花茶
- NY/T5161-2002 无公害食品 虹鳟养殖技术规范
- NY/T423-2000 绿色食品 鲜梨
- NY5187-2002 无公害食品 罐装金针菇
- NY/T749-2003 绿色食品 食用菌
- NY/T680-2003 禽白血病病毒p27抗原酶联免疫吸附试验方法
- NY/T889-2004 土壤速效钾和缓效钾含量的测定
- NY/T1378-2007 土壤氯离子含量的测定
- 行业新闻
请牢记:“bzxz.net”即是“标准下载”四个汉字汉语拼音首字母与国际顶级域名“.net”的组合。 ©2025 标准下载网 www.bzxz.net 本站邮件:bzxznet@163.com
网站备案号:湘ICP备2025141790号-2
网站备案号:湘ICP备2025141790号-2