- 您的位置:
- 标准下载网 >>
- 标准分类 >>
- 国家标准(GB) >>
- GB/T 21697-2008 低压电力线路和电子设备系统的雷电过电压绝缘配合
标准号:
GB/T 21697-2008
标准名称:
低压电力线路和电子设备系统的雷电过电压绝缘配合
标准类别:
国家标准(GB)
标准状态:
现行-
发布日期:
2008-04-24 -
实施日期:
2008-12-01 出版语种:
简体中文下载格式:
.rar.pdf下载大小:
570.71 KB
标准ICS号:
环保、保健与安全>>13.260电击防护中标分类号:
电工>>电工综合>>K09卫生、安全、劳动保护

点击下载
标准简介:
标准下载解压密码:www.bzxz.net
本标准规定了低压电力线路和电子设备系统的雷电冲击耐受电压及其各类保护装置的配合原则。本标准适用于交流额定电压不大于1000V,额定频率不高于30KHZ或直流额定电压不大于1500V的低压电力线路和电子设备系统。 GB/T 21697-2008 低压电力线路和电子设备系统的雷电过电压绝缘配合 GB/T21697-2008

部分标准内容:
ICS13.260
中华人民共和国国家标准
GB/T21697--2008
低压电力线路和电子设备系统的雷电过电压绝缘配合
Insulation coordination of low voltage power line and electronic system2008-04-24发布
中华人民共和国国家质量监督检验检疫总局中国国家标准化管理委员会
数码防伪
2008-12-01实施
本标准由全国雷电防护标准化委员会提出并归口。本标准负责起草单位:中国电力企业联合会、武汉高压研究所。本标准主要起草人:陆宠惠、杨迎建、鄂雄、张苹。GB/T21697--2008
1范围
低压电力线路和电子设备系统的雷电过电压绝缘配合
GB/T21697—2008
本标准规定了低压电力线路和电子设备的雷电冲击耐受电压和雷电过电压保护装置(如SPD)及过电压限制措施,提出了它们之间的配合原则。本标准适用于交流额定电压不大于1000V,额定频率不高于30kHz或直流额定电压不大于1500V的低压电力线路和电子设备系统。2规范性引用文件
下列文件中的条款通过本标准的引用而成为本标准的条款。凡是注日期的引用文件,其随后所有的修改单(不包括勘误的内容)或修订版均不适用于本标准,然而,鼓励根据本标准达成协议的各方研究是否可使用这些文件的最新版本。凡是不注日期的引用文件,其最新版本适用于本标准。GB/T11032--2000交流无间隙金属氧化物避雷器(egvIEC60099-4:1991)GB/T16935.1-1997低压系统内设备的绝缘配合第一部分:原理、要求和试验(idtIEC664-1:1992)
GB/T17626.5—1999电磁兼容试验和测量技术浪涌(冲击)抗扰度试验(idtIEC61000-4-5:1995)
GB/T17627.1-1998
(eqvIEC1180-1:1992)
GB/T18802.1-2002
(idtIEC61643-1:1998)
低压电气设备的高电压试验技术第一部分:定义和试验要求低压配电系统的电涌保护器(SPD)第1部分:性能要求和试验方法GB/T18802.21—2004低压电涌保护器第2I部分:电信和信号网路的电通保护器(SPD)性能要求和试验方法(idtIEC61643-212000)3术语和定义
本标准确立的下列术语和定义适用于本标准。3.1
绝缘配合insulationco-ordination考虑所采用的过电压保护措施后,根据可能作用的过电压、设备绝缘特性及可能影响绝缘特性的因数,合理地确定过电压保护措施和设备绝缘水平的过程。3.2
电气间隙clearance
两导电部分在空气中的最短距离。3.3
过电压overvoltage
峰值大于在正常运行下稳态电压的相应峰值的任何电压。GB/T21697--2008
瞬态过电压transientovervoltage振荡和非振荡的(通常未高阻尼的),持续时间只有几毫秒或更短时间的过电压。3.5
雷电过电压lightningovervoltage由于雷击在系统中任何位置上出现的瞬态过电压。3.6
雷电冲击耐受电压lightningimpulsewithstandvoltage在规定的条件下,不造成设备击穿、具有一定波形和极性的最高雷电冲击电压峰值。3.7
工作电压workingvoltage
在额定电源电压下,可能产生在设备的任何绝缘两端的最高交流电压有效值或最高直流电压值。3.8
外绝缘externalinsulation
空气间隙及设备固体绝缘的外露表面,它承受电压并受大气、污移、潮湿和异物等外界条件的影响。3.9
内绝缘internalinsulation
设备内部绝缘的固体、液体或气体部分,它基本不受大气、污移、潮湿和异物等外界条件的影响。3.10
绝缘配合因数insulationcoordinationfactor设备的标准耐受电压和保护装置相应的保护水平之比。3.11
期望雷电过电压expected lightningovervotag通过重复测量设备上可能出现的雷电过电压所得到的平均值。期望和方差或标准差是描述雷电过电压分布的重要特征。
耐受电压withstandvoltage
在规定条件下的耐压试验中所施加的试验电压值,期间允许发生规定次数的破坏性放电。注:在低电压技术中,一般采用惯用法:允许发生破坏性放电的次数为零。3.13
绝缘水平insulationlevel
由一个或几个绝缘耐受电压值所表征的设备特性。设备的绝缘水平也称为设备的标准耐受电压。3.14
保护装置protectivedevice
用于保护设备免受高的瞬态过电压并能限制工频续流持续时间和幅值的装置(对于电子设备系统应该保证其正常工作,例如对传输特性只能有可以接受的影响)。3.15
保护装置的雷电冲击保护水平lightningimpulseprotectivelevelofprotectivedevice在规定的条件下,雷电冲击保护装置端子间的最大允许峰值电压。2
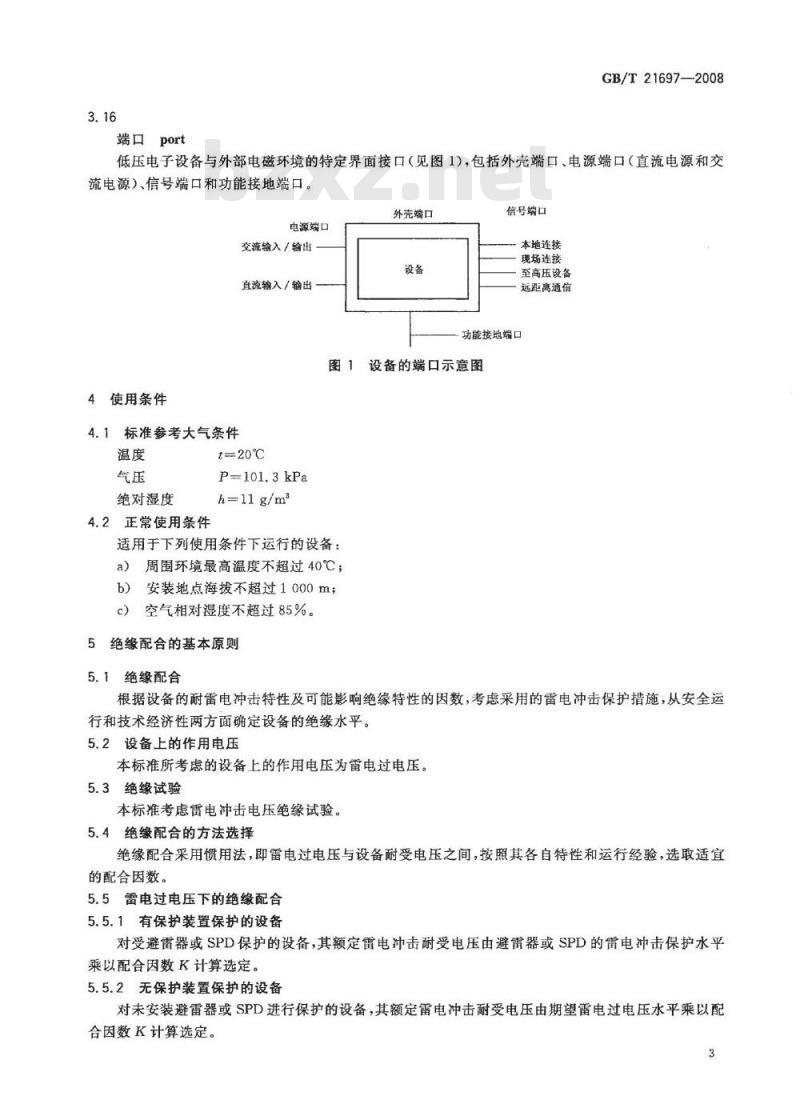
端口port
GB/T21697—2008
低压电子设备与外部电磁环境的特定界面接口(见图1),包括外壳端口、电源端口(直流电源和交流电源)、信号端口和功能接地端口。外壳端口
电源端口
交流输入/输出
直流输入/输出
信号端口
本地连接
现场连接
至高压设备
远距离通信
功能接地端口
图1设备的端口示意图
4使用条件
4.1标准参考大气条件
绝对湿度
4.2正常使用条件
t=20℃
P=101.3kPa
h=11g/m
适用于下列使用条件下运行的设备:a)周围环境最高温度不超过40℃:安装地点海拔不超过1000m;
c)空气相对湿度不超过85%。
5绝缘配合的基本原则
5.1绝缘配合
根据设备的耐雷电冲击特性及可能影响绝缘特性的因数,考虑采用的雷电冲击保护措施,从安全运行和技术经济性两方面确定设备的绝缘水平。5.2设备上的作用电压
本标准所考虑的设备上的作用电压为雷电过电压。5.3绝缘试验
本标准考虑雷电冲击电压绝缘试验。5.4绝缘配合的方法选择
绝缘配合采用惯用法,即雷电过电压与设备耐受电压之间,按照其各自特性和运行经验,选取适宜的配合因数。
5.5雷电过电压下的绝缘配合
5.5.1有保护装置保护的设备
对受避雷器或SPD保护的设备,其额定雷电冲击耐受电压由避雷器或SPD的雷电冲击保护水平乘以配合因数K计算选定。
5.5.2无保护装置保护的设备
对未安装避雷器或SPD进行保护的设备,其额定雷电冲击耐受电压由期望雷电过电压水平乘以配合因数K计算选定。
GB/T21697—2008
绝缘配合因数K的选取
选取配合因数K时应考虑下列因素:a)
绝缘类型及特性;
被保护设备的重要性;
被保护设备的进线方式
保护设备和被保护设备之间的电气距离;避雷器或SPD的雷电冲击保护特性、幅值及分散性;e
过电压幅值及分布特性;
大气条件、设备生产、装配中的分散性及安装质量;g
h)全
绝缘在预期寿命期间的老化;
i)试验方法及其他因素,
一般情况下,对于电力线路,配合因数K≥1.3;对于电子设备和/或系统,配合因数K≥1.5。6绝缘水平
6.1绝缘水平选择
6.1.1直接由低压电网供电的设备使用在配电装置电源端的设备,对应于三相电源的电压220V/380V、400V/690V、1000V,其冲击耐受电压分别为6kV、8kV、12kV。一般的耗能设备,包括器具,可移动式工具、家用和类似用途的负载,冲击耐受电压根据其电源系统的额定电压确定,对应于三相电源的电压220V/380V、400V/690V、1000V的冲击耐受电压分别为2.5kV.4kV.6kV.
当低压电网具有很好的限制暂态过电压措施时,如具有过电压保护的电子电路,连接至该电路的设备,冲击耐受电压根据其电源系统的额定电压确定,对应于三相电源的电压220V/380V、400V/690V、1000V的冲击耐受电压分别为1.5kV、2.5kV、4kV。6.1.2非直接由低压电网供电的系统和设备此类设备和系统可以是通信、工业控制系统或载运装置中的独立设备和系统。其冲击耐受电压可采用6.2中推荐的优先值。具体选择原则如下:保护良好的电气环境。所有引人的电缆都有过电压保护,各电子设备单元由设计良好的接地系统连接,且该接地系统不会受到电力设备和雷电的影响,电子设备有专用电源,一般情况下,对于电子设备的冲击耐受电压不低于额定工作电压的2.5倍。有部分保护的电气环境。所有引人的电缆都有过电压保护,各电子设备单元由设计良好的接地系统连接,且没有直接与高压设备相连接的电缆、长度相对较短(例如几十米以下的电缆)、在同一建筑物内与通信有关的电缆,冲击耐受电压不超过500V。电缆隔离良好的电气环境。设备组通过单独的接地线接至电力设备的接地系统上,电子设备的电源主要靠专门的变压器与其他线路隔离,低压控制设备间的连接电缆等,冲击耐受电压不超过1V。电源电缆与信号电缆平行敷设的电气环境。设备组通过电力设备的公共接地系统接地,与电信网或远方设备相连接,可以达到接地网边缘的通信电缆,冲击耐受电压不超过2kV。互连线作为户外电缆,沿电源电缆敷设,并且这些电缆作为电子和电气线路的电气环境。设备组连接到电力设备的接地系统,该接地系统容易适受雷电产生的过电压。冲击耐受电压不超过4V。特殊环境则在电子设备的产品技术要求中规定。6.2冲击耐受电压的优选值
绝缘配合采用的额定冲击耐受电压的优选值如下:10 V、20 V、60 V,80 V,100 V.120 V,150 V、220 V.330 V、500 V800 V、1 kV、1.5 kV、2. 5 kV、4
4kV.6kV8kV.12kv。
避雷器或SPD保护水平
GB/T21697—2008
避雷器保护水平对应避雷器标称放电电流下的残压,应根据GB/T11032--2000确定。SPD保护水平对应SPD的限制电压,对于低压配电系统的SPD,应按GB/T18802.12002方法进行试验,并取各类试验中的最大值,电压保护水平的优选值应符合GB/T18802.1-2002;对于电信和信号网路的SPD,应按GB/T18802.21—2004的试验方法确定。8试验规定
8.1目的
试验的目的在于验证设备是否符合决定其绝缘水平的额定耐受电压,验证SPD的保护水平及分散性,SPD的保护水平及分散性是决定SPD质量的重要指标。2雷电冲击耐受电压试验bZxz.net
雷电冲击耐受电压试验是对绝缘施加规定次数和规定值的雷电冲击电压试验。参照GB/T16935.1的方法,施加雷电冲击电压次数为5次正极性、5次负极性,波形为1.2/50μs。5
小提示:此标准内容仅展示完整标准里的部分截取内容,若需要完整标准请到上方自行免费下载完整标准文档。
中华人民共和国国家标准
GB/T21697--2008
低压电力线路和电子设备系统的雷电过电压绝缘配合
Insulation coordination of low voltage power line and electronic system2008-04-24发布
中华人民共和国国家质量监督检验检疫总局中国国家标准化管理委员会
数码防伪
2008-12-01实施
本标准由全国雷电防护标准化委员会提出并归口。本标准负责起草单位:中国电力企业联合会、武汉高压研究所。本标准主要起草人:陆宠惠、杨迎建、鄂雄、张苹。GB/T21697--2008
1范围
低压电力线路和电子设备系统的雷电过电压绝缘配合
GB/T21697—2008
本标准规定了低压电力线路和电子设备的雷电冲击耐受电压和雷电过电压保护装置(如SPD)及过电压限制措施,提出了它们之间的配合原则。本标准适用于交流额定电压不大于1000V,额定频率不高于30kHz或直流额定电压不大于1500V的低压电力线路和电子设备系统。2规范性引用文件
下列文件中的条款通过本标准的引用而成为本标准的条款。凡是注日期的引用文件,其随后所有的修改单(不包括勘误的内容)或修订版均不适用于本标准,然而,鼓励根据本标准达成协议的各方研究是否可使用这些文件的最新版本。凡是不注日期的引用文件,其最新版本适用于本标准。GB/T11032--2000交流无间隙金属氧化物避雷器(egvIEC60099-4:1991)GB/T16935.1-1997低压系统内设备的绝缘配合第一部分:原理、要求和试验(idtIEC664-1:1992)
GB/T17626.5—1999电磁兼容试验和测量技术浪涌(冲击)抗扰度试验(idtIEC61000-4-5:1995)
GB/T17627.1-1998
(eqvIEC1180-1:1992)
GB/T18802.1-2002
(idtIEC61643-1:1998)
低压电气设备的高电压试验技术第一部分:定义和试验要求低压配电系统的电涌保护器(SPD)第1部分:性能要求和试验方法GB/T18802.21—2004低压电涌保护器第2I部分:电信和信号网路的电通保护器(SPD)性能要求和试验方法(idtIEC61643-212000)3术语和定义
本标准确立的下列术语和定义适用于本标准。3.1
绝缘配合insulationco-ordination考虑所采用的过电压保护措施后,根据可能作用的过电压、设备绝缘特性及可能影响绝缘特性的因数,合理地确定过电压保护措施和设备绝缘水平的过程。3.2
电气间隙clearance
两导电部分在空气中的最短距离。3.3
过电压overvoltage
峰值大于在正常运行下稳态电压的相应峰值的任何电压。GB/T21697--2008
瞬态过电压transientovervoltage振荡和非振荡的(通常未高阻尼的),持续时间只有几毫秒或更短时间的过电压。3.5
雷电过电压lightningovervoltage由于雷击在系统中任何位置上出现的瞬态过电压。3.6
雷电冲击耐受电压lightningimpulsewithstandvoltage在规定的条件下,不造成设备击穿、具有一定波形和极性的最高雷电冲击电压峰值。3.7
工作电压workingvoltage
在额定电源电压下,可能产生在设备的任何绝缘两端的最高交流电压有效值或最高直流电压值。3.8
外绝缘externalinsulation
空气间隙及设备固体绝缘的外露表面,它承受电压并受大气、污移、潮湿和异物等外界条件的影响。3.9
内绝缘internalinsulation
设备内部绝缘的固体、液体或气体部分,它基本不受大气、污移、潮湿和异物等外界条件的影响。3.10
绝缘配合因数insulationcoordinationfactor设备的标准耐受电压和保护装置相应的保护水平之比。3.11
期望雷电过电压expected lightningovervotag通过重复测量设备上可能出现的雷电过电压所得到的平均值。期望和方差或标准差是描述雷电过电压分布的重要特征。
耐受电压withstandvoltage
在规定条件下的耐压试验中所施加的试验电压值,期间允许发生规定次数的破坏性放电。注:在低电压技术中,一般采用惯用法:允许发生破坏性放电的次数为零。3.13
绝缘水平insulationlevel
由一个或几个绝缘耐受电压值所表征的设备特性。设备的绝缘水平也称为设备的标准耐受电压。3.14
保护装置protectivedevice
用于保护设备免受高的瞬态过电压并能限制工频续流持续时间和幅值的装置(对于电子设备系统应该保证其正常工作,例如对传输特性只能有可以接受的影响)。3.15
保护装置的雷电冲击保护水平lightningimpulseprotectivelevelofprotectivedevice在规定的条件下,雷电冲击保护装置端子间的最大允许峰值电压。2
端口port
GB/T21697—2008
低压电子设备与外部电磁环境的特定界面接口(见图1),包括外壳端口、电源端口(直流电源和交流电源)、信号端口和功能接地端口。外壳端口
电源端口
交流输入/输出
直流输入/输出
信号端口
本地连接
现场连接
至高压设备
远距离通信
功能接地端口
图1设备的端口示意图
4使用条件
4.1标准参考大气条件
绝对湿度
4.2正常使用条件
t=20℃
P=101.3kPa
h=11g/m
适用于下列使用条件下运行的设备:a)周围环境最高温度不超过40℃:安装地点海拔不超过1000m;
c)空气相对湿度不超过85%。
5绝缘配合的基本原则
5.1绝缘配合
根据设备的耐雷电冲击特性及可能影响绝缘特性的因数,考虑采用的雷电冲击保护措施,从安全运行和技术经济性两方面确定设备的绝缘水平。5.2设备上的作用电压
本标准所考虑的设备上的作用电压为雷电过电压。5.3绝缘试验
本标准考虑雷电冲击电压绝缘试验。5.4绝缘配合的方法选择
绝缘配合采用惯用法,即雷电过电压与设备耐受电压之间,按照其各自特性和运行经验,选取适宜的配合因数。
5.5雷电过电压下的绝缘配合
5.5.1有保护装置保护的设备
对受避雷器或SPD保护的设备,其额定雷电冲击耐受电压由避雷器或SPD的雷电冲击保护水平乘以配合因数K计算选定。
5.5.2无保护装置保护的设备
对未安装避雷器或SPD进行保护的设备,其额定雷电冲击耐受电压由期望雷电过电压水平乘以配合因数K计算选定。
GB/T21697—2008
绝缘配合因数K的选取
选取配合因数K时应考虑下列因素:a)
绝缘类型及特性;
被保护设备的重要性;
被保护设备的进线方式
保护设备和被保护设备之间的电气距离;避雷器或SPD的雷电冲击保护特性、幅值及分散性;e
过电压幅值及分布特性;
大气条件、设备生产、装配中的分散性及安装质量;g
h)全
绝缘在预期寿命期间的老化;
i)试验方法及其他因素,
一般情况下,对于电力线路,配合因数K≥1.3;对于电子设备和/或系统,配合因数K≥1.5。6绝缘水平
6.1绝缘水平选择
6.1.1直接由低压电网供电的设备使用在配电装置电源端的设备,对应于三相电源的电压220V/380V、400V/690V、1000V,其冲击耐受电压分别为6kV、8kV、12kV。一般的耗能设备,包括器具,可移动式工具、家用和类似用途的负载,冲击耐受电压根据其电源系统的额定电压确定,对应于三相电源的电压220V/380V、400V/690V、1000V的冲击耐受电压分别为2.5kV.4kV.6kV.
当低压电网具有很好的限制暂态过电压措施时,如具有过电压保护的电子电路,连接至该电路的设备,冲击耐受电压根据其电源系统的额定电压确定,对应于三相电源的电压220V/380V、400V/690V、1000V的冲击耐受电压分别为1.5kV、2.5kV、4kV。6.1.2非直接由低压电网供电的系统和设备此类设备和系统可以是通信、工业控制系统或载运装置中的独立设备和系统。其冲击耐受电压可采用6.2中推荐的优先值。具体选择原则如下:保护良好的电气环境。所有引人的电缆都有过电压保护,各电子设备单元由设计良好的接地系统连接,且该接地系统不会受到电力设备和雷电的影响,电子设备有专用电源,一般情况下,对于电子设备的冲击耐受电压不低于额定工作电压的2.5倍。有部分保护的电气环境。所有引人的电缆都有过电压保护,各电子设备单元由设计良好的接地系统连接,且没有直接与高压设备相连接的电缆、长度相对较短(例如几十米以下的电缆)、在同一建筑物内与通信有关的电缆,冲击耐受电压不超过500V。电缆隔离良好的电气环境。设备组通过单独的接地线接至电力设备的接地系统上,电子设备的电源主要靠专门的变压器与其他线路隔离,低压控制设备间的连接电缆等,冲击耐受电压不超过1V。电源电缆与信号电缆平行敷设的电气环境。设备组通过电力设备的公共接地系统接地,与电信网或远方设备相连接,可以达到接地网边缘的通信电缆,冲击耐受电压不超过2kV。互连线作为户外电缆,沿电源电缆敷设,并且这些电缆作为电子和电气线路的电气环境。设备组连接到电力设备的接地系统,该接地系统容易适受雷电产生的过电压。冲击耐受电压不超过4V。特殊环境则在电子设备的产品技术要求中规定。6.2冲击耐受电压的优选值
绝缘配合采用的额定冲击耐受电压的优选值如下:10 V、20 V、60 V,80 V,100 V.120 V,150 V、220 V.330 V、500 V800 V、1 kV、1.5 kV、2. 5 kV、4
4kV.6kV8kV.12kv。
避雷器或SPD保护水平
GB/T21697—2008
避雷器保护水平对应避雷器标称放电电流下的残压,应根据GB/T11032--2000确定。SPD保护水平对应SPD的限制电压,对于低压配电系统的SPD,应按GB/T18802.12002方法进行试验,并取各类试验中的最大值,电压保护水平的优选值应符合GB/T18802.1-2002;对于电信和信号网路的SPD,应按GB/T18802.21—2004的试验方法确定。8试验规定
8.1目的
试验的目的在于验证设备是否符合决定其绝缘水平的额定耐受电压,验证SPD的保护水平及分散性,SPD的保护水平及分散性是决定SPD质量的重要指标。2雷电冲击耐受电压试验bZxz.net
雷电冲击耐受电压试验是对绝缘施加规定次数和规定值的雷电冲击电压试验。参照GB/T16935.1的方法,施加雷电冲击电压次数为5次正极性、5次负极性,波形为1.2/50μs。5
小提示:此标准内容仅展示完整标准里的部分截取内容,若需要完整标准请到上方自行免费下载完整标准文档。

标准图片预览:





- 其它标准
- 热门标准
- 国家标准(GB)
- GB/T35608-2024 绿色产品评价 绝热材料
- GB/T50062-2008 电力装置的继电保护和自动装置设计规范
- GB50090-2006 铁路线路设计规范
- GB/T228.1-2021 金属材料 拉伸试验 第1部分:室温试验方法
- GB/T2828.1-2012 计数抽样检验程序 第1部分:按接收质量限(AQL)检索的逐批检验抽样计划
- GB/T6682-2008 分析实验室用水规格和试验方法
- GB/T37649-2019 化妆品中硫柳汞和苯基汞的测定高效液相色谱-电感耦合等离子体质谱法
- GB/T22777-2019 数码信息历
- GB/T11132-2008 液体石油产品烃类的测定 荧光指示剂吸附法
- GB/T3289.26-1982 可锻铸铁管路连接件型式尺寸 内接头
- GB50508-2010 涤纶工厂设计规范
- GB/T21666-2008 尿吸收辅助器具 评价的一般指南
- GB/T33049-2016 偏光片用光学薄膜 涂层附着力的测定方法
- GB/T43393-2023 再生纸浆
- GB/T11982.2-1996 聚氯乙烯卷材地板 第2部分:有基材有背涂层聚氯乙烯卷材地板
- 行业新闻
请牢记:“bzxz.net”即是“标准下载”四个汉字汉语拼音首字母与国际顶级域名“.net”的组合。 ©2025 标准下载网 www.bzxz.net 本站邮件:bzxznet@163.com
网站备案号:湘ICP备2025141790号-2
网站备案号:湘ICP备2025141790号-2