- 您的位置:
 - 标准下载网 >>
 - 标准分类 >>
 - 机械行业标准(JB) >>
 - JB/T 6115-1992 LTGV侧鼓式跳汰机
 
标准号:
JB/T 6115-1992
标准名称:
LTGV侧鼓式跳汰机
标准类别:
机械行业标准(JB)
英文名称:
LTGV side drum jigging machine标准状态:
已作废- 
		 
实施日期:
1993-01-01 - 
          	
作废日期:
2004-11-01 出版语种:
简体中文下载格式:
.rar.pdf下载大小:
1.63 MB
部分标准内容:
					
					中华人民共和国机械行业标准
JB/T6115—92
LTGV侧鼓式跳汰机
1992-06-09发布
中华人民共和国机械电子工业部1993-01-01实施
中华人民共和国机械行业标准
LTGV侧鼓式跳汰机bzxZ.net
主题内容与适用范围
JB/T6115-92
本标准规定了LTGV侧鼓式跳汰机的产品分类,技术要求,成套性,安全要求,检验规则,试验方法,标志、包装、运输和贮存等。
本标准适用于0~50mm不分级人洗选煤用跳汰机(以下简称\跳汰机\)2引用标准
GB3768
JB2299
3产品分类
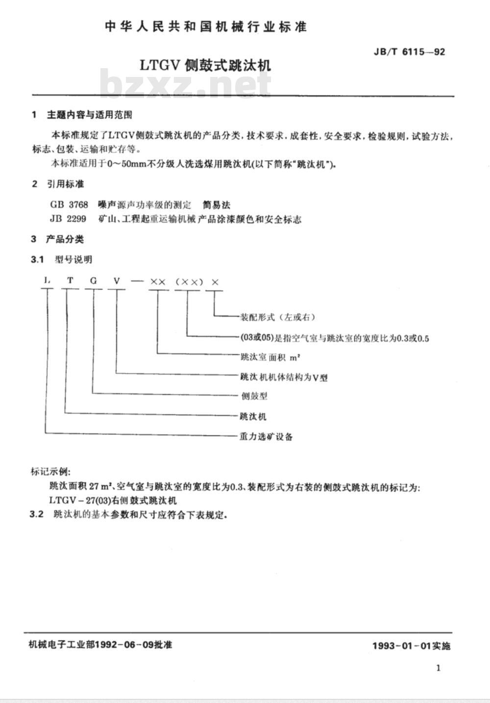
型号说明
标记示例:
噪声源声功率级的测定
简易法
矿山、工程起重运输机械产品涂漆颜色和安全标志G
(××)
装配形式(左或右)
(03或05)是指空气室与跳汰室的宽度比为0.3或0.5跳汰室面积m2
跳汰机机体结构为V型
侧鼓型
跳汰机
重力选矿设备
跳汰面积27m、空气室与跳汰室的宽度比为0.3、装配形式为右装的侧鼓式跳汰机的标记为LTGV-27(03)右侧鼓式跳汰机
3.2跳汰机的基本参数和尺寸应符合下表规定。机械电子工业部1992-06-09批准1993-01-01实施
跳汰机型号
LTGV-4
LTGV-6
LTGV-8
LTGV-10
LTGV-14
LTGV-16
LTGV-19
LTGV-22
LTGV-27
LTGV-32
LTGV-37
基本参数
(03)左、右
(05)左、右
(03)左、右
(05)左、右
(03)左、右
(05)左、右
(03)左、右
(05)左、右
(03)左、右
(05)左、右
(03)左、右
(05)左、右
(03)左、右
(05)左、右
(03)左、右
(05)左、右
(03)左、右
(05)左、右
(03)左、右
(05)左、右
(03)左、右
(05)左、右
跳汰面积
注:跳汰频率及筛孔尺寸也可根据用户要求提供。2
JB/T6115—92
人料粒度
处理能力
70~120
85~150
120~210
130~240
180~300
185~330
270~413
300~500
320~580
跳汰频率
0.87 0.93 1.03
0.88 1.00 1.08
0.75 0.850.98
0.82 0.921.02
0.72 0.82 0.92
0.67 0.77 0.85
0.65 0.73 0.82
0.58 0.67 0.73
0.630.70.8
0.550.620.68
0.53 0.60 0.67
0.580.65 0.73
0.50.570.63
0.550.620.68
0.47 0.52 0.58
0.50.570.63
0.43 0.48 0.55
0.47 0.530.60
跳汰振幅
80~120
筛板倾角
JB/T6115—92
筛孔尺寸
研石段
中 22
中煤段
空气耗量
m'/min
50~100
60~120
85~170
95~190
150~260
200~350
245~440
350~620
380~710
540~960
550~980
810~1250
890~1500
9501730
4技术要求
JB/T6115-92
4.1跳汰机应符合本标准的要求,并按照经规定程序批准的图样及技术文件制造。4.2跳汰机的工作条件
原煤人选前必须清除铁器、杂物及粒度超限的物料。4.2.2
给料必须连续均匀。
及时清理筛板、保持筛孔畅通。4.3跳汰机的结构应保证:
脉动水流在跳汰分室内分布均匀;带有单回路控制器控制的自动排料装置;可分别调节各室的跳汰制度和风水量;可以改变跳汰频率;
可接通集中控制系统;
使于检查修理。
4.4与水、气相接触的焊缝和螺栓连接面不得有渗漏现象。4.5对主要零部件的要求
4.5.1阀座
阅座底面到阅座中心的尺寸为535575mm,偏差为±0.12mm,4.5.2转子
转子外径为Φ175~Φ500mm,偏差为=8mm。4.5.3浮漂
浮漂出厂前密度应调到1.30土0.01g/cm*。4.6中煤段、研石段机体长宽、对角线尺寸偏差不超过土3mm。机体各分室之导流板位置必须一致,相邻分室导流板之间相互偏移不得大于10mm。4.7
排料装置应运转灵活,不得有卡阻现象,浮漂、回转闸门动作要协调。4.8
风阀装置应运转灵活密封性好。转子与衬套间隙不大于0.30mm,调整正确可靠。风阀采用差动度调节,其调节范围为1.0~1.9.风阀与风阀之间可做相位调整。4.10运动件问的润滑性要好。
产品表面涂苹果绿颜色漆,涂漆具体要求按JB2299执行。4.12在有排风筒情况下,空载实测噪声不超过85dB(A)(声压级)4.13
跳汰机第一次大修前的使用期限不得少于45个月。5成套性
跳汰机应包括:
跳汰机本体;
电气设备;
备件和专用工具;
随机技术文件;
排风简按合同要求提供。
6安全要求
人行过道加栏杆。
传动装置处加安全罩,
6.3电气设备的绝缘要求应符合国家规定。4
7检验规则
JB/T6115-92
7.1为了检查跳汰机是否符合本标准的要求,制造厂应进行出厂检验与型式检验。7.2每台跳汰机应做出厂检验,检验项目应符合本标准4.5~4.11条的规定.当与用户另有协议时,出厂检验可有增减,每台产品经检查合格后才能出厂,并附有产品质量合格证书。7.3型式检验应符合本标准3、4、5、6章要求,遇有下列情况之一时,应进行型式检验。正式生产后,如结构、材料、工艺有较大改变,可能影响产品性能时;a.
b.正常生产时,每生产50台后,应进行一次型式检验;C.产品长期停产后,恢复生产时;国家质量监督机构提出进行型式检验的要求时。d.
8试验方法
14.4条用煤油渗透方法进行检验。8.1
8.24.8、4.9、4.10条用手盘动风阀时装置应灵活可靠,不得有卡阻现象。8.3风阀和排料装置进行2h空负荷运转试验,各运动环节工作应正常。8.44.12条按GB3768执行
9标志、包装、运输和贮存
在跳汰机的明显位置固定产品铭牌,其内容包括:9.1
a.制造厂名称;
b.产品型号、名称;
主要技术规格;
d.制造日期;
e,产品编号。
9.2跳汰机应拆卸成便于运输的形式发货,9.3
拆卸之前应将各部件打上装配位置的标记。机体采用局部包装,外露加工配合表面涂防锈脂,并用塑料布包扎。9.4
传动装置、风阀、电气设备、小型零件、随机技术文件等均应装人包装箱。9.6随机技术文件用塑料袋装好装人木箱内,并在该箱表面上注明“技术文件在此\字样。随机技术文件包括:
成套发货表及装箱清单;
b.产品合格证;
产品安装使用说明书;
d.产品安装图。
9.7跳汰机发货标牌及包装箱外壁应写明如下内容:a.
收货单位及到站;
制造厂名称;
产品型号、名称;
制造日期及出厂编号;
合同号、箱号:
净重、毛重、外形尺寸等,并注明起吊线及“不准倒置\等字样。f.
9.8跳汰机的包装应能防止运输变形并便于起吊。9.9跳汰机存放时应有防雨措施,电器设备应放在清洁、干燥的房间内,防止产品在保管中锈蚀、损坏。制造保证
JB/T611592
10.1制造厂应保证跳汰机出厂时符合本标准要求。10.2在用户遵守跳汰机有关规定的运输、保管、安装、使用条件下,从制造厂发货之日起两年内,投人使用之日起半年内,产品确因制造质量不良而发生损坏和不能正常工作时,制造厂应负责免费为用户修理或更换零部件。
附加说明:
本标准由机械电子工业部洛阳矿山机械研究所提出并归口。本标准由洛阳矿山机器厂负责起草。本标准主要起草人高敏、
自本标准实施之日起,原JB/ZQ1038—87《LTGV一27侧鼓式跳汰机》作废6
小提示:此标准内容仅展示完整标准里的部分截取内容,若需要完整标准请到上方自行免费下载完整标准文档。
	 
	        
	      JB/T6115—92
LTGV侧鼓式跳汰机
1992-06-09发布
中华人民共和国机械电子工业部1993-01-01实施
中华人民共和国机械行业标准
LTGV侧鼓式跳汰机bzxZ.net
主题内容与适用范围
JB/T6115-92
本标准规定了LTGV侧鼓式跳汰机的产品分类,技术要求,成套性,安全要求,检验规则,试验方法,标志、包装、运输和贮存等。
本标准适用于0~50mm不分级人洗选煤用跳汰机(以下简称\跳汰机\)2引用标准
GB3768
JB2299
3产品分类
型号说明
标记示例:
噪声源声功率级的测定
简易法
矿山、工程起重运输机械产品涂漆颜色和安全标志G
(××)
装配形式(左或右)
(03或05)是指空气室与跳汰室的宽度比为0.3或0.5跳汰室面积m2
跳汰机机体结构为V型
侧鼓型
跳汰机
重力选矿设备
跳汰面积27m、空气室与跳汰室的宽度比为0.3、装配形式为右装的侧鼓式跳汰机的标记为LTGV-27(03)右侧鼓式跳汰机
3.2跳汰机的基本参数和尺寸应符合下表规定。机械电子工业部1992-06-09批准1993-01-01实施
跳汰机型号
LTGV-4
LTGV-6
LTGV-8
LTGV-10
LTGV-14
LTGV-16
LTGV-19
LTGV-22
LTGV-27
LTGV-32
LTGV-37
基本参数
(03)左、右
(05)左、右
(03)左、右
(05)左、右
(03)左、右
(05)左、右
(03)左、右
(05)左、右
(03)左、右
(05)左、右
(03)左、右
(05)左、右
(03)左、右
(05)左、右
(03)左、右
(05)左、右
(03)左、右
(05)左、右
(03)左、右
(05)左、右
(03)左、右
(05)左、右
跳汰面积
注:跳汰频率及筛孔尺寸也可根据用户要求提供。2
JB/T6115—92
人料粒度
处理能力
70~120
85~150
120~210
130~240
180~300
185~330
270~413
300~500
320~580
跳汰频率
0.87 0.93 1.03
0.88 1.00 1.08
0.75 0.850.98
0.82 0.921.02
0.72 0.82 0.92
0.67 0.77 0.85
0.65 0.73 0.82
0.58 0.67 0.73
0.630.70.8
0.550.620.68
0.53 0.60 0.67
0.580.65 0.73
0.50.570.63
0.550.620.68
0.47 0.52 0.58
0.50.570.63
0.43 0.48 0.55
0.47 0.530.60
跳汰振幅
80~120
筛板倾角
JB/T6115—92
筛孔尺寸
研石段
中 22
中煤段
空气耗量
m'/min
50~100
60~120
85~170
95~190
150~260
200~350
245~440
350~620
380~710
540~960
550~980
810~1250
890~1500
9501730
4技术要求
JB/T6115-92
4.1跳汰机应符合本标准的要求,并按照经规定程序批准的图样及技术文件制造。4.2跳汰机的工作条件
原煤人选前必须清除铁器、杂物及粒度超限的物料。4.2.2
给料必须连续均匀。
及时清理筛板、保持筛孔畅通。4.3跳汰机的结构应保证:
脉动水流在跳汰分室内分布均匀;带有单回路控制器控制的自动排料装置;可分别调节各室的跳汰制度和风水量;可以改变跳汰频率;
可接通集中控制系统;
使于检查修理。
4.4与水、气相接触的焊缝和螺栓连接面不得有渗漏现象。4.5对主要零部件的要求
4.5.1阀座
阅座底面到阅座中心的尺寸为535575mm,偏差为±0.12mm,4.5.2转子
转子外径为Φ175~Φ500mm,偏差为=8mm。4.5.3浮漂
浮漂出厂前密度应调到1.30土0.01g/cm*。4.6中煤段、研石段机体长宽、对角线尺寸偏差不超过土3mm。机体各分室之导流板位置必须一致,相邻分室导流板之间相互偏移不得大于10mm。4.7
排料装置应运转灵活,不得有卡阻现象,浮漂、回转闸门动作要协调。4.8
风阀装置应运转灵活密封性好。转子与衬套间隙不大于0.30mm,调整正确可靠。风阀采用差动度调节,其调节范围为1.0~1.9.风阀与风阀之间可做相位调整。4.10运动件问的润滑性要好。
产品表面涂苹果绿颜色漆,涂漆具体要求按JB2299执行。4.12在有排风筒情况下,空载实测噪声不超过85dB(A)(声压级)4.13
跳汰机第一次大修前的使用期限不得少于45个月。5成套性
跳汰机应包括:
跳汰机本体;
电气设备;
备件和专用工具;
随机技术文件;
排风简按合同要求提供。
6安全要求
人行过道加栏杆。
传动装置处加安全罩,
6.3电气设备的绝缘要求应符合国家规定。4
7检验规则
JB/T6115-92
7.1为了检查跳汰机是否符合本标准的要求,制造厂应进行出厂检验与型式检验。7.2每台跳汰机应做出厂检验,检验项目应符合本标准4.5~4.11条的规定.当与用户另有协议时,出厂检验可有增减,每台产品经检查合格后才能出厂,并附有产品质量合格证书。7.3型式检验应符合本标准3、4、5、6章要求,遇有下列情况之一时,应进行型式检验。正式生产后,如结构、材料、工艺有较大改变,可能影响产品性能时;a.
b.正常生产时,每生产50台后,应进行一次型式检验;C.产品长期停产后,恢复生产时;国家质量监督机构提出进行型式检验的要求时。d.
8试验方法
14.4条用煤油渗透方法进行检验。8.1
8.24.8、4.9、4.10条用手盘动风阀时装置应灵活可靠,不得有卡阻现象。8.3风阀和排料装置进行2h空负荷运转试验,各运动环节工作应正常。8.44.12条按GB3768执行
9标志、包装、运输和贮存
在跳汰机的明显位置固定产品铭牌,其内容包括:9.1
a.制造厂名称;
b.产品型号、名称;
主要技术规格;
d.制造日期;
e,产品编号。
9.2跳汰机应拆卸成便于运输的形式发货,9.3
拆卸之前应将各部件打上装配位置的标记。机体采用局部包装,外露加工配合表面涂防锈脂,并用塑料布包扎。9.4
传动装置、风阀、电气设备、小型零件、随机技术文件等均应装人包装箱。9.6随机技术文件用塑料袋装好装人木箱内,并在该箱表面上注明“技术文件在此\字样。随机技术文件包括:
成套发货表及装箱清单;
b.产品合格证;
产品安装使用说明书;
d.产品安装图。
9.7跳汰机发货标牌及包装箱外壁应写明如下内容:a.
收货单位及到站;
制造厂名称;
产品型号、名称;
制造日期及出厂编号;
合同号、箱号:
净重、毛重、外形尺寸等,并注明起吊线及“不准倒置\等字样。f.
9.8跳汰机的包装应能防止运输变形并便于起吊。9.9跳汰机存放时应有防雨措施,电器设备应放在清洁、干燥的房间内,防止产品在保管中锈蚀、损坏。制造保证
JB/T611592
10.1制造厂应保证跳汰机出厂时符合本标准要求。10.2在用户遵守跳汰机有关规定的运输、保管、安装、使用条件下,从制造厂发货之日起两年内,投人使用之日起半年内,产品确因制造质量不良而发生损坏和不能正常工作时,制造厂应负责免费为用户修理或更换零部件。
附加说明:
本标准由机械电子工业部洛阳矿山机械研究所提出并归口。本标准由洛阳矿山机器厂负责起草。本标准主要起草人高敏、
自本标准实施之日起,原JB/ZQ1038—87《LTGV一27侧鼓式跳汰机》作废6
小提示:此标准内容仅展示完整标准里的部分截取内容,若需要完整标准请到上方自行免费下载完整标准文档。
标准图片预览:





- 其它标准
 
- 热门标准
 - 机械行业标准(JB)
 
- JB/T10288-2001 连栋温室结构
 - JB/T10056-1999 直流电流互感器 技术条件
 - JB/T7895-2008 永磁筒式磁选机
 - JB/T8679-2008 炭弧气刨炭棒 物理及使用性能试验方法
 - JB/T2756-2006 无轨电车用炭滑块
 - JB/T8082-2010 护指键式和护罩式木工平刨床 安全
 - JB/T9713-1999 工程机械 湿式铜基摩擦件 技术条件
 - JB/T9580-2008 炭石墨 产品分类及型号编制方法
 - JB/T8840-2013 电热器具用电源开关
 - JB/T11340.3-2012 阀控式铅酸蓄电池安全阀 第3部分:橡胶帽、阀芯
 - JB/T3411.50-1999 两爪顶拔器 尺寸
 - JB3704-1984 特种调压器用碳电阻片柱电气机械性能试验方法
 - JB/T10677-2006 投影机 光源
 - JB∕T12675-2016 拖拉机液压系统清洁度限值及测量方法
 - JB/T6316-2006 Z4系列直流电动机技术条件(机座号100~450)
 
- 行业新闻
 
请牢记:“bzxz.net”即是“标准下载”四个汉字汉语拼音首字母与国际顶级域名“.net”的组合。 ©2025 标准下载网 www.bzxz.net 本站邮件:bzxznet@163.com
网站备案号:湘ICP备2025141790号-2
网站备案号:湘ICP备2025141790号-2