- 您的位置:
- 标准下载网 >>
- 标准分类 >>
- 铁路运输行业标准(TB) >>
- TB/T 1839-2006 机车电动落轮机
标准号:
TB/T 1839-2006
标准名称:
机车电动落轮机
标准类别:
铁路运输行业标准(TB)
标准状态:
现行-
发布日期:
2006-11-29 -
实施日期:
2007-05-01 出版语种:
简体中文下载格式:
.rar.pdf下载大小:
1.98 MB
标准ICS号:
铁路工程>>铁路车辆>>45.060.10机车中标分类号:
铁路>>机车车辆通用标准>>S39机车车辆检修工艺与设备
部分标准内容:
ICS 45.060.10
中华人民共和国铁道行业标准
TB/T1839-2006
代替TB/T1839--1991,TB/T2276—199120070961
机车电动落轮机
Locomotive electric floor wheel machine2006-11-29 发布
2007-05-01实施
中华人民共和国铁道部发布
规范性引用文件
技术要求
试验方法
检验规则
标志、包装、运输及贮存
TB/T1839—2006
TB/T1839—2006
本标准代替TB/T1839—1991《机车电动落轮机技术条件》、TB/T2276—1991《机车电动落轮机试验方法》。
本标准与TB/T1839—1991《机车电动落轮机技术条件》、TB/T2276—1991《机车电动落轮机试验方法》相比主要变化如下:
标准名称变更为《机车电动落轮机》;调整并修改了标准的技术要求、试验方法、检验规则等章节的内容;-删除了有关蒸汽机车落轮机的基本参数,增加了电力机车落轮机的基本参数;-增加了落轮机活动过桥轨道的技术要求;增加了落轮机作业噪声的规定。本标准由铁道部经济规划研究院提出并归口。本标准由铁道部经济规划研究院、唐山百川智能机器有限公司负责起草。本标准主要起草人:张逸凡、桑翠江、王桂青、杨金川。本标准所代替标准的历次版本发布情况为:TB/T1839—1987、TB/T1839—1991;TB/T2276—1991。
1范围
机车电动落轮机
TB/T1839—2006
本标准规定了机车电动落轮机的技术要求、试验方法、检验规则、标志、包装、运输及贮存等。本标准适用于标准轨距铁路机车检修落轮作业用的电动落轮机(以下简称落轮机)。规范性引用文件
下列文件中的条款通过本标准的引用而成为本标准的条款。凡是注日期的引用文件,其随后所有的修改单(不包括勘误的内容)或修订版均不适用于本标准,然而鼓励根据本标准达成协议的各方,研究是否可使用这些文件的最新版本。凡是不注日期的引用文件,其最新版本适用于本标准。GB/T6991999优质碳素结构钢
GB/T1176—1987铸造铜合金技术条件GB/T1801极限与配合公差带和配合的选择GB/T5905起重机试验规范和程序起重机械安全规程
GB/T6067
锯齿形(3°,30°)螺纹公差
GB/T13576.4-—19924
铁道机车车辆用碳钢铸件通用技术条件TB/T14641991
TB/T1466—1991
铁道机车车辆用灰铸铁件通用技术条件TB/T1580-1995
新造机车车辆焊接技术条件
3技术要求
3.1基本要求
3.1.1落轮机应按照经规定程序批准的图样和技术文件制造,并应符合本标准的规定。3.1.2落轮机可由以下部分组成:活动过桥轨道;
b)垂直升降落轮机构:升降架、载重丝杠一螺母、蜗轮蜗杆减速箱、起重电机等;c)轮轨式横向移动走行机构:底架、走行电机、走行轮、走行轮轨道等;d)电气控制装置。
3.1.3落轮机的基本参数应符合表1的规定。表1汽
落轮机基本参数
活动过桥轨道宽度
升降行程
额定升降/走行载荷
最大载荷
升降速度
走行速度
走行轮中心距
2170/2470
≥1500
1400/1900
“2470适用于SSi型电力机车
“1900适用于SSi型电力机车
TB/T1839—2006
3.1.4落轮机的作业噪声应小于75dB(A)。3.2焊接要求
活动过桥轨道、升降架、底架等组焊件的材料、焊接工艺、焊缝等应符合GB/T6067、TB/T15801995的有关规定。
3.3关键零部件要求
载重丝杠、螺母的材料应符合GB/T1176—1987、GB/T699—1999的有关规定,其锯齿形螺纹的制造精度应不低于GB/T13576.4一1992规定的中等精度(7H/7e)。3.4组装要求
3.4.1所有零部件应经制造厂检验部门检验合格后,方可进行装配。其中外购件、协作件应有产品合格证明。
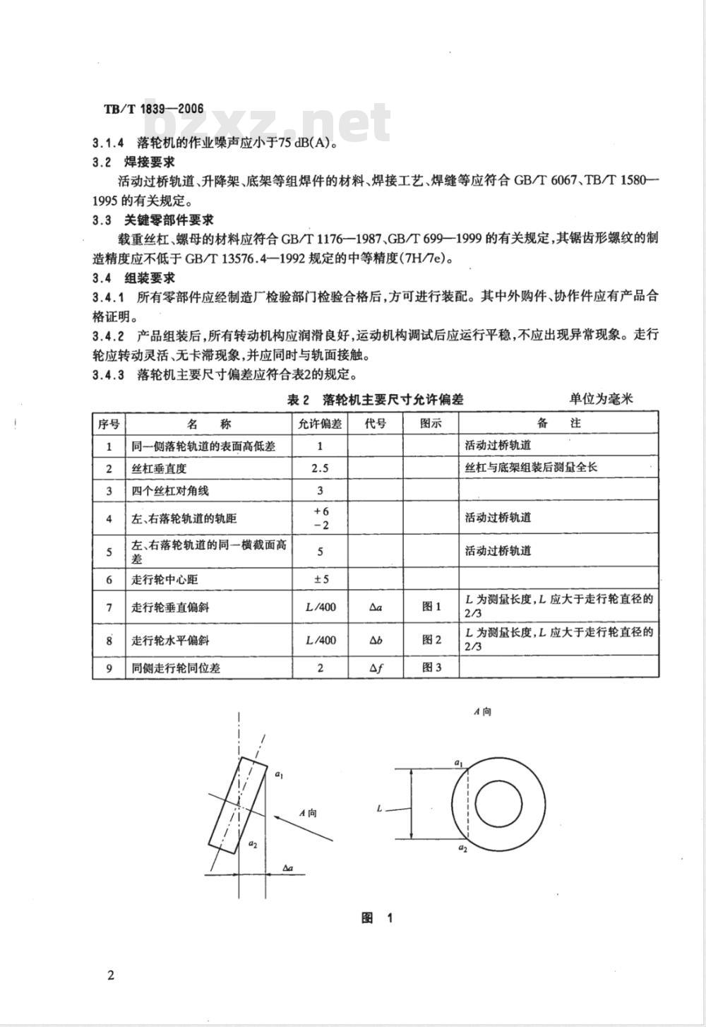
3.4.2产品组装后,所有转动机构应润滑良好,运动机构调试后应运行平稳,不应出现异常现象。走行轮应转动灵活、无卡滞现象,并应同时与轨面接触。3.4.3落轮机主要尺寸偏差应符合表2的规定。表2落轮机主要尺寸允许偏差
同一侧落轮轨道的表面高低差
丝杠垂直度
四个丝杠对角线
左、右落轮轨道的轨距
左、右落轮轨道的同一横截面高差
走行轮中心距
走行轮垂直偏斜
走行轮水平偏斜
同侧走行轮同位差
允许偏差
活动过桥轨道
单位为毫米
丝杠与底架组装后测量全长
活动过桥轨道
活动过桥轨道
L为测量长度,L应大于走行轮直径的2/3
L为测量长度,L应大于走行轮直径的2/3
TB/T1839—2006
3.4.4升降架在升降过程中各蜗轮减速箱应保持同步,不应出现卡滞现象;走行轮运转位置不应偏斜,其检测结果应符合表2的规定。
3.5电气要求
3.5.1电气部分应符合GB/T6067中有关电气设备的规定。3.5.2升降电机应采用起重电机。3.5.3走行电机应采用防护等级为IP44的电机。3
TB/T1839-2006
3.5.4落轮机工作时,其限位开关应安装牢固、整齐,动作可靠。3.5.5电气控制装置应操作方便,安全可靠。4试验方法
4.1试验项目
试验项目包括:
a)空载试验;
b)静载试验;
c)动载试验;
d)瞬时动载试验。
4.2试验准备
4.2.1试验用的主要仪器、仪表应经过检查和校准,性能和精度应符合有关规定并满足试验要求。4.2.2试验场地坚实平整,走行轨道应符合使用要求。4.2.3机械及电气的安装应符合设计和相应标准的要求。4.2.4整机组装后应进行检查和调试。4.3试验
4.3.1空载试验
落轮机在空负荷状态下:
a)升降架升降循环不应少于5次,升降速度和行程应符合本标准表1的有关规定,要求升降同步,停车不发生冲击现象;
b)往返走行不应少于2次,走行速度应符合本标准表1的有关规定,要求运转平稳,升降同步,停车不发生冲击现象。
4.3.2静载试验
使升降架处于最大起升高度,试验负载应为最大载荷的125%,承载时间不少于10min,落轮机的所有零部件不应发生损坏、松动和永久变形。4.3.3动载试验
试验负载应为额定升降载荷的110%。在负载状态下,升降和走行机构应分别运转。落轮机的各部位应运行正常,升降电机、走行电机、蜗轮减速箱等外壳的温升不应超过50℃,作业噪声应符合本标准的规定。
4.3.4瞬时动载试验
将落轮机升降架置于最大起升高度下100mm~300mm处,逐步加载至最大载荷,平稳起升至最大高度,落轮机不应出现控制失灵、损坏及其他故障,所有连接紧固处不应出现松动。卸载后,不应产生裂纹及永久变形。
4.4试验报告
试验结束后应编写试验报告,内容包括:a)试验检测项目;
b)每项试验的程序和数据;
c)落轮机试验是否合格的结论;d)注明试验日期、地点、试验负责人和检测人员签名。5检验规则
5.1出厂检验
产品出厂前应根据本标准要求逐台进行检验,经检验合格后方可出厂。其中试验项目应包括4.14
的a)、b)、c)项。
5.2型式检验
5.2.1产品有下列情况之一时,应进行型式检验:a)新产品投产前或异地生产时的定型鉴定;b)产品的结构、材料、工艺有较大的改变时;c)产品停产年以上,恢复生产时。5.2.2试验项目应包括4.1的全部项目。5.3其他检验
用户有特殊要求时,双方应按合同执行。标志、包装、运输及贮存
在落轮机升降架侧面显著位置应装订铭牌。其内容包括:a)产品名称;
b)制造厂名;
c)产品型号;
d)制造日期;
e)产品编号;
f)主要技术参数。
包装、运输及贮存
6.2.1产品的包装应保证产品运输过程中不受损伤。6.2.2
包装箱内应附有下列随机文件:产品合格证;
装箱清单;
c)产品使用说明书。
产品使用说明书应包括下列内容:a)
用途及主要性能;
基础安装图、装配图、电气原理图;主要零件的材料表;
安装、使用、维修、保养注意事项;d)
常见故障及消除方法;
易损零件图。
TB/T1839—2006
产品在运输过程中应将升降架移至重心最低处,并将丝杠的裸露部分加以防护。落轮机存放时应有防尘、防锈措施。6.2.5
TR/T1839-2006
人民共和国
铁道行业标准
机车电动落轮机
Locomotive electric floorwheel machineTB/T1839—2006
中国铁道出版社出版、发行
(100054,北京市宣武区右安门西街8号)读者服务部电话:市电(010)51873174,路电(021)73174北京市兴顺印刷厂印刷
版权专有侵权必究
开本:880mm×1230mm1/16www.bzxz.net
2007年3月第1版
印张:0.75字数:10千字
2007年3月第1次印刷
统一书号:15113·2403
定价:7.20元
小提示:此标准内容仅展示完整标准里的部分截取内容,若需要完整标准请到上方自行免费下载完整标准文档。
中华人民共和国铁道行业标准
TB/T1839-2006
代替TB/T1839--1991,TB/T2276—199120070961
机车电动落轮机
Locomotive electric floor wheel machine2006-11-29 发布
2007-05-01实施
中华人民共和国铁道部发布
规范性引用文件
技术要求
试验方法
检验规则
标志、包装、运输及贮存
TB/T1839—2006
TB/T1839—2006
本标准代替TB/T1839—1991《机车电动落轮机技术条件》、TB/T2276—1991《机车电动落轮机试验方法》。
本标准与TB/T1839—1991《机车电动落轮机技术条件》、TB/T2276—1991《机车电动落轮机试验方法》相比主要变化如下:
标准名称变更为《机车电动落轮机》;调整并修改了标准的技术要求、试验方法、检验规则等章节的内容;-删除了有关蒸汽机车落轮机的基本参数,增加了电力机车落轮机的基本参数;-增加了落轮机活动过桥轨道的技术要求;增加了落轮机作业噪声的规定。本标准由铁道部经济规划研究院提出并归口。本标准由铁道部经济规划研究院、唐山百川智能机器有限公司负责起草。本标准主要起草人:张逸凡、桑翠江、王桂青、杨金川。本标准所代替标准的历次版本发布情况为:TB/T1839—1987、TB/T1839—1991;TB/T2276—1991。
1范围
机车电动落轮机
TB/T1839—2006
本标准规定了机车电动落轮机的技术要求、试验方法、检验规则、标志、包装、运输及贮存等。本标准适用于标准轨距铁路机车检修落轮作业用的电动落轮机(以下简称落轮机)。规范性引用文件
下列文件中的条款通过本标准的引用而成为本标准的条款。凡是注日期的引用文件,其随后所有的修改单(不包括勘误的内容)或修订版均不适用于本标准,然而鼓励根据本标准达成协议的各方,研究是否可使用这些文件的最新版本。凡是不注日期的引用文件,其最新版本适用于本标准。GB/T6991999优质碳素结构钢
GB/T1176—1987铸造铜合金技术条件GB/T1801极限与配合公差带和配合的选择GB/T5905起重机试验规范和程序起重机械安全规程
GB/T6067
锯齿形(3°,30°)螺纹公差
GB/T13576.4-—19924
铁道机车车辆用碳钢铸件通用技术条件TB/T14641991
TB/T1466—1991
铁道机车车辆用灰铸铁件通用技术条件TB/T1580-1995
新造机车车辆焊接技术条件
3技术要求
3.1基本要求
3.1.1落轮机应按照经规定程序批准的图样和技术文件制造,并应符合本标准的规定。3.1.2落轮机可由以下部分组成:活动过桥轨道;
b)垂直升降落轮机构:升降架、载重丝杠一螺母、蜗轮蜗杆减速箱、起重电机等;c)轮轨式横向移动走行机构:底架、走行电机、走行轮、走行轮轨道等;d)电气控制装置。
3.1.3落轮机的基本参数应符合表1的规定。表1汽
落轮机基本参数
活动过桥轨道宽度
升降行程
额定升降/走行载荷
最大载荷
升降速度
走行速度
走行轮中心距
2170/2470
≥1500
1400/1900
“2470适用于SSi型电力机车
“1900适用于SSi型电力机车
TB/T1839—2006
3.1.4落轮机的作业噪声应小于75dB(A)。3.2焊接要求
活动过桥轨道、升降架、底架等组焊件的材料、焊接工艺、焊缝等应符合GB/T6067、TB/T15801995的有关规定。
3.3关键零部件要求
载重丝杠、螺母的材料应符合GB/T1176—1987、GB/T699—1999的有关规定,其锯齿形螺纹的制造精度应不低于GB/T13576.4一1992规定的中等精度(7H/7e)。3.4组装要求
3.4.1所有零部件应经制造厂检验部门检验合格后,方可进行装配。其中外购件、协作件应有产品合格证明。
3.4.2产品组装后,所有转动机构应润滑良好,运动机构调试后应运行平稳,不应出现异常现象。走行轮应转动灵活、无卡滞现象,并应同时与轨面接触。3.4.3落轮机主要尺寸偏差应符合表2的规定。表2落轮机主要尺寸允许偏差
同一侧落轮轨道的表面高低差
丝杠垂直度
四个丝杠对角线
左、右落轮轨道的轨距
左、右落轮轨道的同一横截面高差
走行轮中心距
走行轮垂直偏斜
走行轮水平偏斜
同侧走行轮同位差
允许偏差
活动过桥轨道
单位为毫米
丝杠与底架组装后测量全长
活动过桥轨道
活动过桥轨道
L为测量长度,L应大于走行轮直径的2/3
L为测量长度,L应大于走行轮直径的2/3
TB/T1839—2006
3.4.4升降架在升降过程中各蜗轮减速箱应保持同步,不应出现卡滞现象;走行轮运转位置不应偏斜,其检测结果应符合表2的规定。
3.5电气要求
3.5.1电气部分应符合GB/T6067中有关电气设备的规定。3.5.2升降电机应采用起重电机。3.5.3走行电机应采用防护等级为IP44的电机。3
TB/T1839-2006
3.5.4落轮机工作时,其限位开关应安装牢固、整齐,动作可靠。3.5.5电气控制装置应操作方便,安全可靠。4试验方法
4.1试验项目
试验项目包括:
a)空载试验;
b)静载试验;
c)动载试验;
d)瞬时动载试验。
4.2试验准备
4.2.1试验用的主要仪器、仪表应经过检查和校准,性能和精度应符合有关规定并满足试验要求。4.2.2试验场地坚实平整,走行轨道应符合使用要求。4.2.3机械及电气的安装应符合设计和相应标准的要求。4.2.4整机组装后应进行检查和调试。4.3试验
4.3.1空载试验
落轮机在空负荷状态下:
a)升降架升降循环不应少于5次,升降速度和行程应符合本标准表1的有关规定,要求升降同步,停车不发生冲击现象;
b)往返走行不应少于2次,走行速度应符合本标准表1的有关规定,要求运转平稳,升降同步,停车不发生冲击现象。
4.3.2静载试验
使升降架处于最大起升高度,试验负载应为最大载荷的125%,承载时间不少于10min,落轮机的所有零部件不应发生损坏、松动和永久变形。4.3.3动载试验
试验负载应为额定升降载荷的110%。在负载状态下,升降和走行机构应分别运转。落轮机的各部位应运行正常,升降电机、走行电机、蜗轮减速箱等外壳的温升不应超过50℃,作业噪声应符合本标准的规定。
4.3.4瞬时动载试验
将落轮机升降架置于最大起升高度下100mm~300mm处,逐步加载至最大载荷,平稳起升至最大高度,落轮机不应出现控制失灵、损坏及其他故障,所有连接紧固处不应出现松动。卸载后,不应产生裂纹及永久变形。
4.4试验报告
试验结束后应编写试验报告,内容包括:a)试验检测项目;
b)每项试验的程序和数据;
c)落轮机试验是否合格的结论;d)注明试验日期、地点、试验负责人和检测人员签名。5检验规则
5.1出厂检验
产品出厂前应根据本标准要求逐台进行检验,经检验合格后方可出厂。其中试验项目应包括4.14
的a)、b)、c)项。
5.2型式检验
5.2.1产品有下列情况之一时,应进行型式检验:a)新产品投产前或异地生产时的定型鉴定;b)产品的结构、材料、工艺有较大的改变时;c)产品停产年以上,恢复生产时。5.2.2试验项目应包括4.1的全部项目。5.3其他检验
用户有特殊要求时,双方应按合同执行。标志、包装、运输及贮存
在落轮机升降架侧面显著位置应装订铭牌。其内容包括:a)产品名称;
b)制造厂名;
c)产品型号;
d)制造日期;
e)产品编号;
f)主要技术参数。
包装、运输及贮存
6.2.1产品的包装应保证产品运输过程中不受损伤。6.2.2
包装箱内应附有下列随机文件:产品合格证;
装箱清单;
c)产品使用说明书。
产品使用说明书应包括下列内容:a)
用途及主要性能;
基础安装图、装配图、电气原理图;主要零件的材料表;
安装、使用、维修、保养注意事项;d)
常见故障及消除方法;
易损零件图。
TB/T1839—2006
产品在运输过程中应将升降架移至重心最低处,并将丝杠的裸露部分加以防护。落轮机存放时应有防尘、防锈措施。6.2.5
TR/T1839-2006
人民共和国
铁道行业标准
机车电动落轮机
Locomotive electric floorwheel machineTB/T1839—2006
中国铁道出版社出版、发行
(100054,北京市宣武区右安门西街8号)读者服务部电话:市电(010)51873174,路电(021)73174北京市兴顺印刷厂印刷
版权专有侵权必究
开本:880mm×1230mm1/16www.bzxz.net
2007年3月第1版
印张:0.75字数:10千字
2007年3月第1次印刷
统一书号:15113·2403
定价:7.20元
小提示:此标准内容仅展示完整标准里的部分截取内容,若需要完整标准请到上方自行免费下载完整标准文档。
标准图片预览:





- 其它标准
- 热门标准
- 铁路运输行业标准(TB)
- TB/T2120-1990 铁路信号交流继电器通用技术条件
- TB/T1670-2009 15号车钩样板
- TB/T2075.20-2002 电气化铁道接触网零部件 第20部分:特型软定位器
- TB1549.21-1984 冷冲模托料滚道装置 滚道体
- TB1549.8-1984 冷冲模托料滚道装置 托料滚道轴
- TB/T3010-2001 铁道车辆滚动轴承高碳铬轴承钢订货技术条件
- TB/T2591-2007 铁路机车滚动轴承订货技术条件
- TB/T3443.3-2016 机车车辆车种、车型和车号编码规则第3部分:货车
- TB1549.12-1984 冷冲模托料滚道装置 弹簧盒
- TB1549.17-1984 冷冲模托料滚道装置 上下料滚道组合
- TB1549.18-1984 冷冲模托料滚道装置 上下料滚道轴
- TB1549.3-1984 冷冲模托料滚道装置 托料滚道组合
- TB/T1669.23-1985 13号车钩钩体腔回转样板下侧曲面(R152)的校对样板
- TB/T1669.25-1985 13号车钩钩舌回转样板上侧曲面(R153)的校对样板
- TB/T1700-2004 铁路手信号灯技术条件
- 行业新闻
请牢记:“bzxz.net”即是“标准下载”四个汉字汉语拼音首字母与国际顶级域名“.net”的组合。 ©2025 标准下载网 www.bzxz.net 本站邮件:bzxznet@163.com
网站备案号:湘ICP备2025141790号-2
网站备案号:湘ICP备2025141790号-2