- 您的位置:
- 标准下载网 >>
- 标准分类 >>
- 铁路运输行业标准(TB) >>
- TB/T 3264-2011 动车司机座椅
标准号:
TB/T 3264-2011
标准名称:
动车司机座椅
标准类别:
铁路运输行业标准(TB)
标准状态:
现行出版语种:
简体中文下载格式:
.zip .pdf下载大小:
211.39 KB
点击下载
标准简介:
TB/T 3264-2011.Driver seat for rail car.
1范围
TB/T 3264规定了动车司机座椅的使用条件、技术要求、试验方法、检验规则以及标志、包装、运输和贮存等。
TB/T 3264适用于动车司机座椅,其他机车车辆司机座椅可参照使用。
2规范性引用文件
下列文件对于本文件的应用是必不可少的。凡是注日期的引用文件,仅所注日期的版本适用于本文件。凡是不注日期的引用文件,其最新版本(包括所有的修改单)适用于本文件。
GB/T 191包装 储运图示标志( GB/T 191-2008 , IsO 780:1997 , MOD)
GB/T 3920--2008纺织品色牢度试验 耐摩擦色牢度( ISO 105-X12 :2001 ,M0D)
GB/T 5453织物透 气性试验方法( GB/T 5453- -1997 ,oqv IS0 9237:1995)
CB/T6344--2008软质泡沫聚合材料拉伸强度和断裂伸长率的测定(ISO1798:2008,IDT)
GB/T 10807- -2006软质泡沫聚合 物材料硬度 的测定(压陷法)( ISO 2439:1997 ,IDT)
GB/T15083--2006汽车座椅、座椅固定装置及头枕强度要求和试验方法(ECER17,2000版)
GB/T 21563- -2008轨道交通机车车辆设备 冲 击和振动试验( IEC 61373 :1999 ,IDT)
QC/T 805- -2008 乘用 车座椅用滑轨技术条件
TB/T 2961一1999机车司机室座椅(eqv AAR S-504 :1980)
TB/T 3138- 2006机车车辆阻燃材料技术条件
TB/T 3139- -2006 机车车辆内装材料及室内空气有害物质限量
3使用条件
3.1环境条件
a) 环境温度:-40℃~ +40℃;
b)相对湿度:最湿月月平均最大相对湿度小于或等于95% (该月月平均最低温度为25℃)。
3.2运用条件
安装后的座椅最大冲击加速度应满足以下要求:
a)纵向:5g;
b) 横向:1g;
c) 垂向:3g。
部分标准内容:
中华人民共和国铁道行业标准
TB/T3264—2011
动车司机座椅
Driver seat for rail car
2011-05-20发布
2011-11-01实施
中华人民共和国铁道部发布
2规范性引用文件
使用条件
环境条件
3.2运用条件
4技术要求
基本结构尺寸与结构要求
座椅的功能要求
安装要求
5试验方法
试验条件
外观尺寸及座椅操作性检验
静强度试验
耐冲击、振动试验
耐久性试验…
功能试验
6检验规则
出」检验
型式检验
标志、包装、运输和览存
7.1标志
7.2包装
7.3运翰和贮存
参考文献
TB/T 3264—2011
TB/T3264—2011
本标准按照CB/T1.1—2009给出的规则起章。本标准由铁道行业内燃机车标准化技术委员会提出并归口。本标准由南车青岛四方机车车辆股份行限公司、成都市天龙交通设备有限公司负责起章,唐山轨道客车有限责任公司、长轨道客车股份有限公司参加起草。本标准土要赵草人:崔巍、张里波、郭小峰、赵金里、肖艳荣、张建平,T
1范围
动车司机座椅
TR/T 32642011
本标准规定「动车司机座椅的使旧条件,技术要求、试验方法、检验规则以及标志、包装、运输和赔存等。
本标准适用十动车司机座椅,其他机车车辆司机座椅可参照使用。2规范性引用文件
下列文件对于本文件的应而是必不可少的:凡是注口期的引用文件,仅所注H期的版木适用于本文,凡是不注日期的引用文件,其最新版本(包括所有的修改单)适用于本文件。CB/T191包装储运图示标志(CH/T191--2008,1S0 780;1997,M0D)GR/T3920--2008纺织品色牢度试验耐摩擦色牢度(IS)105-X12:2001M0D)GB/T5453织物透气性试验方法(GB/T5453—1997,eqIS09237:1995)CB/T6344—2008软质泡沫案合材料拉仲强度和断裂伸长率的测定(IS01798:2008,IDT))GB/T10807—2006软质泡沫聚合物材料硬度的测定(压陷法)(JS02439:1997,IT)CB/T15083—2006汽车座椅、座椅固趋装置及头枕强度要求和试验方法(FCER17,2000版)G/T21563—2008轨道交通机车车辆设备冲ti和振动试验(IEC61373:1999,JI)T)QC/T805—2008
乘用车座椅用滑就技术条件
TB/T 2961—1999
TB/T 3138—2006
TB/T3139—2006
3使用条件
3.1环境条件
机车可机室座椅(eqVAAR S-504:1980)机车车辆阻燃材料技术条件
机车车辆内装材料及室内空气有害物质限量a)环境温度:-40 ~+40 ;
b)相对湿度:最湿月月均最大相对湿度小于或等于95%(该月月平均最低温度为25)3.2运用条件,
安装后的座椅最人冲击加速度应满起以下要求:)纵间:5g;
h)横向:Ig;
垂向:3g。
4技术要求
4.1.1座椅的各部分不应存在可能会危害到人身安全的锐边、锐角等缺陷。4.1.2座垫,鞘背应采用软质垫层,4.1.3面料应缝合牢固,链合部位不允许漏缝、开缝、脱线、跳线等缺陷,4.1.4
座椅靠背和座垫的表面应饱满;面布包覆整齐无错漏;不得有折皱、划伤、撕裂、跳丝等缺陷。4.1.5座椅骨架各煤接处打磨光滑,不得有咬边和焊瘤现象存在:1
TB/T3264-2011
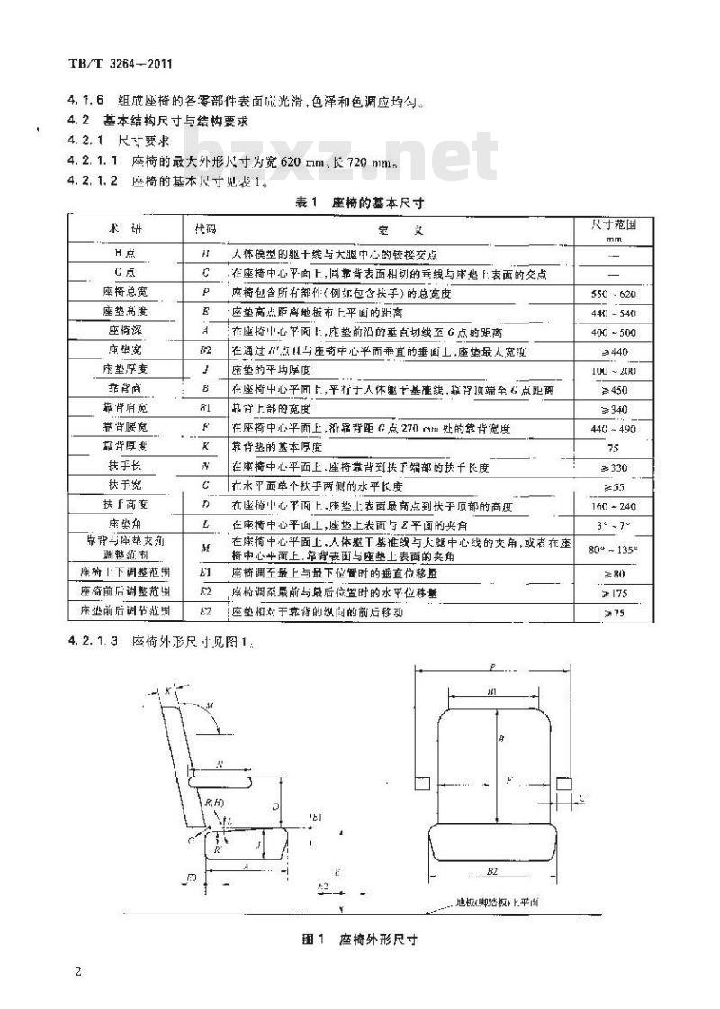
4.1.6组成座椅的各零部件表面应光滑,色泽和色调应均勺4. 2基本结构尺寸与结构要求
4.2.1尺寸要求
4.2.1.1座椅的最大外形尺寸为宽620mm,长720mm,4. 2. 1. 2
座椅的基本尺寸见表1。
表1座椅的基本尺寸
座椅总宽
座垫,高度
座崎深
座必究
座垫序度
菲背商
靠背庐觉
带背宽
货厚授
扶于长
铁于宽
扶「高度
座奖负
背与座势来知
调整范围
座1:下调整范围
座椅前后调整范型
座垫前后谢节范围
4. 2. 1. 3
人体模型的躯干线与大腿中心的铰接交点在座椅中心平面上,间非背表面相切的垂线与库些F:表面的交点库椅包含所有部件(例如包含扶手)的总宽度座望高点距商地板布上平面的距离在座椅中心面!:,座垫前沿的垂点划线至G点的距离在通过H点!与座椅中心平而垂宜的垂面上座垫最大宽度座垫的平均厚度
在座椅中心平面上,平行于人休十基准线,靠背顶端至6点距离常背上部的宽度
在座椅中心平而上,剂率背距G点270mu处的靠背觉度非背垫的基本厚度
在座椅中心平面上.座椅靠背到扶于端部的扶手长度在水平面单个扶于两侧的水平长度在座格中心平面上..座垫上表面最高点到扶于顶部的高度在座椅中心平面上,座垫上表面与Z平面的央角在座中心平面上、人体题干基准线与大疑中心线的变角,或者在座椅中心半面上,靠背表面与座垫上表面的夹角座椅调至最上与最下位骨时的垂直位移血座恰调至最前与总后位置时的水平位移量座垫相对于靠背的纵间的前后移动座椅外形尺小见图1
座椅外形尺寸
地板(脚踏板)上平
尺寸范囤
550 - 620
440 -540
400-500
100~2()
440~490
160 -240
3°~7°
80*~135\
4.2. 1. 4座椅定位尺寸见图2。5
取值范用
说明:
座崎参考点:
脚后跟部点
550-620
680-750
H点人体模避的驱干毁与大腿中心的较接交点,400-420
470 -500
图2座定位尺寸
4. 2.2基本结构
TB/T 3264—2011
单位为变米
4.2.2.1座椅的一般特点应包括:背倾角可调、座垫带倾斜角及纵向可调,座椅可前后移动、高度可调,可旋转:
4.2.2.2座椅应具有良好的舒适性和减振、防共振性能。4.2.2.3座椅应适应不同体重机的需求,并可根据需要进行选择调节。4. 2. 2. 4
当座设置扶手时,扶手应便于折昏移开。料
4.3.1座椅的面料应具有防滑、不易破损、透气性好、耐油及不易老化的性能,蒙面用料的手感应柔和。色牛度应大丁或等于CB/T3920一2008规定的4级,具有优异的抗磨损,刮伤、廉仿和站污性能。座椅面料及内部的软挚等非金属材料的杜能应符合T3/T3138—2006中的相关规定。4.3.2
规定。
座椅面料及内部的软垫等非金属材料的有害物质限量应符介TB/T3139一2006中的相关座椅面料和软垫等要非金属材料应具有较高的防火性能,防火标准可根据用户要求选择4.3.4
执行。
座挚与带垫的材料按照GB/T6344一2008检测,75%压缩永久变形应车6%:断裂伸长率4.3. 5
做275%
4.3.6座整与靠垫的材料的压缩硬度(压缩40%)按照CB/T10807一2006进行测试,性能指标应满足相应要求。
4. 3. 7座椅面材料的透气性按GB/T 5453规定的试验方法进行。3
TB/T3264—2011
4.3.8梳甘架来用金届枢架结构,焊接应牛固可靠。非关键焊缝以保证满足其动能要求,焊缝不会火效,所有焊缝接头在爆前、焊巾和焊后均应能看到非检查,4.4性
座椅的各个部位在表2规定的裁荷条件下,不应出现裂痕及水久变形等缺陷,并保持一定的刚度。表2强度要求
阅技于
4.4.2耐久性
载街施加方向
垂直向下
直间上此内容来自标准下载网
水平间后
币直下离内
较荷估
库椅的前边缘1取次于其结构:见图3中F4、F4
库椅背的任何部位:5图31i1\1适直扶手向下和/或侧向作用在扶于前类;见图3中F3,F3r
座椅的各个部位在表3规定的耐久性载荷条件下,不应出现功能性的变形,裂纹缺陷,可动作机构应无异常:
表 3 耐久性要求
久性项日
获手的被芬强度
座椅草背衔皮调节寿命
座愉的高虚谢节
减振系统寿命
4.4.3耐冲击、振动性能
扶手承久变形量不得人十5nm
战验过程中不得发生任何裂纹,断裂消况,座静不得产生异音5×10个使用循环仍可正常T.作
循环1×10°万次仍可正带T.相
4.4.3.1座垫,靠背的种开强度应满足TL/T2961—1999中5.1和5.2的要求:座椅的旋转稳定性应满足TR/2961—1999中5.3的婴求,4.4.3.2庞椅整体5.4进行冲振动后,座椅应能保持正常T作。4.5座椅的功能要求
4.5.1座椅各调节动能均可单于樂作实现。座椅调节器应调节白如、锁止可靠、操作轻便,无卡滞现象,司机在乘坐姿态下,座琦角度调节的调整力矩成不人于10N·m,上下、前后、旋转调节器的调整手柄操作力应不人于100N。
4.5.2苹背角度成可调节。靠背向后调整一次的调整角度为2°~5°,向前可折叠以范省空间、各挡位要有可靠锁止调节机构,靠背与水平面倾角调整范制80°~1354.5.3座特应可前后移动。前后调节范围应人于或等于175mm。导轨前后移动应有双侧锁止调节机构,
4.5.4座垫高度应可多挡调节,上下调节范因应大于或等于80mm,各挡位要有可常锁止调节税构。
4.5.5座整应可前后移动。前后调节范围应人于或等下75mm、各挡位要有可靠锁止调节机构4.5.6座椅应可平面旋转调节座榜可左右旋转180°,并在前尚位、左右90位、向位可锁止,旋转机构不得棵露,防止杂物掉人或卡伤于指。4.5.7快手角度应可调节。调整帕度向上不小」10向下不小20°。扶手可向[折起。4.5.日,头税商度成叫调节:根据需要司机座椅可以设置头枕,间上拉出头枕即可调节头枕高度。将4
TB/T3264—2011
头枕拉高至最高一挡再用力抽出即可取下头枕:头枕商度可分级调节,调整范围应大下或等厂75mml。直接在前或往后扳动头枕可改变头枕倾角:头枕角度调节最小30。4.5.9座椅应配条腰撑调节机构:腰部支撑的深度和高度应可调。4.5.10司机座椅应具有良好的舒适性和减振.防共振性能,椅具备司机体重调节功能,调整范围50 kg - 130 kg :
4.5.11座椅的座垫和靠背应配备曲线彤海绵衬垫,符合人体工程学设计,座椅在使用时.其靠背正凸面的压缩尺寸为10mm~20mm,压缩部位宜在座垫上方180mm~230mm处。4.5.12座椅应使司机保持正确的姿势,并且便于操作。如果带要,座椅可设置折起功能。4.5.13根据车辆的运行和悬挂待性的要求,座椅的阻尼应尽可能与车体阻尼相适用、避免共振。4.6安装要求
4.6.1靠背应可靠的饺接。靠背垫和座垫座应用坚固件固定到金属骨架土。4.6.2底座需要通过螺栓及背板固定到地板上,并采取有效的防松措施。4.6.3应设置合适的锁销成其他锁紧装置,防止旋转超限或水平移动,5试验方法
5. 1 试验条件
座椅样件的试验环境应与相应的车辆使用环境条件相同,或者在和同条件下的试验台上进行。试验可作不影响测试结果的工之未完成的情况下进行。5.2外观尺寸及座椅操作性检验
对庞椅采用月测及常规测量器且进行检验,检验结果是否符合4.1及4.2的要求。5.3静强度试验
座椅的支择结构及其配件抑载如表2中规定的载荷值及位置,每种载荷应独立地施如,每个座位施加3次,载荷应使用合返的装施加;从0上升到表2规定的裁荷,在达到试验载荷之前,试验设备应保持(100±20)mm/min的速度加载,座椅及其配件应至少承受试验载荷1,试验后捡凭座椅是否符合4.4.1的要求,座位载荷测试位置及方问示意用见图3。说明:
1000,水平间,在面积为300mm×250mm的支撑结构工任何点,支撑板上边缘与靠背上沿半产:F3——750N,垂直方向.在面积为300mml×80mml的支撑结构上任何点,支举板纵向边续与扶手外活半齐(在中间的座榜上仪为垂直方向):
F3——750Y,水平力向.在面积为300mm×mm的支撑结构上任何点,支律板纵尚缘与状于外消平齐;叫——1000N垂直下施加到300mm×250au的支择结构1:任何点上,支撑板边缴与座垫外边沿齐;F4—1200N,垂直向上施加到300mm×250mm的支撑结物上任何点,支污板边缘与座势外边沿平齐:注:当座垫为抽拉结构或粘接结构对,F4'不必满足此参数,可自行定义数值。图3座位载荷测试位置及方向示意图5
TB/T 3264--2011
5.4耐冲击、振动试验
座椅整体的冲击振动测试按GB/T21563--2008中一类A级进行,该项试验要求在75kg有载情况下进行。其他冲击试验按TB/T296I—1999中5.1.5.2和5.3的规定进行。5.5耐久性试验
5.5.1扶手疲劳强度试验
扶手水平安装,距离前边缘60mm,对其施加一个周期性600N的力,力的方向45°向外并向下,频率20次/min,循环周期2.5×10°次,要求试验过程中扶手永久变形量不得大于5mm5.5.2座摘能背角度调节寿命试验对完整座椅部做1×10*次循环(一个循环为靠背在最大角度,释放调节于柄,使靠背逐级回弹到最小角度,释放调节手柄,将靠背再调整到最大角度),频率为2个循环/min,要求试验过程中不得发生任何裂纹、断裂情况,座椅不得产生异音。5.5.3座椅高度调节毒命试验
座椅的高度调节5×10°个使用循环,无故障减振系统寿命试验循环1×10万次无损坏。座椅高度调节试验及减振系统寿命试验.需要对模拟安装的座椅施加·个600N的力,力的方向垂直问下,频率20次/minz
5.6功能试验
5.6.1座椅靠背及其调节装直的试验依据GB/T15083-2006中5.2进行.座椅固定装置、调节装留、锁止装置和移位折垂装置的强度试验依据GB/T15083—2006中5.3进行。5.6.2座升降机构及前后运动滑轨试验,依据QC/T805-2008中5.1~5.4、5.6~5.16进行6梭验规则
6.1出厂检验
6.1.1座椅出厂前,厂家应依照标准和规定程序批准的图样及技术文件指定相关检验细则进行检验出厂捡验项用见表3:
6.1.2经检验合格的产品,应行产品合格证,其内容应包括:a)制造厂名称或商标:
h)」年月;
e)检查人员或代号:
d)合格印章
6. 2型式格验
在下列情况之一时应进行型式检验a)
新产品定型时;
定型产品转厂生产时:
产品停产1年以上,恢复生产时;d)产品结构,材料,生产工艺或设备的改变而有可能影响到产品的质量,性能时;e)
产品连续牛产3年以上时,
型式检验的项目见表4。
表4出厂检验与型式检验
检验项口
外观质量
尼状、尺寸
出厂检骁
型式检验
检验方法
检验项目
材料性能
耐神击、振动
耐久性
标志、包装、运输和贮存
出厂检验与型式检验(续)
山」检验
型式检验
TB/T3264—2011
检验方法
GR/T3920—2008.GB/T6344-2008CB/T 10807—2006.GR/T 5453
包装储运标志执行GB/T191.座椅应有铭牌,铭牌上.应至少包含如下内容:a)产品名称及型号:
瓯量(kg):
出厂日期;
出厂编号:
制造厂名:
7.2.1座椅应包装良好,不应有划伤、碰伤等缺陷。7.2.2包装箱外表面应标有产品名称、型号、数量、毛重、净重、制造厂名或商标、箱体尺上、防止倒放等标志。
7.2.3包装箱内应附有产品合格证、装箱清单、使用维护说明书(含易损易耗品清单)等技术文件,并封存在塑料袋内,
7.3运输和贮存
座椅在包装箱内虚适当固定,包装箱应牢固可靠,运输过程中成严防重压,摔碰。贮存地点应清洁、干燥、通风、无腐独性质。TB/T32642011
崧考文献
客车车体及其部件的载荷
UIC566:1990
GR J0000—1988
中国成年人人体尺小
中华人民共和国
铁道行业标摊
动车司机座椅
Driver seat for rail car
TB/T 3264—2011
-中国铁道山版社出版、发行
(100054,北京市西城区右安门西街8号)读者服务部电话:电(010)51873174路电(021)73174中国铁道出版社印弱‘印刷
版权专有,慢权必究
开本:88012300
2011年9几第1版
即张:1
字数:15下
2011年9月第1次印带
151133556
定价:10.00元
小提示:此标准内容仅展示完整标准里的部分截取内容,若需要完整标准请到上方自行免费下载完整标准文档。
标准图片预览:





- 其它标准
- 热门标准
- TB铁路运输标准
- TB/T2769-2008 重型轨道车试验方法
- TB/T3015.6-2001 铁道车辆整体车轮外形尺寸检测量具技术条件轮辋宽度卡尺
- TB/T2075.4-2002 电气化铁道接触网零部件 第4部分:双横承力索线夹
- TB/T2075.54-2002 电气化铁道接触网零部件 第54部分:接地线连接线夹
- TB/T1686-2000 25t电动架车机技术条件
- TB/T3121-2005 铁路食(饮)具洁净度ATP生物发光检测法和分级判定
- TB/T2922.2-1998 铁路混凝土用骨料碱活性试验方法化学法
- TB/T2494.1-1994 轨道车辆车轴探伤方法 新制车轴超声波探伤
- TB1670.8-1985 15号车钩钩体防跳台样板
- TB/T2997.1-2000 铁路程控共线电话设备 主控机技术要求及试验方法
- TB/T3059-2009 车机联控作业
- TB/T3112.2-2017 铁路车站电码化设备 第2部分:发码、检测、调整器
- TB/T1333.3-2004 铁路应用 机车车辆电气设备 第3部分:电工器件 直流断路器规则
- TB/T2472-1993 DK.S型道口闪光器
- TB/T2152.15-1990 铁路工人技术标准 机务 内燃机钳工
- 行业新闻
网站备案号:湘ICP备2025141790号-2