- 您的位置:
- 标准下载网 >>
- 标准分类 >>
- 国家标准(GB) >>
- GB/T 1182-2008 产品几何技术规范(GPS)几何公差 形状、方向、位置和跳动公差标注
标准号:
GB/T 1182-2008
标准名称:
产品几何技术规范(GPS)几何公差 形状、方向、位置和跳动公差标注
标准类别:
国家标准(GB)
标准状态:
现行-
发布日期:
2008-03-05 -
实施日期:
2008-08-01 出版语种:
简体中文下载格式:
.rar.pdf下载大小:
1.59 MB
标准ICS号:
计量学和测量、物理现象>>长度和角度测量>>17.040.10公差与配合中标分类号:
机械>>机械综合>>J04基础标准与通用方法
替代情况:
替代GB/T 1182-1996采标情况:
IDT ISO 1101:2004
点击下载
标准简介:
标准下载解压密码:www.bzxz.net
本标准规定了工件几何公差标注的基本要求和方法。 GB/T 1182-2008 产品几何技术规范(GPS)几何公差 形状、方向、位置和跳动公差标注 GB/T1182-2008
部分标准内容:
ICS 17.040.10
中华人民共和国国家标准
GB/T1182—2008/IS01101:2004
代替GB/T1182—1996
产品几何技术规范(GPS)
几何公差
形状、方向、位置和跳动公差标注Geometrical Product Specifications(GPS)-Geometrical tolerancing-
Tolerances of form, orientation, location and run-out(ISO1101:2004,IDT)
2008-02-28发布
中华人民共和国国家质量监督检验检疫总局中国国家标准化管理委员会
2008-08-01实施
GB/T1182—2008/ISO1101:2004
规范性引用文件
术语和定义
基本概念
公差框格
被测要素
公差带
附加标记
理论正确尺寸
限定性规定
延伸公差带
最大实体要求
最小实体要求
自由状态下的要求
各类几何公差之间的关系
18几何公差的定义
附录A(资料性附录)
附录B(规范性附录)
附录C(资料性附录)
废止的标注方法
儿何误差的评定
在GPS矩阵模式中的位置
GB/T1182—2008/IS01101:2004
本标准规定了工件儿何公差(形状、方向、位置和跳动公差)标注的基本要求和方法。本标准适用于工件的几何公差标注。
本标准等同采用ISO1101:2004《产品几何技术规范(GPS)儿何公差形状、方向、位置和跳动公差标注》(英文版)。主要差异如下:按照汉语习惯作了编辑性修改,删除了国际标准的前言;删除了国际标准的导言;
针对国际标准第18章中的尺寸、角度标注的不一致性,本标准在表3中作了编辑性修改。如在“公差带的定义”栏中公差带图例的线性尺寸和角度尺寸统一用L、α等字母注出,“标注及解释”栏中图例的线性尺寸和角度尺寸统一用数字注出。本标准中的“几何公差”即旧标准中的“形状和位置公差”。为与相关标准的术语取得一致,将旧标准“中心要素”改为“导出要素”,“轮廊要素”改为“组成要素”,“测得要素”改为“提取要素”等。本标准的附录A和附录C为资料性附录,附录B为规范性附录。本标准由全国产品尺寸和几何技术规范标准化技术委员会提出并归口。本标准起草单位:机械科学研究院中机生产力促进中心、中国航空综合技术研究所、北京理工大学、国家机动车产品质量监督检验中心(上海)、华中科技大学、航天二院23所、航天二院206所。本标准主要起草人:王欣玲、王喜力、刘翼尔、杨东拜、倪新瑶、陈景玉、崔瑞志、李柱、刘启国、刘宏宇、李学真。
本标准所代替标准的历次版本发布情况为:-GB1182-1974,GB/T11821980.GB/T1182-1996;GB1183—1975.GB/T1183—1980。I
GB/T1182—2008/ISO1101:2004
本标准是产品几何技术规范(GPS)系列中通用的GPS标准之一(见GB/Z20308--2006)。它涉及形状、方向、位置和跳动公差这些标准链的第1、第2两个链环;涉及基准标准链的第1个链环。本标准与GPS矩阵之间关系的详细说明见附录C。本标准提出了几何公差的基础概念,描述了几何公差的基本原理。查阅本标准第2章和表2所提到的相关标准可以获得更加详细的相关信息。有关图例中字体的比例、尺寸的规定见GB/T14691。为了规范化,本标准图例按第1角投影画出,尺寸和公差数值都采用米制。如果使用第3角投影和其他计量单位,本标准的规定仍然适用。本标准中的图例只用于解释条款内容,并不反映实际应用情况。因此,这些图例所表现的只是相应的一般原则,图中的尺寸、公差也可能是不完整的。本标准的附录A只提供参考资料,它列出一些以前曾经使用过的标注方法,这些标注方法在本版本中已经废止,以后不再使用。各种要素的定义取自GB/T18780.1和GB/T18780.2。这两项标准给出的术语有别于以前曾经使用过的术语。
本标准中的“轴线”和“中心平面”用于表述理想形状的导出要素,“中心线”和“中心面”用于表述非理想形状的导出要索。另外,下列线型用于解释性的示意图,仅出现在GB/T4457所规定的非技术图样中。
娶索层次
公称要素
(理想要素)
实际要素
提取要素
导出要素
拟合要素
要素类型
组成(实体)要素
导出要案
组成要素
轮廊表面bzxz.net
导出要素
组成要素
导出要素
要索形式
表面/平面
线/轴线
面/平面
表面/平面
可见的
粗实线
细长点面线
粗不规则实线
粗短虚线
粗双整双点线
粗长双点画线
不可见的
细虚线
细点画线
细不规则虚线
细短虚线
细双虚双点线
细双点面线
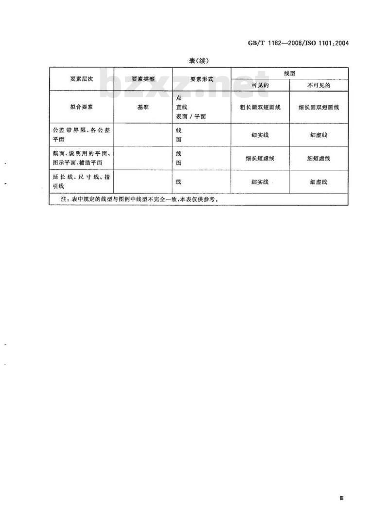
要素层次
拟合要索
公差带界限、各公差
截面、说明用的平面、
图示平面、辅助平面
延长线、尺寸线、指
要素类型
表(续)
要素形式
表面/平面
注:表中规定的线型与图例中线型不完全一致,本表仅供参考。GB/T1182—2008/IS01101:2004
可见的
粗长画双短画线
细实线
细长短虚线
细实线
不可见的
细长画双短画线
细虚线
细短虚线
细虚线
1范围
GB/T1182—2008/ISO1101:2004
产品几何技术规范(GPS)几何公差形状、方向、位置和跳动公差标注本标准规定了工件几何公差(形状、方向、位置和跳动公差)标注的基本要求和方法。本标准适用于工件的几何公差标注。注:在第2章及表2中引用的标准给出了更详细的信息。2规范性引用文件
下列文件中的条款通过本标准的引用而成为本标准的条款。凡是注日期的引用文件,其随后所有的修改单(不包括勘误的内容)或修订版均不适用于本标准,然而,鼓励根据本标准达成协议的各方研究是否可使用这些文件的最新版本。凡是不注日期的引用文件,其最新版本适用于本标准。GB/T4249公差原则(GB/T4249—1996,eqvISO8015:1985)GB/T4457.4机械制图图样画法图线(GB/T4457.4—2002,eqVISO128-24:1999)GB/T13319产品几何量技术规范(GPS)几何公差位置度公差注法(GB/T13319—2003,ISO5458.1998,IDT)
GB/T16671形状和位置公差最大实体要求、最小实体要求和可逆要求(GB/T16671--1996,eqv ISO/DIS 2692:1996)
GB/T16892形状和位置公差非刚性零件注法(GB/T16892—1997,eqvISO10579:1993)GB/T17773形状和位置公差延伸公差带及其表示法(GB/T17773—1999,eqvISO10578:1992)
GB/T17851形状和位置公差基准和基准体系(GB/T17851-1999,eqvISO5459:1981)形状和位置公差轮廊的尺寸和公差注法(GB/T17852—1999,eqvISO1660:GB/T17852
GB/T18780.1产品几何量技术规范(GPS)几何要素第1部分:基本术语和定义(GB/T18780.1—2002,ISO14660-1:1999,IDT)GB/T18780.2产品几何量技术规范(GPS)几何要素第2部分:圆柱面和圆锥面的提取中心线,平行平面的提取中心面、提取要索的局部尺寸(GB/T18780.2—2003,ISO14660-2:1999,IDT)ISO/TS12180-1:2003产品几何技术规范(GPS)圆柱度第1部分:圆柱度词汇和参数ISO/TS12180-2:2003(E)产品几何技术规范(GPS)圆柱度第2部分:规范操作算子ISO/TS12181-1:2003产品几何技术规范(GPS)圆度第1部分:圆度词汇和参数ISO/TS12181-2.2003
ISO/TS12780-1:2003
ISO/TS12780-2:2003
ISO/TS12781-1:2003
ISO/TS12781-2:2003
产品几何技术规范(GPS)圆度第2部分:规范操作算子产品几何技术规范(GPS)直线度第1部分:直线度词汇和参数产品几何技术规范(GPS)直线度第2部分:规范操作算子产品几何技术规范(GPS)平面度第1部分:平面度词汇和参数产品几何技术规范(GPS)平面度第2部分:规范操作算子ISO/TS17450-2.2002
2产品几何量技术规范(GPS)一般概念第2部分:基本原则、规范、操作算子和不确定度
GB/T1182—2008/IS01101.2004
3术语和定义
GB/T18780.1、GB/T18780.2给出的术语和定义及下列术语和定义适用于本标准。3.1
公差带tolerancezone
由一个或几个理想的几何线或面所限定的、由线性公差值表示其大小的区域。4基本概念
4,1应按照功能要求给定几何公差,同时考患制造和检测上的要求。注在图样上标注的几何公差并不一定要指明应采用的特定的加工、测量或检验方法。4.2对要素规定的几何公差确定了公差带,该要素应限定在公差带之内。4.3要素是工件上的特定部位,如点、线或面。这些要素可以是组成要素(如圆柱体的外表面),也可以是导出要素(如中心线或中心面),见GB/T18780.1。4.4根据公差的几何特征及其标注方式,公差带的主要形状如下:个圆内的区域;
两同心圆之间的区域;
两等距线或两平行直线之间的区域;个圆柱面内的区域;
两同轴圆柱面之间的区域;
两等距面或两平行平面之间的区域;个圆球面内的区域。
4.5除非有进一步限制的要求,例如标有附加性说明(见图8),被测要素在公差带内可以具有任何形状、方向或位置。
4.6除非另有规定(见第12章及第13章),公差适用于整个被测要素。4.7相对于基准给定的儿何公差并不限定基准要素本身的几何误差。基准要素的几何公差可另行规定。
5符号
几何公差的几何特征、符号和附加符号见表1和表2。表1几何特征符号
公差类型
形状公差
几何特征
直线度
平面度
圆柱度
线轮廓度
面轮廊度
有无基准
参见条款
公差类型
方向公差
位置公差
跳动公差
被测要素
基准要素
基准目标
理论正确尺寸
延伸公差带
最大实体要求
几何特征
平行度
垂直度
倾斜度
线轮廓度
面轮廊度
位置度
同心度
(用于中心点)
同轴度
(用于轴线)
对称度
线轮廓度
面轮廊度
圆跳动
全跳动
表1(续)
表2附加符号
77777.T77
GB/T1182—2008/ISO1101:2004
有无基准
有或无
参见条款
参见的章条和标准
第7章
第9章及GB/T17851
GB/T17851
第11章
第13章及GB/T17773
第14章及GB/T16671
GB/T1182—2008/ISO1101:2004
最小实体要求
自由状态条件(非刚性零件)
全周(轮廊)
包容要求
公共公差带
中径、节径
不凸起
任意横截面
注1:GB/T1182-1996中规定的基准符号为表2(续)
注2:如需标注可逆要求,可采用符号?,见GB/T16671。6
公差框格
参见的章条和标准
第15章及GB/T16671
第16章及GB/T16892
GB/T4249
6.1用公差框格标注儿何公差时,公差要求注写在划分成两格或多格的矩形框格内。各格自左至右顺序标注以下内容(见图1~图5):几何特征符号;
公差值,以线性尺寸单位表示的量值。如果公差带为圆形或圆柱形,公差值前应加注符号“”,如果公差带为圆球形,公差值前应加注符号“S;基准,用一个字母表示单个基准或用几个字母表示基准体系或公共基准(见图2~图5)。-0.1
中SO.1ABC
当某项公差应用于几个相同要素时,应在公差框格的上方被测要索的尺寸之前注明要素的个6.2
数,并在两者之间加上符号“×”(见图6和图7)。6x
6×12±0.02
6.3如果需要限制被测要素在公差带内的形状,应在公差框格的下方注明(见图8)。注:参见表2.
GB/T1182—2008/IS01101:2004
6.4如果需要就某个要索给出几种几何特征的公差,可将个公差框格放在另一个的下面(见图9)。0.01
7被测要素
按下列方式之一用指引线连接被测要素和公差框格。指引线引自框格的任意一侧,终端带一箭头。当公差涉及轮廊线或轮廊面时,箭头指向该要素的轮廊线或其延长线(应与尺寸线明显错开,见图10、图11);箭头也可指向引出线的水平线,引出线引自被测面(见图12)。当公差涉及要素的中心线、中心面或中心点时,箭头应位于相应尺寸线的延长线上(见图13~图15)。
需要指明被测要素的形式(是线而不是面)时,应在公差框格附近注明(见图89)。注:当被测要素是线索时,可能需要规定被测线素所在裁面的方向,见图89。图10
GB/T1182—2008/IS01101:2004
8公美带
8.1公差带的宽度方向为被测要素的法向(示例见图16和图17)。另有说明时除外(见图18和图19)。
注:指引线箭头的方向不影响对公差的定义。o.1A
a基准轴线
图样标注
图样标注
图18中α角应注出(即使它等于90)。a基准轴线。
圆度公差带的宽度应在垂直于公称轴线的平面内确定。解释
8.2当中心点、中心线、中心面在一个方向上给定公差时:除非另有说明,位置公差公差带的宽度方向为理论正确尺寸(TED)图框的方向,并按指引线箭头所指互成0°或90(见图20);6
GB/T1182—2008/IS01101.2004
一除非另有说明,方向公差公差带的宽度方向为指引线箭头方向,与基准成0°或90(见图21、图22);除非另有规定,当在同一基准体系中规定两个方向的公差时,它们的公差带是互相垂直的(见图21、图22)。
图样标注
a基准轴线;
b基准平面。
小提示:此标准内容仅展示完整标准里的部分截取内容,若需要完整标准请到上方自行免费下载完整标准文档。
中华人民共和国国家标准
GB/T1182—2008/IS01101:2004
代替GB/T1182—1996
产品几何技术规范(GPS)
几何公差
形状、方向、位置和跳动公差标注Geometrical Product Specifications(GPS)-Geometrical tolerancing-
Tolerances of form, orientation, location and run-out(ISO1101:2004,IDT)
2008-02-28发布
中华人民共和国国家质量监督检验检疫总局中国国家标准化管理委员会
2008-08-01实施
GB/T1182—2008/ISO1101:2004
规范性引用文件
术语和定义
基本概念
公差框格
被测要素
公差带
附加标记
理论正确尺寸
限定性规定
延伸公差带
最大实体要求
最小实体要求
自由状态下的要求
各类几何公差之间的关系
18几何公差的定义
附录A(资料性附录)
附录B(规范性附录)
附录C(资料性附录)
废止的标注方法
儿何误差的评定
在GPS矩阵模式中的位置
GB/T1182—2008/IS01101:2004
本标准规定了工件儿何公差(形状、方向、位置和跳动公差)标注的基本要求和方法。本标准适用于工件的几何公差标注。
本标准等同采用ISO1101:2004《产品几何技术规范(GPS)儿何公差形状、方向、位置和跳动公差标注》(英文版)。主要差异如下:按照汉语习惯作了编辑性修改,删除了国际标准的前言;删除了国际标准的导言;
针对国际标准第18章中的尺寸、角度标注的不一致性,本标准在表3中作了编辑性修改。如在“公差带的定义”栏中公差带图例的线性尺寸和角度尺寸统一用L、α等字母注出,“标注及解释”栏中图例的线性尺寸和角度尺寸统一用数字注出。本标准中的“几何公差”即旧标准中的“形状和位置公差”。为与相关标准的术语取得一致,将旧标准“中心要素”改为“导出要素”,“轮廊要素”改为“组成要素”,“测得要素”改为“提取要素”等。本标准的附录A和附录C为资料性附录,附录B为规范性附录。本标准由全国产品尺寸和几何技术规范标准化技术委员会提出并归口。本标准起草单位:机械科学研究院中机生产力促进中心、中国航空综合技术研究所、北京理工大学、国家机动车产品质量监督检验中心(上海)、华中科技大学、航天二院23所、航天二院206所。本标准主要起草人:王欣玲、王喜力、刘翼尔、杨东拜、倪新瑶、陈景玉、崔瑞志、李柱、刘启国、刘宏宇、李学真。
本标准所代替标准的历次版本发布情况为:-GB1182-1974,GB/T11821980.GB/T1182-1996;GB1183—1975.GB/T1183—1980。I
GB/T1182—2008/ISO1101:2004
本标准是产品几何技术规范(GPS)系列中通用的GPS标准之一(见GB/Z20308--2006)。它涉及形状、方向、位置和跳动公差这些标准链的第1、第2两个链环;涉及基准标准链的第1个链环。本标准与GPS矩阵之间关系的详细说明见附录C。本标准提出了几何公差的基础概念,描述了几何公差的基本原理。查阅本标准第2章和表2所提到的相关标准可以获得更加详细的相关信息。有关图例中字体的比例、尺寸的规定见GB/T14691。为了规范化,本标准图例按第1角投影画出,尺寸和公差数值都采用米制。如果使用第3角投影和其他计量单位,本标准的规定仍然适用。本标准中的图例只用于解释条款内容,并不反映实际应用情况。因此,这些图例所表现的只是相应的一般原则,图中的尺寸、公差也可能是不完整的。本标准的附录A只提供参考资料,它列出一些以前曾经使用过的标注方法,这些标注方法在本版本中已经废止,以后不再使用。各种要素的定义取自GB/T18780.1和GB/T18780.2。这两项标准给出的术语有别于以前曾经使用过的术语。
本标准中的“轴线”和“中心平面”用于表述理想形状的导出要素,“中心线”和“中心面”用于表述非理想形状的导出要索。另外,下列线型用于解释性的示意图,仅出现在GB/T4457所规定的非技术图样中。
娶索层次
公称要素
(理想要素)
实际要素
提取要素
导出要素
拟合要素
要素类型
组成(实体)要素
导出要案
组成要素
轮廊表面bzxz.net
导出要素
组成要素
导出要素
要索形式
表面/平面
线/轴线
面/平面
表面/平面
可见的
粗实线
细长点面线
粗不规则实线
粗短虚线
粗双整双点线
粗长双点画线
不可见的
细虚线
细点画线
细不规则虚线
细短虚线
细双虚双点线
细双点面线
要素层次
拟合要索
公差带界限、各公差
截面、说明用的平面、
图示平面、辅助平面
延长线、尺寸线、指
要素类型
表(续)
要素形式
表面/平面
注:表中规定的线型与图例中线型不完全一致,本表仅供参考。GB/T1182—2008/IS01101:2004
可见的
粗长画双短画线
细实线
细长短虚线
细实线
不可见的
细长画双短画线
细虚线
细短虚线
细虚线
1范围
GB/T1182—2008/ISO1101:2004
产品几何技术规范(GPS)几何公差形状、方向、位置和跳动公差标注本标准规定了工件几何公差(形状、方向、位置和跳动公差)标注的基本要求和方法。本标准适用于工件的几何公差标注。注:在第2章及表2中引用的标准给出了更详细的信息。2规范性引用文件
下列文件中的条款通过本标准的引用而成为本标准的条款。凡是注日期的引用文件,其随后所有的修改单(不包括勘误的内容)或修订版均不适用于本标准,然而,鼓励根据本标准达成协议的各方研究是否可使用这些文件的最新版本。凡是不注日期的引用文件,其最新版本适用于本标准。GB/T4249公差原则(GB/T4249—1996,eqvISO8015:1985)GB/T4457.4机械制图图样画法图线(GB/T4457.4—2002,eqVISO128-24:1999)GB/T13319产品几何量技术规范(GPS)几何公差位置度公差注法(GB/T13319—2003,ISO5458.1998,IDT)
GB/T16671形状和位置公差最大实体要求、最小实体要求和可逆要求(GB/T16671--1996,eqv ISO/DIS 2692:1996)
GB/T16892形状和位置公差非刚性零件注法(GB/T16892—1997,eqvISO10579:1993)GB/T17773形状和位置公差延伸公差带及其表示法(GB/T17773—1999,eqvISO10578:1992)
GB/T17851形状和位置公差基准和基准体系(GB/T17851-1999,eqvISO5459:1981)形状和位置公差轮廊的尺寸和公差注法(GB/T17852—1999,eqvISO1660:GB/T17852
GB/T18780.1产品几何量技术规范(GPS)几何要素第1部分:基本术语和定义(GB/T18780.1—2002,ISO14660-1:1999,IDT)GB/T18780.2产品几何量技术规范(GPS)几何要素第2部分:圆柱面和圆锥面的提取中心线,平行平面的提取中心面、提取要索的局部尺寸(GB/T18780.2—2003,ISO14660-2:1999,IDT)ISO/TS12180-1:2003产品几何技术规范(GPS)圆柱度第1部分:圆柱度词汇和参数ISO/TS12180-2:2003(E)产品几何技术规范(GPS)圆柱度第2部分:规范操作算子ISO/TS12181-1:2003产品几何技术规范(GPS)圆度第1部分:圆度词汇和参数ISO/TS12181-2.2003
ISO/TS12780-1:2003
ISO/TS12780-2:2003
ISO/TS12781-1:2003
ISO/TS12781-2:2003
产品几何技术规范(GPS)圆度第2部分:规范操作算子产品几何技术规范(GPS)直线度第1部分:直线度词汇和参数产品几何技术规范(GPS)直线度第2部分:规范操作算子产品几何技术规范(GPS)平面度第1部分:平面度词汇和参数产品几何技术规范(GPS)平面度第2部分:规范操作算子ISO/TS17450-2.2002
2产品几何量技术规范(GPS)一般概念第2部分:基本原则、规范、操作算子和不确定度
GB/T1182—2008/IS01101.2004
3术语和定义
GB/T18780.1、GB/T18780.2给出的术语和定义及下列术语和定义适用于本标准。3.1
公差带tolerancezone
由一个或几个理想的几何线或面所限定的、由线性公差值表示其大小的区域。4基本概念
4,1应按照功能要求给定几何公差,同时考患制造和检测上的要求。注在图样上标注的几何公差并不一定要指明应采用的特定的加工、测量或检验方法。4.2对要素规定的几何公差确定了公差带,该要素应限定在公差带之内。4.3要素是工件上的特定部位,如点、线或面。这些要素可以是组成要素(如圆柱体的外表面),也可以是导出要素(如中心线或中心面),见GB/T18780.1。4.4根据公差的几何特征及其标注方式,公差带的主要形状如下:个圆内的区域;
两同心圆之间的区域;
两等距线或两平行直线之间的区域;个圆柱面内的区域;
两同轴圆柱面之间的区域;
两等距面或两平行平面之间的区域;个圆球面内的区域。
4.5除非有进一步限制的要求,例如标有附加性说明(见图8),被测要素在公差带内可以具有任何形状、方向或位置。
4.6除非另有规定(见第12章及第13章),公差适用于整个被测要素。4.7相对于基准给定的儿何公差并不限定基准要素本身的几何误差。基准要素的几何公差可另行规定。
5符号
几何公差的几何特征、符号和附加符号见表1和表2。表1几何特征符号
公差类型
形状公差
几何特征
直线度
平面度
圆柱度
线轮廓度
面轮廊度
有无基准
参见条款
公差类型
方向公差
位置公差
跳动公差
被测要素
基准要素
基准目标
理论正确尺寸
延伸公差带
最大实体要求
几何特征
平行度
垂直度
倾斜度
线轮廓度
面轮廊度
位置度
同心度
(用于中心点)
同轴度
(用于轴线)
对称度
线轮廓度
面轮廊度
圆跳动
全跳动
表1(续)
表2附加符号
77777.T77
GB/T1182—2008/ISO1101:2004
有无基准
有或无
参见条款
参见的章条和标准
第7章
第9章及GB/T17851
GB/T17851
第11章
第13章及GB/T17773
第14章及GB/T16671
GB/T1182—2008/ISO1101:2004
最小实体要求
自由状态条件(非刚性零件)
全周(轮廊)
包容要求
公共公差带
中径、节径
不凸起
任意横截面
注1:GB/T1182-1996中规定的基准符号为表2(续)
注2:如需标注可逆要求,可采用符号?,见GB/T16671。6
公差框格
参见的章条和标准
第15章及GB/T16671
第16章及GB/T16892
GB/T4249
6.1用公差框格标注儿何公差时,公差要求注写在划分成两格或多格的矩形框格内。各格自左至右顺序标注以下内容(见图1~图5):几何特征符号;
公差值,以线性尺寸单位表示的量值。如果公差带为圆形或圆柱形,公差值前应加注符号“”,如果公差带为圆球形,公差值前应加注符号“S;基准,用一个字母表示单个基准或用几个字母表示基准体系或公共基准(见图2~图5)。-0.1
中SO.1ABC
当某项公差应用于几个相同要素时,应在公差框格的上方被测要索的尺寸之前注明要素的个6.2
数,并在两者之间加上符号“×”(见图6和图7)。6x
6×12±0.02
6.3如果需要限制被测要素在公差带内的形状,应在公差框格的下方注明(见图8)。注:参见表2.
GB/T1182—2008/IS01101:2004
6.4如果需要就某个要索给出几种几何特征的公差,可将个公差框格放在另一个的下面(见图9)。0.01
7被测要素
按下列方式之一用指引线连接被测要素和公差框格。指引线引自框格的任意一侧,终端带一箭头。当公差涉及轮廊线或轮廊面时,箭头指向该要素的轮廊线或其延长线(应与尺寸线明显错开,见图10、图11);箭头也可指向引出线的水平线,引出线引自被测面(见图12)。当公差涉及要素的中心线、中心面或中心点时,箭头应位于相应尺寸线的延长线上(见图13~图15)。
需要指明被测要素的形式(是线而不是面)时,应在公差框格附近注明(见图89)。注:当被测要素是线索时,可能需要规定被测线素所在裁面的方向,见图89。图10
GB/T1182—2008/IS01101:2004
8公美带
8.1公差带的宽度方向为被测要素的法向(示例见图16和图17)。另有说明时除外(见图18和图19)。
注:指引线箭头的方向不影响对公差的定义。o.1A
a基准轴线
图样标注
图样标注
图18中α角应注出(即使它等于90)。a基准轴线。
圆度公差带的宽度应在垂直于公称轴线的平面内确定。解释
8.2当中心点、中心线、中心面在一个方向上给定公差时:除非另有说明,位置公差公差带的宽度方向为理论正确尺寸(TED)图框的方向,并按指引线箭头所指互成0°或90(见图20);6
GB/T1182—2008/IS01101.2004
一除非另有说明,方向公差公差带的宽度方向为指引线箭头方向,与基准成0°或90(见图21、图22);除非另有规定,当在同一基准体系中规定两个方向的公差时,它们的公差带是互相垂直的(见图21、图22)。
图样标注
a基准轴线;
b基准平面。
小提示:此标准内容仅展示完整标准里的部分截取内容,若需要完整标准请到上方自行免费下载完整标准文档。
标准图片预览:





- 其它标准
- 热门标准
- 国家标准(GB)
- GB/T2828.1-2012 计数抽样检验程序 第1部分:按接收质量限(AQL)检索的逐批检验抽样计划
- GB/T8566-2022 系统与软件工程 软件生存周期过程
- GB/T30917—2014 /ISo 29941:2010 天然胶乳橡胶避孕套中可迁移亚硝胺的测定
- GB/T9124.1-2019 钢制管法兰 第1部分:PN 系列
- GB/T1182-2018 产品几何技术规范(GPS) 几何公差 形状、方向、位置和跳动公差标注
- GB/T12777-1999 金属波纹管膨胀节通用技术条件
- GB/T29633.4-2020 南极地名 第4部分:罗马字母拼写
- GB/T5169.15—2015 /IEC 60695-11-3;2012 电工电子产品着火危险试验第15部分:试验火焰500 W火焰装置和确认试验方法
- GB4706.3-1986 家用和类似用途电器的安全食物搅碎器及类似用途电器的特殊要求
- GB15193.5-2003 骨髓细胞微核试验
- GB15985-1995 丝虫病诊断标准及处理原则
- GB19159-2003 车用液化石油气
- GB/T7407-1997 中国及世界主要海运贸易港口代码
- GB/T6113.104-2008 无线电骚扰和抗扰度测量设备和测量方法规范 第1-4部分: 无线电骚扰和抗扰度测量设备 辅助设备 辐射骚扰
- GB14287.4-2014 电气火灾监控系统 第4部分:故障电弧探测器
- 行业新闻
请牢记:“bzxz.net”即是“标准下载”四个汉字汉语拼音首字母与国际顶级域名“.net”的组合。 ©2025 标准下载网 www.bzxz.net 本站邮件:bzxznet@163.com
网站备案号:湘ICP备2025141790号-2
网站备案号:湘ICP备2025141790号-2