- 您的位置:
 - 标准下载网 >>
 - 标准分类 >>
 - 国家专业标准(ZB) >>
 - ZB Y 17031-1990 家用缝纫机大顶尖螺母技术条件
 
标准号:
ZB Y 17031-1990
标准名称:
家用缝纫机大顶尖螺母技术条件
标准类别:
国家专业标准(ZB)
标准状态:
已作废- 
		 
实施日期:
1991-01-01 出版语种:
简体中文下载格式:
.rar.pdf下载大小:
42.64 KB
中标分类号:
轻工、文化与生活用品>>钟表、自行车、缝纫机>>Y17缝纫机
替代情况:
转化为QB/T 3554-99
部分标准内容:
					
					中华人民共和国专业标准
家用缝纫机大顶尖螺母技术条件1主题内容与适用范围
本标准规定了家用缝纫机大顶尖螺母的技术要求、试验方法和检验规则。ZBY17031—1990
本标准适用于家用缝纫机的大项尖螺母,也适用于服务性行业用缝纫机的大顶尖螺母。2引用标准
缝纫机专用螺纹
ZBY 17011
缝纫机零件发黑技术条件bZxz.net
ZBY 17012
3技术要求
3.1形状和尺寸见图1。
SM3/8\×28
3.2表面发黑应符合ZBY17012中1.1~1.2条的规定。4试验方法
4.1基本尺寸4.5mm、14mm用精度为0.02mm的游标卡尺测量。4.2螺纹SM3/8\×28按ZBY17011中6.2条2级精度要求,中径用螺纹塞规,小径用光滑极限量规检验。
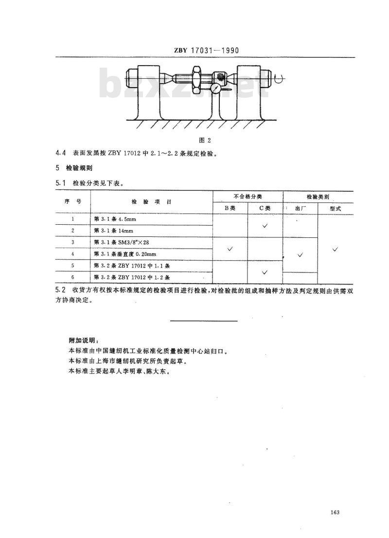
4.3两端面与螺纹轴线垂直度0.20mm的测量方法如图2所示。a。将被测零件装夹在两顶尖中;b.在被测零件回转一周过程中百分表所示最大读数差为该零件端面的垂直度误差(反向测量另·端面)。
中华人民共和国轻工业部1990-03-27批准162
1990-10-01实施
ZBY 17031 --
4.4表面发黑按ZBY17012中2.1~2.2条规定检验。检验规则
检验分类见下表。
检验目
第3.1条4.5mm
第3.1条14mm
第3.1条SM3/8\×28
第3.1条直度0.20mm
第3.2笨ZBY17012中1.1条
第3.2ZBY17012中1.2条
不合格分类
检验类别
5.2收货方有权按本标准规定的检验项目进行检验,对检验批的组戒和抽样方法及判定规则由供需双方协商决定。
附加说明:
本标准由中国缝纫机工业标准化质量检测中心站妇口。本标准由上海市缝纫机研究所负责起草。本标准主要起擎人李明章、陈大东。163
小提示:此标准内容仅展示完整标准里的部分截取内容,若需要完整标准请到上方自行免费下载完整标准文档。
	 
	        
	      家用缝纫机大顶尖螺母技术条件1主题内容与适用范围
本标准规定了家用缝纫机大顶尖螺母的技术要求、试验方法和检验规则。ZBY17031—1990
本标准适用于家用缝纫机的大项尖螺母,也适用于服务性行业用缝纫机的大顶尖螺母。2引用标准
缝纫机专用螺纹
ZBY 17011
缝纫机零件发黑技术条件bZxz.net
ZBY 17012
3技术要求
3.1形状和尺寸见图1。
SM3/8\×28
3.2表面发黑应符合ZBY17012中1.1~1.2条的规定。4试验方法
4.1基本尺寸4.5mm、14mm用精度为0.02mm的游标卡尺测量。4.2螺纹SM3/8\×28按ZBY17011中6.2条2级精度要求,中径用螺纹塞规,小径用光滑极限量规检验。
4.3两端面与螺纹轴线垂直度0.20mm的测量方法如图2所示。a。将被测零件装夹在两顶尖中;b.在被测零件回转一周过程中百分表所示最大读数差为该零件端面的垂直度误差(反向测量另·端面)。
中华人民共和国轻工业部1990-03-27批准162
1990-10-01实施
ZBY 17031 --
4.4表面发黑按ZBY17012中2.1~2.2条规定检验。检验规则
检验分类见下表。
检验目
第3.1条4.5mm
第3.1条14mm
第3.1条SM3/8\×28
第3.1条直度0.20mm
第3.2笨ZBY17012中1.1条
第3.2ZBY17012中1.2条
不合格分类
检验类别
5.2收货方有权按本标准规定的检验项目进行检验,对检验批的组戒和抽样方法及判定规则由供需双方协商决定。
附加说明:
本标准由中国缝纫机工业标准化质量检测中心站妇口。本标准由上海市缝纫机研究所负责起草。本标准主要起擎人李明章、陈大东。163
小提示:此标准内容仅展示完整标准里的部分截取内容,若需要完整标准请到上方自行免费下载完整标准文档。
标准图片预览:


- 其它标准
 
- 热门标准
 - 国家专业标准(ZB)
 
- ZBT37005.6-1989 火花塞瓷绝缘体试验方法 冲击强度试验方法
 - ZBJ58013-1990 组合机床 动力箱精度
 - ZBT34001-1987 汽车用通气塞
 - ZBJ64023-1989 固定式点凸焊机
 - ZBK10002-1990 磁性材料分类
 - ZBBZH/GJ6 安装工程施工及验收规范
 - ZBE40017-1988 7602号高温密封剂
 - ZBB53004-1988 水产品冻结操作技术规程
 - ZBT37004-1989 火花塞瓷绝缘体 技术条件
 - ZB/TJ01035.6-1990 产品图样及设计文件 更改办法
 - ZBY232-1984 超声探伤用1号标准试块 技术条件
 - ZBN05009.2-1989 直热式测温型负温度系数热敏电阻器
 - ZBT34002-1987 保险阀
 - ZBE61002-1988 704防锈剂
 - ZBX10052-1986 半干态盐渍菜生产工艺通用规程 京冬菜
 
- 行业新闻
 
请牢记:“bzxz.net”即是“标准下载”四个汉字汉语拼音首字母与国际顶级域名“.net”的组合。 ©2025 标准下载网 www.bzxz.net 本站邮件:bzxznet@163.com
网站备案号:湘ICP备2025141790号-2
网站备案号:湘ICP备2025141790号-2