- 您的位置:
- 标准下载网 >>
- 标准分类 >>
- 国家标准(GB) >>
- GB 2689.4-1981 寿命试验和加速寿命试验的最好线性无偏估计法(用于威布尔分布)
标准号:
GB 2689.4-1981
标准名称:
寿命试验和加速寿命试验的最好线性无偏估计法(用于威布尔分布)
标准类别:
国家标准(GB)
英文名称:
Best linear unbiased estimation method for life test and accelerated life test (for Weibull distribution)标准状态:
现行-
发布日期:
1981-06-22 -
实施日期:
1981-10-01 出版语种:
简体中文下载格式:
.rar.pdf下载大小:
154.09 KB
替代情况:
替代SJ 1435-1978
点击下载
标准简介:
标准下载解压密码:www.bzxz.net
本标准规定了用于恒定应力寿命试验和加速寿命试验的最好线性无偏估计法的程序和方法。 GB 2689.4-1981 寿命试验和加速寿命试验的最好线性无偏估计法(用于威布尔分布) GB2689.4-1981
部分标准内容:
中华人民共和国
国家标准
寿命试验和加速寿命试验的最好线性无偏估计法(用于威布尔分布)GB 2689·4 -81
1适用范围
本标准规定了用于恒定应力寿命试验和加速寿命试验的最好线性无偏估计法的程序和方法。它适用于电了元器件产品(以下简称产品)的寿命服从威布尔分布,形状参数m>0,特征寿命n0,位置参数?=0,各组投试样品数为n≤25的定数截尾寿命试验和加速寿命试验的数据处理。2符号和意义
试验样品数;
截尾失效数r=1、2.n
失效样品序号j1.2
应力水平序号 i1、2,
第i个应力水平下的试验样品数;第i个应力水平下的截尾失效数;第i个失效样品的失效时间;
第r个失效样品的失效时间:
威布尔分布的形状参数;
威布尔分布的特征寿命,
威布尔分布的位置参数;
对数威布尔分布的位置参数;
对数威布尔分布的尺度参数;
绝对温度(K);
电应力:
波尔兹曼常数,k=0.8617×10-4eV/°K;激活能;
第i组应力水平下对数威布尔分布的尺度参数,i1.2;第i组应力水平下对数威布尔分布的位置参数,i=1,2…|;第i组应力水平下威布尔分布的形状参数,i=1,2….1;第组应力水平下威布尔分布的特征寿命,i=1.2…1;C(n,r,i)样品数为n,截尾失效数为r时,α的最好线性无偏估计的系数;D(n,r,j)样品数为n,截尾失效数为r时,uμ的最好线性无偏估计的系数;gr.n
m的修正系数;
m;的加权平均值;
Λ(t)时刻t的瞬时失效率;
(t)0到t时刻内的平均失效率;tE
平均寿命
可靠度为R的可靠寿命;
局发布
中华人民共和国第四机械工业部28
1981年10月1日
四机部标准化研究所起草
TT; ~ T。
加速方程的截距;
加速方程的斜率;
GB 2689.4—81免费标准bzxz.net
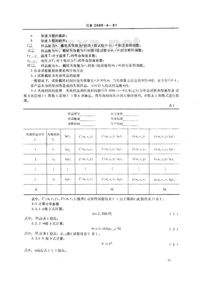
样品数为n,截尾失效数为r的第i组试验中;/α的方差的倒数;样品数为ni,截尾失效数为r;的第i组试验中ui/r的方差的倒数;温度T;对于温度T的寿命加速系数;电应力V:对于电应力V。的寿命加速系数;样品数为ni,截尾失效数为r的第i组试验的m;/m的方差的倒数。3寿命试验数据处理的程序和方法3.1试验截尾及失效样品的处理
…-般情况下,试验截尾时问应使失效数有r≥30%n,当失效数无法达到30%n时,至少有r≥4。非产品本身的原因所造成的失效样品,不应计入投试样品数n内。3.2失效时间的处理失效样品的失效时间按GB2689.1—81《恒定应力寿命试验利加速寿命试验方法总侧》(简称《总则》)第6章确定,将失效时间从小到人顺序排列,并按表1的格式进行处理。
失效样品序号
失效时间
样品型号
样品数量
试验时间
C(n, r,1)
(n, r,2)
(n, t, r)
应力条件
失效标准
生产时间
C(n, r, j) Igtj
C(n, r,) Igt
C(n,r,2) Igt2
C'en,r, r) Igt,
Din,r,i
n,r,2)
D(n, r, r)
(n, r, j) lgtj
D(n, r,1) Igt
D(n, r,2) Igt:
D(n, r, r) Igt.
表中:C(n,r,),D(n,r,i)值查《可靠性试验用表》(以下简称《试验用表》)表1。3.3计算分布参数
3.3.1u按下式计算:
μ=2.3026M2
式中:M2由表1给出。
3.3.2m按下式计算:
m = 0.43439r, n/ M
式中:Mi表1给出,9r,查《试验用表》表1。3.3.3n按下式计算:
武中:曲公式(1)给出。
(3)
3.4失效率(t)按下式计算
GB2689-4—81
1(1)=m.tm-/nm
式中:m和n出公武(2)和(3)给出;t值是预先给定的。3.5平均失效率元(t)按下式计算:(t)=tm-l/nm
武中:m利n由公式(2)和(3)给出,t值是预先给定的。3.6平均寿命按下式计算:
te=nF(1+
式中:n出公武(3)给出;
【(1+1/m)查《试验用裴》表4。3.7可靠寿命tR按下式计算:
th=n(2.3026lgR)1/m
式中:m和n山公式(2)和(3)给出;R值是预先给定的。A温度应力加速寿命试验的程序和方法4.1试验假设
a.形状参数m与温度无关
b,特征寿命n与温度T(‘K)的关系符合阿伦尼斯方程。n=ea+b/不
c,-般情况下截尾失效数应有r≥30%n;当失效数无法达到30%n时,至少有r≥4。4.2各应力水平下的mi,ui(i一1,2,1),按第3章中规定的公式计算。4.3加速寿命方程n=ea+b/的计算。4.3.1加速寿命方程中a和b按表2规定的格式进行。应力水平序号
应力水平序号
表中:An,查《试验用表》表1,μi由4.2条给出。30
(4)
(5)
(6)
A,:
按下列公式计算α和
GB 2689.4-- 81
GH- IM
4.3.2产品在某温度应力T条件下的特征寿命按下式计算n =ea+b/T
式中:a和b由公式(8)和(99)给出。4.4形状参数m的加权平均值m按表3格式进行。应力水平序号
表中:(查《试验用表》表1(B);Q;值由4.2条给出。m值按下式计算:
m=(L-1)/Q
4.5激活能E按下式计算:
式中:b由公武(9)给出,h为波尔兹曼常数。4.6加速系数7~7。按下式计算:Tia
式中:b由公式(9)给出;T和To值是预先给定的。eb(1/Ta1/Tr)
4.7产品在某温度T条件下的失效率入(t)按下式计算:a(t)=m.tm-1/nm
式中:.n和m值由公式(10)和(11)给出,t值是预先给定的。4.8产品在某温度T条件下的平均失效率入(t)按下式计算:(t)=tm-1/nm
式中:n和m值出公(10)和(11)给出;t值是预先给定的。4.9产品在某温度7条件下的平均寿命tE按下式计算:tp=nr(1+1/m)
武中:和m值出公式(10)和(11)给出:7
(9)
(10)
th,· m
(12)
(14)
(15)
(16)
查《试验用表》表4。
GB 2689.4—81
4.10产品在某温度T条件下的可靠寿命tR按下式计算:tR=n(-2.3026lgR)1/m
式中:n和m值由公式(10)和(11)给出;R值是预先给定的。5电应力加速寿命试验数据处理程序和方法5.1试验假设
a.形状参数m与电应力无关;
b.特征寿命n与电应力之间的关系符合逆幂律方程n =1/kV°或n ea+blgv
其中:a=lgk;b=c。
c.一般情况下截尾失效数应有r≥30%n,当截尾失效数无法达到30%n时,至少有r≥4。5.2各应力水平的mi,Ui,ui,n;(i=1,2.!)按第3章中规定的公式计算5.3加速寿命方程n=1/kV°的计算5.3.1加速寿命方程中α和b按表4规定的格式进行计算。表4
电应力水平序号
电应力水平序号
dzn,(lgvi)
n,igho)?
表中:A,查《试验用表》表1;u由5.2条给出。32
(lga)?
ArhuilgV
按下式计算a利b:
5.3.2c和k按下式计算:
式中:a和b由公式(18)和(19)给出。GB 2689. 4-- 81
BM- IH
c=—6
5.3.3产品在某电应力V的条件下其特征寿命n按下式计算:n; =ea+6igl,
式中:α和b由公式(18)和(19)给出。5.4形状参数m的加权平均值m的计算按表5的格式进行。应力水平序号
表中;1F,查《试验用表》表2;(;值由5.2条给出。m按下式计算
m=L-1/Q
5.5加速系数t~t按下式计算:
th-r.=(Vi/Vo)*
中:c值由公式(21)给出,Vo和V;值是预先给定的。5.6产品在某电应力V条件下的失效率(t)按下式计算:A(t)=m.tm
式中:n和m值由公式(22)和(23)给出t值是预先给定的。5.7产品在某电应力V条件下的平均失效率元(t)按下式计算:T(t)=tm-1/nm
式中:n和m值由公式(22)和(23)给用:t值是预先给定的。5.8产品在某电应力条件下的平均寿命t按下式计算:L
(23)
(24)
(25)
(26)
GB2689.4—81
t=n(+))
式中:n和m值由公式(22)和(23)给出。厂(1+1/m)查《试验用表》表4。5.9产品在某电应力V条件下的可靠寿命tR按下式计算:tR=n(-2.3026igR)1/m
式中:n和m值出公式(22)和(23)给出;R值是预先给定的。34
(27)
(28)
小提示:此标准内容仅展示完整标准里的部分截取内容,若需要完整标准请到上方自行免费下载完整标准文档。
国家标准
寿命试验和加速寿命试验的最好线性无偏估计法(用于威布尔分布)GB 2689·4 -81
1适用范围
本标准规定了用于恒定应力寿命试验和加速寿命试验的最好线性无偏估计法的程序和方法。它适用于电了元器件产品(以下简称产品)的寿命服从威布尔分布,形状参数m>0,特征寿命n0,位置参数?=0,各组投试样品数为n≤25的定数截尾寿命试验和加速寿命试验的数据处理。2符号和意义
试验样品数;
截尾失效数r=1、2.n
失效样品序号j1.2
应力水平序号 i1、2,
第i个应力水平下的试验样品数;第i个应力水平下的截尾失效数;第i个失效样品的失效时间;
第r个失效样品的失效时间:
威布尔分布的形状参数;
威布尔分布的特征寿命,
威布尔分布的位置参数;
对数威布尔分布的位置参数;
对数威布尔分布的尺度参数;
绝对温度(K);
电应力:
波尔兹曼常数,k=0.8617×10-4eV/°K;激活能;
第i组应力水平下对数威布尔分布的尺度参数,i1.2;第i组应力水平下对数威布尔分布的位置参数,i=1,2…|;第i组应力水平下威布尔分布的形状参数,i=1,2….1;第组应力水平下威布尔分布的特征寿命,i=1.2…1;C(n,r,i)样品数为n,截尾失效数为r时,α的最好线性无偏估计的系数;D(n,r,j)样品数为n,截尾失效数为r时,uμ的最好线性无偏估计的系数;gr.n
m的修正系数;
m;的加权平均值;
Λ(t)时刻t的瞬时失效率;
(t)0到t时刻内的平均失效率;tE
平均寿命
可靠度为R的可靠寿命;
局发布
中华人民共和国第四机械工业部28
1981年10月1日
四机部标准化研究所起草
TT; ~ T。
加速方程的截距;
加速方程的斜率;
GB 2689.4—81免费标准bzxz.net
样品数为n,截尾失效数为r的第i组试验中;/α的方差的倒数;样品数为ni,截尾失效数为r;的第i组试验中ui/r的方差的倒数;温度T;对于温度T的寿命加速系数;电应力V:对于电应力V。的寿命加速系数;样品数为ni,截尾失效数为r的第i组试验的m;/m的方差的倒数。3寿命试验数据处理的程序和方法3.1试验截尾及失效样品的处理
…-般情况下,试验截尾时问应使失效数有r≥30%n,当失效数无法达到30%n时,至少有r≥4。非产品本身的原因所造成的失效样品,不应计入投试样品数n内。3.2失效时间的处理失效样品的失效时间按GB2689.1—81《恒定应力寿命试验利加速寿命试验方法总侧》(简称《总则》)第6章确定,将失效时间从小到人顺序排列,并按表1的格式进行处理。
失效样品序号
失效时间
样品型号
样品数量
试验时间
C(n, r,1)
(n, r,2)
(n, t, r)
应力条件
失效标准
生产时间
C(n, r, j) Igtj
C(n, r,) Igt
C(n,r,2) Igt2
C'en,r, r) Igt,
Din,r,i
n,r,2)
D(n, r, r)
(n, r, j) lgtj
D(n, r,1) Igt
D(n, r,2) Igt:
D(n, r, r) Igt.
表中:C(n,r,),D(n,r,i)值查《可靠性试验用表》(以下简称《试验用表》)表1。3.3计算分布参数
3.3.1u按下式计算:
μ=2.3026M2
式中:M2由表1给出。
3.3.2m按下式计算:
m = 0.43439r, n/ M
式中:Mi表1给出,9r,查《试验用表》表1。3.3.3n按下式计算:
武中:曲公式(1)给出。
(3)
3.4失效率(t)按下式计算
GB2689-4—81
1(1)=m.tm-/nm
式中:m和n出公武(2)和(3)给出;t值是预先给定的。3.5平均失效率元(t)按下式计算:(t)=tm-l/nm
武中:m利n由公式(2)和(3)给出,t值是预先给定的。3.6平均寿命按下式计算:
te=nF(1+
式中:n出公武(3)给出;
【(1+1/m)查《试验用裴》表4。3.7可靠寿命tR按下式计算:
th=n(2.3026lgR)1/m
式中:m和n山公式(2)和(3)给出;R值是预先给定的。A温度应力加速寿命试验的程序和方法4.1试验假设
a.形状参数m与温度无关
b,特征寿命n与温度T(‘K)的关系符合阿伦尼斯方程。n=ea+b/不
c,-般情况下截尾失效数应有r≥30%n;当失效数无法达到30%n时,至少有r≥4。4.2各应力水平下的mi,ui(i一1,2,1),按第3章中规定的公式计算。4.3加速寿命方程n=ea+b/的计算。4.3.1加速寿命方程中a和b按表2规定的格式进行。应力水平序号
应力水平序号
表中:An,查《试验用表》表1,μi由4.2条给出。30
(4)
(5)
(6)
A,:
按下列公式计算α和
GB 2689.4-- 81
GH- IM
4.3.2产品在某温度应力T条件下的特征寿命按下式计算n =ea+b/T
式中:a和b由公式(8)和(99)给出。4.4形状参数m的加权平均值m按表3格式进行。应力水平序号
表中:(查《试验用表》表1(B);Q;值由4.2条给出。m值按下式计算:
m=(L-1)/Q
4.5激活能E按下式计算:
式中:b由公武(9)给出,h为波尔兹曼常数。4.6加速系数7~7。按下式计算:Tia
式中:b由公式(9)给出;T和To值是预先给定的。eb(1/Ta1/Tr)
4.7产品在某温度T条件下的失效率入(t)按下式计算:a(t)=m.tm-1/nm
式中:.n和m值由公式(10)和(11)给出,t值是预先给定的。4.8产品在某温度T条件下的平均失效率入(t)按下式计算:(t)=tm-1/nm
式中:n和m值出公(10)和(11)给出;t值是预先给定的。4.9产品在某温度7条件下的平均寿命tE按下式计算:tp=nr(1+1/m)
武中:和m值出公式(10)和(11)给出:7
(9)
(10)
th,· m
(12)
(14)
(15)
(16)
查《试验用表》表4。
GB 2689.4—81
4.10产品在某温度T条件下的可靠寿命tR按下式计算:tR=n(-2.3026lgR)1/m
式中:n和m值由公式(10)和(11)给出;R值是预先给定的。5电应力加速寿命试验数据处理程序和方法5.1试验假设
a.形状参数m与电应力无关;
b.特征寿命n与电应力之间的关系符合逆幂律方程n =1/kV°或n ea+blgv
其中:a=lgk;b=c。
c.一般情况下截尾失效数应有r≥30%n,当截尾失效数无法达到30%n时,至少有r≥4。5.2各应力水平的mi,Ui,ui,n;(i=1,2.!)按第3章中规定的公式计算5.3加速寿命方程n=1/kV°的计算5.3.1加速寿命方程中α和b按表4规定的格式进行计算。表4
电应力水平序号
电应力水平序号
dzn,(lgvi)
n,igho)?
表中:A,查《试验用表》表1;u由5.2条给出。32
(lga)?
ArhuilgV
按下式计算a利b:
5.3.2c和k按下式计算:
式中:a和b由公式(18)和(19)给出。GB 2689. 4-- 81
BM- IH
c=—6
5.3.3产品在某电应力V的条件下其特征寿命n按下式计算:n; =ea+6igl,
式中:α和b由公式(18)和(19)给出。5.4形状参数m的加权平均值m的计算按表5的格式进行。应力水平序号
表中;1F,查《试验用表》表2;(;值由5.2条给出。m按下式计算
m=L-1/Q
5.5加速系数t~t按下式计算:
th-r.=(Vi/Vo)*
中:c值由公式(21)给出,Vo和V;值是预先给定的。5.6产品在某电应力V条件下的失效率(t)按下式计算:A(t)=m.tm
式中:n和m值由公式(22)和(23)给出t值是预先给定的。5.7产品在某电应力V条件下的平均失效率元(t)按下式计算:T(t)=tm-1/nm
式中:n和m值由公式(22)和(23)给用:t值是预先给定的。5.8产品在某电应力条件下的平均寿命t按下式计算:L
(23)
(24)
(25)
(26)
GB2689.4—81
t=n(+))
式中:n和m值由公式(22)和(23)给出。厂(1+1/m)查《试验用表》表4。5.9产品在某电应力V条件下的可靠寿命tR按下式计算:tR=n(-2.3026igR)1/m
式中:n和m值出公式(22)和(23)给出;R值是预先给定的。34
(27)
(28)
小提示:此标准内容仅展示完整标准里的部分截取内容,若需要完整标准请到上方自行免费下载完整标准文档。
标准图片预览:





- 其它标准
- 热门标准
- 国家标准(GB)
- GB/T30917—2014 /ISo 29941:2010 天然胶乳橡胶避孕套中可迁移亚硝胺的测定
- GB/T12777-1999 金属波纹管膨胀节通用技术条件
- GB15193.5-2003 骨髓细胞微核试验
- GB/T29633.4-2020 南极地名 第4部分:罗马字母拼写
- GB/T43225-2023 空间物体登记要求
- GB4706.3-1986 家用和类似用途电器的安全食物搅碎器及类似用途电器的特殊要求
- GB15985-1995 丝虫病诊断标准及处理原则
- GB19159-2003 车用液化石油气
- GB/T7407-1997 中国及世界主要海运贸易港口代码
- GB1913.2-1990 漂白浸渍绝缘纸
- GB14287.4-2014 电气火灾监控系统 第4部分:故障电弧探测器
- GB5237.3-2008 铝合金建筑型材 第3部分:电泳涂漆型材
- GB/T39964-2021 造纸行业能源管理体系实施指南
- GB/T9771.6-2020 通信用单模光纤 第6部分:宽波长段 光传输用非零色散单模光纤特性
- GB/T43929-2024 空间用纤维光学器件测试指南
- 行业新闻
请牢记:“bzxz.net”即是“标准下载”四个汉字汉语拼音首字母与国际顶级域名“.net”的组合。 ©2025 标准下载网 www.bzxz.net 本站邮件:bzxznet@163.com
网站备案号:湘ICP备2025141790号-2
网站备案号:湘ICP备2025141790号-2