- 您的位置:
- 标准下载网 >>
- 标准分类 >>
- 国家标准(GB) >>
- GB/T 2690-2000 毛竹材
替代情况:
GB/T 2690-1981
首发日期:
1981-07-08复审日期:
2004-10-14起草人:
林在知、罗家基、林大家、李敬卿起草单位:
福建省林业厅提出单位:
国家林业局发布部门:
中华人民共和国国家质量监督检验检疫总局主管部门:
国家林业局相关标签:
竹材
点击下载
标准简介:
标准下载解压密码:www.bzxz.net
本标准规定了毛竹(楠竹)商品材的术语、技术要求、计量单位、检量工具及检量方法。本标准适用于直接用作建筑脚手架、棚架以及加工用作竹制成品、半成品和纸浆用的竹材。其他用途的竹材在同等条件下可参照执行。 GB/T 2690-2000 毛竹材 GB/T2690-2000
部分标准内容:
GB/T2690—2000
本标准是对GB/T2690—1981《毛竹》进行修订,主要内容改动部分为:-原标准名称《毛竹》,现改为《毛竹材》。技术要求:尺寸和材质指标按用途分为直接用、加工用、纸浆类用。径级尺寸原4~5cm和6cm,合并为≤6cm,7~8cm改为7~9cm,9cm以上改为≥10cm。材质指标中弯曲拱高限度由原10%改为8%;破裂由原限度3个节改为2个节;增加外伤缺陷的限度。
径级检量部位由原1.7m处现改为1.5m处检量,按1cm进级,不足1cm的四舍五入。一增加定义、缺陷检量办法。
本标准自实施之日起,同时代替GB/T2690-1981。本标准由国家林业局提出。
本标准由福建省林业厅负责起草。本标准主要起草人:林在知、罗家基、林大家、李敬卿。48
1范围
中华人民共和国国家标准
毛竹材
Bamboo timber
GB/T 2690—2000
代替GB/T2690—1981
本标准规定了毛竹(楠竹)商品材的术语、技术要求、计量单位、检量工具及检量方法。本标准适用于直接用作建筑脚手架、棚架以及加工用作竹制成品、半成品和纸浆用的竹材。其他用途的竹材在同等条件下可参照执行。2定义
本标准采用下列定义。
2.1 弯曲 curvature
竹材中心轴线不在同一直线上的左右偏离现象。2.2 干枯 withered
毛竹生长期间受病虫危害,采伐前己枯死。2.3 虫蛙 insect damage
受虫害蛀蚀、材表出现黄色或白色粉末,或有密集的小虫眼。2.4霍变 discoloration by mould竹材因保管不善,受霉菌侵蚀,材表出现斑或发霉变质,纤维受到破坏,降低韧性。2.5 虫眼insect hole
受昆虫为害而形成的孔道。
2.6 缩节 shrinkage knot
毛竹生长期间,受病菌昆虫为害或不良环境的影响,破坏其正常生长规律,造成竹节间距缩短或局部膨大现象。
2.7 破裂 crack
竹材端面受外力作用,发生纤维之间脱离形成的开裂。2.8外伤external wound
竹材在采伐运输过程中造成竹材外表局部损伤现象。3技术要求
3.1直接用、加工用竹材要求
竹龄6年以上,经顺盘修枝后的伐倒毛竹材。3.2尺寸
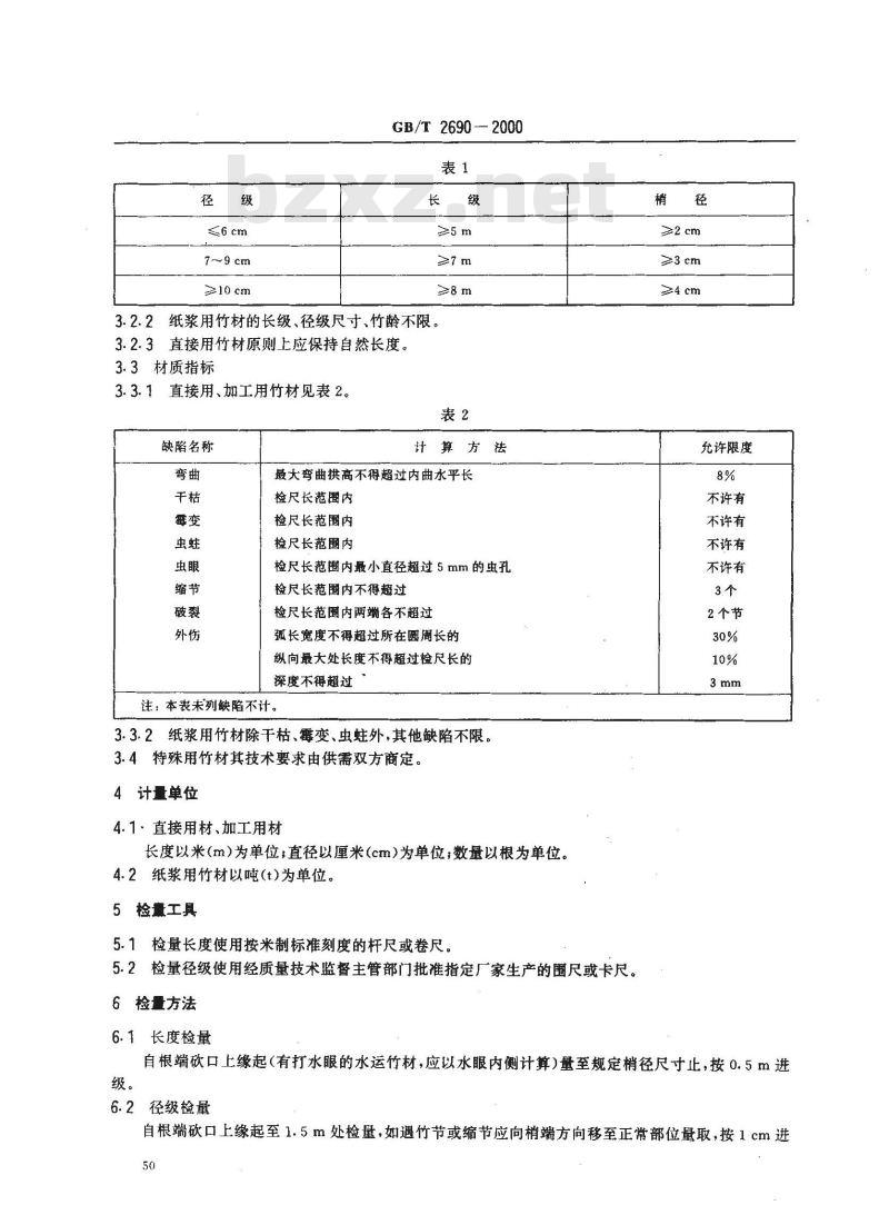
3.2.1直接用、加工用竹材见表1。国家质量技术监督局2000-05-19批准2000-08-01实施
≤6cm
≥10cm
GB/T 2690 - 2000
3.2.2纸浆用竹材的长级、径级尺寸、竹龄不限。3.2.3直接用竹材原则上应保持自然长度。3.3材质指标
3.3.1直接用、加工用竹材见表2。表2
缺陷名称
计算方法
最大弯曲拱高不得超过内曲水平长检尺长范圈内
检尺长范围内
检尺长范围内
检尺长范围内最小直径超过5 mm的虫孔检尺长范围内不得超过
检尺长范围内两端各不超过
孤长宽度不得超过所在圆周长的纵向最大处长度不得超过检尺长的深度不得超过
注:本表未列缺陷不计。
3.3.2纸浆用竹材除干枯、变、虫外,其他缺陷不限。3.4特殊用竹材其技术要求由供需双方商定。4计量单位
4.1、直接用材、加工用材
长度以米(m)为单位;直径以厘米(cm)为单位:数量以根为单位。4.2纸浆用竹材以吨(t)为单位
5检工具
5.1检量长度使用按米制标准刻度的杆尺或卷尺5.2检量径级使用经质量技术监督主管部门批准指定厂家生产的围尺或卡尺。6检量方法
6.1长度检量
≥2 cm
≥>3cm
≥4cm
允许限度
不许有此内容来自标准下载网
不许有
不许有
不许有
2个节
自根端砍口上缘起(有打水眼的水运竹材,应以水眼内侧计算)量至规定梢径尺寸止,按0.5m进6.2径级检量
自根端砍口上缘起至1.5m处检量,如遇竹节或缩节应向梢端方向移至正常部位量取,按1cm进50
GB/T 2690 - 2000
级,不足1cm四舍五入。使用卡尺时,以其长、短径的平均数经进舍后为检尺径;使用围尺时,按换算后的直径经进舍后为检尺径。
6.3缺陷检量
6.3.1弯曲
以检量检尺长范围内最大弯曲拱高与内曲水平长相比,多面弯曲以检量拱高最大的一处为准。6.3.2干枯
毛竹材正常颜色发生改变,主梢或节叉处出现浅褐色或紫黑色病斑,竹杆出现稍凹陷或纵裂,竹节内积水。
6.3.3虫蛙
以肉眼观察材表有黄、白色粉末或有密集小虫眼等现象。6.3.4霉变
以肉眼观察材表有霉斑或变质等现象。6.3.5虫眼
计算最小直径,以是否超过5mm为准。6.3.6缩节
以计算缩节个数为准。
6.3.7破裂
竹材两端开裂部分均不得超过两个节范围。6.3.8外伤
分别计算损伤的长度、宽度和深度,不允许其中一项超过限度。51
小提示:此标准内容仅展示完整标准里的部分截取内容,若需要完整标准请到上方自行免费下载完整标准文档。
本标准是对GB/T2690—1981《毛竹》进行修订,主要内容改动部分为:-原标准名称《毛竹》,现改为《毛竹材》。技术要求:尺寸和材质指标按用途分为直接用、加工用、纸浆类用。径级尺寸原4~5cm和6cm,合并为≤6cm,7~8cm改为7~9cm,9cm以上改为≥10cm。材质指标中弯曲拱高限度由原10%改为8%;破裂由原限度3个节改为2个节;增加外伤缺陷的限度。
径级检量部位由原1.7m处现改为1.5m处检量,按1cm进级,不足1cm的四舍五入。一增加定义、缺陷检量办法。
本标准自实施之日起,同时代替GB/T2690-1981。本标准由国家林业局提出。
本标准由福建省林业厅负责起草。本标准主要起草人:林在知、罗家基、林大家、李敬卿。48
1范围
中华人民共和国国家标准
毛竹材
Bamboo timber
GB/T 2690—2000
代替GB/T2690—1981
本标准规定了毛竹(楠竹)商品材的术语、技术要求、计量单位、检量工具及检量方法。本标准适用于直接用作建筑脚手架、棚架以及加工用作竹制成品、半成品和纸浆用的竹材。其他用途的竹材在同等条件下可参照执行。2定义
本标准采用下列定义。
2.1 弯曲 curvature
竹材中心轴线不在同一直线上的左右偏离现象。2.2 干枯 withered
毛竹生长期间受病虫危害,采伐前己枯死。2.3 虫蛙 insect damage
受虫害蛀蚀、材表出现黄色或白色粉末,或有密集的小虫眼。2.4霍变 discoloration by mould竹材因保管不善,受霉菌侵蚀,材表出现斑或发霉变质,纤维受到破坏,降低韧性。2.5 虫眼insect hole
受昆虫为害而形成的孔道。
2.6 缩节 shrinkage knot
毛竹生长期间,受病菌昆虫为害或不良环境的影响,破坏其正常生长规律,造成竹节间距缩短或局部膨大现象。
2.7 破裂 crack
竹材端面受外力作用,发生纤维之间脱离形成的开裂。2.8外伤external wound
竹材在采伐运输过程中造成竹材外表局部损伤现象。3技术要求
3.1直接用、加工用竹材要求
竹龄6年以上,经顺盘修枝后的伐倒毛竹材。3.2尺寸
3.2.1直接用、加工用竹材见表1。国家质量技术监督局2000-05-19批准2000-08-01实施
≤6cm
≥10cm
GB/T 2690 - 2000
3.2.2纸浆用竹材的长级、径级尺寸、竹龄不限。3.2.3直接用竹材原则上应保持自然长度。3.3材质指标
3.3.1直接用、加工用竹材见表2。表2
缺陷名称
计算方法
最大弯曲拱高不得超过内曲水平长检尺长范圈内
检尺长范围内
检尺长范围内
检尺长范围内最小直径超过5 mm的虫孔检尺长范围内不得超过
检尺长范围内两端各不超过
孤长宽度不得超过所在圆周长的纵向最大处长度不得超过检尺长的深度不得超过
注:本表未列缺陷不计。
3.3.2纸浆用竹材除干枯、变、虫外,其他缺陷不限。3.4特殊用竹材其技术要求由供需双方商定。4计量单位
4.1、直接用材、加工用材
长度以米(m)为单位;直径以厘米(cm)为单位:数量以根为单位。4.2纸浆用竹材以吨(t)为单位
5检工具
5.1检量长度使用按米制标准刻度的杆尺或卷尺5.2检量径级使用经质量技术监督主管部门批准指定厂家生产的围尺或卡尺。6检量方法
6.1长度检量
≥2 cm
≥>3cm
≥4cm
允许限度
不许有此内容来自标准下载网
不许有
不许有
不许有
2个节
自根端砍口上缘起(有打水眼的水运竹材,应以水眼内侧计算)量至规定梢径尺寸止,按0.5m进6.2径级检量
自根端砍口上缘起至1.5m处检量,如遇竹节或缩节应向梢端方向移至正常部位量取,按1cm进50
GB/T 2690 - 2000
级,不足1cm四舍五入。使用卡尺时,以其长、短径的平均数经进舍后为检尺径;使用围尺时,按换算后的直径经进舍后为检尺径。
6.3缺陷检量
6.3.1弯曲
以检量检尺长范围内最大弯曲拱高与内曲水平长相比,多面弯曲以检量拱高最大的一处为准。6.3.2干枯
毛竹材正常颜色发生改变,主梢或节叉处出现浅褐色或紫黑色病斑,竹杆出现稍凹陷或纵裂,竹节内积水。
6.3.3虫蛙
以肉眼观察材表有黄、白色粉末或有密集小虫眼等现象。6.3.4霉变
以肉眼观察材表有霉斑或变质等现象。6.3.5虫眼
计算最小直径,以是否超过5mm为准。6.3.6缩节
以计算缩节个数为准。
6.3.7破裂
竹材两端开裂部分均不得超过两个节范围。6.3.8外伤
分别计算损伤的长度、宽度和深度,不允许其中一项超过限度。51
小提示:此标准内容仅展示完整标准里的部分截取内容,若需要完整标准请到上方自行免费下载完整标准文档。
标准图片预览:




- 热门标准
- 国家标准(GB)
- GB/T30917—2014 /ISo 29941:2010 天然胶乳橡胶避孕套中可迁移亚硝胺的测定
- GB/T12777-1999 金属波纹管膨胀节通用技术条件
- GB/T29633.4-2020 南极地名 第4部分:罗马字母拼写
- GB15193.5-2003 骨髓细胞微核试验
- GB30530-2024 二甲基硅氧烷单位产品能源消耗限额
- GB/T43225-2023 空间物体登记要求
- GB4706.3-1986 家用和类似用途电器的安全食物搅碎器及类似用途电器的特殊要求
- GB15985-1995 丝虫病诊断标准及处理原则
- GB19159-2003 车用液化石油气
- GB/T7407-1997 中国及世界主要海运贸易港口代码
- GB/T15425-1994 贸易单128条码
- GB5237.3-2008 铝合金建筑型材 第3部分:电泳涂漆型材
- GB/T39964-2021 造纸行业能源管理体系实施指南
- GB/T9771.6-2020 通信用单模光纤 第6部分:宽波长段 光传输用非零色散单模光纤特性
- GB/T43929-2024 空间用纤维光学器件测试指南
- 行业新闻
请牢记:“bzxz.net”即是“标准下载”四个汉字汉语拼音首字母与国际顶级域名“.net”的组合。 ©2025 标准下载网 www.bzxz.net 本站邮件:bzxznet@163.com
网站备案号:湘ICP备2025141790号-2
网站备案号:湘ICP备2025141790号-2