- 您的位置:
- 标准下载网 >>
- 标准分类 >>
- 电子行业标准(SJ) >>
- SJ 3160-1988 GZS8-6-2型彩色显像管插座
标准号:
SJ 3160-1988
标准名称:
GZS8-6-2型彩色显像管插座
标准类别:
电子行业标准(SJ)
英文名称:
Sockets for colour picture tubes,Type GZS8-6-2标准状态:
现行-
发布日期:
1988-04-08 -
实施日期:
1988-10-01 出版语种:
简体中文下载格式:
.rar.pdf下载大小:
844.31 KB
部分标准内容:
中华人民共和国电子工业部部标准GZS8-—6-2型彩色显象管插座
SJ3160-88
本标准是对GZS8-6--2型彩色显象管插座的技术规定。该插座供管基代号为J8-6的彩色显象管用。
本标准应与SJ3158《插入式电子元器件用插座及其附件总规范》(下称总规范)同时使用。
1总则
1.1名词术语
开始放电电压 initial arcing voltage over spark-gaps带有放电器的插座中,放电间隙开始飞弧放电的电压放电耐久性discharge durability放电器连续承受瞬时放电的能力,用次数来表示,1.2环境试验严酷等级
气候类别:40/100/21
振动:振频10~55Hz,位移幅值0.35mm碰撞:译值加速度100m/s2
1.3电气额定值
额定电压:1号接线端10000VDc
其余接线端1000Vpc
额定电流:1A
1.4型号、规格和在技术文件中的标志示例.4.1插座的型号组成示例如下:GZS8 --- 6 - 2
规格代号(见表1)
基本型号
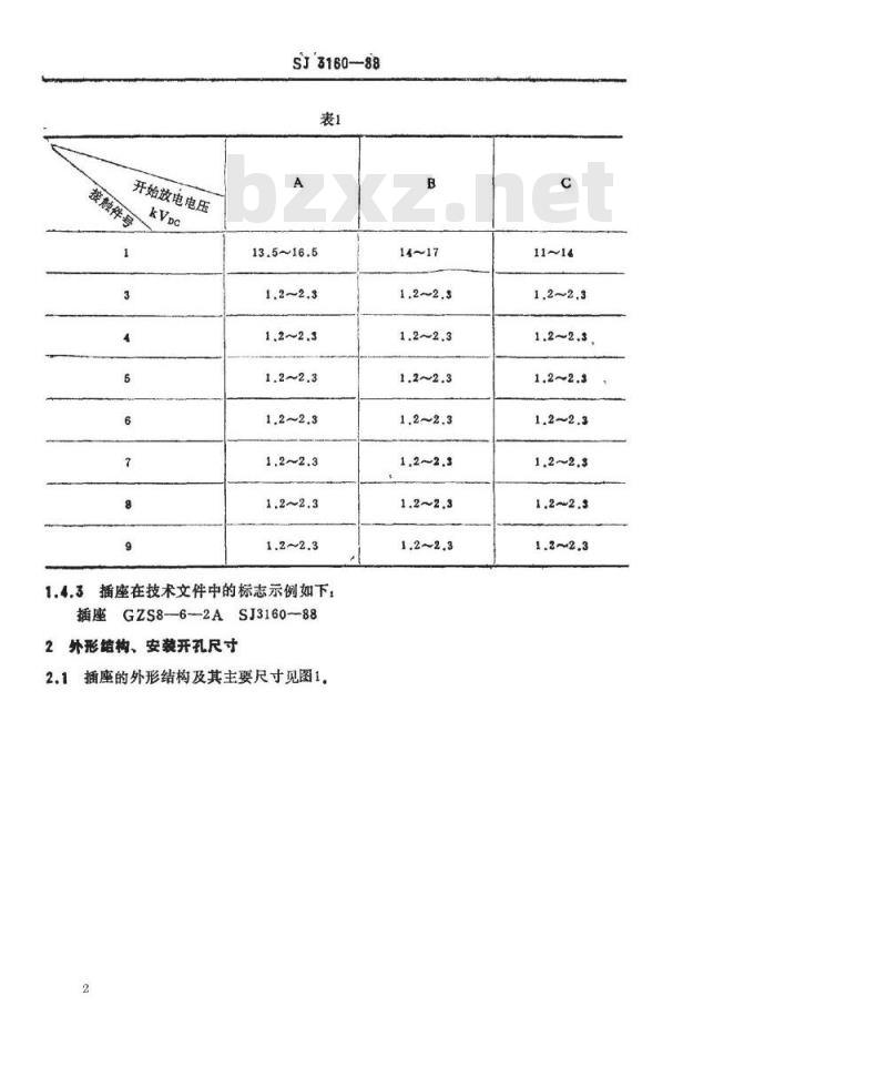
1.4.2插座按放电间隙的分布位置和开始放电电压(初始值)分成表1规定的各种规格。
中华人民共和国电子工业部1988—04-08批准198810--01实施
开始放电电压
sT3160--88
13.5~16.5
插座在技术文件中的标志示例如下,插座GZS8-6-2ASJ3160-88
2外形结构、安装开孔尺寸
2.1插座的外形结构及其主要尺寸见图1。2
SJ3160-88
(28)
键无尺节
未注公整按FF14级,
2.2印制板安装开孔尺寸见图2,36°±304
3关于试险的补充规定
SJ3160--88
17.5±0.13
3.1本标准要求对插座进行的试验,除采用总规范第3章的相应规定外,本标准还以3.23.4条的规定作为补充。
3.2结构牢固度
3.2.1要求
插座的上、下基体的铆合部位,应能承受规定的轴向拉力静负荷1min的作用,试验后,不应有松动现象。
3.2.2试验方法
按GB5095.5*试验8b”的规定进行试验试验时,将插座焊接在印制板上固定,通过紧固在插座上基体的夹具加力3.3开始放电电压
3.3.1要求:插座在规定的接触件与接地端之间的开始放电电压应分别符合表1和表2的规定。
前(kVpc)
13.5~16.5
SJ3160-88
后(kVpc)
13.5~17.5
10.5~14.5
3.3.2试验方法:采用放电装置,在规定的接触件与接地端之间施加直流电压,接触件接正极,接地端接负极,电压逐步升高,直到放电为止。放电装置的电压指示精度15%,放电电流为1mA。放电试验的环境条件为:温度20士5℃,相对湿度45%~75%.
3.4放电耐久性
3.4.1要求,插座在规定的接触件与接地端之间,在规定的开始放电电压上限值进行5000次的放电试验。试验后,应无机械损伤,开始放电电压范围应符合表23.4.2试验方法:在符合图3电路原理的放电耐久性试验设备上进行试验。接触件接正极,接地端接负极。约1秒钟放电一次,放电电流应为1mAR
可通直连电源
4检验规则
被试趣断
41插座应按总规范第4章规定的检验规则进行各项检验。4.2鉴定检验
鉴定检验应按总规范4,3条和本标准表3的规定进行。表3“要求*栏中未列出的要求,按总规范的相应规定检验,试验样品为25个,其中包括5个不带放电器的祥品。样品分组;
I组:10个样品
I组:5个样品
【组:10个样品其中包括5个不带放电器的样品,供直组顺序号为3和顺序号为规定的耐压试验用。
顺序号
试验项目
可焊性
耐锡焊热
接线端强度
轴向静负荷
“插入力
拨出力
单脚分离力
插座保持力
(5个样品)
接触故障
接触电阻
接触故障
SJ3160-88
总规落
条款号
锡焊檀润湿法
浸溃时间5.0士0.5起
浸溃深度2~3mm
不采用老化程序
锡焊槽法
折弯3次
标准规3
标准规3
标准规5.7
报频0~55Hz
位移幅值0.35mm
互相垂直的二个水平方向
循坏扫频数各5次
标准规4
1A,2.5Vpc
标准规6
峰蜂值加速度100m/s3
碰撞次数1000次
脉冲持续时间6ms
互相垂直的二个水平方向
标准规4
接地端不适用
不适用
25~80N
不适用
瞬时断开
瞬时断开
顾序号
试验项目
接触电阻
接触件横向
静负荷
接触电阻
结构牢固度·
(5个样品)
放电耐久性?
接触件寿命
拨出力
单脚分离力
接触电阻
锁紧装置
插入准位
接触电阻
绝缘电阻
射频分流电阻
温度急变
总规范
条款号
见本标准第3章,下同
SJ3160-88
续表3
1A,2.5VDc标准规6
在离插合面10mm处
平行于安装面扳
互相垂直的二个方向
分别施加10N的力
标准规4作模拟负载
1A,2.5VDc,标准规6
插拨50次
标准规2
标准规3
标准规5
1A,2.5Vpc
标准规6
1A,2.5VDC
标准规6
1MHz±200kHz
-40~+100.℃
专#舞时间30min
转移时间2~3min
见表2
20~80N
不适用
≥10\M0
不适用
组别顺序号
试验项目
局部放电
开始放电电压·
气候顺序试验
绝缘电阻
交变湿热
(第一个循环)
低气压
交变湿热
(其余循环)
绝缘电阻
接触电阻
绝缘电阻
总规范
系款号
SJ3160--88
续表3
恢复时间2h
1号接触件与外侧(见图4):
20kVpc
其余接触件(除接地端外)之间:1.2kVDc
100C,96h
在热态时测量
相邻接触件之间
高温温度+40℃
40,96h
相邻接触件之间
1号接触件与外侧(见图4)
20kVpc
其余接触件(除接地端外)之间,1.2kVpc
1A,2.5VDc
标准规6
相邻接触件之间
1导接触件与相邻接触件之间
不适用
见表1
≥10*Me
不适乱
≥10+M0
2105Ma
颠序号
试验项目
(不带放电器
5个样品)
恒定湿热
绝缘电阻
射频分流电阻
接触电阻
开始放电电压·
(不带放电器
5个样品)
低气压
盐雾腐蚀
硫化氢
接触电阻
总规范
累款号
SJ3160--88
续表3
(键孔中插入插键)
17kVpc
其余接触件之间:
去除表面凝露
相邻接触件之间
1A,2,5Vc
标准规6
1号接触件与外侧(见图4)
20kVpc
其余接触件(除接地端外)之间:1.2kVpc
1号接触件与相邻接触件之间
(键孔中插入插键):
17kVDc
其余接触件之间:
1 A,2.5 VDc
标准规6
>10'Mo
不造用
见表2
不适用
不适用
94V-0级
4.3质量一性检验
4,3.1逐批检验
SJ3160-88
电极(负极)
1号接触件(正极)
逐批检验应按总规范4.4.1条和本标准表4的规定进行,表4“要求”栏中未列出的要求,按总规范的相应规定进行检验表4
试验项目
材料和工艺检查
插入力
按出力
单脚分离力
接触电阻
绝缘电阻
死始放电电压”
总规落
茶款号
标准规3
标准规3
标准规5.7
1 A,2.5 Vpc
标准规6
相邻接触件之间
1号接触件与外侧(见图4)
20kVpc
其余接触件之间(除接地端外):1.2kVpc
25~80N
2105M0
见表1
试验项目
可焊性··
总规范
条款号
SJ3160-88
续表 4
注,。。在另外抽取的未经试验的2个样品上进行,试验后全部焊接端应符合总规范3.3.7的要求。若有一个焊接端不合验,可进行加倍试验,加倍试验合格,则该提交批判为合格;若还有一个焊接端不合格,则该提交批判为不合格,4,3.2周期检验
周期检验按总规范4.4.2条和本标准表5的规定进行,表5要求”栏中未列出的要求,按总规范的相应规定检验。表5中,1组的8个样品,在顺序号为6的试验项目以后,分成两组,71~7.4项和8.1~8.4项各4个。
顺序号
试验项自
可焊性
耐锡焊热
接线端强度
轴向静负荷
插入力
拔出力
单脚分离力
插座保持力此内容来自标准下载网
(4个样品)
锡焊槽润湿法
浸渍时间5.0士05s
浸渍深度2~3mm
不采用老化程序
锡焊槽法
折弯3次
标准规3
标准规3
标准规57
振频10~55Hz
接地端不
不适用
25~80N
不适用
组别顺序号
试验项目
接触故障
接触故障
接触件横向
静负荷
接触电阻
结构牢固度。
(4个样品)
放电耐久性
接触件寿命
拨出力
单脚分离力
接触电阻
锁紧装置
播入准位
总规范
案款号
SJ3160—88
续表5
位移幅值0.35mm
互相垂直的二个水平方向
循环扫频数各5次
标准规6
峰值加速度
100m/s2
碰撞次数1000次
脉冲持续时间6ms
互相垂直的二个水平方向
标准规6
在离插合面10mm处,平行
于安装面扳的互相垂直的二个
方向,分别施加10N的力
标准规4作模拟负载
1A,2.5VDc标准规6
插拨50次
标准规2
标准规3
标准规5
1A,2.5Vpc,标准规6
麟时断开
瞬时断开
见表2
20~80N
不适用
小提示:此标准内容仅展示完整标准里的部分截取内容,若需要完整标准请到上方自行免费下载完整标准文档。
SJ3160-88
本标准是对GZS8-6--2型彩色显象管插座的技术规定。该插座供管基代号为J8-6的彩色显象管用。
本标准应与SJ3158《插入式电子元器件用插座及其附件总规范》(下称总规范)同时使用。
1总则
1.1名词术语
开始放电电压 initial arcing voltage over spark-gaps带有放电器的插座中,放电间隙开始飞弧放电的电压放电耐久性discharge durability放电器连续承受瞬时放电的能力,用次数来表示,1.2环境试验严酷等级
气候类别:40/100/21
振动:振频10~55Hz,位移幅值0.35mm碰撞:译值加速度100m/s2
1.3电气额定值
额定电压:1号接线端10000VDc
其余接线端1000Vpc
额定电流:1A
1.4型号、规格和在技术文件中的标志示例.4.1插座的型号组成示例如下:GZS8 --- 6 - 2
规格代号(见表1)
基本型号
1.4.2插座按放电间隙的分布位置和开始放电电压(初始值)分成表1规定的各种规格。
中华人民共和国电子工业部1988—04-08批准198810--01实施
开始放电电压
sT3160--88
13.5~16.5
插座在技术文件中的标志示例如下,插座GZS8-6-2ASJ3160-88
2外形结构、安装开孔尺寸
2.1插座的外形结构及其主要尺寸见图1。2
SJ3160-88
(28)
键无尺节
未注公整按FF14级,
2.2印制板安装开孔尺寸见图2,36°±304
3关于试险的补充规定
SJ3160--88
17.5±0.13
3.1本标准要求对插座进行的试验,除采用总规范第3章的相应规定外,本标准还以3.23.4条的规定作为补充。
3.2结构牢固度
3.2.1要求
插座的上、下基体的铆合部位,应能承受规定的轴向拉力静负荷1min的作用,试验后,不应有松动现象。
3.2.2试验方法
按GB5095.5*试验8b”的规定进行试验试验时,将插座焊接在印制板上固定,通过紧固在插座上基体的夹具加力3.3开始放电电压
3.3.1要求:插座在规定的接触件与接地端之间的开始放电电压应分别符合表1和表2的规定。
前(kVpc)
13.5~16.5
SJ3160-88
后(kVpc)
13.5~17.5
10.5~14.5
3.3.2试验方法:采用放电装置,在规定的接触件与接地端之间施加直流电压,接触件接正极,接地端接负极,电压逐步升高,直到放电为止。放电装置的电压指示精度15%,放电电流为1mA。放电试验的环境条件为:温度20士5℃,相对湿度45%~75%.
3.4放电耐久性
3.4.1要求,插座在规定的接触件与接地端之间,在规定的开始放电电压上限值进行5000次的放电试验。试验后,应无机械损伤,开始放电电压范围应符合表23.4.2试验方法:在符合图3电路原理的放电耐久性试验设备上进行试验。接触件接正极,接地端接负极。约1秒钟放电一次,放电电流应为1mAR
可通直连电源
4检验规则
被试趣断
41插座应按总规范第4章规定的检验规则进行各项检验。4.2鉴定检验
鉴定检验应按总规范4,3条和本标准表3的规定进行。表3“要求*栏中未列出的要求,按总规范的相应规定检验,试验样品为25个,其中包括5个不带放电器的祥品。样品分组;
I组:10个样品
I组:5个样品
【组:10个样品其中包括5个不带放电器的样品,供直组顺序号为3和顺序号为规定的耐压试验用。
顺序号
试验项目
可焊性
耐锡焊热
接线端强度
轴向静负荷
“插入力
拨出力
单脚分离力
插座保持力
(5个样品)
接触故障
接触电阻
接触故障
SJ3160-88
总规落
条款号
锡焊檀润湿法
浸溃时间5.0士0.5起
浸溃深度2~3mm
不采用老化程序
锡焊槽法
折弯3次
标准规3
标准规3
标准规5.7
报频0~55Hz
位移幅值0.35mm
互相垂直的二个水平方向
循坏扫频数各5次
标准规4
1A,2.5Vpc
标准规6
峰蜂值加速度100m/s3
碰撞次数1000次
脉冲持续时间6ms
互相垂直的二个水平方向
标准规4
接地端不适用
不适用
25~80N
不适用
瞬时断开
瞬时断开
顾序号
试验项目
接触电阻
接触件横向
静负荷
接触电阻
结构牢固度·
(5个样品)
放电耐久性?
接触件寿命
拨出力
单脚分离力
接触电阻
锁紧装置
插入准位
接触电阻
绝缘电阻
射频分流电阻
温度急变
总规范
条款号
见本标准第3章,下同
SJ3160-88
续表3
1A,2.5VDc标准规6
在离插合面10mm处
平行于安装面扳
互相垂直的二个方向
分别施加10N的力
标准规4作模拟负载
1A,2.5VDc,标准规6
插拨50次
标准规2
标准规3
标准规5
1A,2.5Vpc
标准规6
1A,2.5VDC
标准规6
1MHz±200kHz
-40~+100.℃
专#舞时间30min
转移时间2~3min
见表2
20~80N
不适用
≥10\M0
不适用
组别顺序号
试验项目
局部放电
开始放电电压·
气候顺序试验
绝缘电阻
交变湿热
(第一个循环)
低气压
交变湿热
(其余循环)
绝缘电阻
接触电阻
绝缘电阻
总规范
系款号
SJ3160--88
续表3
恢复时间2h
1号接触件与外侧(见图4):
20kVpc
其余接触件(除接地端外)之间:1.2kVDc
100C,96h
在热态时测量
相邻接触件之间
高温温度+40℃
40,96h
相邻接触件之间
1号接触件与外侧(见图4)
20kVpc
其余接触件(除接地端外)之间,1.2kVpc
1A,2.5VDc
标准规6
相邻接触件之间
1导接触件与相邻接触件之间
不适用
见表1
≥10*Me
不适乱
≥10+M0
2105Ma
颠序号
试验项目
(不带放电器
5个样品)
恒定湿热
绝缘电阻
射频分流电阻
接触电阻
开始放电电压·
(不带放电器
5个样品)
低气压
盐雾腐蚀
硫化氢
接触电阻
总规范
累款号
SJ3160--88
续表3
(键孔中插入插键)
17kVpc
其余接触件之间:
去除表面凝露
相邻接触件之间
1A,2,5Vc
标准规6
1号接触件与外侧(见图4)
20kVpc
其余接触件(除接地端外)之间:1.2kVpc
1号接触件与相邻接触件之间
(键孔中插入插键):
17kVDc
其余接触件之间:
1 A,2.5 VDc
标准规6
>10'Mo
不造用
见表2
不适用
不适用
94V-0级
4.3质量一性检验
4,3.1逐批检验
SJ3160-88
电极(负极)
1号接触件(正极)
逐批检验应按总规范4.4.1条和本标准表4的规定进行,表4“要求”栏中未列出的要求,按总规范的相应规定进行检验表4
试验项目
材料和工艺检查
插入力
按出力
单脚分离力
接触电阻
绝缘电阻
死始放电电压”
总规落
茶款号
标准规3
标准规3
标准规5.7
1 A,2.5 Vpc
标准规6
相邻接触件之间
1号接触件与外侧(见图4)
20kVpc
其余接触件之间(除接地端外):1.2kVpc
25~80N
2105M0
见表1
试验项目
可焊性··
总规范
条款号
SJ3160-88
续表 4
注,。。在另外抽取的未经试验的2个样品上进行,试验后全部焊接端应符合总规范3.3.7的要求。若有一个焊接端不合验,可进行加倍试验,加倍试验合格,则该提交批判为合格;若还有一个焊接端不合格,则该提交批判为不合格,4,3.2周期检验
周期检验按总规范4.4.2条和本标准表5的规定进行,表5要求”栏中未列出的要求,按总规范的相应规定检验。表5中,1组的8个样品,在顺序号为6的试验项目以后,分成两组,71~7.4项和8.1~8.4项各4个。
顺序号
试验项自
可焊性
耐锡焊热
接线端强度
轴向静负荷
插入力
拔出力
单脚分离力
插座保持力此内容来自标准下载网
(4个样品)
锡焊槽润湿法
浸渍时间5.0士05s
浸渍深度2~3mm
不采用老化程序
锡焊槽法
折弯3次
标准规3
标准规3
标准规57
振频10~55Hz
接地端不
不适用
25~80N
不适用
组别顺序号
试验项目
接触故障
接触故障
接触件横向
静负荷
接触电阻
结构牢固度。
(4个样品)
放电耐久性
接触件寿命
拨出力
单脚分离力
接触电阻
锁紧装置
播入准位
总规范
案款号
SJ3160—88
续表5
位移幅值0.35mm
互相垂直的二个水平方向
循环扫频数各5次
标准规6
峰值加速度
100m/s2
碰撞次数1000次
脉冲持续时间6ms
互相垂直的二个水平方向
标准规6
在离插合面10mm处,平行
于安装面扳的互相垂直的二个
方向,分别施加10N的力
标准规4作模拟负载
1A,2.5VDc标准规6
插拨50次
标准规2
标准规3
标准规5
1A,2.5Vpc,标准规6
麟时断开
瞬时断开
见表2
20~80N
不适用
小提示:此标准内容仅展示完整标准里的部分截取内容,若需要完整标准请到上方自行免费下载完整标准文档。
标准图片预览:





- 其它标准
- 热门标准
- 电子行业标准(SJ)
- SJ675-1983 DM-346电真空玻璃主要技术数据
- SJ50681.76-1994 SMC系列(不接电缆)插针接触件印制电路板用2级射频同轴插座连接器详细规范
- SJ/T31439-1994 除湿机完好要求和检查评定方法
- SJ/T10588.12-1994 DB-438型电子玻璃技术数据
- SJ1805-1981 2CC126型硅调频变容二极管
- SJ/T31344-1994 GP3.5kW高频感应加热机完好要求和检查评定方法
- SJ/T31445-1994 热力管道完好要求和检查评定方法
- SJ/T10783-1996 电子器件详细规范 半导体集成电路CD7176CP伴音中频放大电路(可供认证用)
- SJ1553-1980 测温型负温度系数热敏电阻器总技术条件
- SJ2241.7-1982 CWT9J型同心型微调电容器
- SJ2674-1986 电子器件详细规范 低功率非线绕固定电阻器RJ16型金属膜固定电阻器 评定水平E
- SJ3006.3-1988 组合冲模 下圆角刃口
- SJ3003.5-1988 组合冲模 圆形刃口
- SJ3020.3-1988 组合冲模 推板
- SJ50681.70-1994 N系列(接41.28mm半硬电缆)插孔接触件2级射频同轴插头连接器详细规范
- 行业新闻
请牢记:“bzxz.net”即是“标准下载”四个汉字汉语拼音首字母与国际顶级域名“.net”的组合。 ©2025 标准下载网 www.bzxz.net 本站邮件:bzxznet@163.com
网站备案号:湘ICP备2025141790号-2
网站备案号:湘ICP备2025141790号-2