- 您的位置:
- 标准下载网 >>
- 标准分类 >>
- 电子行业标准(SJ) >>
- SJ 3261-1989 RWH1型温度熔断器
标准号:
SJ 3261-1989
标准名称:
RWH1型温度熔断器
标准类别:
电子行业标准(SJ)
标准状态:
现行-
发布日期:
1989-03-20 -
实施日期:
1989-03-25 出版语种:
简体中文下载格式:
.rar.pdf下载大小:
478.08 KB

部分标准内容:
中华人民共和国机械电子工业部部标准SJ3261-89
RWH1型温度熔断器
1989-03-20发布
1989-03-25实施
中华人民共和国机械电子工业部发布
中华人民共和国机械电子工业部部标准RWH1型温度熔断器
1主题内容与适用范围
1.1主题内容
SJ3261--89
本标准规定了RWH1型温度熔断器的技术性能、检验规则、标志、包装、运输和贮存要求,
1.2适用范围
本标准适用于使用在频率为4562Hz的交流电路中工作,额定电压为250V,额定电流为10A的RWH1型温度熔断器。RWH1型温度熔断器能在家用电器、仪器仪表及各种电器设备中使用。当设备发生故障异常发热时,它能自动切断电源、防止火灾、毁机等事故发生。2.引用标准
GB2421
GB2423.10
GB2423.28
GB2423.29
GB2828
GB·2829
电工电子产品基本环境试验规程总则
试验A
电工电子产品基本环境试验规程电工电子产品基本环境试验规程电工电子产品基本环境试验规程电工电子产品基本环境试验规程电工电子产品基本环境试验规程试验C.
试验F。
试验T
试验U
低温试验方法
恒定湿热试验方法
振动(正弦)试验方法
锡焊试验方法
引出端及整体安装件
逐批检查抽样程序及抽样表(适用于连续批的检查)周期检查计数抽样程序及轴样表(适用于生产过程稳定性的检查)3外形尺寸和主要技术参数
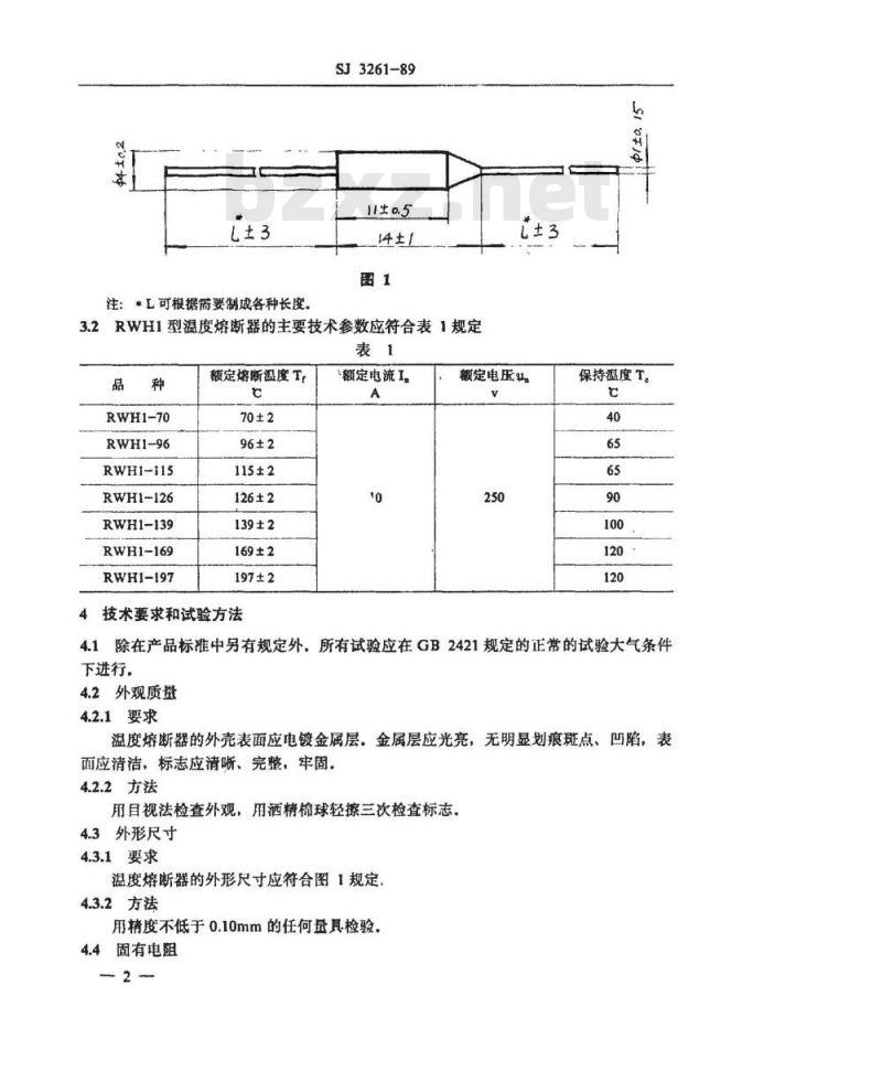
3.1RWH1型温度熔断器的外形尺寸应符合图1规定中华人民共和国机械电子工业部1989-03-20批准1989-03-25实施
注:*L可根据带要制成各种长度SJ3261-89
RWH1型温度熔断器的主要技术参数应符合表1规定表1
RWH1-70
RWH1-96
RWHi-i15
RWH1-126
RWH1-139
RWH1-169
RWH1-197
额定熔断温度T,
115±2
126±2
139±2
169±2
197±2
4技术要求和试验方法
额定电流I。
额定电压
保持温度T。
4.1除在产品标准中另有规定外。所有试验应在GB2421规定的正常的试验大气条件下进行
4.2外观质量
4.2.1要求
温度熔断器的外壳表面应电镀金属层。金属层应光亮,无明显划痕斑点、凹陷,表面应清洁,标志应清晰、完整,牢固。4.2.2方法
用目视法检查外观,用洒精棉球轻擦三次检查标志。4.3外形尺寸
4.3.1要求
温度熔断器的外形尺寸应符合图1规定4.3.2方法
用精度不低于0.10mm的任何盘具检验。4.4固有电阻
4.4.1要求
SJ3261-89
温度熔断器的固有电阻应不大于5m24.4.2方法
应采用能保证精度的毫欧表进行测量。测最时,端子间隔应不超过25mm。4.5绝缘电阻
4.5.1要求
温度熔断器在熔断后,其绝缘电阻应大于100Mα.4.5.2方法
用电阻表测量引线间绝缘电阻.其测量电压为500V,4.6拉力
4.6.1要求
温度熔断器的引出端应能承受20N的拉力作用,面无损伤,其固有电阻应符合4.4条规定。
4.6.2方法
按GB2423.29试验U,进行试验,试验后按4.4.2条测量固有电阻。4.7振动
4.7.1要求
温度熔断器产品在频率为10~55Hz,振幅为0.15mm的条件下,水平、垂直两个方向各进行五次扫频后,应无机械损伤,其固有电阻应符合4.4条规定。4.7.2方法
按GB2423.10试验Fc进行试验,试验后按4.4.2条测量固有电阻,4.8.弯曲此内容来自标准下载网
4.8.1要求
温度熔断器的引出端应能承受规定的弯曲作用而无机械损伤,其固有电阻应符合4.4条规定。
4.8.2方法
按GB2423.29中试验u的方法1进行试验,每个方向弯曲1次,共弯曲2次。按4.4.2条测量固有电阻
4.9可焊性
4.9.1要求
温度熔断器的引出端经浸焊锡后,表面应有新的连续的焊锡层,沾锡面在90%以上。允许有少量的针孔或没有沾锡的缺陷。但不得集中在一个区域内。4.9.2方法
按GB2423.28试验Ta的方法1进行,4.10:定湿热
温度炼断器应能承受规定的湿热条件的作用。试验后,其固有电阻应符合4.4条规3
4.10.2方法
SJ3261-89
按GB2423.3试验C.进行,但额定熔断温度在100℃以上的温度熔断器,其试验温度为65±2℃,试验时间均为10d。试验后,恢复1h,按4.4.2条测量固有电阻。4.11低温
4.11.1要求
溢度熔断器在-253℃的低温箱中放置72h,其固有电阻应符合4.4条规定,4.112方法
按GB2423.1试验A进行。试验后恢复1h,按4.4.2条测量固有电阻。4.12抗电强度
4.12.1要求
温度熔断器熔断后,经交流电压1000V、1min试验,而无击穿、飞弧,4.12.2方法
温度熔断器熔断后,在引出端之间进行抗电强度试验。试验电压应是频率为45~62Hz的正弦交流电压,开始时,施加不大于规定值一半的电压,然后再以大约500V/S的速率,将电压升至规定值,持续1min。试验设备的输出功率应不小于100VA。
4.13保持温度
4.13.1要求
温度熔断器在保持温度下应不熔断。其固有电阻应符合4.4条规定,4.13.2方法、
产品放人试验箱中接通10士0.1A的电流,然后开启试验箱的加热及鼓风开关,温度升到室温和T,温度的中心温度时保温30min,然后以每半小时升温20℃的升温速率升温至T。-6C,保持7d。试验后,在常温下恢复30min,按4.4.2条测适固定电阻4.14不熔断性能
4.14.1要求
温度熔断器在T—6℃时应不熔断,其固有电阻应符合4.4条规定,4.14.2方法
把产品放人控温精度为土1℃的试验箱中,升温至T一15时保持30nin,然后用1℃/min的升温速率升温至T一6±1℃,保持30min试验后恢复30min,按4.4.2条测量固有电阻,试验中,若对温度的准确性有更高要求时,则用铂电阻温度计监视进行试验。
4.15熔断性能
4.15.1要求
湿度熔断器在T+6℃时应熔断,其绝缘电阻应符合4.5条规定。4.15.2方法
把产品放人控温精度为土1C的试验箱中,升温至T+6+1℃保持30min。试验后4
SJ3261-89
在常温下维持原状恢复30min。按4.5.2条测量绝缘电阻.5检验规则
5.1RWH1型溢度熔断器经制造厂质量检验部门或上级主管部门指定的检验部门检验,检验分为逐批检验和周期检验。5.2逐批检验
5.2.1按GB2828一次抽样方案,随机抽取样品,试验项口、顺序、检查水平及合格质量水平(AQL)按表2规定。
5.2.2逐批检验不合格的批,允许制造厂将批产品中不合格品别除,重新进行逐批检验,并按GB2828加严检查程序进行,但熔断性能不合格的批,应予报废,表2
试验项目
外观质量
外形尺寸
固有电
可焊性
不熔断性能
熔断性能
绝缘电阻
5.3周期检验
本标准条款
检查水平
5.3.1周期检验每半年进行一次。应按GB2829的规定进行,AQL值
5.3.2周期检验的项口顺序按表3规定进行,对于表1中最高和最低额定熔断温度的温度熔断器,应进行全部项目试验,中间熔断温度值的温度熔断器可以只做不熔断性能、溶断性能及抗电强度试验。表3
试验项门
恒定湿热
保持温度
本标推条款
样品数量
RQL值
试验后测量
固有电阻
不熔断性能
熔断性能
绝缘电阻
抗电强度
检验项目
可焊性
SJ3261-89
续表3
本标准条款
样品数盘
RQL值
5.3.3若周期检验不合格,产品应停止出厂,并应分析不合格原因,采取措施后,重新提供样品进行试验,直至新的周期检验合格后方可出厂。对已出厂的产品由供需双方协商处理,
5.3.4经过周期检验的样品不得作为成品交货,5.3.5根据订货方要求,制造厂可提供周期检验报告。标志、包装、运输、贮存
6.1标志
每个温度熔断器上应清晰地标明下列内容制造厂商标或名称;
型号:
额定熔断温度。
6.2包装
温度熔断器应装人盒内,每盒只能装同型号、同品种、同规格的温度熔断器。盒上应有标签,其上标明:
制造厂商标或名称
产品型号和名称
额定熔断温度
额定电流
产品标准代号
包装日期
包装人员的姓名或代号
质量检验部门的合格证明(章)6.3运输
6.3.1装有溢温度熔断器的包装盒,在运输时应装人包装箱内,箱内空隙处应用干燥的包装材料填密,箱盖下应有装箱单,其上标明:制道厂名称或商标
b.产品型号和名称
箱内盒数和温度熔断器总数
d.产品标准代号
e。装箱日期
SJ3261-89
装有温度熔断器的包装箱,其重盘应不超过35Kg6.3.2每个包装箱的表面应清晰地标明“向上”、“轻放”、“防潮”等字样或标记。6.3.3装有温度熔断器的包装箱允许用任何方式运输,应避免雨、雪的浸袭和机械损伤,运输时的环境温度应不超过温度熔断器的保持温度。6.4贮存
温度熔断器应贮存环境温度为-10~40℃,相对湿度不大于80%,周围空气中没有酸性、碱性或其它腐蚀性气体的库房中附加说明:
本标准由机械电子工业部电子标准化研究所提出本标准由上无广负资起草。
本标准主要起草人吴敏芝、章柏莹、陈永利。
小提示:此标准内容仅展示完整标准里的部分截取内容,若需要完整标准请到上方自行免费下载完整标准文档。
RWH1型温度熔断器
1989-03-20发布
1989-03-25实施
中华人民共和国机械电子工业部发布
中华人民共和国机械电子工业部部标准RWH1型温度熔断器
1主题内容与适用范围
1.1主题内容
SJ3261--89
本标准规定了RWH1型温度熔断器的技术性能、检验规则、标志、包装、运输和贮存要求,
1.2适用范围
本标准适用于使用在频率为4562Hz的交流电路中工作,额定电压为250V,额定电流为10A的RWH1型温度熔断器。RWH1型温度熔断器能在家用电器、仪器仪表及各种电器设备中使用。当设备发生故障异常发热时,它能自动切断电源、防止火灾、毁机等事故发生。2.引用标准
GB2421
GB2423.10
GB2423.28
GB2423.29
GB2828
GB·2829
电工电子产品基本环境试验规程总则
试验A
电工电子产品基本环境试验规程电工电子产品基本环境试验规程电工电子产品基本环境试验规程电工电子产品基本环境试验规程电工电子产品基本环境试验规程试验C.
试验F。
试验T
试验U
低温试验方法
恒定湿热试验方法
振动(正弦)试验方法
锡焊试验方法
引出端及整体安装件
逐批检查抽样程序及抽样表(适用于连续批的检查)周期检查计数抽样程序及轴样表(适用于生产过程稳定性的检查)3外形尺寸和主要技术参数
3.1RWH1型温度熔断器的外形尺寸应符合图1规定中华人民共和国机械电子工业部1989-03-20批准1989-03-25实施
注:*L可根据带要制成各种长度SJ3261-89
RWH1型温度熔断器的主要技术参数应符合表1规定表1
RWH1-70
RWH1-96
RWHi-i15
RWH1-126
RWH1-139
RWH1-169
RWH1-197
额定熔断温度T,
115±2
126±2
139±2
169±2
197±2
4技术要求和试验方法
额定电流I。
额定电压
保持温度T。
4.1除在产品标准中另有规定外。所有试验应在GB2421规定的正常的试验大气条件下进行
4.2外观质量
4.2.1要求
温度熔断器的外壳表面应电镀金属层。金属层应光亮,无明显划痕斑点、凹陷,表面应清洁,标志应清晰、完整,牢固。4.2.2方法
用目视法检查外观,用洒精棉球轻擦三次检查标志。4.3外形尺寸
4.3.1要求
温度熔断器的外形尺寸应符合图1规定4.3.2方法
用精度不低于0.10mm的任何盘具检验。4.4固有电阻
4.4.1要求
SJ3261-89
温度熔断器的固有电阻应不大于5m24.4.2方法
应采用能保证精度的毫欧表进行测量。测最时,端子间隔应不超过25mm。4.5绝缘电阻
4.5.1要求
温度熔断器在熔断后,其绝缘电阻应大于100Mα.4.5.2方法
用电阻表测量引线间绝缘电阻.其测量电压为500V,4.6拉力
4.6.1要求
温度熔断器的引出端应能承受20N的拉力作用,面无损伤,其固有电阻应符合4.4条规定。
4.6.2方法
按GB2423.29试验U,进行试验,试验后按4.4.2条测量固有电阻。4.7振动
4.7.1要求
温度熔断器产品在频率为10~55Hz,振幅为0.15mm的条件下,水平、垂直两个方向各进行五次扫频后,应无机械损伤,其固有电阻应符合4.4条规定。4.7.2方法
按GB2423.10试验Fc进行试验,试验后按4.4.2条测量固有电阻,4.8.弯曲此内容来自标准下载网
4.8.1要求
温度熔断器的引出端应能承受规定的弯曲作用而无机械损伤,其固有电阻应符合4.4条规定。
4.8.2方法
按GB2423.29中试验u的方法1进行试验,每个方向弯曲1次,共弯曲2次。按4.4.2条测量固有电阻
4.9可焊性
4.9.1要求
温度熔断器的引出端经浸焊锡后,表面应有新的连续的焊锡层,沾锡面在90%以上。允许有少量的针孔或没有沾锡的缺陷。但不得集中在一个区域内。4.9.2方法
按GB2423.28试验Ta的方法1进行,4.10:定湿热
温度炼断器应能承受规定的湿热条件的作用。试验后,其固有电阻应符合4.4条规3
4.10.2方法
SJ3261-89
按GB2423.3试验C.进行,但额定熔断温度在100℃以上的温度熔断器,其试验温度为65±2℃,试验时间均为10d。试验后,恢复1h,按4.4.2条测量固有电阻。4.11低温
4.11.1要求
溢度熔断器在-253℃的低温箱中放置72h,其固有电阻应符合4.4条规定,4.112方法
按GB2423.1试验A进行。试验后恢复1h,按4.4.2条测量固有电阻。4.12抗电强度
4.12.1要求
温度熔断器熔断后,经交流电压1000V、1min试验,而无击穿、飞弧,4.12.2方法
温度熔断器熔断后,在引出端之间进行抗电强度试验。试验电压应是频率为45~62Hz的正弦交流电压,开始时,施加不大于规定值一半的电压,然后再以大约500V/S的速率,将电压升至规定值,持续1min。试验设备的输出功率应不小于100VA。
4.13保持温度
4.13.1要求
温度熔断器在保持温度下应不熔断。其固有电阻应符合4.4条规定,4.13.2方法、
产品放人试验箱中接通10士0.1A的电流,然后开启试验箱的加热及鼓风开关,温度升到室温和T,温度的中心温度时保温30min,然后以每半小时升温20℃的升温速率升温至T。-6C,保持7d。试验后,在常温下恢复30min,按4.4.2条测适固定电阻4.14不熔断性能
4.14.1要求
温度熔断器在T—6℃时应不熔断,其固有电阻应符合4.4条规定,4.14.2方法
把产品放人控温精度为土1℃的试验箱中,升温至T一15时保持30nin,然后用1℃/min的升温速率升温至T一6±1℃,保持30min试验后恢复30min,按4.4.2条测量固有电阻,试验中,若对温度的准确性有更高要求时,则用铂电阻温度计监视进行试验。
4.15熔断性能
4.15.1要求
湿度熔断器在T+6℃时应熔断,其绝缘电阻应符合4.5条规定。4.15.2方法
把产品放人控温精度为土1C的试验箱中,升温至T+6+1℃保持30min。试验后4
SJ3261-89
在常温下维持原状恢复30min。按4.5.2条测量绝缘电阻.5检验规则
5.1RWH1型溢度熔断器经制造厂质量检验部门或上级主管部门指定的检验部门检验,检验分为逐批检验和周期检验。5.2逐批检验
5.2.1按GB2828一次抽样方案,随机抽取样品,试验项口、顺序、检查水平及合格质量水平(AQL)按表2规定。
5.2.2逐批检验不合格的批,允许制造厂将批产品中不合格品别除,重新进行逐批检验,并按GB2828加严检查程序进行,但熔断性能不合格的批,应予报废,表2
试验项目
外观质量
外形尺寸
固有电
可焊性
不熔断性能
熔断性能
绝缘电阻
5.3周期检验
本标准条款
检查水平
5.3.1周期检验每半年进行一次。应按GB2829的规定进行,AQL值
5.3.2周期检验的项口顺序按表3规定进行,对于表1中最高和最低额定熔断温度的温度熔断器,应进行全部项目试验,中间熔断温度值的温度熔断器可以只做不熔断性能、溶断性能及抗电强度试验。表3
试验项门
恒定湿热
保持温度
本标推条款
样品数量
RQL值
试验后测量
固有电阻
不熔断性能
熔断性能
绝缘电阻
抗电强度
检验项目
可焊性
SJ3261-89
续表3
本标准条款
样品数盘
RQL值
5.3.3若周期检验不合格,产品应停止出厂,并应分析不合格原因,采取措施后,重新提供样品进行试验,直至新的周期检验合格后方可出厂。对已出厂的产品由供需双方协商处理,
5.3.4经过周期检验的样品不得作为成品交货,5.3.5根据订货方要求,制造厂可提供周期检验报告。标志、包装、运输、贮存
6.1标志
每个温度熔断器上应清晰地标明下列内容制造厂商标或名称;
型号:
额定熔断温度。
6.2包装
温度熔断器应装人盒内,每盒只能装同型号、同品种、同规格的温度熔断器。盒上应有标签,其上标明:
制造厂商标或名称
产品型号和名称
额定熔断温度
额定电流
产品标准代号
包装日期
包装人员的姓名或代号
质量检验部门的合格证明(章)6.3运输
6.3.1装有溢温度熔断器的包装盒,在运输时应装人包装箱内,箱内空隙处应用干燥的包装材料填密,箱盖下应有装箱单,其上标明:制道厂名称或商标
b.产品型号和名称
箱内盒数和温度熔断器总数
d.产品标准代号
e。装箱日期
SJ3261-89
装有温度熔断器的包装箱,其重盘应不超过35Kg6.3.2每个包装箱的表面应清晰地标明“向上”、“轻放”、“防潮”等字样或标记。6.3.3装有温度熔断器的包装箱允许用任何方式运输,应避免雨、雪的浸袭和机械损伤,运输时的环境温度应不超过温度熔断器的保持温度。6.4贮存
温度熔断器应贮存环境温度为-10~40℃,相对湿度不大于80%,周围空气中没有酸性、碱性或其它腐蚀性气体的库房中附加说明:
本标准由机械电子工业部电子标准化研究所提出本标准由上无广负资起草。
本标准主要起草人吴敏芝、章柏莹、陈永利。
小提示:此标准内容仅展示完整标准里的部分截取内容,若需要完整标准请到上方自行免费下载完整标准文档。

标准图片预览:





- 其它标准
- 热门标准
- 电子行业标准(SJ)
- SJ20811-2002 压阻式加速度传感器总规范
- SJ933-1975 半导体调幅广播收音机用输出输入变压器
- SJ/T11259-2001 制冷机低温泵总规范
- SJ/T31291-1994 CHJ-S-2型超声波塑料焊接机完好要求和检查评定方法
- SJ1007-75 双动冲床引伸模 上压板
- SJ/T31279-1994 WLD-T1型无感式电容器引线自动焊接机完好要求和检查评定方法
- SJ/Z9094.4-1987 地面无线电接力系统所用设备的测量方法 第二部分:分系统的测量 第三章 射频分支网络
- SJ/T31248-1994 CLS-37型激交调阻机完好要求和检查评定方法
- SJ/T31280-1994 隧道式电容器清洗机完好要求和检查评定方法
- SJ/T31360-1994 箱体成形折弯机完好要求和检查评定方法
- SJ/T10980-1996 电子器件详细规范 2CC23、2CC28型硅调谐变容二极管(可供认证用)
- SJ3039.1-1988 组合冲模 90°特形弯曲刃口合件
- SJ1011-1975 手柄翻开式钻模 压板
- SJ20740-1999 战场侦察雷达性能试验方法
- SJ/T31254-1994 自动绕片机完好要求和检查评定方法
- 行业新闻
请牢记:“bzxz.net”即是“标准下载”四个汉字汉语拼音首字母与国际顶级域名“.net”的组合。 ©2009 标准下载网 www.bzxz.net 本站邮件:bzxznet@163.com
网站备案号:湘ICP备2023016450号-1
网站备案号:湘ICP备2023016450号-1