- 您的位置:
- 标准下载网 >>
- 标准分类 >>
- 煤炭行业标准(MT) >>
- MT/T 775-1998 采煤机用拖曳式电缆夹技术条件
标准号:
MT/T 775-1998
标准名称:
采煤机用拖曳式电缆夹技术条件
标准类别:
煤炭行业标准(MT)
标准状态:
已作废-
发布日期:
1998-11-10 -
实施日期:
1999-04-01 -
作废日期:
2008-01-01 出版语种:
简体中文下载格式:
.rar.pdf下载大小:
160.17 KB
替代情况:
被MT/T 117-2007代替
点击下载
标准简介:
标准下载解压密码:www.bzxz.net
本标准规定了采煤机用拖曳式电缆夹的主要技术要求与试验方法、检验规则和标志、包装、运输、贮存。本标准适用于煤矿综采、普采机组上使用的以聚合塑料和碳素钢板为原料的采煤机用拖曳式电缆夹。 MT/T 775-1998 采煤机用拖曳式电缆夹技术条件 MT/T775-1998
部分标准内容:
MT/T775—1998
为适应煤矿采煤机械化的发展,提高采煤机械零部件的质量,本标准对采煤机用拖电式电缆夹的基本尺寸公差、串联状态所能承受的最大拉断力、所能承受的冲击能量等技术指标、试验方法、检验规则等作了明确规定。
本标准由国家煤炭工业局行业管理司提出。本标准由煤炭工业煤矿专用设备标准化技术委员会归口。本标准由煤炭科学研究总院上海分院负责起草。本标准主要起草人:宋禹、朱爱存。本标准委托国家采煤机械质量监督检验中心负责解释。96
中华人民共和国煤炭行业标准
采煤机用拖电式电缆夹技术条件Technical condition of dragging mode cableprotected panel for coal winning machineMT/T 775--1998
本标规定了采煤机用拖电式电缆夹的主要技术要求与试验方法、检验规则和标志、包装、运输、贮存。
本标准适用于煤矿综采、普采机组上使用的以聚合塑料和碳素钢板为原料的采煤机用拖电式电缆夹。
2引用标准
下列标准所包含的条文,通过在本标准中引用而构成为本标准的条文。本标准出版时,所示版本均为有效。所有标准都会被修订,使用本标准的各方应探讨使用下列标准最新版本的可能性。GB/T710-1991优质碳素结构钢热轧薄钢板和钢带GB/T28281987逐批检查计数抽样程序及抽样表(适用于连续批的检查)GB/T2829-1987周期检查计数抽样程序及抽样表(适用于生产过程稳定性的检查)GB/T3177—1982光滑工件尺寸的检验GB/T13237--1991优质碳素结构钢热轧薄钢板和钢带GB/T14486—1993工程塑料模塑塑料件尺寸公差MT113-1995煤矿井下用聚合物物品阻燃抗静电性通用试验方法和判定规则3技术要求
3.1采煤机用拖曳式电缆夹技术条件应符合本标准的规定,并按经规定程序批准的图样及技术文件制造。
3.2采煤机用拖电式电缆夹应采用冲压的钢板做骨架,所采用的钢板性能应不低于GB/T710和GB/T13237中的20薄钢板性能。
3.3采煤机用拖电式电缆夹非金属原材料的安全性能应符合MT113的规定。3.4采煤机用拖电式电缆夹的几何尺寸应符合加工图纸的规定,孔径公差为H13,孔距极限偏差为士0.5IT12,H、L的尺寸公差为MT4级,其余尺寸公差按未注尺寸公差MT5级制造(见图1)。图1
国家煤炭工业局1998-11-10批准1999-04-01实施
MT/T 775—1998
3.5采煤机用拖电式电缆夹串联状态承受载荷达到表1规定的工作载荷时保持2min,卸载检查应无变形、开裂、脱落。采煤机用拖电式电缆夹申联状态所能承受的最大拉断力应不小于表1规定。3.6采煤机用拖电式电缆夹应能承受符合表1规定的抗砸冲击能量,承受冲击后的电缆夹不应破碎。表1采煤机用拖电式电缆夹拉伸试验力及抗砸冲击能量的规定A级(普通型)
工作载荷
最大拉断力
抗砸冲击能基
工作载荷
B级(强力型)
最大拉断力
抗砸冲击能量
3.7采煤机用拖电式电缆夹表面应光滑、平整。采煤机用拖电式电缆夹串联后应转动灵活、折弯自如,折弯角应符合技术图纸要求。
4试验方法
4.1基本尺寸及外观质量检验
用游标卡尺按GB/T14486和GB/T3177的要求进行检验,其结果应符合本标准3.4的规定。外观、转动、折弯性能应符合本标准3.7的规定。4.2串联状态承受拉力的试验
4.2.1试样及其制备
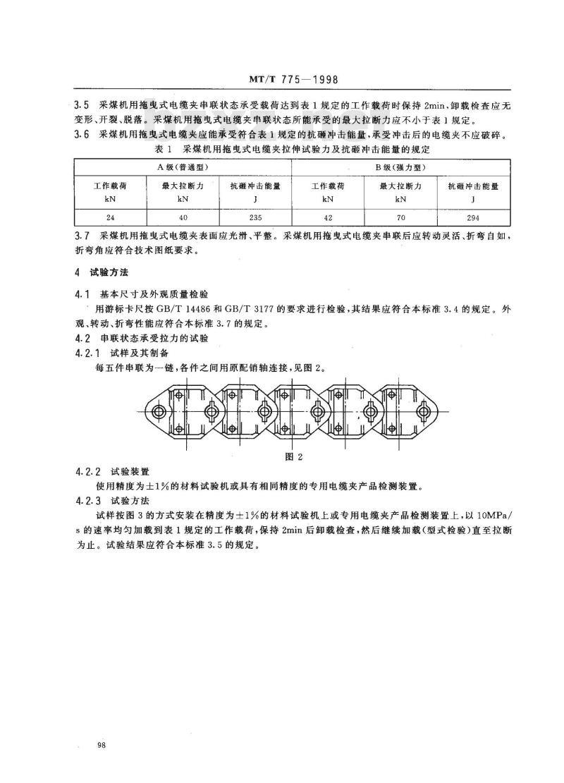
每五件串联为一链,各件之间用原配销轴连接,见图2。图2
4.2.2试验装置
使用精度为士1%的材料试验机或具有相同精度的专用电缆夹产品检测装置。4.2.3试验方法
试样按图3的方式安装在精度为士1%的材料试验机上或专用电缆夹产品检测装置上,以10MPa/s的速率均匀加载到表1规定的工作载荷,保持2min后卸载检查,然后继续加载(型式检验)直至拉断为止。试验结果应符合本标准3.5的规定。98
4.3抗冲击试验
4.3.1试样及其制备
MT/T775-1998
每节采煤机用拖电式电缆夹为一个冲击试样,被冲击部位以翼片宽度方向中线与长度方向中线交点为圆心,半径15mm的区域内,见图4。R15
麦示被冲击部位
4.3.2试验装置
专用电缆夹检测装置。
4.3.3试验方法
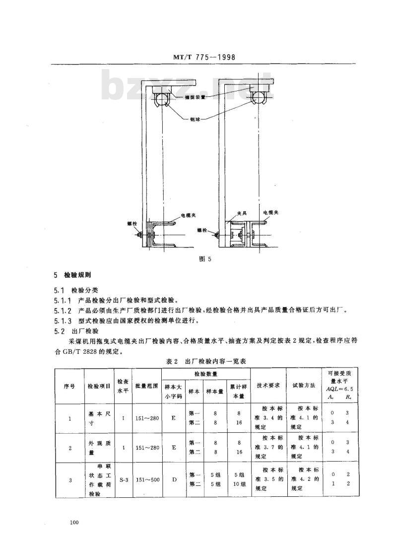
试样用螺栓固定在专用电缆夹产品检测装置上,见图5。A级在1.6m高度(士1%)、B级在2m高度(士1%)自由落体释放钢球【重量(15士0.01)kg】冲击试样。每试样冲击-次,试验结果应符合本标准3.6的规定。
5检验规则
5.1检验分类
MT/T775--1998
电提装置
电续夹
5.1.1产品检验分出厂检验和型式检验。夹具
电缆夹
5.1.2产品必须由生产厂质检部门进行出厂检验,经检验合格并出具产品质量合格证后方可出厂5.1.3型式检验应由国家授权的检测单位进行。5.2出厂检验
采煤机用拖电式电缆夹出厂检验内容、合格质量水平、抽查方案及判定按表2规定,检查程序应符合GB/T2828的规定。
表2出厂检验内容一览表
检验数量
检验项目
基本尺
外观质
状态工
作载荷
批量范围
151~280
151~280
151~500
样本大
小字码
样本量
累计样
技术要求
按本标
准3.4的
按本标
准3.?的
按本标
准3.5的
试验方法
按本标
准4.1的
按本标
谁4.1的
按本标
谁4.2的
可接受质
量水平
AQL= 6. 5
检验项目
击检验
MT/T 775-1998
表2(完)
检验数量
批量范围样本大
小字码
151~500
1第3项每组样本为5节电缆夹的串联。2 A。一合格判定数;R。一不合格判定数。5.3型式检验
5.3.1有下列情况之一时,应进行型式检验:样本量
a)新产品或老产品转厂生产的试制定型鉴定;累计样
b)当改变产品的材料、工艺、设计等从而影响产品性能时;c)批量连续生产时每年一次;
d)停产2年后,再次恢复生产时;e)用户对产品质量有重大异议提出要求时;f)国家质量监督机构或认证机构提出要求时。技术要求
按本标
推3.6的
试验方法
按本标
准4.3的
可接受质
量水平
AQL = 6. 5
5.3.2型式检验内容要求按表3规定。周期性检验,检查程序应符合GB/T2829规定。其他情况下的型式检验,检查程序与抽样方案可根据具体情况参照表3及相关标准制定。表3型式检验内容一览表
检验数量
检验项目
基本尺寸
外观质量
串联状态最大拉
抗冲击检验
原材料安全性能
注:A。--合格判定数;R。-不合格判定数。样本量
累计样
。本量
技术要求
按本标准
3.4的规定
按本标准
3.7的规定
按本标准
3.5的规定
按本标推
3.6的规定
按本标准
3.3的规定
试验方法
按本标准
4.1的规定
按本标准
4.1的规定
按本标准
4.2的规定
按本标准bzxZ.net
4.3的规定
不合格质
量水平
5.4判定规则
MT/T775—1998
5.4.1按表2、表3规定抽样检验并判定。一项合格即判被抽样批产品该项合格,所有项合格即判该抽样批产品为合格产品。所有项中有一项不合格即判该被抽样批产品不合格。5.4.2委托送样型式检验仅对所送产品样品质量进行判定。6标志、包装、运输、贮存
6.1采煤机用拖曳式电缆夹每节在不易磨损部位都应有明显标记,并规定如下:标记内容为制造厂代号或商标以及质量等级。质量等级用A、B汉语拼音字母表示。代号或商标不得与质量等级同字体。打上标记后,应不影响采煤机用拖曳式电缆夹的使用寿命。6.2采煤机用拖电式电缆夹用纸箱或木箱包装,箱外用塑料带捆扎。箱内应附有产品合格证。6.3包装箱的外壁应清晰标出:制造厂名称、厂址、商标、型号、产品生产标准编号、总质量以及装箱日期和箱的外形尺寸:长度(mm)×宽度(mm)×高度(mm)。6.4采煤机用拖电式电缆夹应放置在室内库房中,温度在一15~十40℃为宜,避免与明火接近。102
小提示:此标准内容仅展示完整标准里的部分截取内容,若需要完整标准请到上方自行免费下载完整标准文档。
为适应煤矿采煤机械化的发展,提高采煤机械零部件的质量,本标准对采煤机用拖电式电缆夹的基本尺寸公差、串联状态所能承受的最大拉断力、所能承受的冲击能量等技术指标、试验方法、检验规则等作了明确规定。
本标准由国家煤炭工业局行业管理司提出。本标准由煤炭工业煤矿专用设备标准化技术委员会归口。本标准由煤炭科学研究总院上海分院负责起草。本标准主要起草人:宋禹、朱爱存。本标准委托国家采煤机械质量监督检验中心负责解释。96
中华人民共和国煤炭行业标准
采煤机用拖电式电缆夹技术条件Technical condition of dragging mode cableprotected panel for coal winning machineMT/T 775--1998
本标规定了采煤机用拖电式电缆夹的主要技术要求与试验方法、检验规则和标志、包装、运输、贮存。
本标准适用于煤矿综采、普采机组上使用的以聚合塑料和碳素钢板为原料的采煤机用拖电式电缆夹。
2引用标准
下列标准所包含的条文,通过在本标准中引用而构成为本标准的条文。本标准出版时,所示版本均为有效。所有标准都会被修订,使用本标准的各方应探讨使用下列标准最新版本的可能性。GB/T710-1991优质碳素结构钢热轧薄钢板和钢带GB/T28281987逐批检查计数抽样程序及抽样表(适用于连续批的检查)GB/T2829-1987周期检查计数抽样程序及抽样表(适用于生产过程稳定性的检查)GB/T3177—1982光滑工件尺寸的检验GB/T13237--1991优质碳素结构钢热轧薄钢板和钢带GB/T14486—1993工程塑料模塑塑料件尺寸公差MT113-1995煤矿井下用聚合物物品阻燃抗静电性通用试验方法和判定规则3技术要求
3.1采煤机用拖曳式电缆夹技术条件应符合本标准的规定,并按经规定程序批准的图样及技术文件制造。
3.2采煤机用拖电式电缆夹应采用冲压的钢板做骨架,所采用的钢板性能应不低于GB/T710和GB/T13237中的20薄钢板性能。
3.3采煤机用拖电式电缆夹非金属原材料的安全性能应符合MT113的规定。3.4采煤机用拖电式电缆夹的几何尺寸应符合加工图纸的规定,孔径公差为H13,孔距极限偏差为士0.5IT12,H、L的尺寸公差为MT4级,其余尺寸公差按未注尺寸公差MT5级制造(见图1)。图1
国家煤炭工业局1998-11-10批准1999-04-01实施
MT/T 775—1998
3.5采煤机用拖电式电缆夹串联状态承受载荷达到表1规定的工作载荷时保持2min,卸载检查应无变形、开裂、脱落。采煤机用拖电式电缆夹申联状态所能承受的最大拉断力应不小于表1规定。3.6采煤机用拖电式电缆夹应能承受符合表1规定的抗砸冲击能量,承受冲击后的电缆夹不应破碎。表1采煤机用拖电式电缆夹拉伸试验力及抗砸冲击能量的规定A级(普通型)
工作载荷
最大拉断力
抗砸冲击能基
工作载荷
B级(强力型)
最大拉断力
抗砸冲击能量
3.7采煤机用拖电式电缆夹表面应光滑、平整。采煤机用拖电式电缆夹串联后应转动灵活、折弯自如,折弯角应符合技术图纸要求。
4试验方法
4.1基本尺寸及外观质量检验
用游标卡尺按GB/T14486和GB/T3177的要求进行检验,其结果应符合本标准3.4的规定。外观、转动、折弯性能应符合本标准3.7的规定。4.2串联状态承受拉力的试验
4.2.1试样及其制备
每五件串联为一链,各件之间用原配销轴连接,见图2。图2
4.2.2试验装置
使用精度为士1%的材料试验机或具有相同精度的专用电缆夹产品检测装置。4.2.3试验方法
试样按图3的方式安装在精度为士1%的材料试验机上或专用电缆夹产品检测装置上,以10MPa/s的速率均匀加载到表1规定的工作载荷,保持2min后卸载检查,然后继续加载(型式检验)直至拉断为止。试验结果应符合本标准3.5的规定。98
4.3抗冲击试验
4.3.1试样及其制备
MT/T775-1998
每节采煤机用拖电式电缆夹为一个冲击试样,被冲击部位以翼片宽度方向中线与长度方向中线交点为圆心,半径15mm的区域内,见图4。R15
麦示被冲击部位
4.3.2试验装置
专用电缆夹检测装置。
4.3.3试验方法
试样用螺栓固定在专用电缆夹产品检测装置上,见图5。A级在1.6m高度(士1%)、B级在2m高度(士1%)自由落体释放钢球【重量(15士0.01)kg】冲击试样。每试样冲击-次,试验结果应符合本标准3.6的规定。
5检验规则
5.1检验分类
MT/T775--1998
电提装置
电续夹
5.1.1产品检验分出厂检验和型式检验。夹具
电缆夹
5.1.2产品必须由生产厂质检部门进行出厂检验,经检验合格并出具产品质量合格证后方可出厂5.1.3型式检验应由国家授权的检测单位进行。5.2出厂检验
采煤机用拖电式电缆夹出厂检验内容、合格质量水平、抽查方案及判定按表2规定,检查程序应符合GB/T2828的规定。
表2出厂检验内容一览表
检验数量
检验项目
基本尺
外观质
状态工
作载荷
批量范围
151~280
151~280
151~500
样本大
小字码
样本量
累计样
技术要求
按本标
准3.4的
按本标
准3.?的
按本标
准3.5的
试验方法
按本标
准4.1的
按本标
谁4.1的
按本标
谁4.2的
可接受质
量水平
AQL= 6. 5
检验项目
击检验
MT/T 775-1998
表2(完)
检验数量
批量范围样本大
小字码
151~500
1第3项每组样本为5节电缆夹的串联。2 A。一合格判定数;R。一不合格判定数。5.3型式检验
5.3.1有下列情况之一时,应进行型式检验:样本量
a)新产品或老产品转厂生产的试制定型鉴定;累计样
b)当改变产品的材料、工艺、设计等从而影响产品性能时;c)批量连续生产时每年一次;
d)停产2年后,再次恢复生产时;e)用户对产品质量有重大异议提出要求时;f)国家质量监督机构或认证机构提出要求时。技术要求
按本标
推3.6的
试验方法
按本标
准4.3的
可接受质
量水平
AQL = 6. 5
5.3.2型式检验内容要求按表3规定。周期性检验,检查程序应符合GB/T2829规定。其他情况下的型式检验,检查程序与抽样方案可根据具体情况参照表3及相关标准制定。表3型式检验内容一览表
检验数量
检验项目
基本尺寸
外观质量
串联状态最大拉
抗冲击检验
原材料安全性能
注:A。--合格判定数;R。-不合格判定数。样本量
累计样
。本量
技术要求
按本标准
3.4的规定
按本标准
3.7的规定
按本标准
3.5的规定
按本标推
3.6的规定
按本标准
3.3的规定
试验方法
按本标准
4.1的规定
按本标准
4.1的规定
按本标准
4.2的规定
按本标准bzxZ.net
4.3的规定
不合格质
量水平
5.4判定规则
MT/T775—1998
5.4.1按表2、表3规定抽样检验并判定。一项合格即判被抽样批产品该项合格,所有项合格即判该抽样批产品为合格产品。所有项中有一项不合格即判该被抽样批产品不合格。5.4.2委托送样型式检验仅对所送产品样品质量进行判定。6标志、包装、运输、贮存
6.1采煤机用拖曳式电缆夹每节在不易磨损部位都应有明显标记,并规定如下:标记内容为制造厂代号或商标以及质量等级。质量等级用A、B汉语拼音字母表示。代号或商标不得与质量等级同字体。打上标记后,应不影响采煤机用拖曳式电缆夹的使用寿命。6.2采煤机用拖电式电缆夹用纸箱或木箱包装,箱外用塑料带捆扎。箱内应附有产品合格证。6.3包装箱的外壁应清晰标出:制造厂名称、厂址、商标、型号、产品生产标准编号、总质量以及装箱日期和箱的外形尺寸:长度(mm)×宽度(mm)×高度(mm)。6.4采煤机用拖电式电缆夹应放置在室内库房中,温度在一15~十40℃为宜,避免与明火接近。102
小提示:此标准内容仅展示完整标准里的部分截取内容,若需要完整标准请到上方自行免费下载完整标准文档。
标准图片预览:





- 其它标准
- 热门标准
- 煤炭行业标准(MT)
- MT429-1995 煤矿用隔爆型低压电缆接线盒
- MT/T411-1995 YBI系列装岩机用隔爆型三相异步电动机
- MT/T963-2005 煤中汞含量分级
- MT950-2005 煤矿井下空气压缩机安全技术检验规范
- MT818.14-1999 煤矿用阻燃电缆 第3单:煤矿用阻燃通信电缆
- MT/T934-2005 煤矿许用炸药煤尘—可燃气安全度试验方法及判定
- MT/T522-2004 矿用高强度圆环链检验规范
- MT284-1994 立井提升容器楔型连接装置技术条件
- MT378-1995 煤矿用炸药抗爆燃性测定方法和判定规则
- MT/T516.2-1995 煤矿液压凿岩机用钎具 钎头
- MT79-1984 粉尘浓度和分散度测定方法
- MT159-1995 矿用除尘器
- MT21-1990 立井箕斗计量装载设备
- MT/T883-2000 柴油机单轨吊车
- MT292.3-1992 蒸汽机车用抚顺矿务局煤技术条件
- 行业新闻
请牢记:“bzxz.net”即是“标准下载”四个汉字汉语拼音首字母与国际顶级域名“.net”的组合。 ©2025 标准下载网 www.bzxz.net 本站邮件:bzxznet@163.com
网站备案号:湘ICP备2025141790号-2
网站备案号:湘ICP备2025141790号-2