- 您的位置:
- 标准下载网 >>
- 标准分类 >>
- 煤炭行业标准(MT) >>
- MT/T 770-1998 矿用频分制开关量信号传输装置通用技术条件
标准号:
MT/T 770-1998
标准名称:
矿用频分制开关量信号传输装置通用技术条件
标准类别:
煤炭行业标准(MT)
标准状态:
现行-
发布日期:
1998-11-10 -
实施日期:
1999-04-01 出版语种:
简体中文下载格式:
.rar.pdf下载大小:
293.76 KB
点击下载
标准简介:
标准下载解压密码:www.bzxz.net
本标准规定了矿用频分制开关量信号传输装置的产品型号、组成、防爆型式、技术要求、试验方法、检验规则、标志、包装、运输及贮存。本标准适用于煤矿使用的频分制开关量信号传输装置(以下简称传输装置)。 MT/T 770-1998 矿用频分制开关量信号传输装置通用技术条件 MT/T770-1998
部分标准内容:
MT/T 770—1998
本标准从1999年4月1日起实施,所有的矿用频分制开关量信号传输装置应符合本标准。本标准由国家煤炭工业局行业管理司提出。本标准由煤炭工业煤矿专用设备标准化技术委员会归口。本标准起草单位:煤炭科学研究总院合肥研究所。本标准主要起草人:屠运武、谷松、刘晖、邹玲、何永清本标准由煤炭工业煤矿专用设备标准化技术委员会通信监控设备分会负责解释。512
1范围
中华人民共和国煤炭行业标准
矿用频分制开关量信号传输装置通用技术条件
General technical condition of frequency divisionON/OFF signal transmission unit for coal mineMT/T 770—1998
本标准规定了矿用频分制开关量信号传输装置的产品型号、组成、防爆型式、技术要求、试验方法、检验规则、标志、包装、运输及贮存。本标准适用于煤矿使用的频分制开关量信号传输装置(以下简称传输装置)。2引用标准
下列标准所包含的条文,通过在本标准中引用而构成为本标准的条文。本标准出版时,所示版本均为有效。所有标准都会被修订,使用本标准的各方应探讨使用下列标准最新版本的可能性。GB 156---1993
额定电压
GB 191—1990
包装贮运图示标志
爆炸性环境用防爆电气设备通用要求GB 3836. 1--1983
GB 3836. 2—1983
GB 3836.4—1983
GB/T 2829—1987
爆炸性环境用防爆电气设备隔爆型电气设备d”爆炸性环境用防爆电气设备本质安全型电路和电气设备“i”周期检查计数抽样程序及抽样表(适用于生产过程稳定性检查)GB/T 5080.1--1986
GB/T 5080. 7--1986
设备可靠性试验总要求
设备可靠性试验恒定失效率假设下的失效率与平均无故障时间的验证方案
GB/T13384--1992
机电产品包装通用技术条件
煤矿通信、检测、控制用电工电子产品通用技术要求MT 209--1990 :
MT 210---1990
煤矿通信、检测、控制用电工电子产品基本试验方法煤矿通信、自动化产品型号编制方法和管理办法MT 286--1992 :
3产品型号、组成及防爆型式
3.1型号
应符合MT286的规定。
传输装置由信号发送装置和信号接收装置两部分组成。3.3防爆型式
井下使用的传输装置为隔爆兼本质安全型或本质安全型,标志为dil或ibI;地面使用的传输装置为矿用普通型兼本安型,标志为(i)I。国家煤炭工业局1998-11-10批准1999-04-01实施
4技术要求
-—般要求
MT/T770—1998
传输装置应符合本标推要求,并按照规定程序批准的图样及文件制造。4.2环境条件
4.2.1传输装置在表1所列的条件下应能正常工作。表1
使用场合
—5~+40℃,或 MT 209-
1990中4.2条
MT209-1990中4.2条
相对湿度
MT 290—1990中 4.4.2条
95%(+25℃)
传输装置应能承受表2规定的安装和贮运条件。表2
使用场合
4.3基本性能
4.3.1供电电压
高温℃
相对湿度
93%(+40℃)
95%(+25℃)
大气压力
80~106kPa
机械环境
无显著振动
和冲击的场合
传输装置的供电电压等级应符合GB156的规定。波动范围应符合MT209一1990中5.4的规定,4.3.2发送功率
具体指标由各自产品标准规定。4.3.3接收灵敏度
具体指标由各自产品标推规定。4.3.4载波频率及稳定度
载波频率一般为11,14,5,17,20.5,25,30,36,33,52,64,78,96kHz,具体参数及稳定度的具体指标由各自的产品标准规定。
4.3.5选择性
具体指标由各自的产品标准规定。4.3.6传输距离
--般应不小于10km。
4.3.7复用路数
-对信号传输线上复用不同频率的传输装置应不小于5路。具体复用路数由各自的产品标准规定。4.3.8输人输出信号
传输装置的输人、输出信号均为开关量信号。其信号制式应符合MT209一1990中5.3的规定。4.3.9本安参数
传输装置的最大开路电压和最大短路电流应在各自产品标准中明确规定。4.4电源波动适应能力
供电电压在产品标准规定的电压波动范围内变化时,传输装置的基本性能应符合各自产品标准的规定。
4.5结构
4.5.1紧固件必须有防止自动松脱的措施。514
MT/T 770-1998
4.5.2金属零部件必须进行防锈和防蚀处理。4.5.3电气间隙与爬电距离,主要零部件与元器件、接地及结构的…-般要求应符合MT209--1990第7章、第8章、第9章和11.3的有关规定。4.6外观质量
应符合MT209—1990第6章的规定。4.7外壳防护性能
本安型传输装置的外壳防护能力--般应不低于IP54,地面普通兼本安型传输装置的外壳防护能力一般应不低于IP43。
4.8电气安全
4.8.1绝缘电阻
带电回路与接地(或外壳)之间的绝缘电阻应符合MT209—1990中11.1的规定,具体测量部位由各自的产品标准规定。
4.8.2工频压
带电回路与接地(或外壳)之间的1min工频耐压值应符合MT209—1990中11.2的规定,且无火花、飞弧和击穿现象,具体试验部位由各自的产品标准规定。4.9表面温度
传输装置在正常工作和故障状态时,其元器件、导线及外壳的最高表面温度不应超过150℃。4.10工作稳定性
传输装置应进行工作稳定性试验,通电时间不少于2d。其技术性能应符合各自产品标准的规定。4.11环境适应性
4.11.1传输装置在工作状态应能通过温度为最高环境温度,历时2h的高温工作试验,其基本性能及外观应符合各自产品标准的规定。4.11.2传输装置在工作状态应能通过温度为最低环境温度,历时2h的低温工作试验,其基本性能及外观应符合各自产品标准的规定。4.11.3传输装置在非工作状态应能通过温度为+60℃,历时16h的高温存试验。恢复后,其基本性能及外观应符合各自产品标准的规定。4.11.4传输装置在非工作状态应能通过温度为-40℃,历时16h的低温贮存试验。恢复后,其基本性能及外观应符合各自产品标准的规定。4.11.5用于井下的传输装置应能通过高温十40℃、周期为12d的交变湿热试验:用于地面的传输装置应能通过表3规定的严酷等级的恒定湿热试验。其基本性能、外观及电气安全应符合各自产品标准的规定。
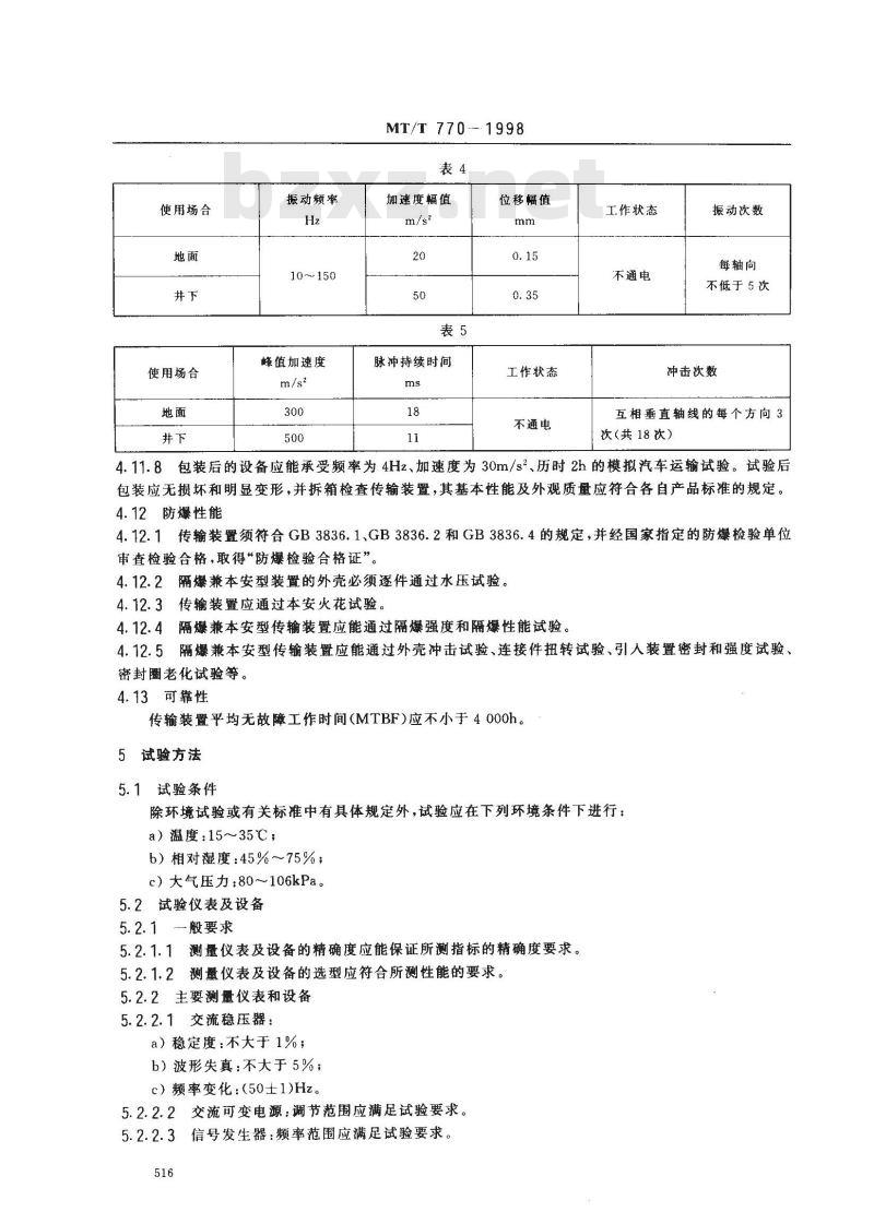
4.11.6传输装置应能通过表4规定的振动试验,其基本性能及外观应符合各自产品标准的规定。4.11.7传输装置应能通过表5规定的冲击试验,其基本性能及外观应符合各自产品标准的规定。表3
试验湿度
试验项目
最大工作湿度
最大贮存湿度
工作状态
不通电
最大工作
环境湿度
试验温度
最高工作
环境温度
试验时间
可控环境
地面室内
恢复时间
不小于1
使用场合
使用场合
振动频率
10~150
蜂值加速度
MT/T 770----1998
加速度幅值
脉冲持续时间
位移幅值
工作状态
不通电
工作状态
不通电
振动次数
每轴向
不低于5次
冲击次数
互相垂直轴线的每个方向3
次(共18次)
4.11.8包装后的设备应能承受频率为4Hz、加速度为30m/s2、历时2h的模拟汽车运输试验。试验后包装应无损坏和明显变形,并拆箱检查传输装置,其基本性能及外观质量应符合各自产品标准的规定。4.12防爆性能
4.12.1传输装置须符合GB3836.1.GB3836.2和GB3836.4的规定,并经国家指定的防爆检验单位审查检验合格,取得“防爆检验合格证”。4.12.2隔爆兼本安型装置的外壳必须逐件通过水压试验。4.12.3传输装置应通过本安火花试验。4.12.4隔爆兼本安型传输装置应能通过隔爆强度和隔爆性能试验。4.12.5隔爆兼本安型传输装置应能通过外壳冲击试验、连接件扭转试验、引人装置密封和强度试验、密封圈老化试验等。
4.13可靠性
传输装置平均无故障工作时间(MTBF)应不小于4000h。5试验方法
5.1试验条件
除环境试验或有关标准中有具体规定外,试验应在下列环境条件下进行:a)温度:15~35℃;
b)相对湿度:45%~75%;
c)大气压力:80~106kPa。
5.2试验仪表及设备
5.2.1--般要求
5.2.1.1测量仪表及设备的精确度应能保证所测指标的精确度要求。5.2.1.2测量仪表及设备的选型应符合所测性能的要求。5.2.2主要测量仪表和设备
5.2.2.1交流稳压器:
a)稳定度:不大于1%;
b)波形失真:不大于5%;
c)频率变化:(50士1)Hz。
5.2.2.2交流可变电源:调节范围应满足试验要求。5.2.2.3信号发生器:频率范围应满足试验要求。516
MT/T 770-1998
5.2.2.4仿真电缆:应能模拟最大传输距离,每公里仿真电缆网络如图1所示。其中:R为每公里电缆回路电阻的1/4;L为每公里电缆回路电感的1/4;C为每公里电缆的分布电容。具体参数由产品标准规定。
5.2.2.5双踪示波器:频率范围应不小于被测频率参数的10倍。5.2.2.6高频毫伏表:精度不低于2.5级。5.2.2.7高频毫安表:精度不低于2.5级。5.2.2.8数字频率计:误差不大于5×10-65.3电气性能试验
5.3.1传输距离试验
5.3.1.1按图2连接设备,其中信号发送装置和接收装置的频率相对应。信号
发送装量
接收装置
5.3.1.2先不接人仿真电缆,信号接收装置的输出状态应与信号发送装置的输人状态一致;接人仿真电缆后,信号接收装置的输出状态应与信号发送装置的输人状态相一-致。5.3.2载波频率及稳定度试验
5.3.2.1按图3连接设备,其中R为负载电阻。可
发送装置
【赖率讨
示波器
5.3.2.2使电源电压、负载电阻R在产品标准规定的范围内变化,观察数字式频率计的读数,同时观察示波器波形。
5.3.3发送功率试验
5.3.3.1按图4连接设备。
发送装簧
5.3.3.2使信号发送装置处于工作状态,将可变电阻R在产品标准规定的范围内从下限值均匀地增加到上限值,同时观察电流表和电压表的读数,此过程中两表读数乘积的最小值为传输装置的发送功率。
5.3.4接收灵敏度试验
5.3.4.1按图5连接设备。
5.3.4.2将可变电阻R调为零,接通电路,然后逐渐增大电阻R,当信号接收装置的输出状态改变时517
毫伏表的最小读数即为接收灵敏度。信号
发生器
5.3.5选择性试验
MT/T 770-1998
接收装置
5.3.5.1按图6连接设备,毫伏表接在接收装置通带滤波器的输出端。信号
发生器
接收装置
5.3.5.2调节信号发生器,使之发出接收装置对应的载波频率,记下毫伏表的读数。分别调节信号发生器的输出频率,发出产品标准规定衰减为3dB时的载波频率,记下两次毫伏表的读数,计算出相对衰减值;分别调节信号发生器的输出频率,发出产品标准规定衰减为40dB时的载波频率,记下两次毫伏表的读数,计算出相对衰减值。
5.3.6复用路数
5.3.6.1按图2连接设备,传输装置的接人路数为产品标准规定的最大复用路数。5.3.6.2所有接收装置的各路信号输出状态应与相应的信号发送装置的输入状态一一对应。5.3.7本安参数
5.3.7.1按图7连接设备,其中R为负载电阻,其值由各自产品标准规定。信号
发送装置
5.3.7.2测量输出端开路时的最大电压,此电压为装置的最大开路电压。5.3.7.3测量输出端短路时的最大电流,此电流为装置的最大短路电流。5.4电源波动适应能力试验
按MT210-1990第10章的规定进行。5.5结构检查
按MT210—1990第5章的有关规定进行。5.6外观检查
按MT210—1990第5章的有关规定进行。5.7外壳防护性能试验
按MT210—1990第16章的规定进行。5.8绝缘电阻测量
按MT210---1990第7章的规定进行。5.9工频耐压试验
按MT210—1990第8章的规定进行。5.10表面温度
按MT210--1990第11章的规定进行。518
5. 11工作稳定性试验
MT/T 770—1998
使装置处于工作状态,连续通电时间不小于48h,每隔8h检查一次基本性能。5.12高温工作试验
按MT210—1990第23章的有关规定进行。5.13低温工作试验
按MT210—1990第23章的有关规定进行。5.14高温贮存试验
按MT210—1990第24章的有关规定进行。5.15低温贮存试验
按MT210--1990第24章的有关规定进行。5.16湿热试验
按MT210—1990第28章的有关规定进行。5.17振动试验
按MT210-—1990第25章的有关规定进行。5.18冲击试验
按MT210—1990第26章的有关规定进行。5.19运输试验
按MT210—1990第27章的有关规定进行。5.20防爆性能试验
5.20.1水压试验
按MT210—1990第9章的规定进行。5.20.2防爆审查
按GB3836.1—1983第31章的有关规定进行。5.20.3本质安全火花试验
按GB3836.4—1983第8章的有关规定进行。5.20.4隔爆强度和性能试验
按GB3836.2~-1983第18章,19章及20章的规定进行。5.20.5影响防爆性能的其它试验外壳冲击试验按MT210一1990第14章的规定进行,引人装置密封性能及机械强度试验按MT210—1990第19章的规定进行;密封圈老化试验按MT210~-1990中第17章的规定进行,连接件扭转试验按MT210—1990第20章的规定进行。5.21可靠性试验
按GB/T5080.7的有关规定进行。若无其他标准另行规定,采用定时截尾试验方案。失效判定应符合 GB/T 5080.1—1986 中 9.2的规定。6检验规则
6.1检验分类
检验分出厂检验和型式检验两种。6.2出厂试验
6.2.1出厂检验必须逐台进行。检验由厂质检部门负责进行,合格产品应发给合格证。6.2.2试验项目应符合表6的规定。6.2.3出厂检验时,各项指标须符合各自产品标准的要求。有一项不合格则该产品不合格。若出现C类不合格,允许返修成合格产品。若出现A类或B类不合格则应返工,并重新试验。519
基本性能
试验项目
电源波动适应能力
外壳防护性能
绝缘电阻
工频耐压
表面温度
工作稳定性
高温工作
低温工作
高温贮存
低温贮存
MT/T 770—1998
不合格分类
防爆审查、本安火花、隔爆强度与性能影响防爆性能的其他试验
可靠性
1()表示需进行检验的项目。
2表示根据具体情况选择确定的项目。6.3型式检验
6.3.1在下列情况之一时,应进行型式检验:A
试验方法
技术要求
a)新产品或者产品转厂生产的试制定型,鉴定时;b)正式生产后,如结构、材料、工艺有较大改变,可能影响产品性能时;c)正常生产达3年(防爆性能除外);d)停产1年恢复生产时;
e)国家质量监督机构提出进行型式检验时。出广检验
型式检验
6.3.2试验项目应符合表6的规定。6.3.3批量不大于20台时,应从出厂检验合格的产品中抽取1~~2台进行型式检验。对A类项目,有项不合格则判该批为不合格。对B类项目有一项不合格应加倍抽样重新检验,若仍有一-项不合格则判该批为不合格。对C类项目,有三项不合格,则判该批产品不合格。520
MT/T 770—1998
6.3.4批量大于20台时,抽样方案应采用GB/T2829的有关规定,除非其他标准另有规定。一般选用一次抽样方案,判别水平,不合格质量水平RQL不大于40。当批量相对小时或对破坏性试验项目,允许采用判别水平1。判定数组由各自产品标准规定。对照试验项目的要求检验,并累计不合格数及不合格品数,按抽样方案判定产品为合格或不合格。若不合格应按GB/T2829—1987中4.12.3规定处理。7标志、包装、运输及贮存
7.1标志
7.1.1产品标志
7.1.1.1产品标志应符合MT209--1990中14.2的规定。7.1.1.2产品外壳明显处须设置清晰的永久性标志“Ex”。7.1.1.3应具备“MA”标志。
7.1.1.4产品外壳明显处应设铭牌,铭牌应清晰,包括以下内容:a)产品型号、名称,
b)右上方有明显的“Ex\标志;c)防爆标志;
d)防爆合格证编号;
e)安全标志编号,
f)必要的技术参数;
g)制造厂名;
h)产品编号及出厂日期。
7.1.2包装标志
7.1.2.1包装贮存标志应符合GB191的规定。7.1.2.2包装箱外壁上文字及标志至少有:a)制造厂名;
b)收货单位名称及地址;
c)产品型号及名称;
d)净重或毛重;
e)必要贮运标志。
7.2包装wwW.bzxz.Net
7.2.1传输装置的包装应符合GB/T13384的要求,应采用防雨、防潮、防包装。包装方式由各自产品标准规定。
7.2.2随机文件有:
a)产品合格证,
b)使用说明书;
c)装箱单和随机备附件清单;
d)其他必要的技术资料。
7.3运输
包装后的产品在保证不被雨、雪直接淋袭的条件下,可适用于水运、陆运及空运等各种运输方式。7.4贮存
包装后的产品应能在温度为-10~十40℃,相对湿度不大于90%的环境中贮存18个月以上。521
小提示:此标准内容仅展示完整标准里的部分截取内容,若需要完整标准请到上方自行免费下载完整标准文档。
本标准从1999年4月1日起实施,所有的矿用频分制开关量信号传输装置应符合本标准。本标准由国家煤炭工业局行业管理司提出。本标准由煤炭工业煤矿专用设备标准化技术委员会归口。本标准起草单位:煤炭科学研究总院合肥研究所。本标准主要起草人:屠运武、谷松、刘晖、邹玲、何永清本标准由煤炭工业煤矿专用设备标准化技术委员会通信监控设备分会负责解释。512
1范围
中华人民共和国煤炭行业标准
矿用频分制开关量信号传输装置通用技术条件
General technical condition of frequency divisionON/OFF signal transmission unit for coal mineMT/T 770—1998
本标准规定了矿用频分制开关量信号传输装置的产品型号、组成、防爆型式、技术要求、试验方法、检验规则、标志、包装、运输及贮存。本标准适用于煤矿使用的频分制开关量信号传输装置(以下简称传输装置)。2引用标准
下列标准所包含的条文,通过在本标准中引用而构成为本标准的条文。本标准出版时,所示版本均为有效。所有标准都会被修订,使用本标准的各方应探讨使用下列标准最新版本的可能性。GB 156---1993
额定电压
GB 191—1990
包装贮运图示标志
爆炸性环境用防爆电气设备通用要求GB 3836. 1--1983
GB 3836. 2—1983
GB 3836.4—1983
GB/T 2829—1987
爆炸性环境用防爆电气设备隔爆型电气设备d”爆炸性环境用防爆电气设备本质安全型电路和电气设备“i”周期检查计数抽样程序及抽样表(适用于生产过程稳定性检查)GB/T 5080.1--1986
GB/T 5080. 7--1986
设备可靠性试验总要求
设备可靠性试验恒定失效率假设下的失效率与平均无故障时间的验证方案
GB/T13384--1992
机电产品包装通用技术条件
煤矿通信、检测、控制用电工电子产品通用技术要求MT 209--1990 :
MT 210---1990
煤矿通信、检测、控制用电工电子产品基本试验方法煤矿通信、自动化产品型号编制方法和管理办法MT 286--1992 :
3产品型号、组成及防爆型式
3.1型号
应符合MT286的规定。
传输装置由信号发送装置和信号接收装置两部分组成。3.3防爆型式
井下使用的传输装置为隔爆兼本质安全型或本质安全型,标志为dil或ibI;地面使用的传输装置为矿用普通型兼本安型,标志为(i)I。国家煤炭工业局1998-11-10批准1999-04-01实施
4技术要求
-—般要求
MT/T770—1998
传输装置应符合本标推要求,并按照规定程序批准的图样及文件制造。4.2环境条件
4.2.1传输装置在表1所列的条件下应能正常工作。表1
使用场合
—5~+40℃,或 MT 209-
1990中4.2条
MT209-1990中4.2条
相对湿度
MT 290—1990中 4.4.2条
95%(+25℃)
传输装置应能承受表2规定的安装和贮运条件。表2
使用场合
4.3基本性能
4.3.1供电电压
高温℃
相对湿度
93%(+40℃)
95%(+25℃)
大气压力
80~106kPa
机械环境
无显著振动
和冲击的场合
传输装置的供电电压等级应符合GB156的规定。波动范围应符合MT209一1990中5.4的规定,4.3.2发送功率
具体指标由各自产品标准规定。4.3.3接收灵敏度
具体指标由各自产品标推规定。4.3.4载波频率及稳定度
载波频率一般为11,14,5,17,20.5,25,30,36,33,52,64,78,96kHz,具体参数及稳定度的具体指标由各自的产品标准规定。
4.3.5选择性
具体指标由各自的产品标准规定。4.3.6传输距离
--般应不小于10km。
4.3.7复用路数
-对信号传输线上复用不同频率的传输装置应不小于5路。具体复用路数由各自的产品标准规定。4.3.8输人输出信号
传输装置的输人、输出信号均为开关量信号。其信号制式应符合MT209一1990中5.3的规定。4.3.9本安参数
传输装置的最大开路电压和最大短路电流应在各自产品标准中明确规定。4.4电源波动适应能力
供电电压在产品标准规定的电压波动范围内变化时,传输装置的基本性能应符合各自产品标准的规定。
4.5结构
4.5.1紧固件必须有防止自动松脱的措施。514
MT/T 770-1998
4.5.2金属零部件必须进行防锈和防蚀处理。4.5.3电气间隙与爬电距离,主要零部件与元器件、接地及结构的…-般要求应符合MT209--1990第7章、第8章、第9章和11.3的有关规定。4.6外观质量
应符合MT209—1990第6章的规定。4.7外壳防护性能
本安型传输装置的外壳防护能力--般应不低于IP54,地面普通兼本安型传输装置的外壳防护能力一般应不低于IP43。
4.8电气安全
4.8.1绝缘电阻
带电回路与接地(或外壳)之间的绝缘电阻应符合MT209—1990中11.1的规定,具体测量部位由各自的产品标准规定。
4.8.2工频压
带电回路与接地(或外壳)之间的1min工频耐压值应符合MT209—1990中11.2的规定,且无火花、飞弧和击穿现象,具体试验部位由各自的产品标准规定。4.9表面温度
传输装置在正常工作和故障状态时,其元器件、导线及外壳的最高表面温度不应超过150℃。4.10工作稳定性
传输装置应进行工作稳定性试验,通电时间不少于2d。其技术性能应符合各自产品标准的规定。4.11环境适应性
4.11.1传输装置在工作状态应能通过温度为最高环境温度,历时2h的高温工作试验,其基本性能及外观应符合各自产品标准的规定。4.11.2传输装置在工作状态应能通过温度为最低环境温度,历时2h的低温工作试验,其基本性能及外观应符合各自产品标准的规定。4.11.3传输装置在非工作状态应能通过温度为+60℃,历时16h的高温存试验。恢复后,其基本性能及外观应符合各自产品标准的规定。4.11.4传输装置在非工作状态应能通过温度为-40℃,历时16h的低温贮存试验。恢复后,其基本性能及外观应符合各自产品标准的规定。4.11.5用于井下的传输装置应能通过高温十40℃、周期为12d的交变湿热试验:用于地面的传输装置应能通过表3规定的严酷等级的恒定湿热试验。其基本性能、外观及电气安全应符合各自产品标准的规定。
4.11.6传输装置应能通过表4规定的振动试验,其基本性能及外观应符合各自产品标准的规定。4.11.7传输装置应能通过表5规定的冲击试验,其基本性能及外观应符合各自产品标准的规定。表3
试验湿度
试验项目
最大工作湿度
最大贮存湿度
工作状态
不通电
最大工作
环境湿度
试验温度
最高工作
环境温度
试验时间
可控环境
地面室内
恢复时间
不小于1
使用场合
使用场合
振动频率
10~150
蜂值加速度
MT/T 770----1998
加速度幅值
脉冲持续时间
位移幅值
工作状态
不通电
工作状态
不通电
振动次数
每轴向
不低于5次
冲击次数
互相垂直轴线的每个方向3
次(共18次)
4.11.8包装后的设备应能承受频率为4Hz、加速度为30m/s2、历时2h的模拟汽车运输试验。试验后包装应无损坏和明显变形,并拆箱检查传输装置,其基本性能及外观质量应符合各自产品标准的规定。4.12防爆性能
4.12.1传输装置须符合GB3836.1.GB3836.2和GB3836.4的规定,并经国家指定的防爆检验单位审查检验合格,取得“防爆检验合格证”。4.12.2隔爆兼本安型装置的外壳必须逐件通过水压试验。4.12.3传输装置应通过本安火花试验。4.12.4隔爆兼本安型传输装置应能通过隔爆强度和隔爆性能试验。4.12.5隔爆兼本安型传输装置应能通过外壳冲击试验、连接件扭转试验、引人装置密封和强度试验、密封圈老化试验等。
4.13可靠性
传输装置平均无故障工作时间(MTBF)应不小于4000h。5试验方法
5.1试验条件
除环境试验或有关标准中有具体规定外,试验应在下列环境条件下进行:a)温度:15~35℃;
b)相对湿度:45%~75%;
c)大气压力:80~106kPa。
5.2试验仪表及设备
5.2.1--般要求
5.2.1.1测量仪表及设备的精确度应能保证所测指标的精确度要求。5.2.1.2测量仪表及设备的选型应符合所测性能的要求。5.2.2主要测量仪表和设备
5.2.2.1交流稳压器:
a)稳定度:不大于1%;
b)波形失真:不大于5%;
c)频率变化:(50士1)Hz。
5.2.2.2交流可变电源:调节范围应满足试验要求。5.2.2.3信号发生器:频率范围应满足试验要求。516
MT/T 770-1998
5.2.2.4仿真电缆:应能模拟最大传输距离,每公里仿真电缆网络如图1所示。其中:R为每公里电缆回路电阻的1/4;L为每公里电缆回路电感的1/4;C为每公里电缆的分布电容。具体参数由产品标准规定。
5.2.2.5双踪示波器:频率范围应不小于被测频率参数的10倍。5.2.2.6高频毫伏表:精度不低于2.5级。5.2.2.7高频毫安表:精度不低于2.5级。5.2.2.8数字频率计:误差不大于5×10-65.3电气性能试验
5.3.1传输距离试验
5.3.1.1按图2连接设备,其中信号发送装置和接收装置的频率相对应。信号
发送装量
接收装置
5.3.1.2先不接人仿真电缆,信号接收装置的输出状态应与信号发送装置的输人状态一致;接人仿真电缆后,信号接收装置的输出状态应与信号发送装置的输人状态相一-致。5.3.2载波频率及稳定度试验
5.3.2.1按图3连接设备,其中R为负载电阻。可
发送装置
【赖率讨
示波器
5.3.2.2使电源电压、负载电阻R在产品标准规定的范围内变化,观察数字式频率计的读数,同时观察示波器波形。
5.3.3发送功率试验
5.3.3.1按图4连接设备。
发送装簧
5.3.3.2使信号发送装置处于工作状态,将可变电阻R在产品标准规定的范围内从下限值均匀地增加到上限值,同时观察电流表和电压表的读数,此过程中两表读数乘积的最小值为传输装置的发送功率。
5.3.4接收灵敏度试验
5.3.4.1按图5连接设备。
5.3.4.2将可变电阻R调为零,接通电路,然后逐渐增大电阻R,当信号接收装置的输出状态改变时517
毫伏表的最小读数即为接收灵敏度。信号
发生器
5.3.5选择性试验
MT/T 770-1998
接收装置
5.3.5.1按图6连接设备,毫伏表接在接收装置通带滤波器的输出端。信号
发生器
接收装置
5.3.5.2调节信号发生器,使之发出接收装置对应的载波频率,记下毫伏表的读数。分别调节信号发生器的输出频率,发出产品标准规定衰减为3dB时的载波频率,记下两次毫伏表的读数,计算出相对衰减值;分别调节信号发生器的输出频率,发出产品标准规定衰减为40dB时的载波频率,记下两次毫伏表的读数,计算出相对衰减值。
5.3.6复用路数
5.3.6.1按图2连接设备,传输装置的接人路数为产品标准规定的最大复用路数。5.3.6.2所有接收装置的各路信号输出状态应与相应的信号发送装置的输入状态一一对应。5.3.7本安参数
5.3.7.1按图7连接设备,其中R为负载电阻,其值由各自产品标准规定。信号
发送装置
5.3.7.2测量输出端开路时的最大电压,此电压为装置的最大开路电压。5.3.7.3测量输出端短路时的最大电流,此电流为装置的最大短路电流。5.4电源波动适应能力试验
按MT210-1990第10章的规定进行。5.5结构检查
按MT210—1990第5章的有关规定进行。5.6外观检查
按MT210—1990第5章的有关规定进行。5.7外壳防护性能试验
按MT210—1990第16章的规定进行。5.8绝缘电阻测量
按MT210---1990第7章的规定进行。5.9工频耐压试验
按MT210—1990第8章的规定进行。5.10表面温度
按MT210--1990第11章的规定进行。518
5. 11工作稳定性试验
MT/T 770—1998
使装置处于工作状态,连续通电时间不小于48h,每隔8h检查一次基本性能。5.12高温工作试验
按MT210—1990第23章的有关规定进行。5.13低温工作试验
按MT210—1990第23章的有关规定进行。5.14高温贮存试验
按MT210—1990第24章的有关规定进行。5.15低温贮存试验
按MT210--1990第24章的有关规定进行。5.16湿热试验
按MT210—1990第28章的有关规定进行。5.17振动试验
按MT210-—1990第25章的有关规定进行。5.18冲击试验
按MT210—1990第26章的有关规定进行。5.19运输试验
按MT210—1990第27章的有关规定进行。5.20防爆性能试验
5.20.1水压试验
按MT210—1990第9章的规定进行。5.20.2防爆审查
按GB3836.1—1983第31章的有关规定进行。5.20.3本质安全火花试验
按GB3836.4—1983第8章的有关规定进行。5.20.4隔爆强度和性能试验
按GB3836.2~-1983第18章,19章及20章的规定进行。5.20.5影响防爆性能的其它试验外壳冲击试验按MT210一1990第14章的规定进行,引人装置密封性能及机械强度试验按MT210—1990第19章的规定进行;密封圈老化试验按MT210~-1990中第17章的规定进行,连接件扭转试验按MT210—1990第20章的规定进行。5.21可靠性试验
按GB/T5080.7的有关规定进行。若无其他标准另行规定,采用定时截尾试验方案。失效判定应符合 GB/T 5080.1—1986 中 9.2的规定。6检验规则
6.1检验分类
检验分出厂检验和型式检验两种。6.2出厂试验
6.2.1出厂检验必须逐台进行。检验由厂质检部门负责进行,合格产品应发给合格证。6.2.2试验项目应符合表6的规定。6.2.3出厂检验时,各项指标须符合各自产品标准的要求。有一项不合格则该产品不合格。若出现C类不合格,允许返修成合格产品。若出现A类或B类不合格则应返工,并重新试验。519
基本性能
试验项目
电源波动适应能力
外壳防护性能
绝缘电阻
工频耐压
表面温度
工作稳定性
高温工作
低温工作
高温贮存
低温贮存
MT/T 770—1998
不合格分类
防爆审查、本安火花、隔爆强度与性能影响防爆性能的其他试验
可靠性
1()表示需进行检验的项目。
2表示根据具体情况选择确定的项目。6.3型式检验
6.3.1在下列情况之一时,应进行型式检验:A
试验方法
技术要求
a)新产品或者产品转厂生产的试制定型,鉴定时;b)正式生产后,如结构、材料、工艺有较大改变,可能影响产品性能时;c)正常生产达3年(防爆性能除外);d)停产1年恢复生产时;
e)国家质量监督机构提出进行型式检验时。出广检验
型式检验
6.3.2试验项目应符合表6的规定。6.3.3批量不大于20台时,应从出厂检验合格的产品中抽取1~~2台进行型式检验。对A类项目,有项不合格则判该批为不合格。对B类项目有一项不合格应加倍抽样重新检验,若仍有一-项不合格则判该批为不合格。对C类项目,有三项不合格,则判该批产品不合格。520
MT/T 770—1998
6.3.4批量大于20台时,抽样方案应采用GB/T2829的有关规定,除非其他标准另有规定。一般选用一次抽样方案,判别水平,不合格质量水平RQL不大于40。当批量相对小时或对破坏性试验项目,允许采用判别水平1。判定数组由各自产品标准规定。对照试验项目的要求检验,并累计不合格数及不合格品数,按抽样方案判定产品为合格或不合格。若不合格应按GB/T2829—1987中4.12.3规定处理。7标志、包装、运输及贮存
7.1标志
7.1.1产品标志
7.1.1.1产品标志应符合MT209--1990中14.2的规定。7.1.1.2产品外壳明显处须设置清晰的永久性标志“Ex”。7.1.1.3应具备“MA”标志。
7.1.1.4产品外壳明显处应设铭牌,铭牌应清晰,包括以下内容:a)产品型号、名称,
b)右上方有明显的“Ex\标志;c)防爆标志;
d)防爆合格证编号;
e)安全标志编号,
f)必要的技术参数;
g)制造厂名;
h)产品编号及出厂日期。
7.1.2包装标志
7.1.2.1包装贮存标志应符合GB191的规定。7.1.2.2包装箱外壁上文字及标志至少有:a)制造厂名;
b)收货单位名称及地址;
c)产品型号及名称;
d)净重或毛重;
e)必要贮运标志。
7.2包装wwW.bzxz.Net
7.2.1传输装置的包装应符合GB/T13384的要求,应采用防雨、防潮、防包装。包装方式由各自产品标准规定。
7.2.2随机文件有:
a)产品合格证,
b)使用说明书;
c)装箱单和随机备附件清单;
d)其他必要的技术资料。
7.3运输
包装后的产品在保证不被雨、雪直接淋袭的条件下,可适用于水运、陆运及空运等各种运输方式。7.4贮存
包装后的产品应能在温度为-10~十40℃,相对湿度不大于90%的环境中贮存18个月以上。521
小提示:此标准内容仅展示完整标准里的部分截取内容,若需要完整标准请到上方自行免费下载完整标准文档。
标准图片预览:





- 其它标准
- 热门标准
- 煤炭行业标准(MT)
- MT/T963-2005 煤中汞含量分级
- MT429-1995 煤矿用隔爆型低压电缆接线盒
- MT705-2007 煤矿用隔爆型低压插销
- MT/T411-1995 YBI系列装岩机用隔爆型三相异步电动机
- MT/T240-1997 煤矿降尘用喷咀通用技术条件
- MT299.3-1992 冶金焦用鹤岗矿务局煤技术条件
- MT/T1129-2011 矿井救灾通信系统通用技术条件
- MT/T934-2005 煤矿许用炸药煤尘—可燃气安全度试验方法及判定
- MT818.14-1999 煤矿用阻燃电缆 第3单:煤矿用阻燃通信电缆
- MT21-1990 立井箕斗计量装载设备
- MT292.3-1992 蒸汽机车用抚顺矿务局煤技术条件
- MT/T188.4-2000 煤矿用乳化液泵站 过滤器技术条件
- MT/T1005-2006 矿用分站
- MT/T77-1994 煤层气测定方法(解吸法)
- MT/T883-2000 柴油机单轨吊车
- 行业新闻
请牢记:“bzxz.net”即是“标准下载”四个汉字汉语拼音首字母与国际顶级域名“.net”的组合。 ©2025 标准下载网 www.bzxz.net 本站邮件:bzxznet@163.com
网站备案号:湘ICP备2025141790号-2
网站备案号:湘ICP备2025141790号-2