- 您的位置:
 - 标准下载网 >>
 - 标准分类 >>
 - 煤炭行业标准(MT) >>
 - MT 107.2-1985 固定床煤气发生炉用大同煤质量标准
 
标准号:
MT 107.2-1985
标准名称:
固定床煤气发生炉用大同煤质量标准
标准类别:
煤炭行业标准(MT)
标准状态:
已作废- 
		 
实施日期:
2004-01-01 - 
          	
作废日期:
2004-08-17 出版语种:
简体中文下载格式:
.rar.pdf下载大小:
39.42 KB
中标分类号:
矿业>>固体燃料矿>>D22车船、煤气用煤
部分标准内容:
					
					中华人民共和国煤炭工业部标准固定床煤气发生炉用大
同煤质量标准
MT 107.2 -- 85
本标准适用于固定床煤气发生炉制造燃料气用煤,可作为本矿区煤炭资源用途评价,安排煤炭分配调运计划,制定煤矿开发加工利用规划,以及为用户用煤设备的技术改造和原料路线的改造提供依据。1.固定床煤气发生炉用大同煤质量应符合表1要求:表1
灰分(A)
挥发分(V\)
硫分(S)
煤灰熔融性
含研率
限下率
抗碎强度
(>25毫米)
技术要求
禹粘煤
洗混中块25~80毫米
目前暂供:
大块50~100毫米
中块25~50毫米
洗混中块≤8.0%
大块≤12%
中块≤20%
≥28%
洗混中块≤1.0%
大块、中块≤1.5%
≥1100%
大块、中块≤3.5%
洗混中块≤1%
洗混中块≤12%
大块≤15%
中块≤18%
≥70%
鉴定方法
中国煤炭分类(GB5751)
煤炭粒度分级(GB189)
煤中全水分测定方法(GB211)
煤的工业分析方法
(GB212)
煤中全硫的测定方法
(GB214)
煤灰熔融性测定方法
(GB219)
商品煤含研率和限下率
煤样的采取及其测定方法(MT1)
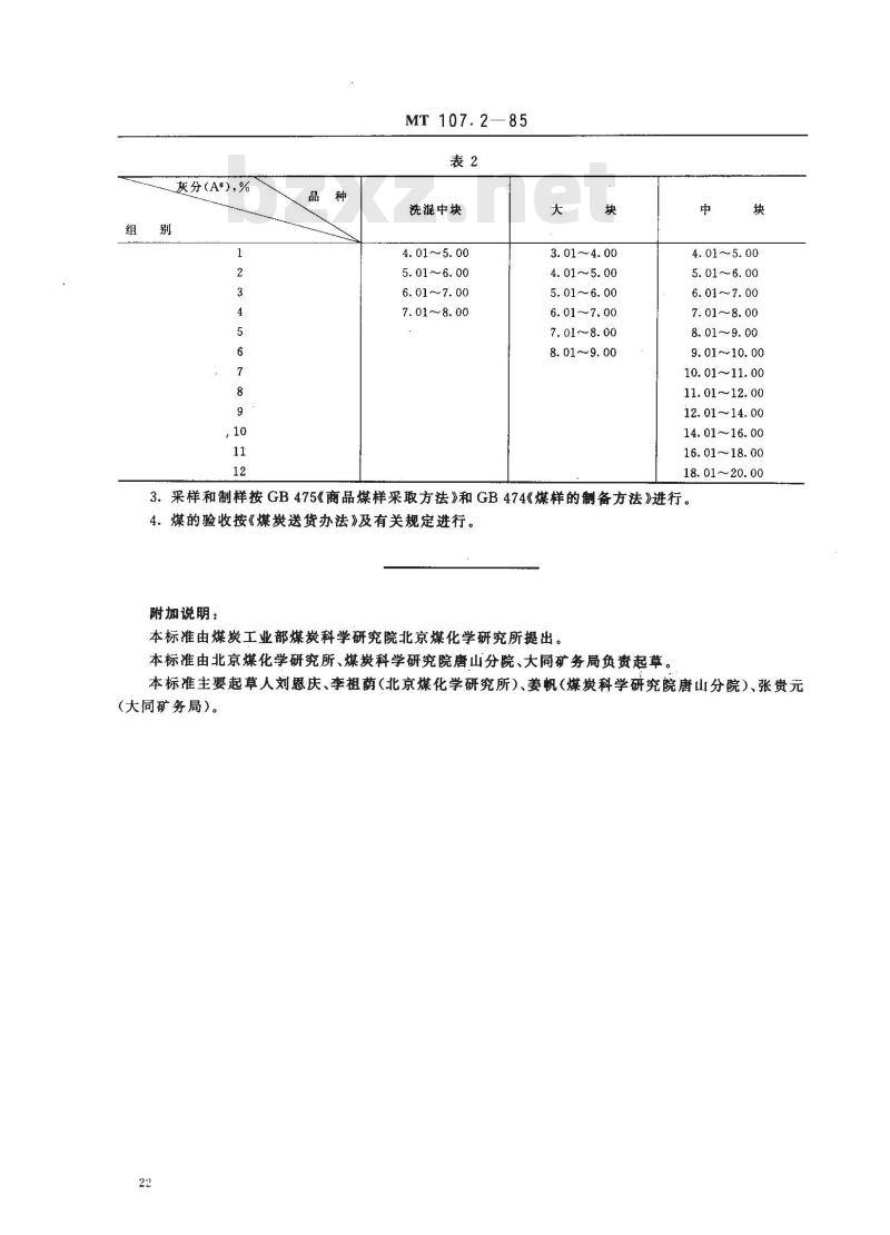
2.固定床煤气发生炉用大同煤的灰分(A\)分为下列组别(见表2):煤炭工业部1985年3月17日发布www.bzxz.net
1985年5月1日实施
灰分(A),%
MT107.2—85
洗混中块
4. 01~5. 00
5.01~~6.00
6. 01~7. 00
7.01~8. 00
3.01~4.00
4.01~~5.00
5.01~~6. 00
6.01~7.00
7.01-8.00
8. 01~9. 00
4.01~5.00
5.01~6. 00
6. 01~~7.00
7. 01~8. 00
8. 01 ~9. 00
9. 01~10. 00
10.01~11.00
11. 01~~12. 00
12.01~14.00
14.01~~16.00
16. 01~~18. 00
18. 01~20. 00
3.采样和制样按GB475《商品煤样采取方法》和GB474《煤样的制备方法》进行。4。煤的验收按《煤炭送货办法》及有关规定进行。附加说明:
本标准由煤炭工业部煤炭科学研究院北京煤化学研究所提出。本标准由北京煤化学研究所、煤炭科学研究院唐山分院、大同矿务局负责起草。本标准主要起草人刘恩庆、李祖荫(北京煤化学研究所)、姜帆(煤炭科学研究院唐山分院)、张贵元(大同矿务局)。
小提示:此标准内容仅展示完整标准里的部分截取内容,若需要完整标准请到上方自行免费下载完整标准文档。
	 
	        
	      同煤质量标准
MT 107.2 -- 85
本标准适用于固定床煤气发生炉制造燃料气用煤,可作为本矿区煤炭资源用途评价,安排煤炭分配调运计划,制定煤矿开发加工利用规划,以及为用户用煤设备的技术改造和原料路线的改造提供依据。1.固定床煤气发生炉用大同煤质量应符合表1要求:表1
灰分(A)
挥发分(V\)
硫分(S)
煤灰熔融性
含研率
限下率
抗碎强度
(>25毫米)
技术要求
禹粘煤
洗混中块25~80毫米
目前暂供:
大块50~100毫米
中块25~50毫米
洗混中块≤8.0%
大块≤12%
中块≤20%
≥28%
洗混中块≤1.0%
大块、中块≤1.5%
≥1100%
大块、中块≤3.5%
洗混中块≤1%
洗混中块≤12%
大块≤15%
中块≤18%
≥70%
鉴定方法
中国煤炭分类(GB5751)
煤炭粒度分级(GB189)
煤中全水分测定方法(GB211)
煤的工业分析方法
(GB212)
煤中全硫的测定方法
(GB214)
煤灰熔融性测定方法
(GB219)
商品煤含研率和限下率
煤样的采取及其测定方法(MT1)
2.固定床煤气发生炉用大同煤的灰分(A\)分为下列组别(见表2):煤炭工业部1985年3月17日发布www.bzxz.net
1985年5月1日实施
灰分(A),%
MT107.2—85
洗混中块
4. 01~5. 00
5.01~~6.00
6. 01~7. 00
7.01~8. 00
3.01~4.00
4.01~~5.00
5.01~~6. 00
6.01~7.00
7.01-8.00
8. 01~9. 00
4.01~5.00
5.01~6. 00
6. 01~~7.00
7. 01~8. 00
8. 01 ~9. 00
9. 01~10. 00
10.01~11.00
11. 01~~12. 00
12.01~14.00
14.01~~16.00
16. 01~~18. 00
18. 01~20. 00
3.采样和制样按GB475《商品煤样采取方法》和GB474《煤样的制备方法》进行。4。煤的验收按《煤炭送货办法》及有关规定进行。附加说明:
本标准由煤炭工业部煤炭科学研究院北京煤化学研究所提出。本标准由北京煤化学研究所、煤炭科学研究院唐山分院、大同矿务局负责起草。本标准主要起草人刘恩庆、李祖荫(北京煤化学研究所)、姜帆(煤炭科学研究院唐山分院)、张贵元(大同矿务局)。
小提示:此标准内容仅展示完整标准里的部分截取内容,若需要完整标准请到上方自行免费下载完整标准文档。
标准图片预览:


- 其它标准
 
- 热门标准
 - 煤炭行业标准(MT)
 
- MZ/T149-2020 行政区域界桩数据交换格式
 - MT754-2005 小型煤矿地面用抽出式轴流通风机技术条件
 - MT/T510.2-1995 冶金焦用乌达矿务局煤技术条件
 - MT/T311-1992 采煤机牵引液压系统滤油器型式和基本参数
 - MT/T107.5-1995 冶金焦用永荣矿务局煤技术条件
 - MT/T1105-2009 锚杆钻机用玻璃钢支腿
 - MT292.1-1992 冶金焦用抚顺矿务局煤技术条件
 - MT/T608.1-1996 冶金焦用兖州矿务局煤技术条件
 - MT/T341.1-1994 冶金焦用大屯煤电公司煤技术条件
 - MT/T659-1997 GXS细粒分级筛
 - MT295.1-1992 冶金焦用沈阳矿务局煤技术条件
 - MT/T434.1-1995 冶金焦用六枝矿务局煤技术条件
 - MT/T433.4-1995 冶金焦用窑街矿务局煤技术条件
 - MT/T1063-2007 煤矿带式输送机滚筒技术条件
 - MT/T1010-2006 矿井生产检查煤样采取方法
 
- 行业新闻
 
请牢记:“bzxz.net”即是“标准下载”四个汉字汉语拼音首字母与国际顶级域名“.net”的组合。 ©2025 标准下载网 www.bzxz.net 本站邮件:bzxznet@163.com
网站备案号:湘ICP备2025141790号-2
网站备案号:湘ICP备2025141790号-2