- 您的位置:
- 标准下载网 >>
- 标准分类 >>
- 国家标准(GB) >>
- GB 11271-1989 金刚石框架锯条
标准号:
GB 11271-1989
标准名称:
金刚石框架锯条
标准类别:
国家标准(GB)
标准状态:
已作废-
发布日期:
1989-02-10 -
实施日期:
1990-01-01 出版语种:
简体中文下载格式:
.rar.pdf下载大小:
109.21 KB
替代情况:
调整为JB/T 8000-1995
点击下载
标准简介:
标准下载解压密码:www.bzxz.net
本标准规定了金刚石框架锯条的名称、代号、形状、基本尺寸、技术要求、检验规则和标志包装贮运。本标准适用于切割大理石等金刚石框架锯条。 GB 11271-1989 金刚石框架锯条 GB11271-1989
部分标准内容:
中华人民共和国国家标准
金刚石框架锯条
Digmond framne saw blades
1 主题内容与适用范医
GB 11271—89
本标准规定了金刚右框架锯条的名称、代号、形状、基本尺寸、技术要求、检验规则和标志、包装、忙运,
本标准适用于切割大理石等金剧石框架锯条。2引用标准
GB6405~6408人造金刚石和立方氮化硼GB6409金刚石或立方氮化硼磨具GB1222热扎弹簧钢技术条件
JC220天然金刚石
3名称、代号
3.1锯条形状代号为 BA2,其组成部位的名称、尺寸及代号见图1、图 2和表1。B
查刚石厘聪状
中华人民共和国机捷电子工业部1989-02-10批准2
金刷石层位量
1990-01-01实施
3.2磨料代号见表2。
人造金刚石
天然金刚石
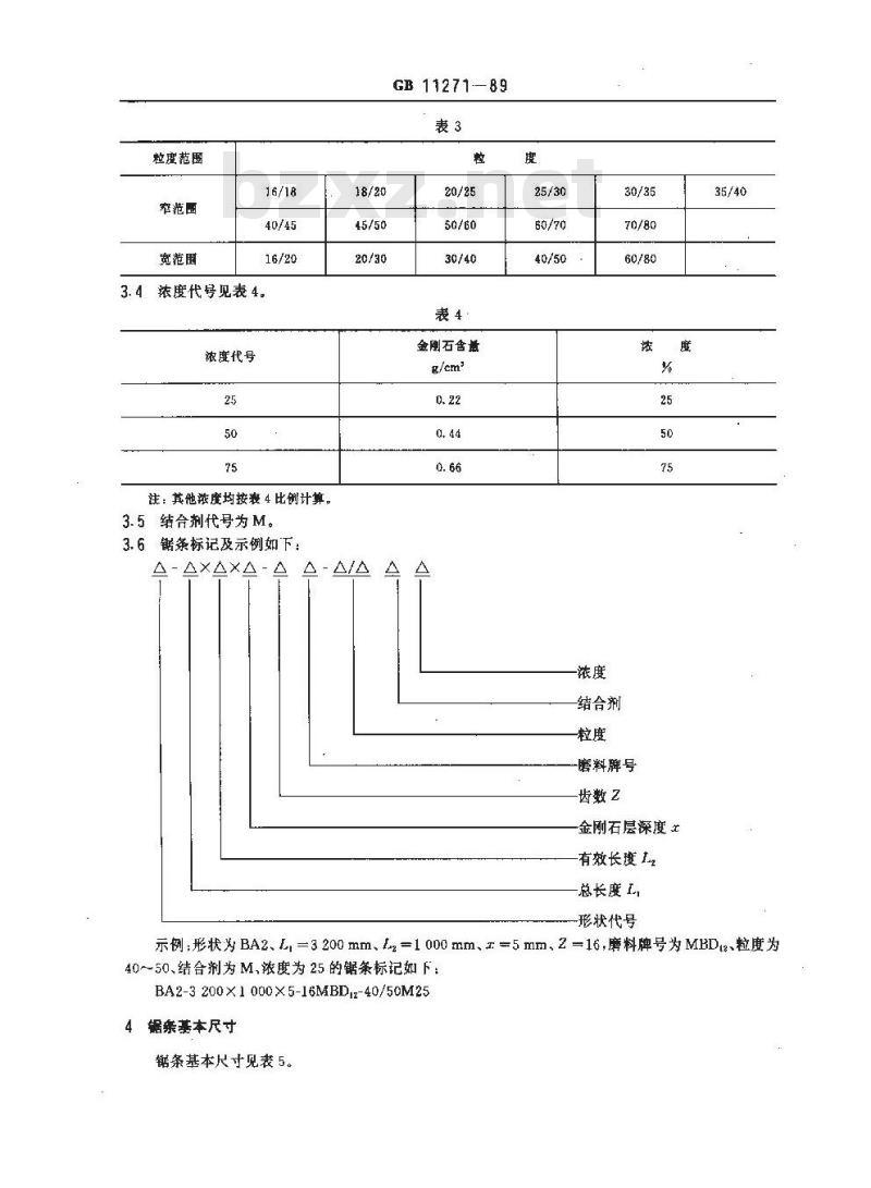
3.3磨料粒度范围见表3。
GB 11271—89
总长度
工作有效长度
锯齿长度
锯齿厚度
锯齿总深度
金刚石层深度
基体宽度
基体厚度
谢蕨(E、
戴尾固定板宽度
固定板位总厚度
燕尾酉定板角度
锯齿数
粒度范围
窕范画
宽范围
3.4度代号见表4.
浓度代号
注:其他淤度均按表 4 比计算。3.5结合剂代号为M。
3.6锯条标记及示例如下:
A-AXAXA-A
GB 11271—89
金刚石含量
结合剂
-磨料牌号
齿数Z
金刚石层深度
有效长度1L2
总长度L
形状代号免费标准下载网bzxz
示例:形状为 BA2、L, =3 200 mm、1z =1 000 mm、± =5 mm、2 -16,磨料牌号为 MBDz、粒度为40~50、结合剂为M、浓度为25的锯条标记如下:BA2-3200×1000×5-16MBDiz-40/50M25锯条基本尺寸
锯条基本尺寸见表5。
GB 11271-89
注:尺寸 L和齿数 Z,按用户要求由供需双方商定。5技术要求
5.1磨料应符合GB6405~6408和JC220的规定5.2基体:
5.2.1基体材料应符合GB1222规定的65Mn钢或机械性能不低于65Mn的钢材。5.2.2硬度为37~42HRC。
5. 2. 3届眼强度 8。 g 不小于 784 N /ntm2。5.2.4基体应平整无折痕、裂纹、毛刺和锈蚀。5.3锯齿不得有裂纹及沿长、宽、高1mm以上的边校损坏等缺陷。5.4基体挠度按表6规定。
锯案总长度
2000~~25000
2 8004 000
4 500~6 000
低进给或软大理石
锯条中央揽度值
高进给或硬大理石
2. 1 ~2. 2
2. 2~3. 2
5.5焊接:
GB 11271—89
5.5.1焊缠应饱满,不得有裂缝,气泡和高于锯齿端面的焊料堆积:同一锯条上焊齿高低偏差不得大于0. 30 mm,
5. 5.2锯齿焊在基件上,其端面方向对称度不大于 0. 20 mm,见图 3。0.20
6检验规则
6.1锯条出厂前必须经过检验,并应符合技术要求,合格者应附上合格证。6.2基体外观缺陷用目力检查。
6.3基体硬度用洛氏硬度计任取三点检测。6.4
基体屈眼强度用拉力试验机进行检测,锯齿尺寸用分度值 0. 02 mm 的游标卡尺检测。6.5
6.6锯齿在基体上的端面方向对称度用专用百分表进行检测。6.7
挠度值在专用检验台上用分度值 0.02 mm的游标卡尺于锯条中央检测。标志、包装、运输、贮存
7.1在锯条端部应有下列标志,
制造厂厂标或厂名:
b.产品编号。
7.2标志应清晰、牢固。
7.3、每条锯条应附合格证,上面应注明制造日期,检验员印章,并附使用说明书。7.4锯条包装前应涂上荫锈油,装箱时,锯条之间用软质材料垫好,空隙用纸屑等软质材料埋紧、严防窜动;在外包装上应标上“轻放”“防囊”、“防潮”字样,并符合有关运输规定。附加说明:
本标准由机械电子工业部郑州料磨具磨削研所归口。本标推由第六砂轮厂负责起草。本标准起草人刘建邦。
小提示:此标准内容仅展示完整标准里的部分截取内容,若需要完整标准请到上方自行免费下载完整标准文档。
金刚石框架锯条
Digmond framne saw blades
1 主题内容与适用范医
GB 11271—89
本标准规定了金刚右框架锯条的名称、代号、形状、基本尺寸、技术要求、检验规则和标志、包装、忙运,
本标准适用于切割大理石等金剧石框架锯条。2引用标准
GB6405~6408人造金刚石和立方氮化硼GB6409金刚石或立方氮化硼磨具GB1222热扎弹簧钢技术条件
JC220天然金刚石
3名称、代号
3.1锯条形状代号为 BA2,其组成部位的名称、尺寸及代号见图1、图 2和表1。B
查刚石厘聪状
中华人民共和国机捷电子工业部1989-02-10批准2
金刷石层位量
1990-01-01实施
3.2磨料代号见表2。
人造金刚石
天然金刚石
3.3磨料粒度范围见表3。
GB 11271—89
总长度
工作有效长度
锯齿长度
锯齿厚度
锯齿总深度
金刚石层深度
基体宽度
基体厚度
谢蕨(E、
戴尾固定板宽度
固定板位总厚度
燕尾酉定板角度
锯齿数
粒度范围
窕范画
宽范围
3.4度代号见表4.
浓度代号
注:其他淤度均按表 4 比计算。3.5结合剂代号为M。
3.6锯条标记及示例如下:
A-AXAXA-A
GB 11271—89
金刚石含量
结合剂
-磨料牌号
齿数Z
金刚石层深度
有效长度1L2
总长度L
形状代号免费标准下载网bzxz
示例:形状为 BA2、L, =3 200 mm、1z =1 000 mm、± =5 mm、2 -16,磨料牌号为 MBDz、粒度为40~50、结合剂为M、浓度为25的锯条标记如下:BA2-3200×1000×5-16MBDiz-40/50M25锯条基本尺寸
锯条基本尺寸见表5。
GB 11271-89
注:尺寸 L和齿数 Z,按用户要求由供需双方商定。5技术要求
5.1磨料应符合GB6405~6408和JC220的规定5.2基体:
5.2.1基体材料应符合GB1222规定的65Mn钢或机械性能不低于65Mn的钢材。5.2.2硬度为37~42HRC。
5. 2. 3届眼强度 8。 g 不小于 784 N /ntm2。5.2.4基体应平整无折痕、裂纹、毛刺和锈蚀。5.3锯齿不得有裂纹及沿长、宽、高1mm以上的边校损坏等缺陷。5.4基体挠度按表6规定。
锯案总长度
2000~~25000
2 8004 000
4 500~6 000
低进给或软大理石
锯条中央揽度值
高进给或硬大理石
2. 1 ~2. 2
2. 2~3. 2
5.5焊接:
GB 11271—89
5.5.1焊缠应饱满,不得有裂缝,气泡和高于锯齿端面的焊料堆积:同一锯条上焊齿高低偏差不得大于0. 30 mm,
5. 5.2锯齿焊在基件上,其端面方向对称度不大于 0. 20 mm,见图 3。0.20
6检验规则
6.1锯条出厂前必须经过检验,并应符合技术要求,合格者应附上合格证。6.2基体外观缺陷用目力检查。
6.3基体硬度用洛氏硬度计任取三点检测。6.4
基体屈眼强度用拉力试验机进行检测,锯齿尺寸用分度值 0. 02 mm 的游标卡尺检测。6.5
6.6锯齿在基体上的端面方向对称度用专用百分表进行检测。6.7
挠度值在专用检验台上用分度值 0.02 mm的游标卡尺于锯条中央检测。标志、包装、运输、贮存
7.1在锯条端部应有下列标志,
制造厂厂标或厂名:
b.产品编号。
7.2标志应清晰、牢固。
7.3、每条锯条应附合格证,上面应注明制造日期,检验员印章,并附使用说明书。7.4锯条包装前应涂上荫锈油,装箱时,锯条之间用软质材料垫好,空隙用纸屑等软质材料埋紧、严防窜动;在外包装上应标上“轻放”“防囊”、“防潮”字样,并符合有关运输规定。附加说明:
本标准由机械电子工业部郑州料磨具磨削研所归口。本标推由第六砂轮厂负责起草。本标准起草人刘建邦。
小提示:此标准内容仅展示完整标准里的部分截取内容,若需要完整标准请到上方自行免费下载完整标准文档。
标准图片预览:





- 其它标准
- 热门标准
- 国家标准(GB)
- GB/T18204.4-2000 公共场所毛巾、床上卧具微生物检验方法细菌总数测定
- GB50367-2013 混凝土结构加固设计规范
- GB8552-1987 电子器件详细规范 低功率非线绕固定电阻器 RJ13型金属膜固定电阻器评定水平E(可供认证用)
- GB/T11379-2008 金属覆盖层 工程用铬电镀层
- GB/T23892.3-2009 滑动轴承 稳态条件下流体动压可倾瓦块止推轴承 第3部分:可倾瓦块止推轴承计算的许用值
- GB/T20976-2023 软冰淇淋预拌粉质量要求
- GB/T9145-2003 普通螺纹 中等精度、优选系列的极限尺寸
- GB/T9239-1988 刚性转子平衡品质 许用不平衡的确定
- GB/T15917.3-1995 金属镝及氧化镝化学分析方法 对氯苯基荧光酮--溴化十六烷基三甲基胺分光光度法测定钽量
- GB/T11839-1989 二氧化铀芯块中硼的测定 姜黄素萃取光度法
- GB/T6122.1-2002 圆角铣刀 第1部分:型式和尺寸
- GB/T7433-1987 对称电缆载波通信系统抗无线电广播和通信干扰的指标
- GB/T12053-1989 光学识别用字母数字字符集 第一部分:OCR-A字符集印刷图象的形状和尺寸
- GB/T14463-2022 粘胶短纤维
- GB13851-2022 内河交通安全标志
- 行业新闻
请牢记:“bzxz.net”即是“标准下载”四个汉字汉语拼音首字母与国际顶级域名“.net”的组合。 ©2025 标准下载网 www.bzxz.net 本站邮件:bzxznet@163.com
网站备案号:湘ICP备2025141790号-2
网站备案号:湘ICP备2025141790号-2