- 您的位置:
- 标准下载网 >>
- 标准分类 >>
- 石油化工行业标准(SH) >>
- SHJ 510-1988 石油化工特殊钢结构工程施工及验收规范
标准号:
SHJ 510-1988
标准名称:
石油化工特殊钢结构工程施工及验收规范
标准类别:
石油化工行业标准(SH)
标准状态:
已作废-
实施日期:
1992-05-20 -
作废日期:
2001-03-01 出版语种:
简体中文下载格式:
.rar.pdf下载大小:
561.75 KB
替代情况:
被SH 3510-2000代替
部分标准内容:
中国石油化工总公司标准
石油化工装置设备基础工程
施工及验收规范
SHJ 510—88
主编单位:中国石油化工总公司第四建设公司批准部门:中国石油化工总公司8年12月1月
实行日期:1988
务有关单位:
中国石油化工总公司文件
中石化【1988】建宁44号
关于印发《石油化工装置设备
基础工程施工及验收规范》的通知年十二月一日起实行,
现批准由总公司第四建设公司主编的《石油化工装置设备基础工程施「及验收规范》为总公(部)标准,编号为SHI510-88:自一九八八本规范各章节条款由施工规范管理站(通信地址:天津市44信箱转)负责组织解释。中国石油化工总公司
九八八年七月十三日
编制说明
本规范是根据中国石油化工.总公司工程建设部(86)中石化建标字第85号文件的通知,由我公司生编的。
本规范在编制过程中进行了比较广泛的调查研究,总结了国内多年来石油化工设备基础工程的施T经验,并征求了有关施工、设计和建设单392
位的意见,对其中的主要问题,进行了反复讨论,最后经有关部门组织审查定稿。本规范在执行过程中,如发现需要修改或补充之处,请将意见和资料函寄中国石油化工总公司施工规范管理站(通讯地址:天津市44号信箱转)。
中国石油化工总公司第四建设公司一九八八年七月
第一章 总 则
第1.0.1条本规范适用于石油化.T装置独立支承设备的现浇混凝土与钢筋混凝土结构(以下简称设备基础)工程的施工.及验收,配套工程的设备基础可参照执行。
本规范不适用于支承设备的装配式钢筋混凝土结构与预应力混凝土工程
第1.0.2条设备基础的施工及验收除执行本规范外,基础基坑(基槽)的开挖和回填应按国家现行的《土方爆破工程施工及验收规范》执行:地基部分应按国家及地方现行的《地基与基础工程施工及验收规范》执行;钢筋混凝土工程应按国家现行的《钢筋混凝土工程施工及验收规范》执行。如果设计另有特殊要求,则应按设计的规定执行。
有关安全技术劳动保护、防火
第1.0.3条
等方面的要求应按国家标准及中国石油化工总公司《炼油化工施工安全规程》(SHI50S一87)的有关规定执行
各种原材料、外加剂、螺栓和
第1.0.4条
埋设件等应符合设计要求并具有质量证明文件。如有疑义,应经复验合格后方可使用。第二章 一 般 规 定
第2.0.1条设备基础开工前,必须做好测量轴线定位点、水准点的建点工作,并采取保护措施,画出明显标志。
第2.0.2条设备基础应在地基或桩基工程验收合格后施工。检查基坑时,应填写地基验收记录,检查内容包括:
一一、基坑的尺寸、地基表面的标高和水平度,以及基坑中心的座标等是否符合设计要求;二、地基的土质是否符合设计要求;三、柱位布暨、桩顶标高和桩头质量及锚固钢筋是否符合设计要求。
第2.0.3条设备基础应在邻近深于该基础的地下工程施工完毕,土方回填合格后施工。第2.0.4条在已建成的建筑物内部或建构筑物附近进行设备基础施工时,应采取相应措施防止已有结构产生沉降或损坏第2.0.5条混凝土地面和平台板上的设备基础,应预插与地面、平台连接的锚固钢筋。第2.0.6条各独立的设备基础之间,设备基础与建筑物基础之间在施工时不宜连接。当儿个基础相邻,又深浅不同时,应先施工深基础。当浅基础的地基被挖掉或被扰动时,必须采取地基处理措施。
第2.0.7条基坑表面应平整不应用松填土找平基坑底面,个别稍低于设计标高的低凹处,可用与原设计垫层相同的材料找平。第2.0.8条基坑验收后,应及时进行基础混凝土浇筑,如上方工程竣工后,经长时间的停顿再浇筑基础时,应重新检查基坑表面。当基土被破坏时,应提请建设、设计单位共同确定相应的补救措验。
第2.0.9条
地脚螺栓、预埋件、金属支架、设备低座等在安放前,应清除表面的油污,氧化物和脏物,
第2.0.10条重要设备基础应按设计图要求设固定的沉降观测点,沉降观测的埋设应参照《地基与基础工程施工及验收规范》(GBJ202一83)附录三执行。
第2.0.11条沉降观测的时间,如设计没有特殊要求,可按下列四个阶段进行:一、设备安装前。
二、设备安装完毕后。
三、设备水压试验或单机试车过程中。四、设备水压试验放水后。
第2.0.12条基础混凝土应达到下列规定的强度,方可交付设备就位。
一、块体式设备基础,应不低于设计强度的70%
二、框架式设备基础,应不低于设计强度的80%。
三、塔类设备基础,应达到设计强度。设备精平调整,把紧地脚螺栓时,应达到设计强度后方可进行。
第2.0.13条基础在交付安装前,应放出轴线和标高,基础交付设备安装时,应办理中间交工证书。
第三章模板、钢筋、混凝土工程第一节模板工程
第3.1.1条设备基础的模板应优先采用工具式组合钢模板。也可采用木模板或钢木组合模板。
第3.1.2条按施L图确定模板的安装方案,以及模板的种类、规格和数量;旧的钢模板要进行清理、修补和调平。模板安装,应对缝严密以防漏浆。
第3.1.3条模板与混凝土的接触面,在使用前均应涂刷适量的隔离剂;基础露出地面部分的模板,宜采用不易污染混凝土表面的隔离剂。第3.1.4条计算模板及其支架时,应考虑下列荷载,并按表3.1.4进行荷载组合;一、模板及其支架自重;
二、新浇筑混凝土重量;
三、钢筋重量:
四、螺栓、埋件及其定位模板重量;五、施工.人员及施工设备的重量;六、振捣混凝土时产生的荷载;七、新浇筑混凝土时模板侧面的压力;八、倾倒混凝土时产生的荷载;荷载计算见《钢筋混凝土工程施工及验收规范》(GBJ204—83)附录—
计算模板及其支架的荷载组合
平台板的模板
及其支架
梁模板的底板
梁柱(边长
>300mm)
墙厚>100
(mrm)及厚大结构
的侧面模板
荷载类别
计算强度用
验算刚度用
(-→)+()
+(兰)+(四)
+(五)
一)+(二)
↑ +(三)+(四)
+(六)
(七)+(八)
-)+(=)+
(三)+(四)
(—)+(-)
+(三)+(四)
第3.1.5条模板的刚度计算及为防止风荷载作用下倾倒的计算应按《钢筋混凝土工程施工及验收规范》(GBJ204--83)执行。第3.1.6条安装模板时,应预先在混凝土垫层(或底板)上放出基础轴线和外形线。第3.1.7条安装框架式基础的柱子模板时柱模下端应预留清扫口,柱身模板每隔3m应预留一个捣固孔。采用钢模板施工时,可在需要处取下一块模板作为清扫口和捣固孔用。如有结构断面小、钢筋密、或操作困难的部位,应设通长捣固口,施工时边浇注混凝土边封模板。394
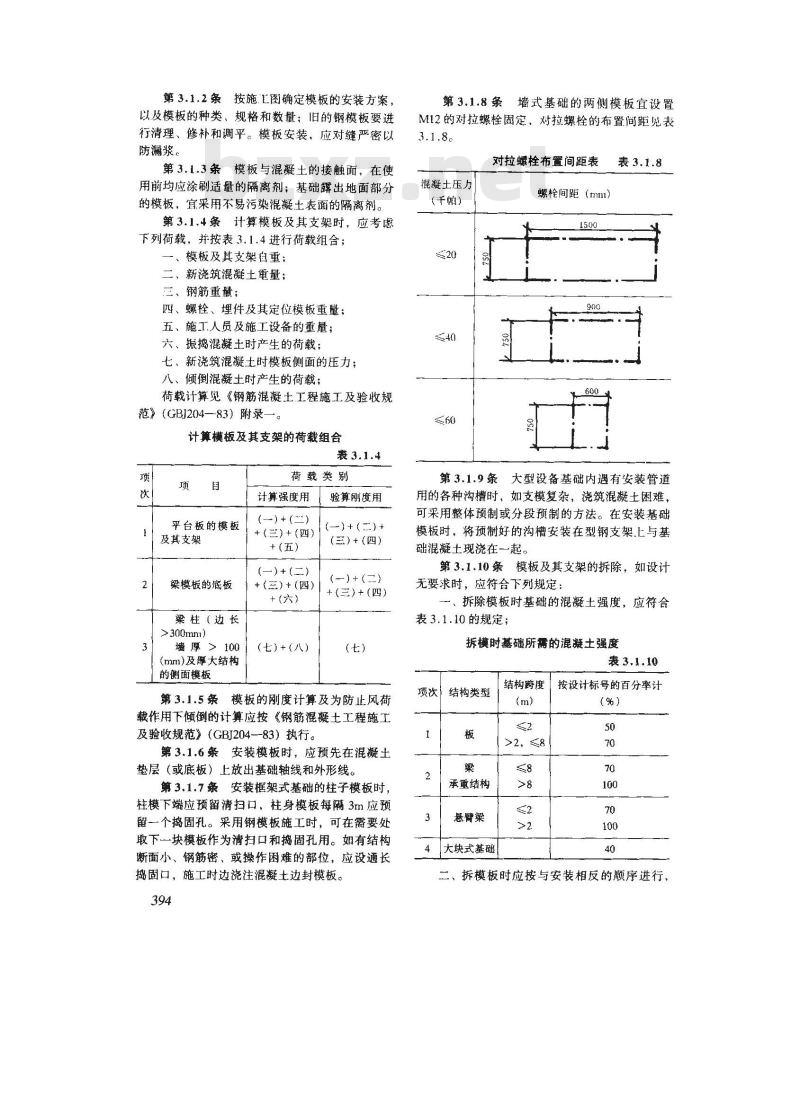
第3.1.8条墙式基础的两侧模板宜设置M12的对拉螺栓固定、对拉螺栓的布置间距见表3.1.8。
对拉螺栓布置间距表
混凝土压力
(千帕)
螺枪间距(mm)
第3.1.9条大型设备基础内遇有安装管道用的各种沟槽时,如支模复杂,浇筑混凝土困难可采用整体预制或分段预制的方法。在安装基础模板时,将预制好的沟槽安装在型钢支架.上与基础混凝土现浇在一起。
第3.1.10条模板及其支架的拆除,如设计无要求时,应符合下列规定:
\、拆除模板时基础的混凝土强度,应符合表3.1.10的规定;
拆模时基础所需的混凝土强度
表3.1.10
项次结构类型
承重结构
悬臂梁
4|大块式基础
结构跨度
>2,≤8
按设计标号的百分率计
二、拆模板时应按与安装相反的顺序进行、般是先拆侧模板,后拆承重模板;先拆柱模板,后拆梁及平台模板。
第3.1,11条模叛安装的允许偏差,应符合表3.1.11的规
模板安装的允许偏差
表3.1.11
轴线位胃
底模工表面标高
截面内部起寸
()基础
(2)桂、墙、梁
垂直度
(1)全高5m
(2)全高>5ml
相邻两模板表面高低差
表面平整度(用2m直尺检查)
允许偏差(nm)
第二节钢筋工程
第3.2.1条钢筋应用冷加工方法成形,不得用氧乙炔焰烤红煨或割断。
第3.2.2条钢筋在加工过程中发现脆断焊接性能不良或机械性能异常等现象时,应进行化学成分或机械性能检验。
第3.2.3条进门钢筋的使用和焊接应按国家现行的有关规定执行。
第3.2.4条钢筋的级别、钢号和直径与设计要求不符时,框架基础和动力机器基础的钢筋代换应经设计同意;大块式基础的钢筋在保证构造要求的条件下,尚经建设单位的技术部门同意,按等强度代换。
第3.2.5条钢筋的接头,宜优先采用焊接接头,直径大于22mm的钢筋宜采用闪光对焊,钢筋焊接前,焊工应经考试合格并根据焊工技术,施工条件进行试焊,合格后方可正式施焊。钢筋焊接的接头形式,焊接工艺和质量检验,应符合《钢筋焊接及验收规程》(JGJ18--84)的规定。第3.2.6条钢筋安装前应先熟悉施工图,核对钢筋配料单和料牌,研究钢筋安装和有关工种的配合顺序,确定施工方案。第3.2.7条框架式设备基础的节点钢筋应严格按设计图施工。若节点处有预埋螺栓、当螺栓与钢筋碰撞时,原则上是钢筋让螺栓,特殊情况下应联系修改设计。
第3.2.8条框架式设备基础的钢筋接头应符合下列要求:
一、柱的受力钢筋接头宜设置在底板150mm处或弯矩较小的部位:
梁中的受力钢筋接头不宜位于最大弯矩处,钢筋接头距钢筋弯曲处,不应小于钢筋畜径的10倍。
有接头的钢筋截面面积占钢筋总截面面积的百分率:
焊接接头不宜超过50%;
绑扎接头不得超过25%;
第3.2.9条梁或柱的箍筋弯钩选合处,不应集中在一根纵筋上,应沿受力钢筋方向错开设置。梁箍筋弯钩送合处要间隔地放在两根架立筋上:柱箍筋弯钩送合处要相间地放在四角主筋上;梁、柱箍筋应与主筋垂直。
第3.2.10条基础钢筋设上、下两层网片时,层钢筋网片的定位可用钢筋、型钢制作的“铁马”或混凝士墩支持。
第3.2.11条钢筋的混凝土保护层应按照《钢筋混凝土施丁.及验收规范》(GBJ204—83)执行,钢筋保护层的厚度,用砂浆垫块或其它新型材料垫块保证,垫块间距一般不得大于1m,并与钢筋绑扎牢固。
第3.2.12条钢筋T程质量应符合表3.2.12的规定。
钢筋工程质量标准
受力主筋
箍筋间距
主筋保护层
绑扎骨架
焊接骨架
柱、梁
钢筋弯起点位移
绑扎钢筋网
网眼尺寸
表3.2.12
允许偏差(mm)
第三节混凝土工程
第3.3.1条在浇筑混凝土基础前,应与建设单位进行下列检查:
一、轴线、标高和方位是否符合要求;二、模板及钢筋的准确度;
三、地脚螺栓,预留孔模、预埋件、金属支架等位置的准确度和固定的可靠性。第3.3.2条在施工前,基础的混凝土应根据地方材料进行配合比试验。
第3.3.3条同一基础混凝土应选用同一个工厂生产的同品种、同标号水泥:水窑生产的水泥不得用于设备基础。
水泥标号的选择宜为混凝土标号的1.5~2.0倍,可选用325号或425号水泥。第3.3.4条钢筋混凝土中,禁止加人氯盐外加剂。
第 3.3.5条
筒或溜槽。
浇筑高度超过3m时,应使用漏
第3.3.6条浇筑混凝土时,应搭设操作平台,不得站在钢筋上操作。
第3.3.7条大型设备基础混凝土施工时,应预先考虑材料贮量、搅拌和运输能力,并设计混凝土浇筑程序。
第3.3.8条不得向基础内一次集中倾倒大量的混凝士。混凝土浇筑层的厚度宜为 300~500mmc
第3.3.9条厚大体积的基础施工时,应根据具体情况选择下列方法中的适当措施:-~、采用水化热低的水泥;
二、水灰比不得大于0.55;
三、加缓凝型减水剂或粉煤灰;四、避开高温季节,适当采取降温措施;五、掺加15%~~25%规格为200mm左右的毛石,或使用较粗的骨料;
六、施工后覆盖草袋或蕾水养护;七、基础内预埋循环水管散热。第3.3.10条地脚螺栓、预埋件、预留孔模,预埋管附近的混凝土必须振捣密实,但要避免碰撞,并应经常检查有无位移,及时纠正偏差。
第3.3.11条泵送混凝土应按下列规定进行:
一、配合比应根据设备性能、输送形式和距离决定。水泥用量每立方米混凝土不得小于396
300kg;石子可按自然级配,粒径由输送泵的类型决定:砂率控制在40%~50%;塌落度宜为10~16cm;
二、宜掺加外加剂;
三、减径管与弯头应尽量少设或不设,必要时,可将鸾头设置在泵或泵车附近;四、施工中应连续进行,尽量减少混凝土在管道中的停留时间。泵车应与搅拌车配套使用;
五、泵送前应用适的水泥砂浆润滑输送管内壁。间歇时间超过45min或混凝土出现离析现象时,应立即用压力水或其它方法冲洗管内残留的混凝土。
第3.3.12条在常温条件下,混凝土终凝后12h内开始覆盖和浇水养护,浇水次数以保持混凝土湿润状态为宜,养护时间不得少于7叠夜。掺用缓凝型外加剂时,养护时间不得少于14昼夜。基础拆模后,应及时回填土。第3.3.13条冬期施工,应按《钢筋混凝土工程施工及验收规范》(GBJ204-—83)执行。养护方法应根据当地当时气温条件、基础类型、施工条件、经济比较和热工计算等确定,可采用以下几种方法:
一、改变配合比法。采用水化热高的普通硅酸盐水泥,增加水泥用量,提高混凝土标号或降低水灰比;
二、蓄热法。加热原材料和利用水泥水化热,在混凝土表面覆盖足够的保温材料;三、加热法。采用暖棚、蒸汽加热、电热等方法对基础周围空气进行人工加热;四、掺加外加剂法。在混凝土中加入一定数量的外加剂,提高早期强度,或在负温条件下强度能继续增长和不遭受冻结。
第3.3.14条
混凝土试块应按下列规定留
一、每工作班不少于二组;
二、每拌制50m2混凝士不少于一组。第3.3.15条设备基础的工程质量应符合下列规定:
一、基础混凝土不得有裂缝、蜂窝、空洞及露筋等缺陷;
二、基础周围土方应及时回填、夯实、整平,螺栓及预埋件应无损坏、腐蚀;三、块体式设备基础的允许偏差,应符合表3.3.15-1的规定;
块体式设备基础的允许偏差
基础坐标位置(纵横轴线)
表3.3.15-1
允许偏差
基础不同平面的标高(不计表面灌浆层高度)
基础平面外形尺小
基础凸台上平面外形尺寸
基础凹六尺寸(包括平面内的内部孔、沟、坑等)
基础平面的不水平度(包括地坪E需安装设备部分)
(1)每米
(2)全长
基础侧面铅垂度
(1)每米
(2)全长
预埋地脚螺栓
(1)标高(顶端)
(2)中心距(在根部和顶部两处测量)
地脚螺栓预留孔
(1)中心位置
(2)深度
(3)孔壁铅垂度
预埋活动地脚螺栓锚板
(1)标高
(2)中心位置
(3)水平度(带槽的锚板)
(带螺纹孔的锚板)
四、整体式框架结构的允许偏差,应符合表3.3.15-2的规定;
五、由多个独立基础组成的设备基础,各个基础间的纵横轴线、标高、方位等的允许偏差,应符合设计要求或安装专业施工规范的规定。整体式框架结构的允许偏差
轴线位移
(1) 基础
(2)独立基础
(3)柱、梁
垂直度
(1)层间
5m及5m以下
5m以上
(2)全高
表 3.3.15-2
允许偏差
H/1000但
不大于30
(H一结构全高)
(1)层高
(2)全高
截面尺寸
表面平整度(用2m直尺检
预埋设施中心位移
(1)预埋件
(2)预埋地脚螺栓
(3)预埋管
预留洞中心位移
第四章
允许偏差
(毫米)
预埋工程
第一节
预埋地脚螺栓安装
第4.1.1条地脚螺栓与螺母必须配套加工。配合使用,松紧合适,没有乱扣、缺丝、裂纹等缺陷。
第4.1.2条设备基础的预埋地脚螺栓,应采用定位模板固定。定位模板宜用钢板、型钢、钢管、钢筋等焊接制成,应有足够的强度和刚度。第4.1.3条定位模板的构造应视螺栓露头长度、直径、数量及分布情况而定。第4.1.4条定位模板的设置应使螺栓固定后没有任何摆动的自由度。塔类设备基础,宜采用双层定位模板,一般设备基础宜采用单层定位模板。定位模板示意图见图4.1.4-1,4.1.4-2。0°
A180°
A螺栓孔
A—A
图4.1.4-1圆形基础双层定位模板示意图第4.1.5条定位模板上的螺栓孔应用机械397免费标准下载网bzxz
螺栓子
[图4.1.4-2长方形基础单层定位模板示意图加.I,孔径比螺栓直径大1mm,不得用氧乙炔焰割孔,定位模板制作的允许偏差,应符合表4.1.5的规定。
第4.1.6条大型定位模板安装时,应制作型钢支架。小型定位模板的安装,可直接支承在基础模板上
定位模板制作允许偏差
外形尺寸
H.下面局部不平度
孔径误筹
孔距误差
上下孔不同心度
矩形对角线
允许偏差(品米)
第 4.1.7条
大型定位模板的安装,可采用
下列方法:
、在基础混凝土垫层或底板上预埋固定支架的埋件;
二、在垫层或底板上放出基础轴线,安装支架、定位模板和螺栓,并临时固定好;三、绑扎钢筋、安装模板及预埋件;、校正定位模板的轴线、水平度和标高,用电焊固定在支架上,并焊上足够数量的支撑和拉杆;
五、螺栓用两个螺母固定在定位模板的上、下两个面上。
第4.1.8条定位模板安装应注意下列事项:一、支架柱排列应有规律,荷重应对称;二、每组螺栓定位模板高出基础顶面的尺寸应根据螺栓露出的高度确定,但以高出基础表面50mm以上为宜。
第4.1.9条定位模板拆除时,应水平往上抬升,避免碰坏螺栓丝扣。
第4.1.10条对于由多个支柱组成的设备基础,当无法制作螺栓定位模板时,螺栓宜采用半预埋形式,即一半预埋在混凝土内,一半在预留398
孔或套管内。这种半预埋螺栓在安装设备时可做小量调整,见示意图4.1.10。
地脚螺栓
预留孔
图 4.1.10
半埋地脚螺栓示意图
地脚螺栓
第4.1.11条在特殊情况下,经设计单位同意,也可采用在基础上钻孔用环氧砂浆粘结地脚螺栓的方法,其施工要求应符合《环氧砂浆锚固地脚螺栓技术规程》(冶基规101—78)的规定。第4.1.12条浇筑混凝土以前,地脚螺栓丝扣外露部分应抹匕黄油,并用塑料薄膜或厚纸包扎好。
第二节预埋件的安装
第4.2.1条基础施工前应进行图纸会审,仔细核对相关专业所需要的预埋件是否都已标注在基础的结构图上,当一些大型设备基础,埋件数量和型号较多时,还应绘制预埋件安装图。第4.2.2条预埋件在安装前,应对钢板及锚固钢筋的规格、数量、尺寸和焊接质量进行检查,大型预理件还应进行调平。第4.2.3条当采用钢模板时,侧面预埋件的固定可根据具体情况选用下列方法:、螺栓固定。对于位置要求准确的预埋件上钻孔,用M6~M8螺栓将预埋件固定在模板上,见图4.2.3-1;
二、焊接固定。将预理件的锚固钢筋焊在基础钢筋上。当钢筋的刚度较小,预埋件容易产生位移时,可将埋件锚筋接长,顶在后面模板上,见图4.2.3-2,如果结构断面较大,锚筋不能太长,应增焊加强钢筋。
三、绑扎固定。对位置准确度要求不太高的预理件,可用铁丝绑扎在主筋上,冕图4.2.3-3。但应使预埋件紧靠模板,以防位移;四、嵌木模固定。对于难以施工的部位。可预埋件
固定螺栓
图4.2.3-1
接长筋
钢模板
螺栓固定示意图
预埋件
钢模板
图4.2.3-2焊接固定示意图
钢棋板
铁丝绑扎
图4.2.3-3铁丝绑扎固定示意图
预理件
在预埋件位置嵌木模,将预埋件用圆钉固定在木模上,见图4.2.3-4。
第4.2.4条在基础顶面安装预埋件,可按下列方法进行:
、在基础预面安装预埋件,应在混凝土烧筑完毕,顶面抹平拍实之后进行。预埋件的锚筋应为螺纹钢筋;
二、在平面或梁表面安装预埋件时,应该预先做好记号,混凝土完成一-段就安装一段预埋作,最后按图检查一遍;
三、预埋件安放时表面应保持平整,钢板表面露出混凝土面或砂浆抹面层2~5mm;四、大型水平预埋件安装时应设置支承架。面积在500×500mm以上的水平预埋件,应在适当的部位开排气孔。
第4.2.5条基础模板拆除后,应及时清除预埋件表面的砂浆和混凝土,并画出中心轴线及标高。
第三节预留孔模及套管的安装
第4.3.1条螺栓的预留孔模应采用刨光的圆木,方木或木模壳,孔模应制成上口大,下口小。
第4.3.2条对于深度超过1m的预留孔,孔模宜用钢管制作。管下端封闭成圆锥形,孔模上下端应采取固定措施,并设专人监护,及时拔出,拔模时应防止基础表面受损
第4.3.3条基础预留孔上口应覆盖,防止泥土和垃圾进入孔中。冬期施工时,预留孔上口应有防雨雪措施,严禁预留孔中积水结冰。第4.3.4条梁、墙侧面模板上预埋套管,宜采用钢筋焊接成“井”字架卡住套管,“井”架钢筋应与主筋焊接固定,见图4.3.4;A
木棋板
钢棋板
图4.2.3-4嵌木模固定示意图
第4.3.5条在混凝土平台底面钢模板1.安装孔模或套管,可选用下列方法:399
筋井架
图4.3.4井字筋固定套管示意图
、圆孔模的安装,可先在钢模板上用木螺丝固定一个圆木台,再将孔模套上,见图4.3.5-1;
预留孔模
木螺丝
锅棋板
图4.3.5-1木螺丝固定孔模示意图二、小型方孔模的安装,可在底钢模上钻孔用木螺丝或铁丝固定定位木块,孔模套上后用木楔塞紧,见图4.3.5-2;
阴模板
底模钢管
图4.3.5-2铁丝固定孔模示意图
三、大型孔洞宜在铺模板处留出空位,用斜支撑将孔模支在孔边的模板上,见图4.3.5-3;四、如果孔洞靠近侧模板,孔模可与侧模板拉结固定,见图4.3.5-4;
第4.3.6条预埋地脚螺栓、预埋件、预埋套管及预留孔洞安装的允许偏差,应符合表4.3.6的规定。
孔模板
底模空位
固定支撑
钢模板
图4.3.5-3
支撑定孔模示意图
木条拉结
钢模板
图4.3.5-4拉结固定孔模示意图
预埋地脚螺栓、预埋件、预埋套管及预留孔洞安装的允许偏差
预埋地脚螺栓
中心位置
外露长度
垂直度
预埋件中心位置
预埋管中心位置
预留孔中心位置
预留洞
中心位置
截面内部尺寸
允许偏差(mm)
混凝土施工缝
第五童
第5.0.1条设备基础的施工缝通常留在变截面处,或结构受剪力较小且便于施工的部位。垂直施工缝的留置应与设计人员研究决定。第5.0.2条桩承台的垂直施工缝宜留在相邻两桩距中间1/3范围内,严禁在桩顶范围留置垂直施工缝。
第5.0.3条
基础的悬臂部分,以及被孔洞
减弱的部位,严禁留置施工缝。第5.0.4条承受动力作用的设备基础不宜留置施工缝,如必须留置时,应取得设计单位的同意。
第5.0.5条基础施工缝应留成水平或垂直缝,不应留成斜缝。垂直施工缝应留在距地脚螺栓中心线大于25cm处,且不小于5倍螺栓直径。第5.0.6条设备基础的混凝土施工缝处理,应符合下列规定:
一、标高不同的两个水平施工缝,其高低接合处应留成台阶形,台阶的高宽比不得大于1。二、垂直施工缝处应补插钢筋,其直径为12~16mnl、长度为500~600mm,间距为500mm;、块体式动力设备基础的水平施工缝应按1.述要求补插钢筋;
四、施丁缝处混凝士抗压强度达到 1.2MP’a时,才允许继续浇筑混凝土。混凝土抗压强度等级达到1.2MPa的时间,参见表5.0.6;150号以上混凝土达到1.2MPa
时的小期限(小时)
水泥种类
及标号
普通硅酸
盐水泥
矿渣水泥、火
山炭质水泥
环境温度
5~10:10~15|15以上
五、施工缝处的混凝土表面应凿毛,并清除软弱混凝土。在继续浇筑混凝土前,应用水冲洗干净、湿润后在表面先铺浇30~50mm厚与混凝土成分相同的水泥砂浆或减半石混凝土。六、施工缝处混凝土应仔细捣实,使新旧混凝土紧密结合。
施工缝的位置和处理方法应在
第5.0.7条
隐蔽工程记录上注明。
第六章桩承台
第6.0.1条当预制桩的桩顶被击碎时,碎裂的混凝土必须全部凿除;钻孔灌注桩的桩头,混有泥土部分应全部凿除。
第6.0.2条桩顶嵌人承台的长度应为50~100mm如果桩顶嵌人长度不够,应用同级混凝土接长,经设计同意,也可采取其它处理方法第6.0.3条桩顶部应凿毛、洗净,待混凝土达到设计强度的70%以后,方可嵌人承台。第6.0.4条桩身主筋伸入承台的长度,不应小于设计要求,若锚钢筋长度不够,可用同规格钢筋焊接接长,钢筋的混凝土保护层不宜小于50mm。
第6.0.5条冬期施工遇有承台底面土质受冻,膨胀鼓起及灌注桩混凝土受冻情况时,应将受冻的土和混凝土全部清除。雨期施工时应将桩头及坑底的松土、积水清除于净。第6.0.6条在寒冷地区,当桩承台底面下有冻胀性土时,为清除土壤冻胀对桩承台的危害,应按照设计要求采取防冻胀措施。当设计无要求时桩承台的防冻胀构造可参照图6.0.6执行。承台
挡立砖
渣或破
图6.0.6桩承台防冻胀构造
第七章灌浆
第7.0.1条灌浆前,基础应做如下准备工作:
一、清除预留孔中的杂物、积水;二、灌浆处的基础表面应在设备安装前凿成麻面,在100×100mm面积内有 3~5个麻点为宜;也可在基础混凝土初凝时,对表面进行拉毛处理;
三、如有被油沾污的混凝土应凿除;四、用水将基础表面冲洗于净,保持湿润。第7.0.2条地脚螺栓预留孔的灌浆工作,必须在设备初找正、找平后进行,设备底座下二次灌浆应在设备最终找平、找正后24h内进行。灌浆前应办理中间交接手续,基础上表面二次灌浆必须一次完成,不得分层灌注。7.0.3条螺栓孔灌浆用细石混凝土。基础上表面二次灌浆,当厚度大于或等于40mm 时,用细石混凝土;小于40mm时,用水泥砂浆。第7.0.4条灌浆用的细石混凝土的标号至少应比基础混凝土标号提高一级,其配比参见附401
第7.0.5条地脚螺栓预留孔灌浆必须一次灌满到基础毛面并捣固密实。捣固时应防止设备产生位移。
第7.0.6条当灌浆混凝土需要早强时,可掺入单强剂,早强剂中不得含有氯盐,第7.0.7条压缩机基础应采用微胀混凝士或无收缩水泥砂浆浇灌。在施工前除原材料应进行精选外,还应进行配合比试验和选择,测定试块抗压强度和收缩率是否符合要求,参考配合比见附录
第7.0.8条采用微膨胀混凝土或无收缩水泥砂浆的灌浆,施工时应制订严密的施工技术措施,交工时必须有混凝土或砂浆试块的抗压和收缩性试验报售。
带锚板的地脚螺栓礼,若设计
第7.0.9条
无要求,灌注方法参见图7.0.9所示。图7.0.9带锚板地脚螺栓孔浇灌
1-地脚螺栓:2—螺母、垫圈;3--底座;4-垫铁组;5—砂浆层;6-预留孔;7—基础;8-干砂层;9-锚板:10-—二次灌浆层
第7.0.10条二次灌浆前应按照图7.0.10安装外模板,图中设备底座外边缘至二次灌浆层外边缘宽度C应不少于60mm;设备底座应埋人402
二次灌浆层深度h应不少于10mmc0.
图7.0.10地脚螺栓灌浆
1—基础;2一底座底面;3-螺母;4—-垫圈:5—灌浆层斜面:6—灌浆层:7—斜垫铁;8-模板;9平垫铁:10—麻面:11—地脚螺栓第7.0.11条灌浆层不应在负温条件下施工,当环境温度低于5℃时,在灌浆养护期间,应采取保温或防冻措施。
第八章防腐蚀工程
第8.0.1条防腐蚀工程采用的水泥品种,应符合下列要求:
一、在碱性介质作用的环境中,应采用硅酸盐水泥或普通硅酸盐水泥(水泥熟料中铝酸三钙的含量不宜大于9%),不得采用高铝水泥或以铝酸盐成分为主的膨胀水泥;
二、在酸性介质作用的环境中,宜采用硅酸盐水泥或普通硅酸盐水泥,也可采用矿渣硅酸盐水泥或火山灰质硅酸盐水泥;
三、在硫酸盐腐蚀的环境中,宜采用抗硫酸盐硅酸盐水泥,也可采用硅酸三钙含量不大于55%,铝酸三钙含量不大于6%的矿渣硅酸盐水泥或普通硅酸盐水泥。
第8.0.2条当混凝士受碱性介质作用时,宜采用氧化钙、氧化铁含量高的石灰岩、白云岩、大理岩或花岗岩、玄武岩等作骨料,当混凝土受酸性介质作用时,宜采用二氧化硅含量高的花岗岩、石英岩、玄武岩、辉缘岩等作骨料。
小提示:此标准内容仅展示完整标准里的部分截取内容,若需要完整标准请到上方自行免费下载完整标准文档。
石油化工装置设备基础工程
施工及验收规范
SHJ 510—88
主编单位:中国石油化工总公司第四建设公司批准部门:中国石油化工总公司8年12月1月
实行日期:1988
务有关单位:
中国石油化工总公司文件
中石化【1988】建宁44号
关于印发《石油化工装置设备
基础工程施工及验收规范》的通知年十二月一日起实行,
现批准由总公司第四建设公司主编的《石油化工装置设备基础工程施「及验收规范》为总公(部)标准,编号为SHI510-88:自一九八八本规范各章节条款由施工规范管理站(通信地址:天津市44信箱转)负责组织解释。中国石油化工总公司
九八八年七月十三日
编制说明
本规范是根据中国石油化工.总公司工程建设部(86)中石化建标字第85号文件的通知,由我公司生编的。
本规范在编制过程中进行了比较广泛的调查研究,总结了国内多年来石油化工设备基础工程的施T经验,并征求了有关施工、设计和建设单392
位的意见,对其中的主要问题,进行了反复讨论,最后经有关部门组织审查定稿。本规范在执行过程中,如发现需要修改或补充之处,请将意见和资料函寄中国石油化工总公司施工规范管理站(通讯地址:天津市44号信箱转)。
中国石油化工总公司第四建设公司一九八八年七月
第一章 总 则
第1.0.1条本规范适用于石油化.T装置独立支承设备的现浇混凝土与钢筋混凝土结构(以下简称设备基础)工程的施工.及验收,配套工程的设备基础可参照执行。
本规范不适用于支承设备的装配式钢筋混凝土结构与预应力混凝土工程
第1.0.2条设备基础的施工及验收除执行本规范外,基础基坑(基槽)的开挖和回填应按国家现行的《土方爆破工程施工及验收规范》执行:地基部分应按国家及地方现行的《地基与基础工程施工及验收规范》执行;钢筋混凝土工程应按国家现行的《钢筋混凝土工程施工及验收规范》执行。如果设计另有特殊要求,则应按设计的规定执行。
有关安全技术劳动保护、防火
第1.0.3条
等方面的要求应按国家标准及中国石油化工总公司《炼油化工施工安全规程》(SHI50S一87)的有关规定执行
各种原材料、外加剂、螺栓和
第1.0.4条
埋设件等应符合设计要求并具有质量证明文件。如有疑义,应经复验合格后方可使用。第二章 一 般 规 定
第2.0.1条设备基础开工前,必须做好测量轴线定位点、水准点的建点工作,并采取保护措施,画出明显标志。
第2.0.2条设备基础应在地基或桩基工程验收合格后施工。检查基坑时,应填写地基验收记录,检查内容包括:
一一、基坑的尺寸、地基表面的标高和水平度,以及基坑中心的座标等是否符合设计要求;二、地基的土质是否符合设计要求;三、柱位布暨、桩顶标高和桩头质量及锚固钢筋是否符合设计要求。
第2.0.3条设备基础应在邻近深于该基础的地下工程施工完毕,土方回填合格后施工。第2.0.4条在已建成的建筑物内部或建构筑物附近进行设备基础施工时,应采取相应措施防止已有结构产生沉降或损坏第2.0.5条混凝土地面和平台板上的设备基础,应预插与地面、平台连接的锚固钢筋。第2.0.6条各独立的设备基础之间,设备基础与建筑物基础之间在施工时不宜连接。当儿个基础相邻,又深浅不同时,应先施工深基础。当浅基础的地基被挖掉或被扰动时,必须采取地基处理措施。
第2.0.7条基坑表面应平整不应用松填土找平基坑底面,个别稍低于设计标高的低凹处,可用与原设计垫层相同的材料找平。第2.0.8条基坑验收后,应及时进行基础混凝土浇筑,如上方工程竣工后,经长时间的停顿再浇筑基础时,应重新检查基坑表面。当基土被破坏时,应提请建设、设计单位共同确定相应的补救措验。
第2.0.9条
地脚螺栓、预埋件、金属支架、设备低座等在安放前,应清除表面的油污,氧化物和脏物,
第2.0.10条重要设备基础应按设计图要求设固定的沉降观测点,沉降观测的埋设应参照《地基与基础工程施工及验收规范》(GBJ202一83)附录三执行。
第2.0.11条沉降观测的时间,如设计没有特殊要求,可按下列四个阶段进行:一、设备安装前。
二、设备安装完毕后。
三、设备水压试验或单机试车过程中。四、设备水压试验放水后。
第2.0.12条基础混凝土应达到下列规定的强度,方可交付设备就位。
一、块体式设备基础,应不低于设计强度的70%
二、框架式设备基础,应不低于设计强度的80%。
三、塔类设备基础,应达到设计强度。设备精平调整,把紧地脚螺栓时,应达到设计强度后方可进行。
第2.0.13条基础在交付安装前,应放出轴线和标高,基础交付设备安装时,应办理中间交工证书。
第三章模板、钢筋、混凝土工程第一节模板工程
第3.1.1条设备基础的模板应优先采用工具式组合钢模板。也可采用木模板或钢木组合模板。
第3.1.2条按施L图确定模板的安装方案,以及模板的种类、规格和数量;旧的钢模板要进行清理、修补和调平。模板安装,应对缝严密以防漏浆。
第3.1.3条模板与混凝土的接触面,在使用前均应涂刷适量的隔离剂;基础露出地面部分的模板,宜采用不易污染混凝土表面的隔离剂。第3.1.4条计算模板及其支架时,应考虑下列荷载,并按表3.1.4进行荷载组合;一、模板及其支架自重;
二、新浇筑混凝土重量;
三、钢筋重量:
四、螺栓、埋件及其定位模板重量;五、施工.人员及施工设备的重量;六、振捣混凝土时产生的荷载;七、新浇筑混凝土时模板侧面的压力;八、倾倒混凝土时产生的荷载;荷载计算见《钢筋混凝土工程施工及验收规范》(GBJ204—83)附录—
计算模板及其支架的荷载组合
平台板的模板
及其支架
梁模板的底板
梁柱(边长
>300mm)
墙厚>100
(mrm)及厚大结构
的侧面模板
荷载类别
计算强度用
验算刚度用
(-→)+()
+(兰)+(四)
+(五)
一)+(二)
↑ +(三)+(四)
+(六)
(七)+(八)
-)+(=)+
(三)+(四)
(—)+(-)
+(三)+(四)
第3.1.5条模板的刚度计算及为防止风荷载作用下倾倒的计算应按《钢筋混凝土工程施工及验收规范》(GBJ204--83)执行。第3.1.6条安装模板时,应预先在混凝土垫层(或底板)上放出基础轴线和外形线。第3.1.7条安装框架式基础的柱子模板时柱模下端应预留清扫口,柱身模板每隔3m应预留一个捣固孔。采用钢模板施工时,可在需要处取下一块模板作为清扫口和捣固孔用。如有结构断面小、钢筋密、或操作困难的部位,应设通长捣固口,施工时边浇注混凝土边封模板。394
第3.1.8条墙式基础的两侧模板宜设置M12的对拉螺栓固定、对拉螺栓的布置间距见表3.1.8。
对拉螺栓布置间距表
混凝土压力
(千帕)
螺枪间距(mm)
第3.1.9条大型设备基础内遇有安装管道用的各种沟槽时,如支模复杂,浇筑混凝土困难可采用整体预制或分段预制的方法。在安装基础模板时,将预制好的沟槽安装在型钢支架.上与基础混凝土现浇在一起。
第3.1.10条模板及其支架的拆除,如设计无要求时,应符合下列规定:
\、拆除模板时基础的混凝土强度,应符合表3.1.10的规定;
拆模时基础所需的混凝土强度
表3.1.10
项次结构类型
承重结构
悬臂梁
4|大块式基础
结构跨度
>2,≤8
按设计标号的百分率计
二、拆模板时应按与安装相反的顺序进行、般是先拆侧模板,后拆承重模板;先拆柱模板,后拆梁及平台模板。
第3.1,11条模叛安装的允许偏差,应符合表3.1.11的规
模板安装的允许偏差
表3.1.11
轴线位胃
底模工表面标高
截面内部起寸
()基础
(2)桂、墙、梁
垂直度
(1)全高5m
(2)全高>5ml
相邻两模板表面高低差
表面平整度(用2m直尺检查)
允许偏差(nm)
第二节钢筋工程
第3.2.1条钢筋应用冷加工方法成形,不得用氧乙炔焰烤红煨或割断。
第3.2.2条钢筋在加工过程中发现脆断焊接性能不良或机械性能异常等现象时,应进行化学成分或机械性能检验。
第3.2.3条进门钢筋的使用和焊接应按国家现行的有关规定执行。
第3.2.4条钢筋的级别、钢号和直径与设计要求不符时,框架基础和动力机器基础的钢筋代换应经设计同意;大块式基础的钢筋在保证构造要求的条件下,尚经建设单位的技术部门同意,按等强度代换。
第3.2.5条钢筋的接头,宜优先采用焊接接头,直径大于22mm的钢筋宜采用闪光对焊,钢筋焊接前,焊工应经考试合格并根据焊工技术,施工条件进行试焊,合格后方可正式施焊。钢筋焊接的接头形式,焊接工艺和质量检验,应符合《钢筋焊接及验收规程》(JGJ18--84)的规定。第3.2.6条钢筋安装前应先熟悉施工图,核对钢筋配料单和料牌,研究钢筋安装和有关工种的配合顺序,确定施工方案。第3.2.7条框架式设备基础的节点钢筋应严格按设计图施工。若节点处有预埋螺栓、当螺栓与钢筋碰撞时,原则上是钢筋让螺栓,特殊情况下应联系修改设计。
第3.2.8条框架式设备基础的钢筋接头应符合下列要求:
一、柱的受力钢筋接头宜设置在底板150mm处或弯矩较小的部位:
梁中的受力钢筋接头不宜位于最大弯矩处,钢筋接头距钢筋弯曲处,不应小于钢筋畜径的10倍。
有接头的钢筋截面面积占钢筋总截面面积的百分率:
焊接接头不宜超过50%;
绑扎接头不得超过25%;
第3.2.9条梁或柱的箍筋弯钩选合处,不应集中在一根纵筋上,应沿受力钢筋方向错开设置。梁箍筋弯钩送合处要间隔地放在两根架立筋上:柱箍筋弯钩送合处要相间地放在四角主筋上;梁、柱箍筋应与主筋垂直。
第3.2.10条基础钢筋设上、下两层网片时,层钢筋网片的定位可用钢筋、型钢制作的“铁马”或混凝士墩支持。
第3.2.11条钢筋的混凝土保护层应按照《钢筋混凝土施丁.及验收规范》(GBJ204—83)执行,钢筋保护层的厚度,用砂浆垫块或其它新型材料垫块保证,垫块间距一般不得大于1m,并与钢筋绑扎牢固。
第3.2.12条钢筋T程质量应符合表3.2.12的规定。
钢筋工程质量标准
受力主筋
箍筋间距
主筋保护层
绑扎骨架
焊接骨架
柱、梁
钢筋弯起点位移
绑扎钢筋网
网眼尺寸
表3.2.12
允许偏差(mm)
第三节混凝土工程
第3.3.1条在浇筑混凝土基础前,应与建设单位进行下列检查:
一、轴线、标高和方位是否符合要求;二、模板及钢筋的准确度;
三、地脚螺栓,预留孔模、预埋件、金属支架等位置的准确度和固定的可靠性。第3.3.2条在施工前,基础的混凝土应根据地方材料进行配合比试验。
第3.3.3条同一基础混凝土应选用同一个工厂生产的同品种、同标号水泥:水窑生产的水泥不得用于设备基础。
水泥标号的选择宜为混凝土标号的1.5~2.0倍,可选用325号或425号水泥。第3.3.4条钢筋混凝土中,禁止加人氯盐外加剂。
第 3.3.5条
筒或溜槽。
浇筑高度超过3m时,应使用漏
第3.3.6条浇筑混凝土时,应搭设操作平台,不得站在钢筋上操作。
第3.3.7条大型设备基础混凝土施工时,应预先考虑材料贮量、搅拌和运输能力,并设计混凝土浇筑程序。
第3.3.8条不得向基础内一次集中倾倒大量的混凝士。混凝土浇筑层的厚度宜为 300~500mmc
第3.3.9条厚大体积的基础施工时,应根据具体情况选择下列方法中的适当措施:-~、采用水化热低的水泥;
二、水灰比不得大于0.55;
三、加缓凝型减水剂或粉煤灰;四、避开高温季节,适当采取降温措施;五、掺加15%~~25%规格为200mm左右的毛石,或使用较粗的骨料;
六、施工后覆盖草袋或蕾水养护;七、基础内预埋循环水管散热。第3.3.10条地脚螺栓、预埋件、预留孔模,预埋管附近的混凝土必须振捣密实,但要避免碰撞,并应经常检查有无位移,及时纠正偏差。
第3.3.11条泵送混凝土应按下列规定进行:
一、配合比应根据设备性能、输送形式和距离决定。水泥用量每立方米混凝土不得小于396
300kg;石子可按自然级配,粒径由输送泵的类型决定:砂率控制在40%~50%;塌落度宜为10~16cm;
二、宜掺加外加剂;
三、减径管与弯头应尽量少设或不设,必要时,可将鸾头设置在泵或泵车附近;四、施工中应连续进行,尽量减少混凝土在管道中的停留时间。泵车应与搅拌车配套使用;
五、泵送前应用适的水泥砂浆润滑输送管内壁。间歇时间超过45min或混凝土出现离析现象时,应立即用压力水或其它方法冲洗管内残留的混凝土。
第3.3.12条在常温条件下,混凝土终凝后12h内开始覆盖和浇水养护,浇水次数以保持混凝土湿润状态为宜,养护时间不得少于7叠夜。掺用缓凝型外加剂时,养护时间不得少于14昼夜。基础拆模后,应及时回填土。第3.3.13条冬期施工,应按《钢筋混凝土工程施工及验收规范》(GBJ204-—83)执行。养护方法应根据当地当时气温条件、基础类型、施工条件、经济比较和热工计算等确定,可采用以下几种方法:
一、改变配合比法。采用水化热高的普通硅酸盐水泥,增加水泥用量,提高混凝土标号或降低水灰比;
二、蓄热法。加热原材料和利用水泥水化热,在混凝土表面覆盖足够的保温材料;三、加热法。采用暖棚、蒸汽加热、电热等方法对基础周围空气进行人工加热;四、掺加外加剂法。在混凝土中加入一定数量的外加剂,提高早期强度,或在负温条件下强度能继续增长和不遭受冻结。
第3.3.14条
混凝土试块应按下列规定留
一、每工作班不少于二组;
二、每拌制50m2混凝士不少于一组。第3.3.15条设备基础的工程质量应符合下列规定:
一、基础混凝土不得有裂缝、蜂窝、空洞及露筋等缺陷;
二、基础周围土方应及时回填、夯实、整平,螺栓及预埋件应无损坏、腐蚀;三、块体式设备基础的允许偏差,应符合表3.3.15-1的规定;
块体式设备基础的允许偏差
基础坐标位置(纵横轴线)
表3.3.15-1
允许偏差
基础不同平面的标高(不计表面灌浆层高度)
基础平面外形尺小
基础凸台上平面外形尺寸
基础凹六尺寸(包括平面内的内部孔、沟、坑等)
基础平面的不水平度(包括地坪E需安装设备部分)
(1)每米
(2)全长
基础侧面铅垂度
(1)每米
(2)全长
预埋地脚螺栓
(1)标高(顶端)
(2)中心距(在根部和顶部两处测量)
地脚螺栓预留孔
(1)中心位置
(2)深度
(3)孔壁铅垂度
预埋活动地脚螺栓锚板
(1)标高
(2)中心位置
(3)水平度(带槽的锚板)
(带螺纹孔的锚板)
四、整体式框架结构的允许偏差,应符合表3.3.15-2的规定;
五、由多个独立基础组成的设备基础,各个基础间的纵横轴线、标高、方位等的允许偏差,应符合设计要求或安装专业施工规范的规定。整体式框架结构的允许偏差
轴线位移
(1) 基础
(2)独立基础
(3)柱、梁
垂直度
(1)层间
5m及5m以下
5m以上
(2)全高
表 3.3.15-2
允许偏差
H/1000但
不大于30
(H一结构全高)
(1)层高
(2)全高
截面尺寸
表面平整度(用2m直尺检
预埋设施中心位移
(1)预埋件
(2)预埋地脚螺栓
(3)预埋管
预留洞中心位移
第四章
允许偏差
(毫米)
预埋工程
第一节
预埋地脚螺栓安装
第4.1.1条地脚螺栓与螺母必须配套加工。配合使用,松紧合适,没有乱扣、缺丝、裂纹等缺陷。
第4.1.2条设备基础的预埋地脚螺栓,应采用定位模板固定。定位模板宜用钢板、型钢、钢管、钢筋等焊接制成,应有足够的强度和刚度。第4.1.3条定位模板的构造应视螺栓露头长度、直径、数量及分布情况而定。第4.1.4条定位模板的设置应使螺栓固定后没有任何摆动的自由度。塔类设备基础,宜采用双层定位模板,一般设备基础宜采用单层定位模板。定位模板示意图见图4.1.4-1,4.1.4-2。0°
A180°
A螺栓孔
A—A
图4.1.4-1圆形基础双层定位模板示意图第4.1.5条定位模板上的螺栓孔应用机械397免费标准下载网bzxz
螺栓子
[图4.1.4-2长方形基础单层定位模板示意图加.I,孔径比螺栓直径大1mm,不得用氧乙炔焰割孔,定位模板制作的允许偏差,应符合表4.1.5的规定。
第4.1.6条大型定位模板安装时,应制作型钢支架。小型定位模板的安装,可直接支承在基础模板上
定位模板制作允许偏差
外形尺寸
H.下面局部不平度
孔径误筹
孔距误差
上下孔不同心度
矩形对角线
允许偏差(品米)
第 4.1.7条
大型定位模板的安装,可采用
下列方法:
、在基础混凝土垫层或底板上预埋固定支架的埋件;
二、在垫层或底板上放出基础轴线,安装支架、定位模板和螺栓,并临时固定好;三、绑扎钢筋、安装模板及预埋件;、校正定位模板的轴线、水平度和标高,用电焊固定在支架上,并焊上足够数量的支撑和拉杆;
五、螺栓用两个螺母固定在定位模板的上、下两个面上。
第4.1.8条定位模板安装应注意下列事项:一、支架柱排列应有规律,荷重应对称;二、每组螺栓定位模板高出基础顶面的尺寸应根据螺栓露出的高度确定,但以高出基础表面50mm以上为宜。
第4.1.9条定位模板拆除时,应水平往上抬升,避免碰坏螺栓丝扣。
第4.1.10条对于由多个支柱组成的设备基础,当无法制作螺栓定位模板时,螺栓宜采用半预埋形式,即一半预埋在混凝土内,一半在预留398
孔或套管内。这种半预埋螺栓在安装设备时可做小量调整,见示意图4.1.10。
地脚螺栓
预留孔
图 4.1.10
半埋地脚螺栓示意图
地脚螺栓
第4.1.11条在特殊情况下,经设计单位同意,也可采用在基础上钻孔用环氧砂浆粘结地脚螺栓的方法,其施工要求应符合《环氧砂浆锚固地脚螺栓技术规程》(冶基规101—78)的规定。第4.1.12条浇筑混凝土以前,地脚螺栓丝扣外露部分应抹匕黄油,并用塑料薄膜或厚纸包扎好。
第二节预埋件的安装
第4.2.1条基础施工前应进行图纸会审,仔细核对相关专业所需要的预埋件是否都已标注在基础的结构图上,当一些大型设备基础,埋件数量和型号较多时,还应绘制预埋件安装图。第4.2.2条预埋件在安装前,应对钢板及锚固钢筋的规格、数量、尺寸和焊接质量进行检查,大型预理件还应进行调平。第4.2.3条当采用钢模板时,侧面预埋件的固定可根据具体情况选用下列方法:、螺栓固定。对于位置要求准确的预埋件上钻孔,用M6~M8螺栓将预埋件固定在模板上,见图4.2.3-1;
二、焊接固定。将预理件的锚固钢筋焊在基础钢筋上。当钢筋的刚度较小,预埋件容易产生位移时,可将埋件锚筋接长,顶在后面模板上,见图4.2.3-2,如果结构断面较大,锚筋不能太长,应增焊加强钢筋。
三、绑扎固定。对位置准确度要求不太高的预理件,可用铁丝绑扎在主筋上,冕图4.2.3-3。但应使预埋件紧靠模板,以防位移;四、嵌木模固定。对于难以施工的部位。可预埋件
固定螺栓
图4.2.3-1
接长筋
钢模板
螺栓固定示意图
预埋件
钢模板
图4.2.3-2焊接固定示意图
钢棋板
铁丝绑扎
图4.2.3-3铁丝绑扎固定示意图
预理件
在预埋件位置嵌木模,将预埋件用圆钉固定在木模上,见图4.2.3-4。
第4.2.4条在基础顶面安装预埋件,可按下列方法进行:
、在基础预面安装预埋件,应在混凝土烧筑完毕,顶面抹平拍实之后进行。预埋件的锚筋应为螺纹钢筋;
二、在平面或梁表面安装预埋件时,应该预先做好记号,混凝土完成一-段就安装一段预埋作,最后按图检查一遍;
三、预埋件安放时表面应保持平整,钢板表面露出混凝土面或砂浆抹面层2~5mm;四、大型水平预埋件安装时应设置支承架。面积在500×500mm以上的水平预埋件,应在适当的部位开排气孔。
第4.2.5条基础模板拆除后,应及时清除预埋件表面的砂浆和混凝土,并画出中心轴线及标高。
第三节预留孔模及套管的安装
第4.3.1条螺栓的预留孔模应采用刨光的圆木,方木或木模壳,孔模应制成上口大,下口小。
第4.3.2条对于深度超过1m的预留孔,孔模宜用钢管制作。管下端封闭成圆锥形,孔模上下端应采取固定措施,并设专人监护,及时拔出,拔模时应防止基础表面受损
第4.3.3条基础预留孔上口应覆盖,防止泥土和垃圾进入孔中。冬期施工时,预留孔上口应有防雨雪措施,严禁预留孔中积水结冰。第4.3.4条梁、墙侧面模板上预埋套管,宜采用钢筋焊接成“井”字架卡住套管,“井”架钢筋应与主筋焊接固定,见图4.3.4;A
木棋板
钢棋板
图4.2.3-4嵌木模固定示意图
第4.3.5条在混凝土平台底面钢模板1.安装孔模或套管,可选用下列方法:399
筋井架
图4.3.4井字筋固定套管示意图
、圆孔模的安装,可先在钢模板上用木螺丝固定一个圆木台,再将孔模套上,见图4.3.5-1;
预留孔模
木螺丝
锅棋板
图4.3.5-1木螺丝固定孔模示意图二、小型方孔模的安装,可在底钢模上钻孔用木螺丝或铁丝固定定位木块,孔模套上后用木楔塞紧,见图4.3.5-2;
阴模板
底模钢管
图4.3.5-2铁丝固定孔模示意图
三、大型孔洞宜在铺模板处留出空位,用斜支撑将孔模支在孔边的模板上,见图4.3.5-3;四、如果孔洞靠近侧模板,孔模可与侧模板拉结固定,见图4.3.5-4;
第4.3.6条预埋地脚螺栓、预埋件、预埋套管及预留孔洞安装的允许偏差,应符合表4.3.6的规定。
孔模板
底模空位
固定支撑
钢模板
图4.3.5-3
支撑定孔模示意图
木条拉结
钢模板
图4.3.5-4拉结固定孔模示意图
预埋地脚螺栓、预埋件、预埋套管及预留孔洞安装的允许偏差
预埋地脚螺栓
中心位置
外露长度
垂直度
预埋件中心位置
预埋管中心位置
预留孔中心位置
预留洞
中心位置
截面内部尺寸
允许偏差(mm)
混凝土施工缝
第五童
第5.0.1条设备基础的施工缝通常留在变截面处,或结构受剪力较小且便于施工的部位。垂直施工缝的留置应与设计人员研究决定。第5.0.2条桩承台的垂直施工缝宜留在相邻两桩距中间1/3范围内,严禁在桩顶范围留置垂直施工缝。
第5.0.3条
基础的悬臂部分,以及被孔洞
减弱的部位,严禁留置施工缝。第5.0.4条承受动力作用的设备基础不宜留置施工缝,如必须留置时,应取得设计单位的同意。
第5.0.5条基础施工缝应留成水平或垂直缝,不应留成斜缝。垂直施工缝应留在距地脚螺栓中心线大于25cm处,且不小于5倍螺栓直径。第5.0.6条设备基础的混凝土施工缝处理,应符合下列规定:
一、标高不同的两个水平施工缝,其高低接合处应留成台阶形,台阶的高宽比不得大于1。二、垂直施工缝处应补插钢筋,其直径为12~16mnl、长度为500~600mm,间距为500mm;、块体式动力设备基础的水平施工缝应按1.述要求补插钢筋;
四、施丁缝处混凝士抗压强度达到 1.2MP’a时,才允许继续浇筑混凝土。混凝土抗压强度等级达到1.2MPa的时间,参见表5.0.6;150号以上混凝土达到1.2MPa
时的小期限(小时)
水泥种类
及标号
普通硅酸
盐水泥
矿渣水泥、火
山炭质水泥
环境温度
5~10:10~15|15以上
五、施工缝处的混凝土表面应凿毛,并清除软弱混凝土。在继续浇筑混凝土前,应用水冲洗干净、湿润后在表面先铺浇30~50mm厚与混凝土成分相同的水泥砂浆或减半石混凝土。六、施工缝处混凝土应仔细捣实,使新旧混凝土紧密结合。
施工缝的位置和处理方法应在
第5.0.7条
隐蔽工程记录上注明。
第六章桩承台
第6.0.1条当预制桩的桩顶被击碎时,碎裂的混凝土必须全部凿除;钻孔灌注桩的桩头,混有泥土部分应全部凿除。
第6.0.2条桩顶嵌人承台的长度应为50~100mm如果桩顶嵌人长度不够,应用同级混凝土接长,经设计同意,也可采取其它处理方法第6.0.3条桩顶部应凿毛、洗净,待混凝土达到设计强度的70%以后,方可嵌人承台。第6.0.4条桩身主筋伸入承台的长度,不应小于设计要求,若锚钢筋长度不够,可用同规格钢筋焊接接长,钢筋的混凝土保护层不宜小于50mm。
第6.0.5条冬期施工遇有承台底面土质受冻,膨胀鼓起及灌注桩混凝土受冻情况时,应将受冻的土和混凝土全部清除。雨期施工时应将桩头及坑底的松土、积水清除于净。第6.0.6条在寒冷地区,当桩承台底面下有冻胀性土时,为清除土壤冻胀对桩承台的危害,应按照设计要求采取防冻胀措施。当设计无要求时桩承台的防冻胀构造可参照图6.0.6执行。承台
挡立砖
渣或破
图6.0.6桩承台防冻胀构造
第七章灌浆
第7.0.1条灌浆前,基础应做如下准备工作:
一、清除预留孔中的杂物、积水;二、灌浆处的基础表面应在设备安装前凿成麻面,在100×100mm面积内有 3~5个麻点为宜;也可在基础混凝土初凝时,对表面进行拉毛处理;
三、如有被油沾污的混凝土应凿除;四、用水将基础表面冲洗于净,保持湿润。第7.0.2条地脚螺栓预留孔的灌浆工作,必须在设备初找正、找平后进行,设备底座下二次灌浆应在设备最终找平、找正后24h内进行。灌浆前应办理中间交接手续,基础上表面二次灌浆必须一次完成,不得分层灌注。7.0.3条螺栓孔灌浆用细石混凝土。基础上表面二次灌浆,当厚度大于或等于40mm 时,用细石混凝土;小于40mm时,用水泥砂浆。第7.0.4条灌浆用的细石混凝土的标号至少应比基础混凝土标号提高一级,其配比参见附401
第7.0.5条地脚螺栓预留孔灌浆必须一次灌满到基础毛面并捣固密实。捣固时应防止设备产生位移。
第7.0.6条当灌浆混凝土需要早强时,可掺入单强剂,早强剂中不得含有氯盐,第7.0.7条压缩机基础应采用微胀混凝士或无收缩水泥砂浆浇灌。在施工前除原材料应进行精选外,还应进行配合比试验和选择,测定试块抗压强度和收缩率是否符合要求,参考配合比见附录
第7.0.8条采用微膨胀混凝土或无收缩水泥砂浆的灌浆,施工时应制订严密的施工技术措施,交工时必须有混凝土或砂浆试块的抗压和收缩性试验报售。
带锚板的地脚螺栓礼,若设计
第7.0.9条
无要求,灌注方法参见图7.0.9所示。图7.0.9带锚板地脚螺栓孔浇灌
1-地脚螺栓:2—螺母、垫圈;3--底座;4-垫铁组;5—砂浆层;6-预留孔;7—基础;8-干砂层;9-锚板:10-—二次灌浆层
第7.0.10条二次灌浆前应按照图7.0.10安装外模板,图中设备底座外边缘至二次灌浆层外边缘宽度C应不少于60mm;设备底座应埋人402
二次灌浆层深度h应不少于10mmc0.
图7.0.10地脚螺栓灌浆
1—基础;2一底座底面;3-螺母;4—-垫圈:5—灌浆层斜面:6—灌浆层:7—斜垫铁;8-模板;9平垫铁:10—麻面:11—地脚螺栓第7.0.11条灌浆层不应在负温条件下施工,当环境温度低于5℃时,在灌浆养护期间,应采取保温或防冻措施。
第八章防腐蚀工程
第8.0.1条防腐蚀工程采用的水泥品种,应符合下列要求:
一、在碱性介质作用的环境中,应采用硅酸盐水泥或普通硅酸盐水泥(水泥熟料中铝酸三钙的含量不宜大于9%),不得采用高铝水泥或以铝酸盐成分为主的膨胀水泥;
二、在酸性介质作用的环境中,宜采用硅酸盐水泥或普通硅酸盐水泥,也可采用矿渣硅酸盐水泥或火山灰质硅酸盐水泥;
三、在硫酸盐腐蚀的环境中,宜采用抗硫酸盐硅酸盐水泥,也可采用硅酸三钙含量不大于55%,铝酸三钙含量不大于6%的矿渣硅酸盐水泥或普通硅酸盐水泥。
第8.0.2条当混凝士受碱性介质作用时,宜采用氧化钙、氧化铁含量高的石灰岩、白云岩、大理岩或花岗岩、玄武岩等作骨料,当混凝土受酸性介质作用时,宜采用二氧化硅含量高的花岗岩、石英岩、玄武岩、辉缘岩等作骨料。
小提示:此标准内容仅展示完整标准里的部分截取内容,若需要完整标准请到上方自行免费下载完整标准文档。
标准图片预览:





- 其它标准
- 热门标准
- 石油化工行业标准(SH)
- SH/T0764-2005 柴油机喷嘴结焦试验方法(XUD-9法)
- SH/T0189-1992 润滑油抗磨损性能测定法(四球机法)
- SH/T0795-2007 HFAE型难燃液压液乳化稳定性测定法
- SH/T0076-1991 润滑油中糠醛试验法
- SH3022-1999 工业设备和管道涂料防腐蚀技术规范
- SH/T0759-2005 内燃机油低温油泥和抗磨损性能评定法(程序ⅤE法)
- SH/T0761-2005 柴油机油性能评定法(MACK T-9法)
- SH3503-2001 石油化工工程建设交工技术文件规定
- SH/T0642-1997 液体石油和石油化工产品自燃点测定法
- SH/T3139-2004 石油化工重载荷离心泵工程技术规定
- SH/T0622-1995 乙丙共聚物粘度指数改进剂
- SH/T0689-2000 轻质烃及发动机燃料和其他油品的总硫含量测定法(紫外荧光法)
- SH3065-1994 石油化工管式炉急弯弯管技术标准
- SH3081-1997 石油化工仪表接地设计规范
- SH3405-1996 石油化工企业钢管尺寸系列
- 行业新闻
请牢记:“bzxz.net”即是“标准下载”四个汉字汉语拼音首字母与国际顶级域名“.net”的组合。 ©2025 标准下载网 www.bzxz.net 本站邮件:bzxznet@163.com
网站备案号:湘ICP备2025141790号-2
网站备案号:湘ICP备2025141790号-2