- 您的位置:
- 标准下载网 >>
- 标准分类 >>
- 电子行业标准(SJ) >>
- SJ 765-1974 3DD50型和3DD51型NPN硅外延平面低频大功率三极管
标准号:
SJ 765-1974
标准名称:
3DD50型和3DD51型NPN硅外延平面低频大功率三极管
标准类别:
电子行业标准(SJ)
标准状态:
现行-
发布日期:
1974-10-01 -
实施日期:
1974-10-01 出版语种:
简体中文下载格式:
.rar.pdf下载大小:
150.34 KB
中标分类号:
电子元器件与信息技术>>半导体分立器件>>L42半导体三极管

点击下载
标准简介:
标准下载解压密码:www.bzxz.net
本标准适用于耗散功率为1W的3DD50和3DD51型NPN硅外外延平面低频大功率三极管。该产品用于电子设备的低频功率放大、电源变换和低速开关的电路中。 SJ 765-1974 3DD50型和3DD51型NPN硅外延平面低频大功率三极管 SJ765-1974

部分标准内容:
中华人民共和国第四机械工业部部标准
NPN硅低類大功率三极管
SJ765-74
中华人民共和国第四机械工业部部标准
3DD50和3DD51型NPN硅外
延平面低频大功率三极管
SJ765-74
1、本标准适用于耗散功率为1W的3DD50和3DD51型NPN硅外延平面低频大功率三极管。该产品用于电子设备的低频功率放大、电源变换和低速开关的电路中。
2、该产品除应符合本标准规定外还应符合半导体三极管总技术条件SJ614—73的规定。
3、外型结构和尺寸应符合部标准SJ139—70,3DD50为G—1型,3DD51为F—1型。
4、技术要求和试验方法:
(1)电参数应符合参数规范表的规定。电参数的测试方法应符合部标准SJ300-72~SJ314—72的规定。(2)环境试验后考核反向击穿电压BVcEO,BVEBO,反向电流IcEO,饱和压降VcEs和电流放大系数HFE,其值应符合参数规范表的规定。
(3)高温贮存试验后考核反向电流IcEO,饱和压降VcES和电流放大系数HFE。要求IcEO增大不超过规范的2倍,VcES增大不超过规范的1.2倍,HFE相对变化率小于±35%。5、说明:
(1)生产单位应在产品目录(或说明书)中提供频率参数和下列特性曲线:
a、Ic--VcE的关系曲线
b、IB-VBE的关系曲线,
c、HrE-Ic的关系线:
一九七四年十月一日实施此内容来自标准下载网
SJ765-74
d、HFE-T(低温)的关系曲线,
e、ICEO-T(高温)的关系曲线,
f、直流(或脉冲)安全工作区。在提供曲线时,应对测试环境、测试条件等给予必要的说明。(2)功率管的使用:应在生产单位提供的安全工作区范围内使用。使用时的散热装置,用户根据使用功率,热阻,最高结温和壳温按下式自行设计,满功率使用时壳温不允许超过75°C。PcM=
TiM-Tc
8DD50A
8DD50B
8DD50c
8DD50D
8DD50E
试验类别
=75℃
SJ765-74
3DD50和3DD51型NPN硅外延平面低参
BVcEoBVEBO
1mA20V
注:1、色标(点)位置:管帽项端(G型):管帽边缘(F型)。2、测试环境温度:Ta=25℃
SJ765-74
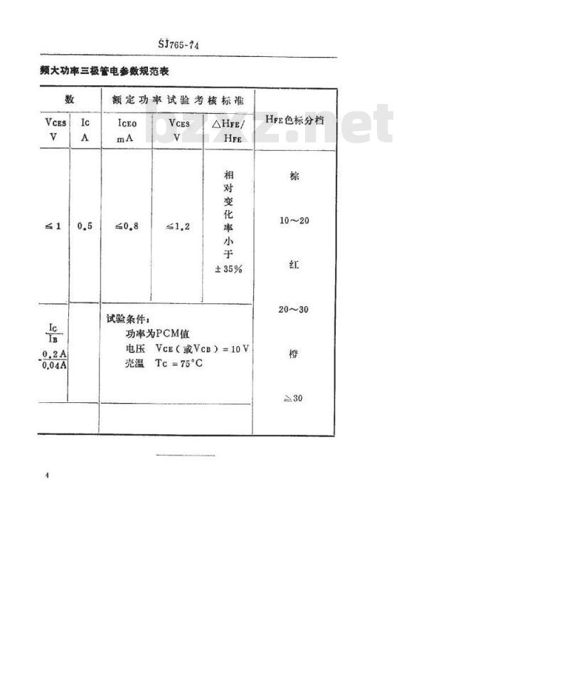
频大功率三极管电参数规范表
额定功率试验考核标准
试验条件:
功率为PCM值
电压VcE(或VcB)=10V
Tc=75°C
HFE色标分档
10~20
20~30
小提示:此标准内容仅展示完整标准里的部分截取内容,若需要完整标准请到上方自行免费下载完整标准文档。
NPN硅低類大功率三极管
SJ765-74
中华人民共和国第四机械工业部部标准
3DD50和3DD51型NPN硅外
延平面低频大功率三极管
SJ765-74
1、本标准适用于耗散功率为1W的3DD50和3DD51型NPN硅外延平面低频大功率三极管。该产品用于电子设备的低频功率放大、电源变换和低速开关的电路中。
2、该产品除应符合本标准规定外还应符合半导体三极管总技术条件SJ614—73的规定。
3、外型结构和尺寸应符合部标准SJ139—70,3DD50为G—1型,3DD51为F—1型。
4、技术要求和试验方法:
(1)电参数应符合参数规范表的规定。电参数的测试方法应符合部标准SJ300-72~SJ314—72的规定。(2)环境试验后考核反向击穿电压BVcEO,BVEBO,反向电流IcEO,饱和压降VcEs和电流放大系数HFE,其值应符合参数规范表的规定。
(3)高温贮存试验后考核反向电流IcEO,饱和压降VcES和电流放大系数HFE。要求IcEO增大不超过规范的2倍,VcES增大不超过规范的1.2倍,HFE相对变化率小于±35%。5、说明:
(1)生产单位应在产品目录(或说明书)中提供频率参数和下列特性曲线:
a、Ic--VcE的关系曲线
b、IB-VBE的关系曲线,
c、HrE-Ic的关系线:
一九七四年十月一日实施此内容来自标准下载网
SJ765-74
d、HFE-T(低温)的关系曲线,
e、ICEO-T(高温)的关系曲线,
f、直流(或脉冲)安全工作区。在提供曲线时,应对测试环境、测试条件等给予必要的说明。(2)功率管的使用:应在生产单位提供的安全工作区范围内使用。使用时的散热装置,用户根据使用功率,热阻,最高结温和壳温按下式自行设计,满功率使用时壳温不允许超过75°C。PcM=
TiM-Tc
8DD50A
8DD50B
8DD50c
8DD50D
8DD50E
试验类别
=75℃
SJ765-74
3DD50和3DD51型NPN硅外延平面低参
BVcEoBVEBO
1mA20V
注:1、色标(点)位置:管帽项端(G型):管帽边缘(F型)。2、测试环境温度:Ta=25℃
SJ765-74
频大功率三极管电参数规范表
额定功率试验考核标准
试验条件:
功率为PCM值
电压VcE(或VcB)=10V
Tc=75°C
HFE色标分档
10~20
20~30
小提示:此标准内容仅展示完整标准里的部分截取内容,若需要完整标准请到上方自行免费下载完整标准文档。

标准图片预览:





- 其它标准
- 热门标准
- 电子行业标准(SJ)
- SJ20811-2002 压阻式加速度传感器总规范
- SJ2588-1985 BSH12~14-1L、BSH12~14-2L型一体化回扫变压器
- SJ933-1975 半导体调幅广播收音机用输出输入变压器
- SJ/T11259-2001 制冷机低温泵总规范
- SJ/T31248-1994 CLS-37型激交调阻机完好要求和检查评定方法
- SJ/T31291-1994 CHJ-S-2型超声波塑料焊接机完好要求和检查评定方法
- SJ1007-75 双动冲床引伸模 上压板
- SJ/T31279-1994 WLD-T1型无感式电容器引线自动焊接机完好要求和检查评定方法
- SJ/T31280-1994 隧道式电容器清洗机完好要求和检查评定方法
- SJ/T31360-1994 箱体成形折弯机完好要求和检查评定方法
- SJ/Z9094.4-1987 地面无线电接力系统所用设备的测量方法 第二部分:分系统的测量 第三章 射频分支网络
- SJ1011-1975 手柄翻开式钻模 压板
- SJ/T31254-1994 自动绕片机完好要求和检查评定方法
- SJ/T10980-1996 电子器件详细规范 2CC23、2CC28型硅调谐变容二极管(可供认证用)
- SJ796-74 3DG160型NPN硅平面高频小功率高反压三极管
- 行业新闻
请牢记:“bzxz.net”即是“标准下载”四个汉字汉语拼音首字母与国际顶级域名“.net”的组合。 ©2009 标准下载网 www.bzxz.net 本站邮件:bzxznet@163.com
网站备案号:湘ICP备2023016450号-1
网站备案号:湘ICP备2023016450号-1