
【电子行业标准(SJ)】 CY401、CY402、CY403、CY404和CY405型云母固定电容器详细规范
本网站 发布时间:
2024-07-11 07:11:51
- SJ20212-1992
- 已作废
- 点击下载此标准
标准号:
SJ 20212-1992
标准名称:
CY401、CY402、CY403、CY404和CY405型云母固定电容器详细规范
标准类别:
电子行业标准(SJ)
标准状态:
已作废-
发布日期:
1992-11-19 -
实施日期:
1993-05-01 出版语种:
简体中文下载格式:
.rar.pdf下载大小:
171.02 KB
中标分类号:
电子元器件与信息技术>>电子元件>>L11电容器
替代情况:
被SJ 51313/1-2002代替

点击下载
标准简介:
标准下载解压密码:www.bzxz.net
本规范规定了CY40、CY402、CY403、CY404和CY405型云母电容器的结构、外形尺寸、主要参数和要求.本规范适用于低损耗、电容量稳定的谐振回路利其他电路中使用的云母电容器。本规范规定的电容器的完整要求是由本规蔫和GJBl3l3-91《云母电容器总规范》组成. SJ 20212-1992 CY401、CY402、CY403、CY404和CY405型云母固定电容器详细规范 SJ20212-1992

部分标准内容:
中华人民共和国电子行业军用标准FL5910
SJ20212-92
CY401、CY402、CY403、
CY404和CY405型
云母固定电容器详细规范
Capacitors,fixed,mica dielectrictype CY401,CY402,CY403,CY404 and CY405,Detail spcificationfor
1992-11-19发布
中国电子工业总公司
1993-05-01实施
中华人民共和国电子行业军用标准CY401、CY402、CY403、CY404和CY405型云母固定电容器详细规范bZxz.net
Capacitors,fixed,micadielectrlctypeCY401,CY402,CY403,CY404andCY405Detail spcification for
1范围
1.1主题内容
SJ20212—92
本规范规定了CY401、CY402、CY403、CY404和CY405型云母电容器的结构、外形尺寸、主要参数和要求。
1.2适用范围
本规范适用于低损耗、电容量稳定的谐振回路和其他电路中使用的云母电容器。本规范规定的电容器的完整要求是由本规范和GJB1313一91《云母电容器总规范》组成。
2引用文件
GB2471—81
电子设备用电阻器的标称阻值系列和固定电容器的标称电容量系列及其允许偏差
电阻器、电容器标志内容与标志方法GB2691—81
GJB1313—91云母电容器总规范
3要求
3.1结构
树脂包封,径向引出。
3.2尺寸和主要套数
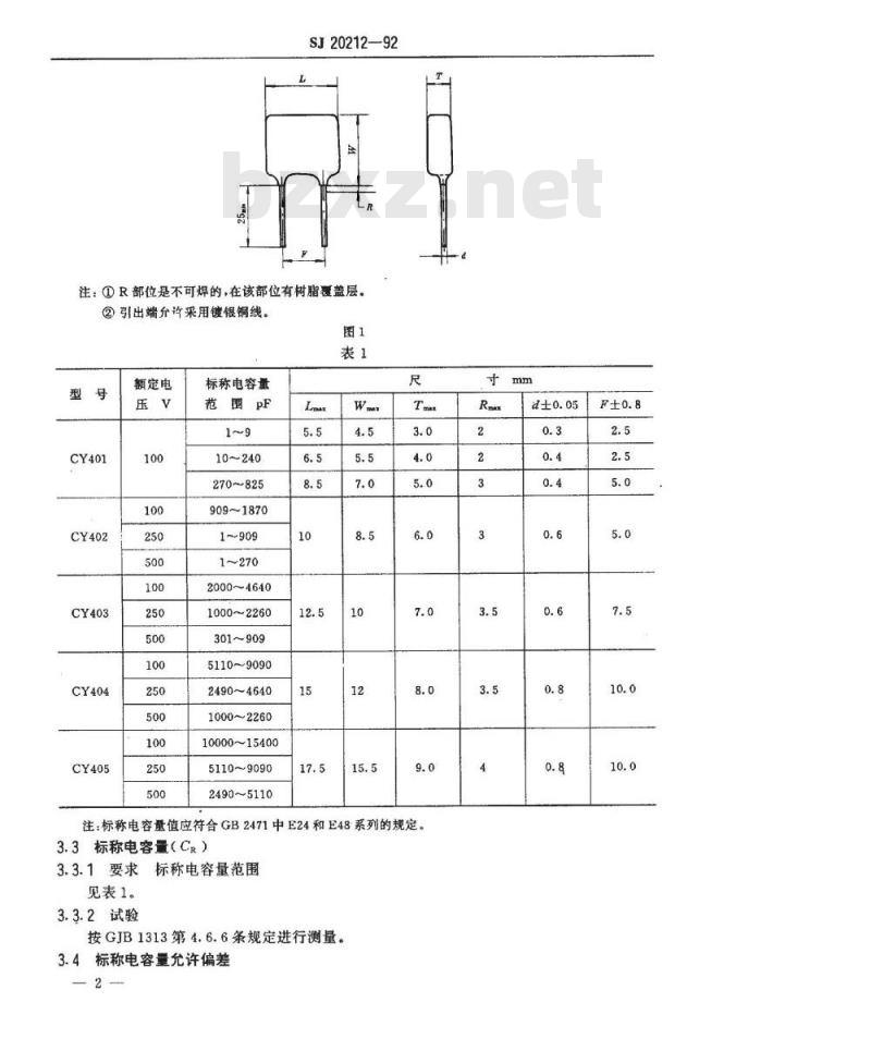
见图1和表1。
中国电子工业总公司1992-11-19发布1993-05-01实施
SJ20212—92
注:①R部位是不可焊的,在该部位有树脂覆盖层。②引出端允许采用镀银铜线。
额定电
标称电容量
范围PF
10~240
270825
909~1870
2000~4640
1000~2260
301~909
5110~9090
2490~4640
1000~2260
10000~15400
5110~9090
2490~5110
注:标称电容量值应符合GB2471中E24和E48系列的规定。3.3标称电容量(CR)
标称电容量范围
3.3.1要求
见表1。
3.3.2试验
按GJB1313第4.6.6条规定进行测量。3.4标称电容量允许偏差
标称电容量允许偏差
G、J、K
3.5额定电压
见表1。
3.6工作温度范围
SJ20212-92
N(-55~85C)、B(-55~125℃)和P(-55~155℃)。3.7温度系数和电容量漂移
3.7.1要求
3.7.2试验
温度系数10-*/℃
200~+200
-100~~+100
-20~+100
0~+70
按GJB1313第4.6.14条规定进行试验3.8介质耐电压
3.8.1要求
无飞弧或击穿。
3.8.2试验
标称电容量范围pF
56~300
330~2000
2200~4700
≥5100
电容量源移
±(0.5%+0.1pF)
±(0.3%+0.1pF)
±(0.1%+0.1pF)
±(0.05%+0.1pF)
按GJB1313第4.6.2条,施加200%额定电压,持续时间为1~5s3.9低气压
3.9.1要求
无飞弧或击穿。
3.9.2试验
按GJB1313第4.6.3条并按下列规定进行试验。a.大气压力1.06kpa,保持时间5min。试验电压Ur≥500V电容器的试验电压为UR。b.
Uk<500V电容器的试验电压为1.5UR。3.10绝缘电阻
3.10.1要求
电容量
≥10pF
≥10pF
≥100pF
电容量范围
在25℃时
CR<10000pF
Cr≥10000pF
在85℃时
Cr<5000pF
CR≥5000pF
在125℃时
Cr<3300pF
CR≥3300pF
在155℃时
CR<1500pF
C≥1500pF
3.10.2试验
SJ20212—92
按GJB1313第4.6.4条规定进行测试。3.11损耗角正切
3.11.1要求
按GJB1313第3.8条的规定。
3.11.2试验
按GJB1313第4.6.5条规定进行测试。3.12振动
3.12.1要求
按GJB1313第3.11条规定。
3.12.2试验
最小绝缘电阻
100000M0
1000Mn·μF
10000M0
50Mn·μF
7500MQ
24.75Mm·μF
2500MQ
3.75MQ·μF
按GJB1313第4.6.8.2条试验条件D的规定进行试验。3.13温度冲击和浸渍循环
3.13.1要求
介质耐电压应符合初始要求。
绝缘电阻不小于初始要求值的30%。电容量变化AC/C≤1%或AC≤1pF,取较大者。损耗角正切不大于初始要求值的150%。3.13.2温度冲击
按GJB1313第4.6.9.1.1条规定进行试验,在第三阶段额定温度为85+3℃,125+3℃,155+gc。
3.13.3浸渍循环
按GJB1313第4.6.9.1.2a条的规定进行试验。3.14冲击(规定脉冲)
3.14.1要求
按GJB1313第3.13条规定。
3.14.2试验
SJ20212-92
按GJB1313第4.6.10条进行试验,试验条件I(980m/s*,锯齿形)3.15可焊性
3.15.1要求
按GJB1313第3.14条规定。
3.15.2试验
按GJB1313第4.6.11条规定进行试验。3.16引出端强度
3.16.1要求
引出端应不出现松动或断裂以及其他损伤,对于浸封电容器,当仅在月牙形部位的树脂覆盖层出现轻微的碎裂时,只要样品通过所有以后的环境试验,则不认为是失效3.16.2试验
a.拉力试验
间至少5s。
固定电容器的一个引出端,另一个引出端逐步施加25N的拉力,维持时b.扭转试验
交替旋转360°共5次。
3.17耐湿试验
3.17.1要求
介质耐电压应符合初始要求。
绝缘电阻不小于初始要求值的30%。电容量变化AC/C≤1%或AC≤1pF,取较大者。损耗角正切不大于初始要求值的150%。3.17.2试验
按GJB1313第4.6.13条的规定进行试验。3.18低温购存和寿命
电容器在一55_℃的温度下放置48h后立即进行鉴定检验或质量一致性检验(按适用)。3.18.1要求
介质耐电压符合初始要求。
绝缘电阻符合初始要求。
损耗角正切不大于初始要求值的150%。电容量变化△C/C≤1%或AC≤1pF,取较大者。3.18.2试验
鉴定检验在最高额定温度下,施加150%的直流额定电压,持续2000h。a.
质量一致性检验试验条件和要求与鉴定检验相同,只是试龄的持续时间为250h。b.
延续试验已承受250h试验的电容器承受追加的1750h的试险。c.
3.19标志
电容器上的标志应按GB2691第3.2条规定,并包括下列内容:标称电容量;
标称电容量允许偏差;
额定电压:
温度系数;
生产年月;
生产批号:
商标。
SJ20212—92
注:CY401型1~9pF的电容器标志a项,10~820pF的电容器标志a和b项。CY402型和CY403型的电容器标志a、b、c和d项。CY404型和CY405型的电容器全标志。4质量保证规定
见GJB1313第4章。
5交货准备
见GJB1313第3.5.7条。
6说明
见GJB1313第6章
附加说明:
本规范由机械电子工业部提出。本规范由军用电子元件标准化技术委员会规口。本规范由中国电子技术标准化研究所和4320厂共同起草。本规范主要起草人:翟光、惠桂荣、韩普选。计划项目代号:B02011。
小提示:此标准内容仅展示完整标准里的部分截取内容,若需要完整标准请到上方自行免费下载完整标准文档。
SJ20212-92
CY401、CY402、CY403、
CY404和CY405型
云母固定电容器详细规范
Capacitors,fixed,mica dielectrictype CY401,CY402,CY403,CY404 and CY405,Detail spcificationfor
1992-11-19发布
中国电子工业总公司
1993-05-01实施
中华人民共和国电子行业军用标准CY401、CY402、CY403、CY404和CY405型云母固定电容器详细规范bZxz.net
Capacitors,fixed,micadielectrlctypeCY401,CY402,CY403,CY404andCY405Detail spcification for
1范围
1.1主题内容
SJ20212—92
本规范规定了CY401、CY402、CY403、CY404和CY405型云母电容器的结构、外形尺寸、主要参数和要求。
1.2适用范围
本规范适用于低损耗、电容量稳定的谐振回路和其他电路中使用的云母电容器。本规范规定的电容器的完整要求是由本规范和GJB1313一91《云母电容器总规范》组成。
2引用文件
GB2471—81
电子设备用电阻器的标称阻值系列和固定电容器的标称电容量系列及其允许偏差
电阻器、电容器标志内容与标志方法GB2691—81
GJB1313—91云母电容器总规范
3要求
3.1结构
树脂包封,径向引出。
3.2尺寸和主要套数
见图1和表1。
中国电子工业总公司1992-11-19发布1993-05-01实施
SJ20212—92
注:①R部位是不可焊的,在该部位有树脂覆盖层。②引出端允许采用镀银铜线。
额定电
标称电容量
范围PF
10~240
270825
909~1870
2000~4640
1000~2260
301~909
5110~9090
2490~4640
1000~2260
10000~15400
5110~9090
2490~5110
注:标称电容量值应符合GB2471中E24和E48系列的规定。3.3标称电容量(CR)
标称电容量范围
3.3.1要求
见表1。
3.3.2试验
按GJB1313第4.6.6条规定进行测量。3.4标称电容量允许偏差
标称电容量允许偏差
G、J、K
3.5额定电压
见表1。
3.6工作温度范围
SJ20212-92
N(-55~85C)、B(-55~125℃)和P(-55~155℃)。3.7温度系数和电容量漂移
3.7.1要求
3.7.2试验
温度系数10-*/℃
200~+200
-100~~+100
-20~+100
0~+70
按GJB1313第4.6.14条规定进行试验3.8介质耐电压
3.8.1要求
无飞弧或击穿。
3.8.2试验
标称电容量范围pF
56~300
330~2000
2200~4700
≥5100
电容量源移
±(0.5%+0.1pF)
±(0.3%+0.1pF)
±(0.1%+0.1pF)
±(0.05%+0.1pF)
按GJB1313第4.6.2条,施加200%额定电压,持续时间为1~5s3.9低气压
3.9.1要求
无飞弧或击穿。
3.9.2试验
按GJB1313第4.6.3条并按下列规定进行试验。a.大气压力1.06kpa,保持时间5min。试验电压Ur≥500V电容器的试验电压为UR。b.
Uk<500V电容器的试验电压为1.5UR。3.10绝缘电阻
3.10.1要求
电容量
≥10pF
≥10pF
≥100pF
电容量范围
在25℃时
CR<10000pF
Cr≥10000pF
在85℃时
Cr<5000pF
CR≥5000pF
在125℃时
Cr<3300pF
CR≥3300pF
在155℃时
CR<1500pF
C≥1500pF
3.10.2试验
SJ20212—92
按GJB1313第4.6.4条规定进行测试。3.11损耗角正切
3.11.1要求
按GJB1313第3.8条的规定。
3.11.2试验
按GJB1313第4.6.5条规定进行测试。3.12振动
3.12.1要求
按GJB1313第3.11条规定。
3.12.2试验
最小绝缘电阻
100000M0
1000Mn·μF
10000M0
50Mn·μF
7500MQ
24.75Mm·μF
2500MQ
3.75MQ·μF
按GJB1313第4.6.8.2条试验条件D的规定进行试验。3.13温度冲击和浸渍循环
3.13.1要求
介质耐电压应符合初始要求。
绝缘电阻不小于初始要求值的30%。电容量变化AC/C≤1%或AC≤1pF,取较大者。损耗角正切不大于初始要求值的150%。3.13.2温度冲击
按GJB1313第4.6.9.1.1条规定进行试验,在第三阶段额定温度为85+3℃,125+3℃,155+gc。
3.13.3浸渍循环
按GJB1313第4.6.9.1.2a条的规定进行试验。3.14冲击(规定脉冲)
3.14.1要求
按GJB1313第3.13条规定。
3.14.2试验
SJ20212-92
按GJB1313第4.6.10条进行试验,试验条件I(980m/s*,锯齿形)3.15可焊性
3.15.1要求
按GJB1313第3.14条规定。
3.15.2试验
按GJB1313第4.6.11条规定进行试验。3.16引出端强度
3.16.1要求
引出端应不出现松动或断裂以及其他损伤,对于浸封电容器,当仅在月牙形部位的树脂覆盖层出现轻微的碎裂时,只要样品通过所有以后的环境试验,则不认为是失效3.16.2试验
a.拉力试验
间至少5s。
固定电容器的一个引出端,另一个引出端逐步施加25N的拉力,维持时b.扭转试验
交替旋转360°共5次。
3.17耐湿试验
3.17.1要求
介质耐电压应符合初始要求。
绝缘电阻不小于初始要求值的30%。电容量变化AC/C≤1%或AC≤1pF,取较大者。损耗角正切不大于初始要求值的150%。3.17.2试验
按GJB1313第4.6.13条的规定进行试验。3.18低温购存和寿命
电容器在一55_℃的温度下放置48h后立即进行鉴定检验或质量一致性检验(按适用)。3.18.1要求
介质耐电压符合初始要求。
绝缘电阻符合初始要求。
损耗角正切不大于初始要求值的150%。电容量变化△C/C≤1%或AC≤1pF,取较大者。3.18.2试验
鉴定检验在最高额定温度下,施加150%的直流额定电压,持续2000h。a.
质量一致性检验试验条件和要求与鉴定检验相同,只是试龄的持续时间为250h。b.
延续试验已承受250h试验的电容器承受追加的1750h的试险。c.
3.19标志
电容器上的标志应按GB2691第3.2条规定,并包括下列内容:标称电容量;
标称电容量允许偏差;
额定电压:
温度系数;
生产年月;
生产批号:
商标。
SJ20212—92
注:CY401型1~9pF的电容器标志a项,10~820pF的电容器标志a和b项。CY402型和CY403型的电容器标志a、b、c和d项。CY404型和CY405型的电容器全标志。4质量保证规定
见GJB1313第4章。
5交货准备
见GJB1313第3.5.7条。
6说明
见GJB1313第6章
附加说明:
本规范由机械电子工业部提出。本规范由军用电子元件标准化技术委员会规口。本规范由中国电子技术标准化研究所和4320厂共同起草。本规范主要起草人:翟光、惠桂荣、韩普选。计划项目代号:B02011。
小提示:此标准内容仅展示完整标准里的部分截取内容,若需要完整标准请到上方自行免费下载完整标准文档。

标准图片预览:





- 热门标准
- 电子行业标准(SJ)
- SJ/T31421-1994 双推板式电热隧道窑完好要求和检查评定方法
- SJ/T10407-1993 摄像管外形图的绘制
- SJ/T11349-2006 二维条码 网格矩阵码
- SJ50065.6-1998 JMW-270M型有可靠性指标的微型密封磁保持继电器详细规范
- SJ993-75 双动冲床引伸模 固定板定位板
- SJ1011-1975 手柄翻开式钻模 压板
- SJ/T10304-1992 68XW1215型录像机用主导轴电动机
- SJ796-74 3DG160型NPN硅平面高频小功率高反压三极管
- SJ3039.1-1988 组合冲模 90°特形弯曲刃口合件
- SJ20740-1999 战场侦察雷达性能试验方法
- SJ/T31226-1994 液压剪刀机完好要求和检查评定方法
- SJ/T10519.13-1994 塑料注射模零件 矩形顶杆
- SJ797-74 3DG161型NPN硅平面高频小功率高反压三极管
- SJ991-75 双动冲床引伸模 底座
- SJ1486-79 3CG180型PNP硅外延平面高频小功率高反压三极管
- 行业新闻
请牢记:“bzxz.net”即是“标准下载”四个汉字汉语拼音首字母与国际顶级域名“.net”的组合。 ©2009 标准下载网 www.bzxz.net 本站邮件:bzxznet@163.com
网站备案号:湘ICP备2023016450号-1
网站备案号:湘ICP备2023016450号-1