- 您的位置:
- 标准下载网 >>
- 标准分类 >>
- 机械行业标准(JB) >>
- JB/T 6059.2-1992 机械压力机锻模 组合导套外壳
标准号:
JB/T 6059.2-1992
标准名称:
机械压力机锻模 组合导套外壳
标准类别:
机械行业标准(JB)
标准状态:
现行-
发布日期:
1992-05-05 -
实施日期:
1993-07-01 出版语种:
简体中文下载格式:
.rar.pdf下载大小:
47.35 KB

点击下载
标准简介:
标准下载解压密码:www.bzxz.net
本标准规定了机械压力机锻模组合导套外壳的结构、尺寸、材料、热处理及标记。 JB/T 6059.2-1992 机械压力机锻模 组合导套外壳 JB/T6059.2-1992

部分标准内容:
中华人民共和国机械行业标准
机械压力机锻模
1主题内容与适用范围
组合导套外壳
JB/T 6059.2--92
本标准规定了机械压力机锻模组合导套外壳的结构、尺寸、材料、热处理及标记。本标准适用于机械压力机锻模组合导套外壳,也适用于其他锻模组合导套外壳。2 引用标准
GB 699
优质碳素结构钢
1技术条件
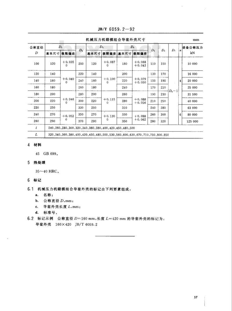
3结构与尺寸
结构装配图见图1,结构见图2、尺寸见表。JB/T 6059.5
组合导套结构装配图
中华人民共和国机械电子工业部1992-05-05批准JB/ T 6059.2
GB 71-85
JB/T 6059.3
JB/T 6059.1
2—M16×L
GB 71--85
JB/T 6059 4
M12X40
GB7582 --86
1993-07-01实施
#M12—7H
标记处
1 X 45°
JB/T 6059.2--92
Da (H9)
3×45°
2X45°
D4(p6)
2×45°
5×45°
图2机械压力机锻模组合导套外壳12.5
其余华
公称直径
基本尺寸
极限偏差
JB/T6059.2—92
机械压力机锻模组合导套外壳尺寸Ds
基本尺寸极限偏差基本尺寸极限偏差120
240、260.280.300、320.340.360、380.400.420、450、480.500Ds
320、340、360、380、400、420、450、480、500、530、560、600、630、670、710、750、800.85045 GB 699.
5热处理
35-~40 HRC.Www.bzxZ.net
6.1机械压力机锻模组合导套外壳的标记由下列要素组成:名称;
公称直径D,mm
导套外壳长度L,mm;
d.标准号。
标记示例
公称直径D二160mm,长度L=420mm的导套外壳的标记为:导套外壳160×420JB/T6059.2
设备公称压力
20 000
125000
小提示:此标准内容仅展示完整标准里的部分截取内容,若需要完整标准请到上方自行免费下载完整标准文档。
机械压力机锻模
1主题内容与适用范围
组合导套外壳
JB/T 6059.2--92
本标准规定了机械压力机锻模组合导套外壳的结构、尺寸、材料、热处理及标记。本标准适用于机械压力机锻模组合导套外壳,也适用于其他锻模组合导套外壳。2 引用标准
GB 699
优质碳素结构钢
1技术条件
3结构与尺寸
结构装配图见图1,结构见图2、尺寸见表。JB/T 6059.5
组合导套结构装配图
中华人民共和国机械电子工业部1992-05-05批准JB/ T 6059.2
GB 71-85
JB/T 6059.3
JB/T 6059.1
2—M16×L
GB 71--85
JB/T 6059 4
M12X40
GB7582 --86
1993-07-01实施
#M12—7H
标记处
1 X 45°
JB/T 6059.2--92
Da (H9)
3×45°
2X45°
D4(p6)
2×45°
5×45°
图2机械压力机锻模组合导套外壳12.5
其余华
公称直径
基本尺寸
极限偏差
JB/T6059.2—92
机械压力机锻模组合导套外壳尺寸Ds
基本尺寸极限偏差基本尺寸极限偏差120
240、260.280.300、320.340.360、380.400.420、450、480.500Ds
320、340、360、380、400、420、450、480、500、530、560、600、630、670、710、750、800.85045 GB 699.
5热处理
35-~40 HRC.Www.bzxZ.net
6.1机械压力机锻模组合导套外壳的标记由下列要素组成:名称;
公称直径D,mm
导套外壳长度L,mm;
d.标准号。
标记示例
公称直径D二160mm,长度L=420mm的导套外壳的标记为:导套外壳160×420JB/T6059.2
设备公称压力
20 000
125000
小提示:此标准内容仅展示完整标准里的部分截取内容,若需要完整标准请到上方自行免费下载完整标准文档。

标准图片预览:



- 其它标准
- 热门标准
- 机械行业标准(JB)
- JB/T6882-2006 泵可靠性验证试验
- JB/T7991.4-2001 电镀超硬磨料制品 磨头
- JB/T10325-2002 锅炉除氧器 技术条件
- JB/T7590-2005 电机用钢质波形弹簧 技术条件
- JB/T8528-1997 普通型阀门电动装置 技术条件
- JB/T8725-1998 旋转接头
- JB/T4022.2-1999 合金铸造性能测定方法 热裂倾向的测定
- JBJ10-1996 机械工厂采暖通风与空气调节设计规范
- JB/T2740-2008 工业机械电气设备 电气图、图解和表的绘制
- JB/T5913-2007 电除尘器 阴极线
- JB/T9272-1999 氨压力表
- JB/T5917-2006 袋式除尘器用滤袋框架
- JB/T10187-2011 滚动轴承 深沟球轴承振动
- JB/T6313.2-1992 电工铜编织线 斜纹编织线
- JB/T9064-1999 盘管 耐压试验与密封性检查
- 行业新闻
请牢记:“bzxz.net”即是“标准下载”四个汉字汉语拼音首字母与国际顶级域名“.net”的组合。 ©2009 标准下载网 www.bzxz.net 本站邮件:bzxznet@163.com
网站备案号:湘ICP备2023016450号-1
网站备案号:湘ICP备2023016450号-1