- 您的位置:
- 标准下载网 >>
- 标准分类 >>
- 机械行业标准(JB) >>
- JB/T 4318.1-1996 卧式带锯床 系列型谱
标准号:
JB/T 4318.1-1996
标准名称:
卧式带锯床 系列型谱
标准类别:
机械行业标准(JB)
英文名称:
Horizontal Band Saw Series标准状态:
已作废-
发布日期:
1996-04-22 -
实施日期:
1996-07-01 出版语种:
简体中文下载格式:
.rar.pdf下载大小:
666.61 KB
部分标准内容:
中华人民共和国机械行业标准
JB/T4318.1-1996
卧式带锯床,
1996-04-22发布
系列型谱
1996-07-01实施
中华人民共和国机械工业部
中华人民共和国机械行业标准
卧式带锯床
主题内容与适用范围
系列型谱
本标准规定了卧式带锯床的系列构成、用途、性能特征、品种和参数,本标准适用于新设计的一般用途的卧式带锯床。引用标准
GB 6079.2
JB/T 4318.3
JB/Z276
系列构成
金属切割带锯条种类、规格与技术要求卧式带锯床精度
金属切削机床
精度分级
卧式带锯床的系列构成如下。
卧式带锯床系列构成
4用途、性能及结构特征
卧式带锯床
机床的型式(铰链式)如图1所示。卧式带锯床(铰链式)
立柱式带锯床
JB/T4318.1-1996
代替JBZ274—86
自动卧式带锯床(铰链式)
自动立柱卧式带锯床
卧式带锯床是基型系列。适用于一般机械、汽车、农机、矿山机械、轴承、桥梁、船舶等制造业的批量生产,主要用来锯削黑色金属的圆料、方料、型材和管料。机床具有可调节的进给系统,可实现定压或定量进给,具有半自动工作循环,当工件截面尺寸较小时,可做成束锯削。机床精度应符合JBT4318.3的规定。机床为JB/Z276规定的V级精度机床。机械工业部1996-04-22批准
JB/T4318.1-1996
1996-07-01实施
机床应具备下列结构特征:
a有夹料装置;
b.有锯带张紧装置:
c.有定长装置。
JB/T 4318.1-1996
根据用户特殊订货,可按协议提供扩大机床性能的特殊附件。自动卧式带锯床
机床具有与相应基型系列相同的用途和性能,还具有自动工作循环,适用于大批量生产。机床除具有相应基型系列的结构特征外,还应具备下列结构特征:a有自动夹料装置;
b.有自动送料装置;
c.有自动定长装置。
3立柱卧式带锯床
机床的型式如图2所示。
立柱卧式带锯床是基型系列。适用于重型通用机械、铸锻、冶金、矿山机械、船舶、桥梁和金属结构等工厂的小批量和单件生产,主要用来锯削尺寸较大的黑色金属型料、方料、圆料等。机床具有可调节的进给系统,可实现定压或定量进给:具有半自动工作循环;具有较好的刚性。机床精度应符合JB/T4318.3的规定。机床为JB/Z276规定的V级精度机床。机床应具备下列结构特征:
a有夹料装置:
b.有锯带张紧装置:
c.有定长装置。
4.4自动立柱卧式带锯床
机床具有与相应基型系列相同的用途和性能,还具有自动工作循环,适用于大批量生产。机床除具有相应基型系列的结构特征外,还应具备下列结构特征:a有自动夹料装置:
b.有自动送料装置:
c.有自动定长装置。
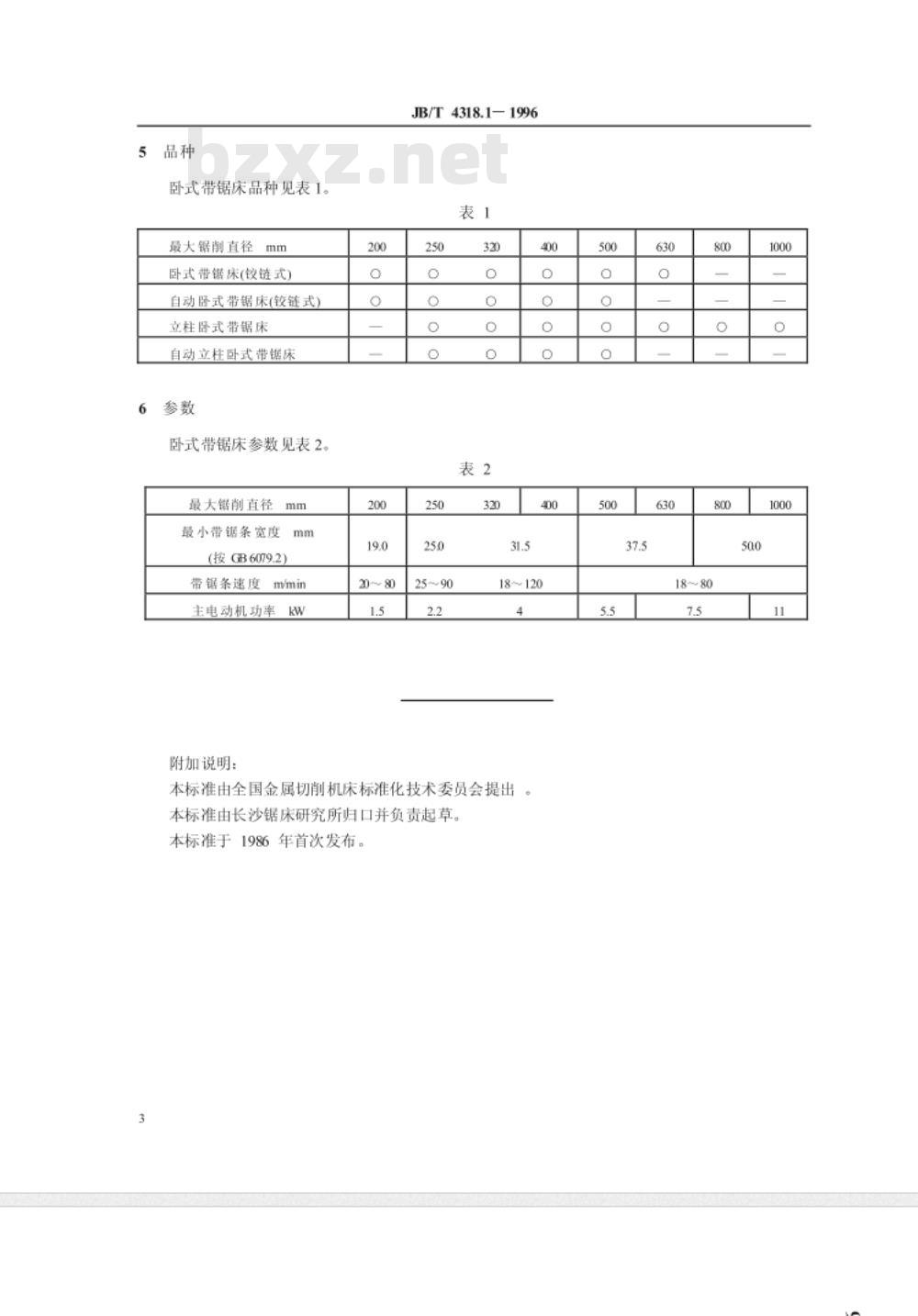
卧式带锯床品种见表1。
最大锯削直径mm
卧式带锯床(铰链式)
自动卧式带锯床(铰链式)
立柱卧式带锯床
自动立柱卧式带锯床
卧式带锯床参数见表2。Www.bzxZ.net
最大错削直径
最小带锯条宽度
(按GB6079.2)
带锯条速度
主电动机功率kw
附加说明:
20 ~ 80
JB/T 4318.1-1996
本标准由全国金属切削机床标准化技术委员会提出本标准由长沙锯床研究所归口并负责起草。本标准于1986年首次发布。
中华人民共和国
机械行业标准
卧式带锯床系列型谱
JB/T 431811996
机械科学研究院出版发行
机械科学研究院印剧
(北京首体南路2号
邮编100044)
开本880×1230
1/16印张1/2
字数6000
1996年10月第一次印别
1996年10月第一版
印数1-500
定价500元
96- 042
机械工业标准服务网:http:/ivwwJB.ac.cn681
小提示:此标准内容仅展示完整标准里的部分截取内容,若需要完整标准请到上方自行免费下载完整标准文档。
JB/T4318.1-1996
卧式带锯床,
1996-04-22发布
系列型谱
1996-07-01实施
中华人民共和国机械工业部
中华人民共和国机械行业标准
卧式带锯床
主题内容与适用范围
系列型谱
本标准规定了卧式带锯床的系列构成、用途、性能特征、品种和参数,本标准适用于新设计的一般用途的卧式带锯床。引用标准
GB 6079.2
JB/T 4318.3
JB/Z276
系列构成
金属切割带锯条种类、规格与技术要求卧式带锯床精度
金属切削机床
精度分级
卧式带锯床的系列构成如下。
卧式带锯床系列构成
4用途、性能及结构特征
卧式带锯床
机床的型式(铰链式)如图1所示。卧式带锯床(铰链式)
立柱式带锯床
JB/T4318.1-1996
代替JBZ274—86
自动卧式带锯床(铰链式)
自动立柱卧式带锯床
卧式带锯床是基型系列。适用于一般机械、汽车、农机、矿山机械、轴承、桥梁、船舶等制造业的批量生产,主要用来锯削黑色金属的圆料、方料、型材和管料。机床具有可调节的进给系统,可实现定压或定量进给,具有半自动工作循环,当工件截面尺寸较小时,可做成束锯削。机床精度应符合JBT4318.3的规定。机床为JB/Z276规定的V级精度机床。机械工业部1996-04-22批准
JB/T4318.1-1996
1996-07-01实施
机床应具备下列结构特征:
a有夹料装置;
b.有锯带张紧装置:
c.有定长装置。
JB/T 4318.1-1996
根据用户特殊订货,可按协议提供扩大机床性能的特殊附件。自动卧式带锯床
机床具有与相应基型系列相同的用途和性能,还具有自动工作循环,适用于大批量生产。机床除具有相应基型系列的结构特征外,还应具备下列结构特征:a有自动夹料装置;
b.有自动送料装置;
c.有自动定长装置。
3立柱卧式带锯床
机床的型式如图2所示。
立柱卧式带锯床是基型系列。适用于重型通用机械、铸锻、冶金、矿山机械、船舶、桥梁和金属结构等工厂的小批量和单件生产,主要用来锯削尺寸较大的黑色金属型料、方料、圆料等。机床具有可调节的进给系统,可实现定压或定量进给:具有半自动工作循环;具有较好的刚性。机床精度应符合JB/T4318.3的规定。机床为JB/Z276规定的V级精度机床。机床应具备下列结构特征:
a有夹料装置:
b.有锯带张紧装置:
c.有定长装置。
4.4自动立柱卧式带锯床
机床具有与相应基型系列相同的用途和性能,还具有自动工作循环,适用于大批量生产。机床除具有相应基型系列的结构特征外,还应具备下列结构特征:a有自动夹料装置:
b.有自动送料装置:
c.有自动定长装置。
卧式带锯床品种见表1。
最大锯削直径mm
卧式带锯床(铰链式)
自动卧式带锯床(铰链式)
立柱卧式带锯床
自动立柱卧式带锯床
卧式带锯床参数见表2。Www.bzxZ.net
最大错削直径
最小带锯条宽度
(按GB6079.2)
带锯条速度
主电动机功率kw
附加说明:
20 ~ 80
JB/T 4318.1-1996
本标准由全国金属切削机床标准化技术委员会提出本标准由长沙锯床研究所归口并负责起草。本标准于1986年首次发布。
中华人民共和国
机械行业标准
卧式带锯床系列型谱
JB/T 431811996
机械科学研究院出版发行
机械科学研究院印剧
(北京首体南路2号
邮编100044)
开本880×1230
1/16印张1/2
字数6000
1996年10月第一次印别
1996年10月第一版
印数1-500
定价500元
96- 042
机械工业标准服务网:http:/ivwwJB.ac.cn681
小提示:此标准内容仅展示完整标准里的部分截取内容,若需要完整标准请到上方自行免费下载完整标准文档。
标准图片预览:





- 其它标准
- 热门标准
- 机械行业标准(JB)
- JB/T9396-1999 环块磨损试验机 技术条件
- JB/T450-1992 PN16.0~32.0MPa锻造角式高压阀门、管件、紧固件 技术条件
- JB/T6664.2-1993 自吸泵 技术条件
- JB/T7732.1-1995 地膜覆盖机 技术条件
- JB/T5389.1-1995 滚动轴承 轧机用四列圆柱滚子轴承
- JB/T7422.2-1999 立式内圆珩磨机 精度检验
- JB/T8022.1-1999 机床夹具零件及部件 内涨器
- JB/T9272-1999 氨压力表
- JB/T7273.8-1994 背面波纹手轮
- JB/T11340.3-2012 阀控式铅酸蓄电池安全阀 第3部分:橡胶帽、阀芯
- JB/T5810-1991 电机磁极线圈及磁场绕组匝间绝缘试验规范
- JB/T6619.1-1999 轻型机械密封 技术条件
- JB/T1375-1992 汽车起重机和轮胎起重机 分类
- JB/T5166-1991 方草捆压捆机 试验方法
- JB/T7840-1995 YZRW系列起重及冶金用涡流制动绕线转子三相异步电动机 技术条件
- 行业新闻
请牢记:“bzxz.net”即是“标准下载”四个汉字汉语拼音首字母与国际顶级域名“.net”的组合。 ©2025 标准下载网 www.bzxz.net 本站邮件:bzxznet@163.com
网站备案号:湘ICP备2025141790号-2
网站备案号:湘ICP备2025141790号-2