- 您的位置:
- 标准下载网 >>
- 标准分类 >>
- 化工行业标准(HG) >>
- HG/T 2352-1992 磁浆过滤用线绕式滤芯
标准号:
HG/T 2352-1992
标准名称:
磁浆过滤用线绕式滤芯
标准类别:
化工行业标准(HG)
英文名称:
Wire wound filter element for magnetic slurry filtration标准状态:
现行-
发布日期:
1992-07-20 -
实施日期:
1993-03-01 出版语种:
简体中文下载格式:
.rar.pdf下载大小:
144.29 KB
部分标准内容:
中华人民共和国化工行业标准
磁浆过滤用线绕式滤芯
主题内容与适用范围
本标准规定了磁浆过滤用线绕式滤芯的技术要求、测试方法及检验规则。本标准适用于磁记录行业磁浆过滤用滤芯2引用标准
GB6388运输包装收发货标志
GJB420飞机液压系统用油液固体污染度分级HG/T2353.1磁浆过滤用滤芯过滤精度测试方法HG/T2353.2磁浆过滤用滤芯流量测试方法HG/T2353.3磁浆过滤用滤芯
纳污量测试方法
HG/T2353.4.磁浆过滤用滤芯相容性测试方法HG/T2353.5磁浆过滤用滤芯耐压强度测试方法3术语
3.1最大尺寸颗粒通过度
对某尺寸颗粒过滤效率达99%时,该尺寸为最大尺寸颗粒通过度3.2初始过滤精度
新滤芯对某尺寸颗粒过滤效率达95%时,该尺寸为初始过滤精度,3.3公称精度
滤芯初始过滤精度档次的标称,3.4流量
在给定压力降下,试验液体在单位时间内通过洁净滤芯的容积,3.5耐压强度
滤芯所能承受的最大工作压差值,3.6污染浓度
每100mL试验液中含有所指尺寸颗粒的数量。3.7清洁度
滤芯本身被污染的程度,
3.8纳污量
滤芯在使用寿命期内所能容纳的杂质量(以克表示)。3.9视在纳污量
当试验系统压力降达到额定值时,试验粉末的总添加量,3.10相容性
在给定条件下,滤芯与某一指定液体相接触后不产生过滤性能降低的现象。中华人民共和国化学工业部1992-07-20批准标准授网wm.boso.ccm名类标准行业资科免费下装HG/T 2352
1993-03-01实施
4产品分类
HG/T2352-92
4.1线绕式滤芯按滤材种类分为三种,即:聚丙烯纤维(丙纶)线绕式滤芯
脱脂棉线绕式滤芯
聚丙烯腈纤维 (腊纶)线绕式滤芯4.2滤芯公称精度系列包括0.5、0.8、1、3、5、10、20zm。5技术要求
5.1外观
滤芯外观不得有明显缺陷。滤芯滤线应线径均匀、排列整齐、端头平蒸5.2外形尺寸与形位公差
5.2.1外形尺寸
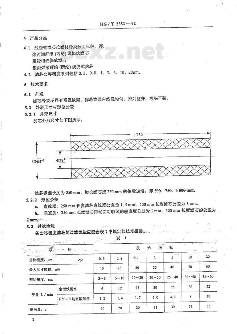
滤芯外形尺寸如下图所示,
滤芯标准长度为250mm,加长滤芯按250mm的倍数递增,即500、750、1000rum5.2.2形位公差
直线度:250mm长度滤芯直线度公差为1.5mm;500mm长度滤芯公差为3mm,a.
垂直度:250mm长度滤芯两端面对轴线的垂直度公差为1mm;500mm长度滤芯的公差为b.
5.3过滤性能
各公称精度滤芯的过滤性能应符会表1中规定的技术指标表1
公称精度,uim
最大尺寸颗粒,um
初始精度,um
生活饮用水
流量L/min
纳污量,g
HY-10航空液压油
标准搅授网we.bztoso.ccm各类标准行业统料免费下载标
耐压强度,MPa
清洁度,级
相容性
HG/T2352-92
续表1
注:表1中所列流量值为0.015MPa压力降时的流量,腈纶纤维线绕式滤芯高于表列值1.3倍;脱脂棉线绕式滤芯则为表列值的0.6倍。
6测试方法
6.1外观
滤芯外观质量检验采用自测的方法,6.2直线度
将滤芯乎放在检验平台上,沿圆周滚动并检查最大缝隙,将塞尺塞人缝隙测量出差值,6.3垂直度
将滤芯直立在检验平台上,使角尺靠近滤芯外表面,检测滤芯轴线同两端面的垂直度,6.4最大尺寸颗粒通过度
.滤芯最大尺寸颗粒通过度按照HG/T2353.1中规定方法进行测试。6.5初始精度
滤芯初始精度按照HG/T2353.1中规定方法进行测试。6.6流量
滤芯过滤流量按照HG/T2353.2中规定方法进行测试,6.7纳污量
滤芯纳污量按照HG/T2353.3中规定方法进行测试6.8耐压强度
滤芯耐压强度按照HG/T2353.5中规定方法进行测试6.9相容性
滤芯相容性按照HG/T2353.4中规定方法进行检验。6.10清洁度
首先,按照HG/T2353.1第6章中方法测定C值,再按照GJB420的规定确定滤芯清洁度。7
检验规则
产品检验分出厂检验(交收检验)和型式检验(例行检验)两种。7.1出厂检验
产品出厂前必须进行质量检验,出厂检验由出生产厂技术检验(质量监督)部门进行.必要时,可由供需双方联合进行,
7.2型式检验
对产品质量进行全面考核,称为型式检验,由生产厂技术检验部门按本标准规定的技术要求逐项检验。
有下列情况之一时,必须做型式检验,每种线绕式滤芯定型鉴定或转厂生产;3
标准换按网maibxxcne.comHG/T2352—92
正式生产后,加改变结构、工艺、原材料或长期停产后恢复生产时;b.免费标准bzxz.net
出广检验结果与上次型式检验结果有较大差异时;c
国家质量监督部门提出要求时,d.
7.3接收检验
接收检验应在贷到之日起一个月内进行。由用户单位按出厂检验或合同规定项目进行检验。必要时,可由供需双方联合进行。7.4抽样方案
采用随机抽样方式,按批抽样检验。检查批量由生产厂决定,一般以生产批为检查批,7.5检验项目
检验项目见表2。
检验项目
外观、外形尺寸与形位公差
最大尺寸颗粒
初始猜度
纳污墅
耐压强度
清洁度
相容性
受检产品
生产的所有产品
每种材质的各规格产品
每种材质的某一长度产品
生产的所有产品
每种材质的某一产品
注:按0.3%抽样方案,受检产品不足1000支时亦抽检3支。7.6判定规则
7.6.1外观、外形尺寸与形位公差经检验不合格的产品不允许出厂。7.6.2初始精度、最大尺寸颗粒、纳污量经检验其中一项不达标则为该公称精度级的不合格品。7.6.3流量
经检验达不到标准值则为不合格品,7.6.4耐压强度、相容性
经检验其中一项不达标则为该材质滤芯的不合格品。抽检周期
30天~180天
更换材料
抽样率
7.6.5合格批判定
经检验有1支不合格品,应加倍抽样复检,复检合格则判整批合格;复检仍有不合格品时,判整批不合格。
8标志、包装、运输及贮存
8.1标志
8.1.1每支滤芯应用适当方式注明商标、产品名称、型号、规格、材质及生产厂名,4
标准换按网maibxxcnc.comHG/T235292
8.1.2外包装箱上应按GB6388规定注明收发货标志,8.2包装
8.2.1,每支滤芯用透明塑料袋封装。8.2.2外包装用瓦楞纸箱,内垫塑料薄膜或牛皮纸,8.2.3每箱内放人产品合格证、说明书等随运文件,捆扎封箱。8.3运输及贮存
8.3.1滤芯应箱式或遮蓬运输,运输过程中应防湿。8.3.2滤芯应在干燥、清洁的库房内贮存,附加说明:
本标准由中华人民共和国化学工业部科技司提出本标准由化学工业部磁性记录材料标准化技术归口单位归口,本标准由机械电子工业部第十设计院、航空航天部116厂、上海新泾过滤设备厂起草本标准主要起草人隋永义,
标准提换网w,hzaoeo.oum各类标准行业资料竞费下教
小提示:此标准内容仅展示完整标准里的部分截取内容,若需要完整标准请到上方自行免费下载完整标准文档。
磁浆过滤用线绕式滤芯
主题内容与适用范围
本标准规定了磁浆过滤用线绕式滤芯的技术要求、测试方法及检验规则。本标准适用于磁记录行业磁浆过滤用滤芯2引用标准
GB6388运输包装收发货标志
GJB420飞机液压系统用油液固体污染度分级HG/T2353.1磁浆过滤用滤芯过滤精度测试方法HG/T2353.2磁浆过滤用滤芯流量测试方法HG/T2353.3磁浆过滤用滤芯
纳污量测试方法
HG/T2353.4.磁浆过滤用滤芯相容性测试方法HG/T2353.5磁浆过滤用滤芯耐压强度测试方法3术语
3.1最大尺寸颗粒通过度
对某尺寸颗粒过滤效率达99%时,该尺寸为最大尺寸颗粒通过度3.2初始过滤精度
新滤芯对某尺寸颗粒过滤效率达95%时,该尺寸为初始过滤精度,3.3公称精度
滤芯初始过滤精度档次的标称,3.4流量
在给定压力降下,试验液体在单位时间内通过洁净滤芯的容积,3.5耐压强度
滤芯所能承受的最大工作压差值,3.6污染浓度
每100mL试验液中含有所指尺寸颗粒的数量。3.7清洁度
滤芯本身被污染的程度,
3.8纳污量
滤芯在使用寿命期内所能容纳的杂质量(以克表示)。3.9视在纳污量
当试验系统压力降达到额定值时,试验粉末的总添加量,3.10相容性
在给定条件下,滤芯与某一指定液体相接触后不产生过滤性能降低的现象。中华人民共和国化学工业部1992-07-20批准标准授网wm.boso.ccm名类标准行业资科免费下装HG/T 2352
1993-03-01实施
4产品分类
HG/T2352-92
4.1线绕式滤芯按滤材种类分为三种,即:聚丙烯纤维(丙纶)线绕式滤芯
脱脂棉线绕式滤芯
聚丙烯腈纤维 (腊纶)线绕式滤芯4.2滤芯公称精度系列包括0.5、0.8、1、3、5、10、20zm。5技术要求
5.1外观
滤芯外观不得有明显缺陷。滤芯滤线应线径均匀、排列整齐、端头平蒸5.2外形尺寸与形位公差
5.2.1外形尺寸
滤芯外形尺寸如下图所示,
滤芯标准长度为250mm,加长滤芯按250mm的倍数递增,即500、750、1000rum5.2.2形位公差
直线度:250mm长度滤芯直线度公差为1.5mm;500mm长度滤芯公差为3mm,a.
垂直度:250mm长度滤芯两端面对轴线的垂直度公差为1mm;500mm长度滤芯的公差为b.
5.3过滤性能
各公称精度滤芯的过滤性能应符会表1中规定的技术指标表1
公称精度,uim
最大尺寸颗粒,um
初始精度,um
生活饮用水
流量L/min
纳污量,g
HY-10航空液压油
标准搅授网we.bztoso.ccm各类标准行业统料免费下载标
耐压强度,MPa
清洁度,级
相容性
HG/T2352-92
续表1
注:表1中所列流量值为0.015MPa压力降时的流量,腈纶纤维线绕式滤芯高于表列值1.3倍;脱脂棉线绕式滤芯则为表列值的0.6倍。
6测试方法
6.1外观
滤芯外观质量检验采用自测的方法,6.2直线度
将滤芯乎放在检验平台上,沿圆周滚动并检查最大缝隙,将塞尺塞人缝隙测量出差值,6.3垂直度
将滤芯直立在检验平台上,使角尺靠近滤芯外表面,检测滤芯轴线同两端面的垂直度,6.4最大尺寸颗粒通过度
.滤芯最大尺寸颗粒通过度按照HG/T2353.1中规定方法进行测试。6.5初始精度
滤芯初始精度按照HG/T2353.1中规定方法进行测试。6.6流量
滤芯过滤流量按照HG/T2353.2中规定方法进行测试,6.7纳污量
滤芯纳污量按照HG/T2353.3中规定方法进行测试6.8耐压强度
滤芯耐压强度按照HG/T2353.5中规定方法进行测试6.9相容性
滤芯相容性按照HG/T2353.4中规定方法进行检验。6.10清洁度
首先,按照HG/T2353.1第6章中方法测定C值,再按照GJB420的规定确定滤芯清洁度。7
检验规则
产品检验分出厂检验(交收检验)和型式检验(例行检验)两种。7.1出厂检验
产品出厂前必须进行质量检验,出厂检验由出生产厂技术检验(质量监督)部门进行.必要时,可由供需双方联合进行,
7.2型式检验
对产品质量进行全面考核,称为型式检验,由生产厂技术检验部门按本标准规定的技术要求逐项检验。
有下列情况之一时,必须做型式检验,每种线绕式滤芯定型鉴定或转厂生产;3
标准换按网maibxxcne.comHG/T2352—92
正式生产后,加改变结构、工艺、原材料或长期停产后恢复生产时;b.免费标准bzxz.net
出广检验结果与上次型式检验结果有较大差异时;c
国家质量监督部门提出要求时,d.
7.3接收检验
接收检验应在贷到之日起一个月内进行。由用户单位按出厂检验或合同规定项目进行检验。必要时,可由供需双方联合进行。7.4抽样方案
采用随机抽样方式,按批抽样检验。检查批量由生产厂决定,一般以生产批为检查批,7.5检验项目
检验项目见表2。
检验项目
外观、外形尺寸与形位公差
最大尺寸颗粒
初始猜度
纳污墅
耐压强度
清洁度
相容性
受检产品
生产的所有产品
每种材质的各规格产品
每种材质的某一长度产品
生产的所有产品
每种材质的某一产品
注:按0.3%抽样方案,受检产品不足1000支时亦抽检3支。7.6判定规则
7.6.1外观、外形尺寸与形位公差经检验不合格的产品不允许出厂。7.6.2初始精度、最大尺寸颗粒、纳污量经检验其中一项不达标则为该公称精度级的不合格品。7.6.3流量
经检验达不到标准值则为不合格品,7.6.4耐压强度、相容性
经检验其中一项不达标则为该材质滤芯的不合格品。抽检周期
30天~180天
更换材料
抽样率
7.6.5合格批判定
经检验有1支不合格品,应加倍抽样复检,复检合格则判整批合格;复检仍有不合格品时,判整批不合格。
8标志、包装、运输及贮存
8.1标志
8.1.1每支滤芯应用适当方式注明商标、产品名称、型号、规格、材质及生产厂名,4
标准换按网maibxxcnc.comHG/T235292
8.1.2外包装箱上应按GB6388规定注明收发货标志,8.2包装
8.2.1,每支滤芯用透明塑料袋封装。8.2.2外包装用瓦楞纸箱,内垫塑料薄膜或牛皮纸,8.2.3每箱内放人产品合格证、说明书等随运文件,捆扎封箱。8.3运输及贮存
8.3.1滤芯应箱式或遮蓬运输,运输过程中应防湿。8.3.2滤芯应在干燥、清洁的库房内贮存,附加说明:
本标准由中华人民共和国化学工业部科技司提出本标准由化学工业部磁性记录材料标准化技术归口单位归口,本标准由机械电子工业部第十设计院、航空航天部116厂、上海新泾过滤设备厂起草本标准主要起草人隋永义,
标准提换网w,hzaoeo.oum各类标准行业资料竞费下教
小提示:此标准内容仅展示完整标准里的部分截取内容,若需要完整标准请到上方自行免费下载完整标准文档。
标准图片预览:





- 其它标准
- 热门标准
- 化工行业标准(HG)
- HG/T20518-2008 化工粉体工程设计通用规范
- HG∕T5056-2016 GB 7544在天然橡胶胶乳避孕套质量管理中的使用指南
- HG/T3219-2009 代替 HG/T 3219-1999 搪玻璃平面阀
- HG/T2956.5-2001 硼镁矿石中氧化亚铁含量的测定重铬酸钾 容量法
- HG/T2017-2011 代替 HG/T 2017-2000 普通运动鞋
- HG/T3276-2019 代替 HG/T 3276-2012 腐植酸铵肥料分析方法
- HG/T5036-2016 常温有机硫转化吸收催化剂催化性能试验方法
- HG/T3449-1999 化学试剂 甲基红
- HG/T2371-2003 代替 HG/T 2371-1992 搪玻璃开式搅拌容器
- HG/T4221-2011 双组分室温硫化有机硅模具胶
- HG/T3459-2003 化学试剂 顺丁烯二酸酐
- HG/T4323-2012 循环冷却水中军团菌的检测与计数
- HG/T3431-2010 代替 HG/T 3431-2001 酸性红 R(C. I. 酸性红 18)
- HG/T22805.1-2016 代替 HG 22805.1-1993 化工矿山企业施工图设计内容和深度的规范一地质●采矿专业
- HG/T4019-2008 化学试剂 间甲酚紫
- 行业新闻
请牢记:“bzxz.net”即是“标准下载”四个汉字汉语拼音首字母与国际顶级域名“.net”的组合。 ©2025 标准下载网 www.bzxz.net 本站邮件:bzxznet@163.com
网站备案号:湘ICP备2025141790号-2
网站备案号:湘ICP备2025141790号-2