- 您的位置:
- 标准下载网 >>
- 标准分类 >>
- 电子行业标准(SJ) >>
- SJ/T 10767-1996 音响设备用圆形连接器详细规范 YS2型圆形连接器(可供认证用)

【电子行业标准(SJ)】 音响设备用圆形连接器详细规范 YS2型圆形连接器(可供认证用)
本网站 发布时间:
2024-07-14 12:20:58
- SJ/T10767-1996
- 现行
- 点击下载此标准
标准号:
SJ/T 10767-1996
标准名称:
音响设备用圆形连接器详细规范 YS2型圆形连接器(可供认证用)
标准类别:
电子行业标准(SJ)
标准状态:
现行-
发布日期:
1996-11-20 -
实施日期:
1997-01-01 出版语种:
简体中文下载格式:
.rar.pdf下载大小:
331.86 KB
替代情况:
原标准号GB 5819.2-1986

点击下载
标准简介:
标准下载解压密码:www.bzxz.net
本标准适用于YS2型音响设备用圆形连接器,它符合GB5818-86《音响设备用圆形连接器总规范》的要求。中国电子器件质量认证委员会标准机构是中国电子技术标准化研究所。 SJ/T 10767-1996 音响设备用圆形连接器详细规范 YS2型圆形连接器(可供认证用) SJ/T10767-1996

部分标准内容:
中华人民共和国国家标准
音响设备用圆形连接器详细规范YS2型圆形连接器
Detail speciflication of circular connectors forradio and associatedsound equipmentYSz type circular connectors(可供认证用)
UDC621.315.68
.029.42:621
.316.541.001.4
GB5819.2-86
降为SJ/T10767-96
本标准适用于YS2型音响设备用圆形连接器,它符合GB5818—86《音响设备用圆形连接器总规范》的要求。
中国电子元器件质量认证委员会标准机构是中国电子技术标准化研究所。国家标准局1986-01-24发布
TTTKKAca
1986-09-01试行
国家标准局
电子元器件的质量评定按:
GB5818—86《音响设备
用圆形连接器总规范》
外形图(见图1至图3)
GB5819.2-86
GB5819.2—86
音响设备用圆形连接器详细
规范YS2型圆形连接器
固定连接器(插座)与自由端连接器(插头)之间为直插钢珠锁定连接。接触件为锡焊接型
按本详细规范鉴定合格的元器件的有效资料列在鉴定合格产品一览表中免费标准下载网bzxz
第一章一般资料
1—般资料
1.1有关文件
下列文件的有效版本,在本规范引用的范围内,构成本规范的一部分。GB5095—85《电子设备用机电元件基本试验规程及测量方法》:GB5818--86《音响设备用圆形连接器总规范》GB514685《音响设备用圆形连接器型号命名方法》。1.2主要性能额定值
1.2.1气候类别
55/85/04
1.2.2额定值
额定电压
额定电流
温度范围
55~+85℃
1.2.3试验电压
在试验标准大气条件下,允许的最大试验电压为1000V(交流有效值)。恒定湿热
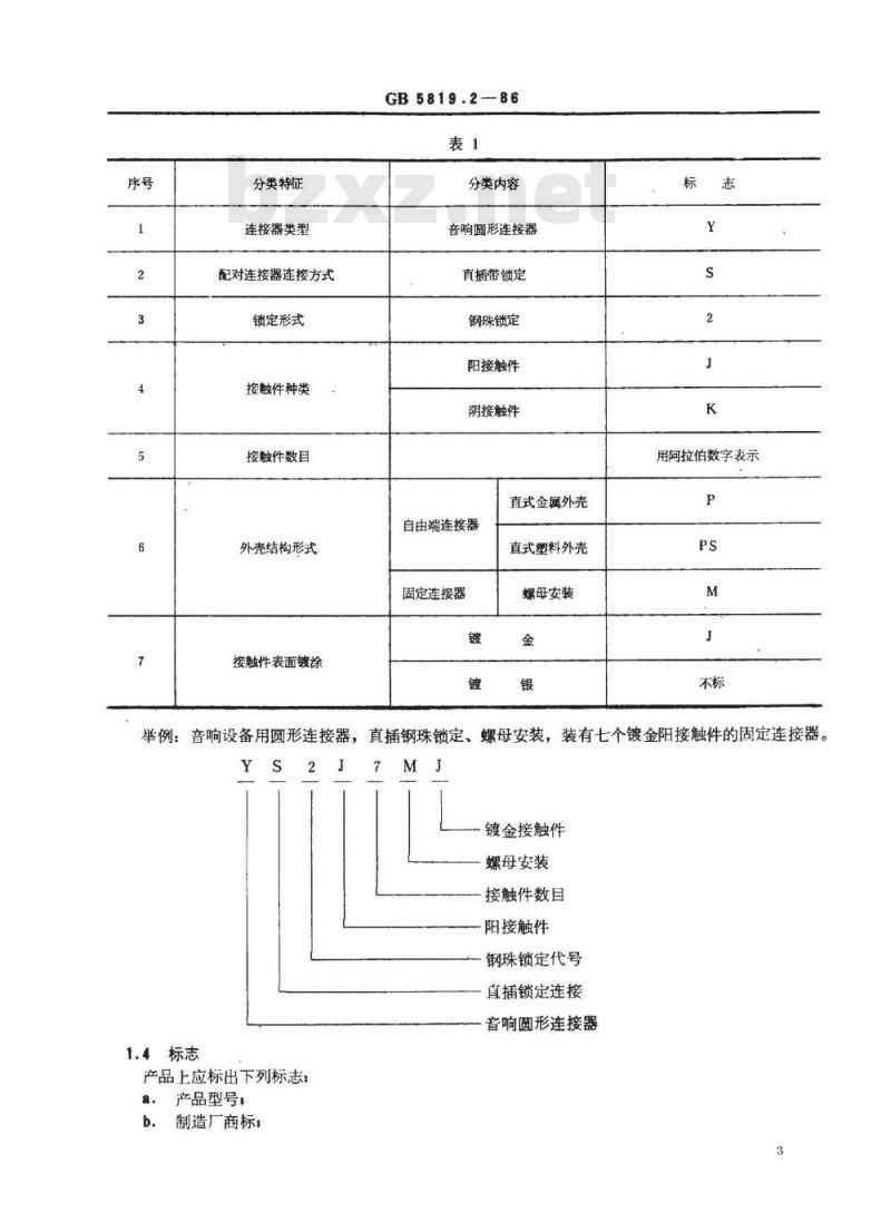
1.3产品型号命名
拟照GB5146一85《音响设备用厕形连接器型号命名方法》的规定,本连接器的型号命名方法如表1所示。
YYKAONTKa
分类特征
连接器类型
配对连接器连接方式
锁定形式
接触件种类
接触件数目
外壳结构形式
接触件表面镀涂
举例:音响设备用圆形连接器,s
1.4标志
产品上应标出下列标志:
a:产品型号:
制造厂商标:
GB5819.2—86
分类内容
音响圆形连接器
直插带锁定
钢珠锁定
阳接触件
阴接触件
直式金属外壳
自由端连接器
直式塑料外壳
固定连接器
螺母安装
用阿拉伯数字表示
直插钢珠锁定、螺母安装,装有七个镀金阳接触件的固定连接器。7
镀金接触件
螺母安装
接触件数目
一阳接触件
钢珠锁定代号
直插锁定连接
音响圆形连接器
YYKAONTKa
GB5819.2-86
生产年、月。
鉴定批准的产品应标出相应的标志符号。1.5订货资料
8.本规范的名称、编号及发布日期,完整的型号标志,
c.防护包装要求。
1.6接触件排列位置及产品规格型号接触件的排列位置及产品规格型号如表2所示。表2
接触件
接触件位置
3.5±0.05
10-8:05
YYKAONYKa
固定连接器
YS2J3M
YS2J3MJ
自由端连接器
YS2K3P
YS2K3PS
YS2K3PJ
YS2K3PSJ
接触件位置
5.6±0.05
GB5819.2--86
续表2
接触件
固定连接器
YS2J7M
YS2J7MJ
注:接触件编号是从自由端连接器插合面看的,在插合面和接线端都应标出。1.7
连接器型式及尺寸
1.7.1连接器的结构型式及尺寸如图1~2所示。锁定套简
「处放大
图1.自由端连接器结构及尺寸
YYKAONrKa
自由端连接器
YS2K7P
YS2K7PS
YS2K7PJ
YS2K7PSJ
GB5819.2-86
图2固定连接器结构及尺寸
Φ14-8
注:①图中只给出了七个接触件的连接器的结构及尺寸,三个接触件的连接器除更换绝缘安装板外,其他结构及尺寸与七个接触件的连接器相同。③锁定套简用金属材料加工时,内径尺寸为中1.8+8:品,采用塑料加工时内径尺寸为14.68:1。锁定0.18
套简压缩量应不小于3.5mm。
③钢珠锁定结构采用浮动结构,当配对连接器刚插人时,钢珠向外浮动,三个钢珠形成的外轮廓尺寸应大于锁定套筒的内径尺寸:插到位后,钢珠应向让位槽内浮动,三钢珠形成的外轮廓尺寸应小于锁定套管内径尺寸。这时锁定套简应在弹簧压力下恢复到自由状态。④未标注尺寸的结构细节,在配合互换性、安装互换性和性能不受影响的情况下可以变更。1.7.2连接器阳接触件(插针)尺寸如图3所示。球R0.5
图3阳接触件尺寸
阴接触件(插孔)尺寸及悬臂结构按表3的鉴定试验表中规定的单脚分离力来确定。1.8标准量规
标准量规用于测量单脚分离力和预插用。6
YYKAONTKAa
2检验要求
GB5819.2—86
用于预插时尺寸A为±0.98+9.005用于测量单脚分离时尺寸1为
p0.95-0.os
图4标准量规
量规材料:碳素工具钢,热处理:淬火、回火:HRC55~60;量规重最:50±1g,表面粗糙度:R=0.16~0.25μm第二章检验要求
2.1程序
2.1.1对于鉴定批准程序应符合GB5818一86《音响设备用圆形连接器总规范》3.4条的规定,具体的试验条件和要求应符合本规范表3的规定。2.1.2质量一致性试验的抽样、试验期限应符合GB5818一86中3.5条的规定,具体试验要求应符合本规范表4的规定。
试验组和项目
外观检查
尺寸检查
接触电阻
绝缘电阻
GB5095—85
试验号
表3鉴定批准试验一览表
试验条件
本规范1.4,1.6和1.7条
本规范1.6和1.7条
每对连接器测两对接触件*
100±10V,方法C
试验电压:1000V(AC,有效值),方法B
*其他组的接触电阻测量亦应在这两对接触件上进行。YYKAONTKAa
应无影响连接器功能的损坏
应符合相应图样
0.01Q(最大值)
1000Mα(最小值)
应无击穿和飞弧
试验组和项目
单脚分离力
插人力和拨出力
温度急变
试验后测量:
绝缘电阻
外观检查
高温绝缘电阻
交变湿热
试验后测量:
绝缘电阻
插入力和拨出力
外观检查
插入力和拨出力
机械操作
试验后测最:
接触电阻
GB5095—85
试验号
GB5819.2-86
续表3
试验条件
方法A,标准量规见本规范图4
拆掉锁定套筒
连接器插合好而不动作,每一温度承受30min,5次循环
500V(AC,有效值),方法B
100±10V,方法C
连接器插合好,持续时间:2h
100±10V,方法C
+40±2 C时,相对湿度:93-3%,持续时间:10天
-55.9c,持续时间:2 h
500V(AC,有效值),方法B
100±10V,方法C
拆掉锁定套筒
拆掉锁定套筒
1000次,操作速度每小时不超过300次
500V(AC,有效值),方祛B
YYKAONTKAa
量规应被夹持住
20N(最大值)
2.5N(最小值)
45N(最大值)
5.6N(最小值)
低温-55-。℃
a+g-。
应无击穿和飞弧
200MQ(最小值)
应无影响连接器功能的损坏
200MQ(最小值)
应无击穿和飞弧
10M(最小值)
20N(最大值)
2.5N(最小值)
45N(最大值)
5.6N(最小值)
应无影响连接器功能的损坏
20N(最大值)
2.5N(最小值)
45N(最大值)
5.6N(最小值)
0.029(最大值)
试验组和项目
绝缘电阻
插人力和拨出力
外观检查
电缆夹抗电缆拉力的
外观检查
恒定湿热
试验后测量:
绝缘电阻
接触电阻
外观检查
电负荷和温度
高温绝缘电阻
试验后测量:
接触电阻
绝缘电阻
外观检查
GB5095—85
试验号
GB5819.2-86
续表3
试验条件
100±10V,方法C
拆掉锁定套筒
沿轴向加力50N,持续时间:
100s,适用的电缆直径为
Φ5.5±0.15mm,芯线不连接
+40±2℃时,相对湿度:
93±%,持续时间:4天
100±10V,方法C
500V(AC,有效值),方法B
本规范1.5和1.7条等
+60±3℃
100±10V,方法C
500V(AC,有效值),方法B
100±10V,方法C
YYKAONTKAa
200MQ(最小值)
20N(最大值)
2.5N(最小值)
45N(最大值)
5.6N(最小值)
应无影响连接器功能的损坏
电缆相对于电缆夹应无位移
电缆外包皮不应有明显损坏
10MQ(最小值)
应无击穿和飞弧
0.0122(最大值)
应无影响连接器功能的损坏
200MQ(最小值)
应无击穿和飞弧
0.0122(最大值)
1000MQ(最小值)
应无影响连接器功能的损坏
试验组和项目
A组(逐批)
A1分组
外观检查
A2分组
尺寸检查
B组(逐批)
B1分组
绝缘电阻
B2分组
单脚分离力
插人力和拨出力
C组(周期)
C1分组
接触电阻
C2分组
机械操作
试验后测量:
接触电阻
绝缘电阻
外观检查
C3分组
恒定湿热
试验后测量:
绝缘电阻
接触电阻
外观检查
GB5095--85
试验号
GB5819.2-86
表4质量一致性试验一览表
试验条件
本规范1.4,1.6和1.7条
本规范1.6和1.7条
100±10V,方法℃
1000V(AC,有效值),
方法B
方法A,标准量规见本规
范图4
1000次,操作速度每小时
不超过300次
100±10V,方法C
+40±2℃时,相对湿
度:93±3%,持续时间:
100±10V,方祛C
500V(AC,有效值),
方法B
重缺陷
(月)
YYKAONTKAa
轻缺陷
允许失
应无影响连接器功能的损坏
应符合相应图样
1000MQ(最小值)
应无击宇和飞弧
量规应被夹持住
同鉴定批准试验1组
0.012(最大值)
0.022(最大值)
200MQ(最小值)
应无影响连接器功能的损坏
10M2(最小值)
应无击穿和飞弧
0.0122(最大值)
应无影响连接器功能的损坏
试验组和项目
D组(周期)
DI分组
单脚分离力
插人力和拔出力
高温绝缘电阻
试验后测最:
绝缘电阻
插人力和拨出力
外观检查
D2分组
电负荷和温度
试验后测量:
接触电阻
外观检查,
附加说明:
GB5095—85
试验号
GB5819.2--86
续表4
试验条件
方法A,标准盈规见本规范
连接器插合好,持续
时间:2h
10Q±10V,方法C
,℃,持续时间:2h
500V(AC,有效值)
方法B
100±10V,方法C
+60±3℃
500V(AC,有效值),
方法B
本规范由中华人民共和国电子工业部提出。周期
(月)
本规范由电子工业部标准化研究所和八五三厂负责起草。本规范主要起草人余玉芳、王三族。YYKAONTKAa
充许失
量规应被夹持住
同鉴定批准试验1组
+85t$c
200MQ(最小值)
应无击穿和飞弧
10MQ(最小值)
同鉴定批准试验1组
应无影响连接器功能的损坏
0.01292(最大值)
应无击穿和飞弧
应无影响连接器功能的损坏
小提示:此标准内容仅展示完整标准里的部分截取内容,若需要完整标准请到上方自行免费下载完整标准文档。
音响设备用圆形连接器详细规范YS2型圆形连接器
Detail speciflication of circular connectors forradio and associatedsound equipmentYSz type circular connectors(可供认证用)
UDC621.315.68
.029.42:621
.316.541.001.4
GB5819.2-86
降为SJ/T10767-96
本标准适用于YS2型音响设备用圆形连接器,它符合GB5818—86《音响设备用圆形连接器总规范》的要求。
中国电子元器件质量认证委员会标准机构是中国电子技术标准化研究所。国家标准局1986-01-24发布
TTTKKAca
1986-09-01试行
国家标准局
电子元器件的质量评定按:
GB5818—86《音响设备
用圆形连接器总规范》
外形图(见图1至图3)
GB5819.2-86
GB5819.2—86
音响设备用圆形连接器详细
规范YS2型圆形连接器
固定连接器(插座)与自由端连接器(插头)之间为直插钢珠锁定连接。接触件为锡焊接型
按本详细规范鉴定合格的元器件的有效资料列在鉴定合格产品一览表中免费标准下载网bzxz
第一章一般资料
1—般资料
1.1有关文件
下列文件的有效版本,在本规范引用的范围内,构成本规范的一部分。GB5095—85《电子设备用机电元件基本试验规程及测量方法》:GB5818--86《音响设备用圆形连接器总规范》GB514685《音响设备用圆形连接器型号命名方法》。1.2主要性能额定值
1.2.1气候类别
55/85/04
1.2.2额定值
额定电压
额定电流
温度范围
55~+85℃
1.2.3试验电压
在试验标准大气条件下,允许的最大试验电压为1000V(交流有效值)。恒定湿热
1.3产品型号命名
拟照GB5146一85《音响设备用厕形连接器型号命名方法》的规定,本连接器的型号命名方法如表1所示。
YYKAONTKa
分类特征
连接器类型
配对连接器连接方式
锁定形式
接触件种类
接触件数目
外壳结构形式
接触件表面镀涂
举例:音响设备用圆形连接器,s
1.4标志
产品上应标出下列标志:
a:产品型号:
制造厂商标:
GB5819.2—86
分类内容
音响圆形连接器
直插带锁定
钢珠锁定
阳接触件
阴接触件
直式金属外壳
自由端连接器
直式塑料外壳
固定连接器
螺母安装
用阿拉伯数字表示
直插钢珠锁定、螺母安装,装有七个镀金阳接触件的固定连接器。7
镀金接触件
螺母安装
接触件数目
一阳接触件
钢珠锁定代号
直插锁定连接
音响圆形连接器
YYKAONTKa
GB5819.2-86
生产年、月。
鉴定批准的产品应标出相应的标志符号。1.5订货资料
8.本规范的名称、编号及发布日期,完整的型号标志,
c.防护包装要求。
1.6接触件排列位置及产品规格型号接触件的排列位置及产品规格型号如表2所示。表2
接触件
接触件位置
3.5±0.05
10-8:05
YYKAONYKa
固定连接器
YS2J3M
YS2J3MJ
自由端连接器
YS2K3P
YS2K3PS
YS2K3PJ
YS2K3PSJ
接触件位置
5.6±0.05
GB5819.2--86
续表2
接触件
固定连接器
YS2J7M
YS2J7MJ
注:接触件编号是从自由端连接器插合面看的,在插合面和接线端都应标出。1.7
连接器型式及尺寸
1.7.1连接器的结构型式及尺寸如图1~2所示。锁定套简
「处放大
图1.自由端连接器结构及尺寸
YYKAONrKa
自由端连接器
YS2K7P
YS2K7PS
YS2K7PJ
YS2K7PSJ
GB5819.2-86
图2固定连接器结构及尺寸
Φ14-8
注:①图中只给出了七个接触件的连接器的结构及尺寸,三个接触件的连接器除更换绝缘安装板外,其他结构及尺寸与七个接触件的连接器相同。③锁定套简用金属材料加工时,内径尺寸为中1.8+8:品,采用塑料加工时内径尺寸为14.68:1。锁定0.18
套简压缩量应不小于3.5mm。
③钢珠锁定结构采用浮动结构,当配对连接器刚插人时,钢珠向外浮动,三个钢珠形成的外轮廓尺寸应大于锁定套筒的内径尺寸:插到位后,钢珠应向让位槽内浮动,三钢珠形成的外轮廓尺寸应小于锁定套管内径尺寸。这时锁定套简应在弹簧压力下恢复到自由状态。④未标注尺寸的结构细节,在配合互换性、安装互换性和性能不受影响的情况下可以变更。1.7.2连接器阳接触件(插针)尺寸如图3所示。球R0.5
图3阳接触件尺寸
阴接触件(插孔)尺寸及悬臂结构按表3的鉴定试验表中规定的单脚分离力来确定。1.8标准量规
标准量规用于测量单脚分离力和预插用。6
YYKAONTKAa
2检验要求
GB5819.2—86
用于预插时尺寸A为±0.98+9.005用于测量单脚分离时尺寸1为
p0.95-0.os
图4标准量规
量规材料:碳素工具钢,热处理:淬火、回火:HRC55~60;量规重最:50±1g,表面粗糙度:R=0.16~0.25μm第二章检验要求
2.1程序
2.1.1对于鉴定批准程序应符合GB5818一86《音响设备用圆形连接器总规范》3.4条的规定,具体的试验条件和要求应符合本规范表3的规定。2.1.2质量一致性试验的抽样、试验期限应符合GB5818一86中3.5条的规定,具体试验要求应符合本规范表4的规定。
试验组和项目
外观检查
尺寸检查
接触电阻
绝缘电阻
GB5095—85
试验号
表3鉴定批准试验一览表
试验条件
本规范1.4,1.6和1.7条
本规范1.6和1.7条
每对连接器测两对接触件*
100±10V,方法C
试验电压:1000V(AC,有效值),方法B
*其他组的接触电阻测量亦应在这两对接触件上进行。YYKAONTKAa
应无影响连接器功能的损坏
应符合相应图样
0.01Q(最大值)
1000Mα(最小值)
应无击穿和飞弧
试验组和项目
单脚分离力
插人力和拨出力
温度急变
试验后测量:
绝缘电阻
外观检查
高温绝缘电阻
交变湿热
试验后测量:
绝缘电阻
插入力和拨出力
外观检查
插入力和拨出力
机械操作
试验后测最:
接触电阻
GB5095—85
试验号
GB5819.2-86
续表3
试验条件
方法A,标准量规见本规范图4
拆掉锁定套筒
连接器插合好而不动作,每一温度承受30min,5次循环
500V(AC,有效值),方法B
100±10V,方法C
连接器插合好,持续时间:2h
100±10V,方法C
+40±2 C时,相对湿度:93-3%,持续时间:10天
-55.9c,持续时间:2 h
500V(AC,有效值),方法B
100±10V,方法C
拆掉锁定套筒
拆掉锁定套筒
1000次,操作速度每小时不超过300次
500V(AC,有效值),方祛B
YYKAONTKAa
量规应被夹持住
20N(最大值)
2.5N(最小值)
45N(最大值)
5.6N(最小值)
低温-55-。℃
a+g-。
应无击穿和飞弧
200MQ(最小值)
应无影响连接器功能的损坏
200MQ(最小值)
应无击穿和飞弧
10M(最小值)
20N(最大值)
2.5N(最小值)
45N(最大值)
5.6N(最小值)
应无影响连接器功能的损坏
20N(最大值)
2.5N(最小值)
45N(最大值)
5.6N(最小值)
0.029(最大值)
试验组和项目
绝缘电阻
插人力和拨出力
外观检查
电缆夹抗电缆拉力的
外观检查
恒定湿热
试验后测量:
绝缘电阻
接触电阻
外观检查
电负荷和温度
高温绝缘电阻
试验后测量:
接触电阻
绝缘电阻
外观检查
GB5095—85
试验号
GB5819.2-86
续表3
试验条件
100±10V,方法C
拆掉锁定套筒
沿轴向加力50N,持续时间:
100s,适用的电缆直径为
Φ5.5±0.15mm,芯线不连接
+40±2℃时,相对湿度:
93±%,持续时间:4天
100±10V,方法C
500V(AC,有效值),方法B
本规范1.5和1.7条等
+60±3℃
100±10V,方法C
500V(AC,有效值),方法B
100±10V,方法C
YYKAONTKAa
200MQ(最小值)
20N(最大值)
2.5N(最小值)
45N(最大值)
5.6N(最小值)
应无影响连接器功能的损坏
电缆相对于电缆夹应无位移
电缆外包皮不应有明显损坏
10MQ(最小值)
应无击穿和飞弧
0.0122(最大值)
应无影响连接器功能的损坏
200MQ(最小值)
应无击穿和飞弧
0.0122(最大值)
1000MQ(最小值)
应无影响连接器功能的损坏
试验组和项目
A组(逐批)
A1分组
外观检查
A2分组
尺寸检查
B组(逐批)
B1分组
绝缘电阻
B2分组
单脚分离力
插人力和拨出力
C组(周期)
C1分组
接触电阻
C2分组
机械操作
试验后测量:
接触电阻
绝缘电阻
外观检查
C3分组
恒定湿热
试验后测量:
绝缘电阻
接触电阻
外观检查
GB5095--85
试验号
GB5819.2-86
表4质量一致性试验一览表
试验条件
本规范1.4,1.6和1.7条
本规范1.6和1.7条
100±10V,方法℃
1000V(AC,有效值),
方法B
方法A,标准量规见本规
范图4
1000次,操作速度每小时
不超过300次
100±10V,方法C
+40±2℃时,相对湿
度:93±3%,持续时间:
100±10V,方祛C
500V(AC,有效值),
方法B
重缺陷
(月)
YYKAONTKAa
轻缺陷
允许失
应无影响连接器功能的损坏
应符合相应图样
1000MQ(最小值)
应无击宇和飞弧
量规应被夹持住
同鉴定批准试验1组
0.012(最大值)
0.022(最大值)
200MQ(最小值)
应无影响连接器功能的损坏
10M2(最小值)
应无击穿和飞弧
0.0122(最大值)
应无影响连接器功能的损坏
试验组和项目
D组(周期)
DI分组
单脚分离力
插人力和拔出力
高温绝缘电阻
试验后测最:
绝缘电阻
插人力和拨出力
外观检查
D2分组
电负荷和温度
试验后测量:
接触电阻
外观检查,
附加说明:
GB5095—85
试验号
GB5819.2--86
续表4
试验条件
方法A,标准盈规见本规范
连接器插合好,持续
时间:2h
10Q±10V,方法C
,℃,持续时间:2h
500V(AC,有效值)
方法B
100±10V,方法C
+60±3℃
500V(AC,有效值),
方法B
本规范由中华人民共和国电子工业部提出。周期
(月)
本规范由电子工业部标准化研究所和八五三厂负责起草。本规范主要起草人余玉芳、王三族。YYKAONTKAa
充许失
量规应被夹持住
同鉴定批准试验1组
+85t$c
200MQ(最小值)
应无击穿和飞弧
10MQ(最小值)
同鉴定批准试验1组
应无影响连接器功能的损坏
0.01292(最大值)
应无击穿和飞弧
应无影响连接器功能的损坏
小提示:此标准内容仅展示完整标准里的部分截取内容,若需要完整标准请到上方自行免费下载完整标准文档。

标准图片预览:





- 热门标准
- 电子行业标准(SJ)
- SJ2944-1988 交流数字电压表测试方法
- SJ20811-2002 压阻式加速度传感器总规范
- SJ374-1973 反射速调管负载特性的测试方法
- SJ2588-1985 BSH12~14-1L、BSH12~14-2L型一体化回扫变压器
- SJ789-1974 3DG120型NPN硅外延平面高频小功率三极管
- SJ933-1975 半导体调幅广播收音机用输出输入变压器
- SJ/T31291-1994 CHJ-S-2型超声波塑料焊接机完好要求和检查评定方法
- SJ1007-75 双动冲床引伸模 上压板
- SJ50033.61-1995 半导体分立器件 3DK6547型高压功率开关晶体管详细规范
- SJ/T31279-1994 WLD-T1型无感式电容器引线自动焊接机完好要求和检查评定方法
- SJ/T31280-1994 隧道式电容器清洗机完好要求和检查评定方法
- SJ993-75 双动冲床引伸模 固定板定位板
- SJ1011-1975 手柄翻开式钻模 压板
- SJ3228.1-1989 电子工业用高纯石英砂技术条件
- SJ/T31254-1994 自动绕片机完好要求和检查评定方法
- 行业新闻
请牢记:“bzxz.net”即是“标准下载”四个汉字汉语拼音首字母与国际顶级域名“.net”的组合。 ©2009 标准下载网 www.bzxz.net 本站邮件:bzxznet@163.com
网站备案号:湘ICP备2023016450号-1
网站备案号:湘ICP备2023016450号-1