- 您的位置:
- 标准下载网 >>
- 标准分类 >>
- 电子行业标准(SJ) >>
- SJ/T 11116-1997 光纤预制棒总规范
标准号:
SJ/T 11116-1997
标准名称:
光纤预制棒总规范
标准类别:
电子行业标准(SJ)
标准状态:
现行-
发布日期:
1997-09-03 -
实施日期:
1998-01-01 出版语种:
简体中文下载格式:
.rar.pdf下载大小:
783.39 KB

点击下载
标准简介:
标准下载解压密码:www.bzxz.net
本标准规定了光纤预制棒的分类、要求、试验方法、检验规则、包装、标志、运输和贮存等。本标准适用于拉制各种光纤的光纤预制棒(以下简称预制棒)。 SJ/T 11116-1997 光纤预制棒总规范 SJ/T11116-1997

部分标准内容:
ICS33.180.10免费标准下载网bzxz
备案号:686—1997
中华人民共和国电子行业标准
SJ/T111161997
光纤预制棒总规范
Generic specification for optical fibre preform1997-09-03发布
1998-01-01实施
中华人民共和国电子工业部发布YYKAONYKAa
光纤预制棒是拉制光纤的母体材料。随着光纤通信应用技术和光纤非通信应用技术的发展,光纤的需求量不断增大,光纤预制棒已不仅仅只是光纤生产过程中的中间产品,它已作为规模化商品进入市场。
为了适应我国电子行业光纤产业对光纤预制棒生产和使用的需要,本标准中规定了光纤预制棒的分类、技术要求、试验方法和检验规则等。从而为光纤预制棒生产、验收及采购提供了统一的技术依据,进而保证光纤质量和可靠性。本标准由电子工业部标准化研究所归口。本标准起草单位:天津市电子材料研究所。本标准主要起草人:尹绍云、段曙光、主光宗、张志刚、宁鼎。YKAoNKca
1范围
中华人民共和国电子行业标准
光纤预制棒总规范
Generic specification for optical fibre preform1.1主题内容
SJ/T11116-1997
本标准规定了光纤预制棒的分类、要求、试验方法、检验规则、包装、标志、运输和贮存等。1.2适用范围
本标准适用于拉制各种光纤的光纤预制棒(以下简称预制棒)。1.3分类
1.3.1A类——多模预制棒
按照折射率分布指数(g),A类预制棒分为AI、A2(含A2.1、A2.2)、A3和A4(塑料光纤)四类(见表2)。
1.3.2B类—-单模预制棒
按对应光纤零色散波长和工作波长,B类预制棒分为B1(含B1.1、B1.2)、B2和B3三类(见表3)。
1.3.3C类-—其他用途的预制棒
待将来考虑。
2引用标准
下列标准包含的条文,通过在本标准中引用而构成为本标准的条文。本标准出版时,所示版本均为有效。所有标准都会被修订,使用本标准的各方应探讨使用下列标准最新版本的可能性。
GB191—90
GB2828-87
GB/T8401.2—87
GB/T8401.5—87
GB/T840L.7-87
包装储运图示标志
逐批检查计数抽样程序及抽样表(适用于连续批的检查)光纤的传输特性和光学特性测试方法:剪断法光纤的传输特性和光学特性测试方法频域法光纤的传输特性和光学特性测试方法相移法GB/T8401.11-87
光纤的传输特性和光学特性测试方法远场法GB/T8401.12一87光纤的传输特性和光学特性测试方法传输功率法GB/T8402.5--87
SJ1677-80
光纤的(几何)尺寸参数测量方法传输场法
光纤光缆名词术语
中华人民共和国电子工业部1997-09-03批准HYKAONKa
1998-01-01实施
3定义
SJ/T 11116-—1997
本标准除采用SJ1677规定的术语外,其他采用下列定义。3.1光纤预制棒opticalfibrepreform用于拉制光纤的母体材料,其结构可与拉制成的光纤结构相同,也可经过其他工艺过程形成光纤。
3.2预制棒芯preformcore
构成光纤纤芯的预制棒中心区域。3.3预制棒包层preformcladding环绕棒芯的介质材料,其折射率低于棒芯。3.4预制棒芯直径/包层直径比(R)preformcorediametertopreformcladdingdiameterra-tio
预制棒芯直径/包层直径比(R)为:R
式中:d-一预制棒芯直径,mm:D
预制棒包层直径,mm。
3.5预制棒芯不圆度(e)non-circularityofpreformcore预制棒芯不圆度(e)为:
一预制棒横截面沿长轴方向的芯直径,mm;式中:A一
A2—预制棒横截面沿短轴方向的芯直径,mmA预制棒横截面的长轴与短轴芯直径的平均值,mm。3.6预制棒包层不圆度(E)non-ciracularityofpreformcladding预制棒包层不圆度(E)为:
×100%
式中:B,预制棒横截面沿长轴方向的包层直径,mm;B2
一预制棒横截面沿短轴方向的包层直径,mm;B一一预制棒横截面长轴包层直径与短轴包层直径的平均值,mm。3.7预制棒芯/包层同心度偏差(C)concentricityerrorofpreformcore/cladding预制棒芯/包层同心度偏差(C)为:tmax-tmin
(tmax+tmin)/2
式中:tmax
包层最大厚度,mm;
tmin包层最小厚度,mm。
3.8预制棒的有效长度effectivelengthofpreform包层直径不均勾度不大于某一规定值的预制棒长度。3.9预制棒包层直径不均匀度(U)non-uniformityofpreformcladdingdiameter预制棒包层直径简称预制棒直径,其不均匀度(U)为:2
HYKAONKa
·(2)
:(4)
SJ/T11116--1997
Dmx-Dmin ×100%
式中:1)ax\--预制棒有效长度区段内最大包层直径,mm;Di—预制棒有效长度区段内最小包层直径(尾部尖头区不属此列),mm。4要求
4.1外观质量
4.1.1表面状态
按5.2.1测量时,表面应光洁无污染,无目力可见的磨痕、划痕和裂纹。4.1.2平直状态
按5.2.2的方法测量时,预制棒在有效长度内轴向弯曲不大于±1mm,并且无目力可见的扭转。
4.2内部缺陷
4.2.1芯部
按5.3的方法检验时,芯部应无遗留空心线,无可见的气泡、气线或其他缺陷。4.2.2包层
按5.3的方法检验时,应无目力可见的气泡、气线、夹杂物或其他缺陷。4.3技术性能
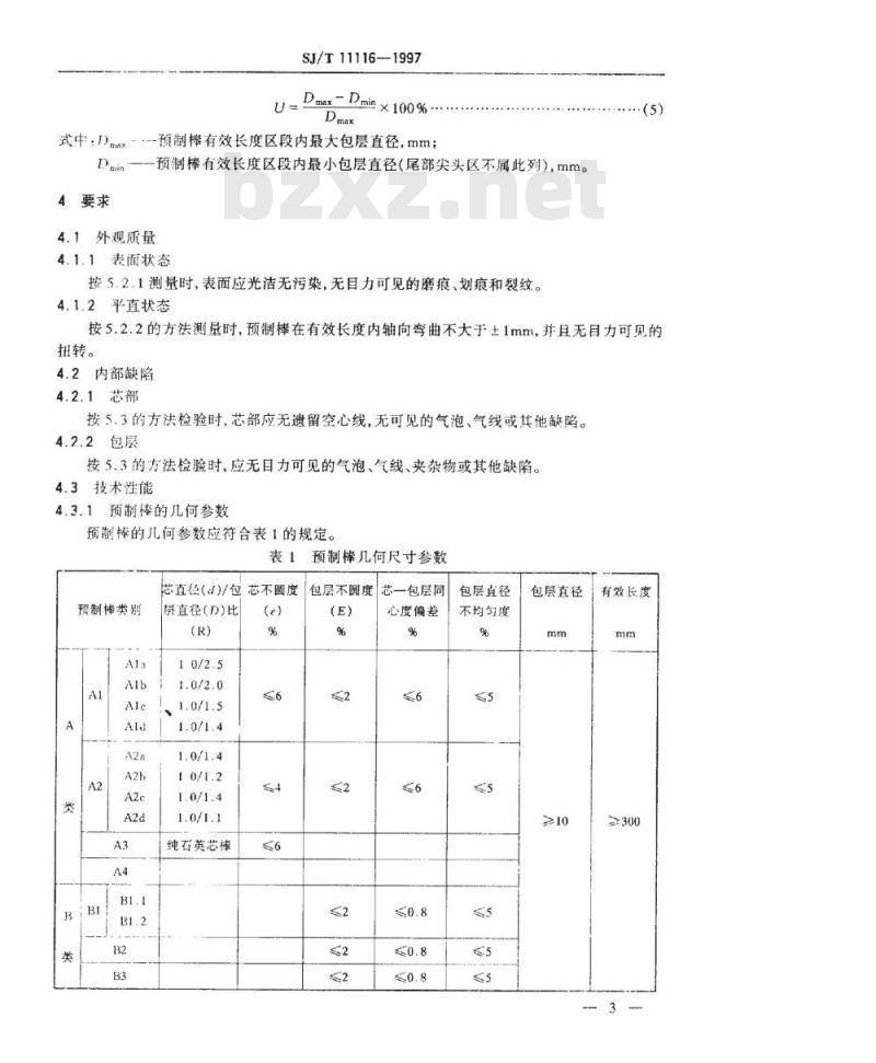
4.3.1预制棒的几何参数
预制棒的儿何参数应符合表1的规定。表1
芯直径(d)/包芯不圆度
预制棒类别
层直径(D)比
纯石英芯棒
预制棒几何尺寸参数
包层不圆度
一包层同
心度偏差
包层直径
不均匀度
YKANrKca
包层直径
有效长度
SJ/T11116—1997
4.3.2A类预制棒的材料、结构和光学参数A类预制棒的材料、结构和光学参数应符合表2的规定。表2A类预制棒的材料、结构和光学参数预制棒类别
最大理论数值孔径
0.21±0.02
0.24±0.02
0.29±0.03
0.23±0.02
0.27±0.03
0.27±0.03
0.30±0.03
0.23±0.03
0.26±0.03
0.23±0.03
0.26±0.03
折射率类型
渐变型
准渐变型
突变型
4.3.3B类顶制棒的材料、结构和光学参数B类预制棒的材料、结构和光学参数应符合表3的规定。1)g为折射率分布指数。
g值范围
1≤g<3
3≤g<10
10≤g<8
YKAoMYKAa
玻璃芯/玻璃包层
纯石英玻璃芯棒
预制棒类别
SJ/T11116—1997
B类预制棒的材料、结构和光学参数表3
对应光纤的标
称零色散波长
对应光纤的标
称工作波长
4.3.4拉纤后的光纤光学及传输特性参数典型的结构和折射率分布
玻璃芯/玻璃包层
光纤预制棒的内在质量在很大程度上影响光红的传输性能。因此,预制棒拉纤后的光学及传输特性参数对预制棒质量的评价十分重要,应对其进行下列测试;A类预制棒拉制的光纤:一般应包括衰减系数、带宽、数值孔径:B类预制棒拉制的光纤;一般应包括模场直径、截止波长、衰减系数、色散。具体要求应由详细规范规定。
5试验方法
5.1试验条件
除另有规定外,所有试验的环境条件应满足正常大气试验条件:a)温
度:15℃~35℃;
b)相对湿度:45%75%;
e)压
力:86kPa~106kPa。
5.2外观质量检查
YKAoMYKAa
5.2.1表面状态
在冷光灯照射下目测。
5.2.2平直状态
5.2.2.1仪器
标准平台和塞规。
5.2.2.2测量
SJ/T11116—1997
将预制棒放在标准平台上,用塞规测出最大弯曲部位与平台之间的距离。5.3内部缺陷
5.3.1装置
a)氮-氛激光器;
b)预制棒夹具台:
c)显视屏。
5.3.2测量
氨-氛激光束垂直地扫描于预制棒,经预制棒放大后的透射光被投射在显示屏上,在屏幕上可观察到预制棒芯和包层内可能存在的多种缺陷。沿预制棒轴向移动氮-氛激光束,即可对预制棒全长进行观察。转动预制棒可以判定缺陷存在的位置(芯还是包层)当转动过程中,缺陷影像移向一边时,则缺陷存在于包层内:若缺陷影像始终维持于中心区域,则缺陷存在于棒芯内。
5.4几何参数
5.4.1预制棒包层直径及直径不均匀度5.4.1.1仪器
精度为0.02mm的千分尺或卡尺。5.4.1.2测量
预制棒包层直径应沿轴向进行多点测量,每点应在正交的两个方向测量。5.4.1.3数据处理
将所有的测最结果取算术平均值,作为预制棒包层直径:再用公式(5)计算预制棒包层直径不均匀度。
5.4.2有效长度
5.4.2.1仪器
精度为1mm的钢板尺或相当的测量工具。5.4.2.2测量
测量预制棒的有效长度,精确至1mm。5.4.3截面几何尺寸
5.4.3.1空间滤波法
5.4.3.1.1概述
白色光源或激光器发射出一准直光束,轴向垂直地通过预制棒,扫描光束即发生折射偏转,偏转角度大小与预制棒的儿何参数有关。因此,用准直光束对预制棒横向扫描,即可得出偏转角对预制棒径向距离的偏转函数图。利用偏转函数图的有关数据可以计算预制棒的芯直径d和包层直径D,再利用这些数据即可计算出预制棒的芯直径与包层直径比R、芯不圆度e和包层不圆度E。
rYKAoNYKAca
5.4.3.1.2装置及辅助材料
SJ/T11116—1997
a)光源白色准直光源或激光器,光源位置和辐射功率在测量时间内应保持稳定:b)透镜用做光源光束聚焦;
c)动态空问滤波器;
d)检测器检测器的光谱响应应与光源相匹配,光敏面的灵敏度应均匀一致;e)信号处理装置信号处理系统应与光源调制频率同步;f)预制棒样品盒可安装尺寸不同的预制棒试样,并能充满折射率匹配液以及做精密地线性平移:
g)计算机用于系统控制。
5.4.3.1.3试样
被测预制棒。
5.4.3.1.4测量程序
a)用清洗液清洗被测预制棒表面;b)将被测预制棒装入预制棒样品盒并注满折射率为1.458的匹配液:c)启动测量系统,输入测量主程序;d)输入规定的测量位置及旋转角度数,并输入预制棒的编号,测量日期等数据,进行测量。
e)进行数据处理,计算出d、D及R、e和E的值。5.4.3.2光学显微镜法
5.4.3.2.1概述
用强度可调的非相干光源照射制备良好的预制棒端面,在正交的两个方向上测量预制棒的芯直径和包层直径,数据通过公式(1)~(3)进行处理。5.4.3.2.2装置及辅助材料
5.4.3.2.2.1光学显微镜
光学显微镜可用倒像显微镜、剪像显微镜或测量显微镜。但应满足下列条件;a)在X、Y轴方向上都能精确读数或数字显示;b)
可测量转动的角度;
c)具备放大倍数为4×、10×、25×的物镜:d)具有强度可调的非相干光源。5.4.3.2.2.2切割工具
用以制备与棒轴垂直的端面的切割工具。5.4.3.2.2.3清洗液
高纯度丙酮、无水乙醇或其他有机溶剂。5.4.3.2.3端面制作
用切割工具垂直于棒轴切割,制成平整端面。5.4.3.2.4测量程序
a)用适当的夹具将制好端面的预制棒夹持在光学显微镜视场内,要求稳定垂直;b)用光源照射,调节光强度,以便于观察和精确测量:调整光学显微镜的放大倍数和焦距,取得清晰的端面图象;c)
当预制棒呈椭圆时,应选择椭圆长短轴方向;-7
HYKAONKa
SJ/T111161997
e)读出并记录A1、A2、B,和B2值:f)重复上述步骤测量三次,并将三次测得的A,、A2、B,和B2值记录在数据表格中。5.4.3.2.5数据处理
a)分别计算三组A1A2、B,和B2值的算术平均值;b)分别用公式(1)、(2)、(3)和(4)式计算预制棒的R、e、E和C值。5.5折射率分布
5.5.1空间滤波法
5.5.1.1概述
准直平行光束横向垂直地射入预制棒,由预制棒折射后出射光的偏转角Φ与光线射入预制棒径向入射点的位置Y的关系(偏转函数)取决于预制棒内在的折射率分布。通过关系式n(r)=no[1-1
yyindyj
可从偏转函数求出预制棒径向折射率分布\(r)。在测量过程中,扫描开始点的径向坐标a还须大于预制棒的半径,面n。=\(a)则是周围介质的折射率。测量原理示意图如图1所示。
预壁择
5.5.1.2装置及辅助材料
动态空间滤波器
图测量原理示意图
a)光纤预制棒分析仪(如Yorkpreformanalyzer系列产品);b)
数据处理系统。
5.5.1.3测量程序
清洗被测预制棒表面;
显示屏
将预制棒安装在测量盒支架上,通过控制系统自动填满折射率匹配液;启动电机,驱动预制棒,聚焦调节,使棒芯影像对中聚焦屏;d)
将预制棒编号、测量口期、测量条件以及所需的其它内容输入计算机,开始测量:启动步进电机将预制棒移动到行程最后的参考点处,通过匹配液做定标测量;驱动预制棒通过光束进行定点测量;测量完成时,计算机进行数据处理,并指令打印机打印折射率分布图、最大理论数值HYKAONKa
孔径及其测量的有关数据。
SJ/T11116-1997
5.6拉纤后的光纤光学参数及传输特性5.6.1单模光纤的模场直径按GB/T8402.5规定的方法进行。5.6.2单模光纤的截止波长按GB/T8401.12规定的方法进行。5.6.3单模光纤的色散按GB/T8401.7规定的方法进行。光纤的衰减系数按GB/T8401.2规定的方法进行。5.6.4
多模光纤的数值孔径按GB/T8401.11规定的方法进行。5.6.6多模光纤的带宽按GB/T8401.5规定的方法进行。5.7等效试验方法
允许采用等效试验方法。出现争议时应按本标准规定的试验方法为准。6检验规则
6.1检验分类
本标准规定的检验分为:
a)交收检验;
b)例行检验。
6.2交收检验
6.2.1检验项目
应按表4规定,对外观、内部缺陷、几何参数和光学参数进行检验。6.2.2检验批
一个检验批应由相同设计、同一工艺生产的同一类产品组成。6.2.3检验分组
交收检验应按表4的规定分为1组和2组检验。1组检验为百分之百检验,剔除不合格品:2组检验为抽样检验。
6.2.4抽样方案
从提交检验的产品中随机抽取样本,应按GB2828规定的一般检查水平Ⅱ和一次抽样方案进行抽样。各检验项目的合格质量水平(AQL)应符合表4的规定。9
HYKAONKa
检验项目
表面状态
平直状态
内部缺陷
芯直径/包层直径比
芯不圆度
包层不圆度
芯一包层圆心度偏差
包层直径不均匀度
包层直径
有效长度
折射率分布
最大理论数值孔径
模场直径2)
截止波长2)
散2)
衰减系数
数值孔径\)
判定规则
SJ/T11116—1997
表4检验项目
要求的章条号
4.3.2,4.3.3
试验方法
章条号
合格质量
水平AQL
若产品任一项不合格品大于表4中AQL值所对应的允许不合格判定数时,则加倍取样对不合格项目进行复验,若复验仍不合格时,则判定该批不合格。6.3例行检验
6.3.1检验项目
例行检验的项目、数量、及合格判据应符合表5的规定。1)仅适用于A类预制棒;
2)仅适用于B类预制。
TYKANMYKAca
小提示:此标准内容仅展示完整标准里的部分截取内容,若需要完整标准请到上方自行免费下载完整标准文档。
备案号:686—1997
中华人民共和国电子行业标准
SJ/T111161997
光纤预制棒总规范
Generic specification for optical fibre preform1997-09-03发布
1998-01-01实施
中华人民共和国电子工业部发布YYKAONYKAa
光纤预制棒是拉制光纤的母体材料。随着光纤通信应用技术和光纤非通信应用技术的发展,光纤的需求量不断增大,光纤预制棒已不仅仅只是光纤生产过程中的中间产品,它已作为规模化商品进入市场。
为了适应我国电子行业光纤产业对光纤预制棒生产和使用的需要,本标准中规定了光纤预制棒的分类、技术要求、试验方法和检验规则等。从而为光纤预制棒生产、验收及采购提供了统一的技术依据,进而保证光纤质量和可靠性。本标准由电子工业部标准化研究所归口。本标准起草单位:天津市电子材料研究所。本标准主要起草人:尹绍云、段曙光、主光宗、张志刚、宁鼎。YKAoNKca
1范围
中华人民共和国电子行业标准
光纤预制棒总规范
Generic specification for optical fibre preform1.1主题内容
SJ/T11116-1997
本标准规定了光纤预制棒的分类、要求、试验方法、检验规则、包装、标志、运输和贮存等。1.2适用范围
本标准适用于拉制各种光纤的光纤预制棒(以下简称预制棒)。1.3分类
1.3.1A类——多模预制棒
按照折射率分布指数(g),A类预制棒分为AI、A2(含A2.1、A2.2)、A3和A4(塑料光纤)四类(见表2)。
1.3.2B类—-单模预制棒
按对应光纤零色散波长和工作波长,B类预制棒分为B1(含B1.1、B1.2)、B2和B3三类(见表3)。
1.3.3C类-—其他用途的预制棒
待将来考虑。
2引用标准
下列标准包含的条文,通过在本标准中引用而构成为本标准的条文。本标准出版时,所示版本均为有效。所有标准都会被修订,使用本标准的各方应探讨使用下列标准最新版本的可能性。
GB191—90
GB2828-87
GB/T8401.2—87
GB/T8401.5—87
GB/T840L.7-87
包装储运图示标志
逐批检查计数抽样程序及抽样表(适用于连续批的检查)光纤的传输特性和光学特性测试方法:剪断法光纤的传输特性和光学特性测试方法频域法光纤的传输特性和光学特性测试方法相移法GB/T8401.11-87
光纤的传输特性和光学特性测试方法远场法GB/T8401.12一87光纤的传输特性和光学特性测试方法传输功率法GB/T8402.5--87
SJ1677-80
光纤的(几何)尺寸参数测量方法传输场法
光纤光缆名词术语
中华人民共和国电子工业部1997-09-03批准HYKAONKa
1998-01-01实施
3定义
SJ/T 11116-—1997
本标准除采用SJ1677规定的术语外,其他采用下列定义。3.1光纤预制棒opticalfibrepreform用于拉制光纤的母体材料,其结构可与拉制成的光纤结构相同,也可经过其他工艺过程形成光纤。
3.2预制棒芯preformcore
构成光纤纤芯的预制棒中心区域。3.3预制棒包层preformcladding环绕棒芯的介质材料,其折射率低于棒芯。3.4预制棒芯直径/包层直径比(R)preformcorediametertopreformcladdingdiameterra-tio
预制棒芯直径/包层直径比(R)为:R
式中:d-一预制棒芯直径,mm:D
预制棒包层直径,mm。
3.5预制棒芯不圆度(e)non-circularityofpreformcore预制棒芯不圆度(e)为:
一预制棒横截面沿长轴方向的芯直径,mm;式中:A一
A2—预制棒横截面沿短轴方向的芯直径,mmA预制棒横截面的长轴与短轴芯直径的平均值,mm。3.6预制棒包层不圆度(E)non-ciracularityofpreformcladding预制棒包层不圆度(E)为:
×100%
式中:B,预制棒横截面沿长轴方向的包层直径,mm;B2
一预制棒横截面沿短轴方向的包层直径,mm;B一一预制棒横截面长轴包层直径与短轴包层直径的平均值,mm。3.7预制棒芯/包层同心度偏差(C)concentricityerrorofpreformcore/cladding预制棒芯/包层同心度偏差(C)为:tmax-tmin
(tmax+tmin)/2
式中:tmax
包层最大厚度,mm;
tmin包层最小厚度,mm。
3.8预制棒的有效长度effectivelengthofpreform包层直径不均勾度不大于某一规定值的预制棒长度。3.9预制棒包层直径不均匀度(U)non-uniformityofpreformcladdingdiameter预制棒包层直径简称预制棒直径,其不均匀度(U)为:2
HYKAONKa
·(2)
:(4)
SJ/T11116--1997
Dmx-Dmin ×100%
式中:1)ax\--预制棒有效长度区段内最大包层直径,mm;Di—预制棒有效长度区段内最小包层直径(尾部尖头区不属此列),mm。4要求
4.1外观质量
4.1.1表面状态
按5.2.1测量时,表面应光洁无污染,无目力可见的磨痕、划痕和裂纹。4.1.2平直状态
按5.2.2的方法测量时,预制棒在有效长度内轴向弯曲不大于±1mm,并且无目力可见的扭转。
4.2内部缺陷
4.2.1芯部
按5.3的方法检验时,芯部应无遗留空心线,无可见的气泡、气线或其他缺陷。4.2.2包层
按5.3的方法检验时,应无目力可见的气泡、气线、夹杂物或其他缺陷。4.3技术性能
4.3.1预制棒的几何参数
预制棒的儿何参数应符合表1的规定。表1
芯直径(d)/包芯不圆度
预制棒类别
层直径(D)比
纯石英芯棒
预制棒几何尺寸参数
包层不圆度
一包层同
心度偏差
包层直径
不均匀度
YKANrKca
包层直径
有效长度
SJ/T11116—1997
4.3.2A类预制棒的材料、结构和光学参数A类预制棒的材料、结构和光学参数应符合表2的规定。表2A类预制棒的材料、结构和光学参数预制棒类别
最大理论数值孔径
0.21±0.02
0.24±0.02
0.29±0.03
0.23±0.02
0.27±0.03
0.27±0.03
0.30±0.03
0.23±0.03
0.26±0.03
0.23±0.03
0.26±0.03
折射率类型
渐变型
准渐变型
突变型
4.3.3B类顶制棒的材料、结构和光学参数B类预制棒的材料、结构和光学参数应符合表3的规定。1)g为折射率分布指数。
g值范围
1≤g<3
3≤g<10
10≤g<8
YKAoMYKAa
玻璃芯/玻璃包层
纯石英玻璃芯棒
预制棒类别
SJ/T11116—1997
B类预制棒的材料、结构和光学参数表3
对应光纤的标
称零色散波长
对应光纤的标
称工作波长
4.3.4拉纤后的光纤光学及传输特性参数典型的结构和折射率分布
玻璃芯/玻璃包层
光纤预制棒的内在质量在很大程度上影响光红的传输性能。因此,预制棒拉纤后的光学及传输特性参数对预制棒质量的评价十分重要,应对其进行下列测试;A类预制棒拉制的光纤:一般应包括衰减系数、带宽、数值孔径:B类预制棒拉制的光纤;一般应包括模场直径、截止波长、衰减系数、色散。具体要求应由详细规范规定。
5试验方法
5.1试验条件
除另有规定外,所有试验的环境条件应满足正常大气试验条件:a)温
度:15℃~35℃;
b)相对湿度:45%75%;
e)压
力:86kPa~106kPa。
5.2外观质量检查
YKAoMYKAa
5.2.1表面状态
在冷光灯照射下目测。
5.2.2平直状态
5.2.2.1仪器
标准平台和塞规。
5.2.2.2测量
SJ/T11116—1997
将预制棒放在标准平台上,用塞规测出最大弯曲部位与平台之间的距离。5.3内部缺陷
5.3.1装置
a)氮-氛激光器;
b)预制棒夹具台:
c)显视屏。
5.3.2测量
氨-氛激光束垂直地扫描于预制棒,经预制棒放大后的透射光被投射在显示屏上,在屏幕上可观察到预制棒芯和包层内可能存在的多种缺陷。沿预制棒轴向移动氮-氛激光束,即可对预制棒全长进行观察。转动预制棒可以判定缺陷存在的位置(芯还是包层)当转动过程中,缺陷影像移向一边时,则缺陷存在于包层内:若缺陷影像始终维持于中心区域,则缺陷存在于棒芯内。
5.4几何参数
5.4.1预制棒包层直径及直径不均匀度5.4.1.1仪器
精度为0.02mm的千分尺或卡尺。5.4.1.2测量
预制棒包层直径应沿轴向进行多点测量,每点应在正交的两个方向测量。5.4.1.3数据处理
将所有的测最结果取算术平均值,作为预制棒包层直径:再用公式(5)计算预制棒包层直径不均匀度。
5.4.2有效长度
5.4.2.1仪器
精度为1mm的钢板尺或相当的测量工具。5.4.2.2测量
测量预制棒的有效长度,精确至1mm。5.4.3截面几何尺寸
5.4.3.1空间滤波法
5.4.3.1.1概述
白色光源或激光器发射出一准直光束,轴向垂直地通过预制棒,扫描光束即发生折射偏转,偏转角度大小与预制棒的儿何参数有关。因此,用准直光束对预制棒横向扫描,即可得出偏转角对预制棒径向距离的偏转函数图。利用偏转函数图的有关数据可以计算预制棒的芯直径d和包层直径D,再利用这些数据即可计算出预制棒的芯直径与包层直径比R、芯不圆度e和包层不圆度E。
rYKAoNYKAca
5.4.3.1.2装置及辅助材料
SJ/T11116—1997
a)光源白色准直光源或激光器,光源位置和辐射功率在测量时间内应保持稳定:b)透镜用做光源光束聚焦;
c)动态空问滤波器;
d)检测器检测器的光谱响应应与光源相匹配,光敏面的灵敏度应均匀一致;e)信号处理装置信号处理系统应与光源调制频率同步;f)预制棒样品盒可安装尺寸不同的预制棒试样,并能充满折射率匹配液以及做精密地线性平移:
g)计算机用于系统控制。
5.4.3.1.3试样
被测预制棒。
5.4.3.1.4测量程序
a)用清洗液清洗被测预制棒表面;b)将被测预制棒装入预制棒样品盒并注满折射率为1.458的匹配液:c)启动测量系统,输入测量主程序;d)输入规定的测量位置及旋转角度数,并输入预制棒的编号,测量日期等数据,进行测量。
e)进行数据处理,计算出d、D及R、e和E的值。5.4.3.2光学显微镜法
5.4.3.2.1概述
用强度可调的非相干光源照射制备良好的预制棒端面,在正交的两个方向上测量预制棒的芯直径和包层直径,数据通过公式(1)~(3)进行处理。5.4.3.2.2装置及辅助材料
5.4.3.2.2.1光学显微镜
光学显微镜可用倒像显微镜、剪像显微镜或测量显微镜。但应满足下列条件;a)在X、Y轴方向上都能精确读数或数字显示;b)
可测量转动的角度;
c)具备放大倍数为4×、10×、25×的物镜:d)具有强度可调的非相干光源。5.4.3.2.2.2切割工具
用以制备与棒轴垂直的端面的切割工具。5.4.3.2.2.3清洗液
高纯度丙酮、无水乙醇或其他有机溶剂。5.4.3.2.3端面制作
用切割工具垂直于棒轴切割,制成平整端面。5.4.3.2.4测量程序
a)用适当的夹具将制好端面的预制棒夹持在光学显微镜视场内,要求稳定垂直;b)用光源照射,调节光强度,以便于观察和精确测量:调整光学显微镜的放大倍数和焦距,取得清晰的端面图象;c)
当预制棒呈椭圆时,应选择椭圆长短轴方向;-7
HYKAONKa
SJ/T111161997
e)读出并记录A1、A2、B,和B2值:f)重复上述步骤测量三次,并将三次测得的A,、A2、B,和B2值记录在数据表格中。5.4.3.2.5数据处理
a)分别计算三组A1A2、B,和B2值的算术平均值;b)分别用公式(1)、(2)、(3)和(4)式计算预制棒的R、e、E和C值。5.5折射率分布
5.5.1空间滤波法
5.5.1.1概述
准直平行光束横向垂直地射入预制棒,由预制棒折射后出射光的偏转角Φ与光线射入预制棒径向入射点的位置Y的关系(偏转函数)取决于预制棒内在的折射率分布。通过关系式n(r)=no[1-1
yyindyj
可从偏转函数求出预制棒径向折射率分布\(r)。在测量过程中,扫描开始点的径向坐标a还须大于预制棒的半径,面n。=\(a)则是周围介质的折射率。测量原理示意图如图1所示。
预壁择
5.5.1.2装置及辅助材料
动态空间滤波器
图测量原理示意图
a)光纤预制棒分析仪(如Yorkpreformanalyzer系列产品);b)
数据处理系统。
5.5.1.3测量程序
清洗被测预制棒表面;
显示屏
将预制棒安装在测量盒支架上,通过控制系统自动填满折射率匹配液;启动电机,驱动预制棒,聚焦调节,使棒芯影像对中聚焦屏;d)
将预制棒编号、测量口期、测量条件以及所需的其它内容输入计算机,开始测量:启动步进电机将预制棒移动到行程最后的参考点处,通过匹配液做定标测量;驱动预制棒通过光束进行定点测量;测量完成时,计算机进行数据处理,并指令打印机打印折射率分布图、最大理论数值HYKAONKa
孔径及其测量的有关数据。
SJ/T11116-1997
5.6拉纤后的光纤光学参数及传输特性5.6.1单模光纤的模场直径按GB/T8402.5规定的方法进行。5.6.2单模光纤的截止波长按GB/T8401.12规定的方法进行。5.6.3单模光纤的色散按GB/T8401.7规定的方法进行。光纤的衰减系数按GB/T8401.2规定的方法进行。5.6.4
多模光纤的数值孔径按GB/T8401.11规定的方法进行。5.6.6多模光纤的带宽按GB/T8401.5规定的方法进行。5.7等效试验方法
允许采用等效试验方法。出现争议时应按本标准规定的试验方法为准。6检验规则
6.1检验分类
本标准规定的检验分为:
a)交收检验;
b)例行检验。
6.2交收检验
6.2.1检验项目
应按表4规定,对外观、内部缺陷、几何参数和光学参数进行检验。6.2.2检验批
一个检验批应由相同设计、同一工艺生产的同一类产品组成。6.2.3检验分组
交收检验应按表4的规定分为1组和2组检验。1组检验为百分之百检验,剔除不合格品:2组检验为抽样检验。
6.2.4抽样方案
从提交检验的产品中随机抽取样本,应按GB2828规定的一般检查水平Ⅱ和一次抽样方案进行抽样。各检验项目的合格质量水平(AQL)应符合表4的规定。9
HYKAONKa
检验项目
表面状态
平直状态
内部缺陷
芯直径/包层直径比
芯不圆度
包层不圆度
芯一包层圆心度偏差
包层直径不均匀度
包层直径
有效长度
折射率分布
最大理论数值孔径
模场直径2)
截止波长2)
散2)
衰减系数
数值孔径\)
判定规则
SJ/T11116—1997
表4检验项目
要求的章条号
4.3.2,4.3.3
试验方法
章条号
合格质量
水平AQL
若产品任一项不合格品大于表4中AQL值所对应的允许不合格判定数时,则加倍取样对不合格项目进行复验,若复验仍不合格时,则判定该批不合格。6.3例行检验
6.3.1检验项目
例行检验的项目、数量、及合格判据应符合表5的规定。1)仅适用于A类预制棒;
2)仅适用于B类预制。
TYKANMYKAca
小提示:此标准内容仅展示完整标准里的部分截取内容,若需要完整标准请到上方自行免费下载完整标准文档。

标准图片预览:





- 其它标准
- 热门标准
- 电子行业标准(SJ)
- SJ20811-2002 压阻式加速度传感器总规范
- SJ2588-1985 BSH12~14-1L、BSH12~14-2L型一体化回扫变压器
- SJ933-1975 半导体调幅广播收音机用输出输入变压器
- SJ/T11259-2001 制冷机低温泵总规范
- SJ/T31291-1994 CHJ-S-2型超声波塑料焊接机完好要求和检查评定方法
- SJ1007-75 双动冲床引伸模 上压板
- SJ/T31248-1994 CLS-37型激交调阻机完好要求和检查评定方法
- SJ/T31279-1994 WLD-T1型无感式电容器引线自动焊接机完好要求和检查评定方法
- SJ/T31280-1994 隧道式电容器清洗机完好要求和检查评定方法
- SJ/T31360-1994 箱体成形折弯机完好要求和检查评定方法
- SJ/Z9094.4-1987 地面无线电接力系统所用设备的测量方法 第二部分:分系统的测量 第三章 射频分支网络
- SJ/T31254-1994 自动绕片机完好要求和检查评定方法
- SJ/T10980-1996 电子器件详细规范 2CC23、2CC28型硅调谐变容二极管(可供认证用)
- SJ3039.1-1988 组合冲模 90°特形弯曲刃口合件
- SJ1011-1975 手柄翻开式钻模 压板
- 行业新闻
请牢记:“bzxz.net”即是“标准下载”四个汉字汉语拼音首字母与国际顶级域名“.net”的组合。 ©2009 标准下载网 www.bzxz.net 本站邮件:bzxznet@163.com
网站备案号:湘ICP备2023016450号-1
网站备案号:湘ICP备2023016450号-1