- 您的位置:
- 标准下载网 >>
- 标准分类 >>
- 电子行业标准(SJ) >>
- SJ/T 10341.42-1993 精冲模导向装置 钢球保持圈
标准号:
SJ/T 10341.42-1993
标准名称:
精冲模导向装置 钢球保持圈
标准类别:
电子行业标准(SJ)
标准状态:
现行-
发布日期:
1993-03-25 -
实施日期:
1993-10-01 出版语种:
简体中文下载格式:
.rar.pdf下载大小:
112.57 KB

部分标准内容:
中华人民共和国电子行业标准
精冲模导向装置
钢球保持圈
Guideunitof fineblanking dieCages1主题内容与适用范围
SJ/T10341.42--93bZxz.net
本标准规定了精冲模导向装置、钢球保持圈的结构型式、规格尺寸、技术要求及标记。本标准适用于精冲模滚动导向模架。引用标准
GB8845
SJ/T10340
GB4424
冲模术语
精冲模零件技术条件
滚动轴承钢球
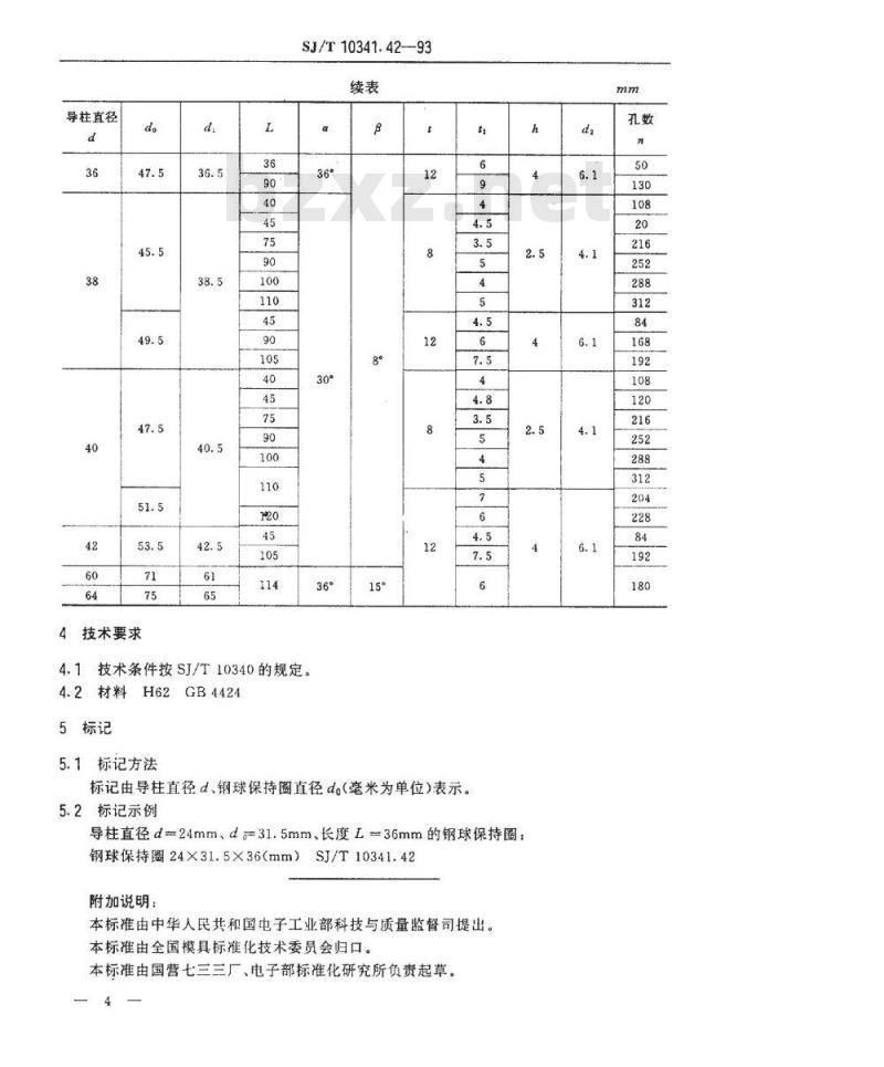
结构形式、规格尺寸
(见图、表)
A—A旋转
中华人民共和国电子工业部1993-03-25批准1993-10-01实施
导柱直径
基本尺寸
SJ/T10341.42—93
零件件号、名称及标准编号
钢球保持圈直径 钢球保持圈长度de
保持困
24×31.5X
30×37.5×
32×39.5×
36×47.5×
38×45.5X
38×49.5X
40×51.5×
60×71×114
64×75×114
4.0000G28±0(±0)
6.0000G28±0(±0)
4.0000G28±0(±0)
6.0000G28±0(±0)
4.0000G28±0(±0)
6.0000G28±0(±0)
导柱直径
SJ/T10341.4293
保持圈
导柱直径
4技术要求
SJ/T10341.42-93
技术条件按SJ/T10340的规定。
4.2材料H62GB4424
5标记
5.1标记方法
标记由导柱直径d、钢球保持图直径d(毫米为单位)表示。5.2标记示例
导柱直径d=24mm、d-31.5mm、长度L=36mm的钢球保持圆钢球保持圈24×31.5×36(mm)SJ/T10341.42附加说明:
本标准由中华人民共和国电子工业部科技与质量监督司提出。本标准由全国模具标准化技术委员会归口。本标准由国营七三三厂、电子部标准化研究所负责起草。4
小提示:此标准内容仅展示完整标准里的部分截取内容,若需要完整标准请到上方自行免费下载完整标准文档。
精冲模导向装置
钢球保持圈
Guideunitof fineblanking dieCages1主题内容与适用范围
SJ/T10341.42--93bZxz.net
本标准规定了精冲模导向装置、钢球保持圈的结构型式、规格尺寸、技术要求及标记。本标准适用于精冲模滚动导向模架。引用标准
GB8845
SJ/T10340
GB4424
冲模术语
精冲模零件技术条件
滚动轴承钢球
结构形式、规格尺寸
(见图、表)
A—A旋转
中华人民共和国电子工业部1993-03-25批准1993-10-01实施
导柱直径
基本尺寸
SJ/T10341.42—93
零件件号、名称及标准编号
钢球保持圈直径 钢球保持圈长度de
保持困
24×31.5X
30×37.5×
32×39.5×
36×47.5×
38×45.5X
38×49.5X
40×51.5×
60×71×114
64×75×114
4.0000G28±0(±0)
6.0000G28±0(±0)
4.0000G28±0(±0)
6.0000G28±0(±0)
4.0000G28±0(±0)
6.0000G28±0(±0)
导柱直径
SJ/T10341.4293
保持圈
导柱直径
4技术要求
SJ/T10341.42-93
技术条件按SJ/T10340的规定。
4.2材料H62GB4424
5标记
5.1标记方法
标记由导柱直径d、钢球保持图直径d(毫米为单位)表示。5.2标记示例
导柱直径d=24mm、d-31.5mm、长度L=36mm的钢球保持圆钢球保持圈24×31.5×36(mm)SJ/T10341.42附加说明:
本标准由中华人民共和国电子工业部科技与质量监督司提出。本标准由全国模具标准化技术委员会归口。本标准由国营七三三厂、电子部标准化研究所负责起草。4
小提示:此标准内容仅展示完整标准里的部分截取内容,若需要完整标准请到上方自行免费下载完整标准文档。

标准图片预览:




- 其它标准
- 热门标准
- 电子行业标准(SJ)
- SJ/T31421-1994 双推板式电热隧道窑完好要求和检查评定方法
- SJ/T10407-1993 摄像管外形图的绘制
- SJ/T11349-2006 二维条码 网格矩阵码
- SJ50065.6-1998 JMW-270M型有可靠性指标的微型密封磁保持继电器详细规范
- SJ993-75 双动冲床引伸模 固定板定位板
- SJ1011-1975 手柄翻开式钻模 压板
- SJ/T10304-1992 68XW1215型录像机用主导轴电动机
- SJ796-74 3DG160型NPN硅平面高频小功率高反压三极管
- SJ3039.1-1988 组合冲模 90°特形弯曲刃口合件
- SJ20740-1999 战场侦察雷达性能试验方法
- SJ/T31226-1994 液压剪刀机完好要求和检查评定方法
- SJ/T10519.13-1994 塑料注射模零件 矩形顶杆
- SJ797-74 3DG161型NPN硅平面高频小功率高反压三极管
- SJ991-75 双动冲床引伸模 底座
- SJ1486-79 3CG180型PNP硅外延平面高频小功率高反压三极管
- 行业新闻
请牢记:“bzxz.net”即是“标准下载”四个汉字汉语拼音首字母与国际顶级域名“.net”的组合。 ©2009 标准下载网 www.bzxz.net 本站邮件:bzxznet@163.com
网站备案号:湘ICP备2023016450号-1
网站备案号:湘ICP备2023016450号-1