- 您的位置:
- 标准下载网 >>
- 标准分类 >>
- 机械行业标准(JB) >>
- JB/T 4711-2003 压力容器涂敷与运输包装
标准号:
JB/T 4711-2003
标准名称:
压力容器涂敷与运输包装
标准类别:
机械行业标准(JB)
英文名称:
Pressure vessel coating and transportation packaging标准状态:
现行-
发布日期:
2003-03-17 -
实施日期:
2003-07-01 出版语种:
简体中文下载格式:
.rar.pdf下载大小:
605.00 KB
替代情况:
JB 2536-1980

点击下载
标准简介:
标准下载解压密码:www.bzxz.net
本标准规定了压力容器及其零部件涂敷与运输包装的有关要求。压力容顺及其零部件的涂敷与运输包装除应符合本标准的规定外,还应符合图样的技术要求。 JB/T 4711-2003 压力容器涂敷与运输包装 JB/T4711-2003

部分标准内容:
中华人民共和国行业标准
JB/T4711-—2003
代替JB2536—1980
压力容器涂敷与运输包装
Coating and packing for pressure vessels transport2003-03-17发布
2003-07-01实施
国家经济贸易委员会发布
中华人民共和国国家经济贸易委员会公告
二00三年第32号
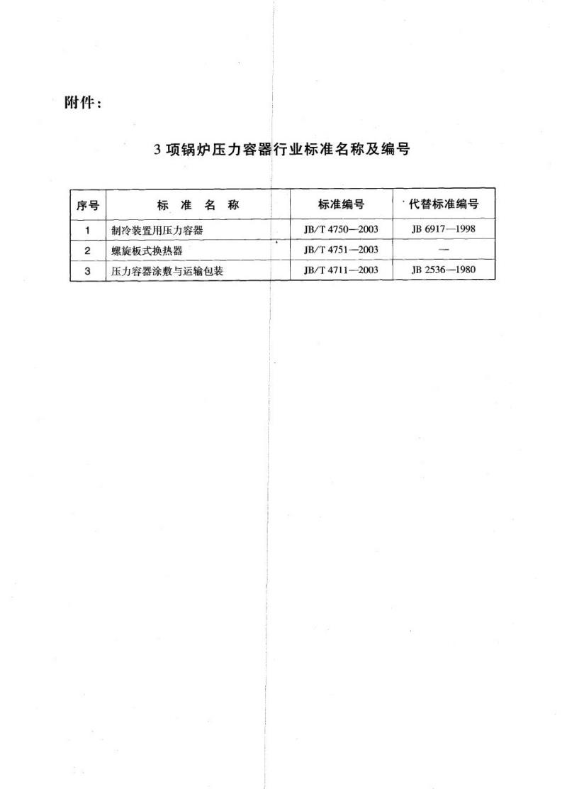
公布3项锅炉压力容器行业标准
国家经贸委批准《制冷装置用压力容器》等3项锅炉压力容器行业标准,现予公布,自2003年7月1日起实施。以上标准由全国锅炉压力容器标准化技术委员会组织出版、发行。
附件:3项锅炉压力容器行业标准名称及编号二〇〇三年三月十七日
附件:
3项锅炉压力容器行业标准名称及编号标准名称
制冷装置用压力容器
螺旋板式换热器
压力容器涂敷与运输包装
标准编号
JB/T4750—2003
JB/T4751-—2003
JB/T47112003
·代替标准编号www.bzxz.net
JB6917—1998
JB2536—1980
JB/T4711—-2003压力容器涂敷与运输包装录
JB/T4711-2003《压力容器涂敷与运输包装》标准释义11
2规范性引用文件
3涂敷
运输包装
图示标志
JB/T4711—2003
本标准代替JB2536—1980《压力容器油漆、包装、运输》。本标准与JB2536—1980相比,主要有如下变化:将标准名称更改为“压力容器涂敷与运输包装”;提高了容器产品表面质量的要求,规定了表面除锈的质量等级;JB/T4711—2003
-增加了涂敷防腐涂料的要求,包括防腐涂料的选用原则与质量、新涂料的确认与使用以及涂敷质量等:
一扩大了适用范围,包容了钢制、有色金属及其合金制容器,并对后者的涂敷、运输包装做了相应规定;
完善与提高了法兰接口、待焊坡口、螺纹的包装要求:一增加了不锈钢、有色金属及其合金制容器以及需充装情性气体保护容器运输包装的特殊要求;
-增加了文件资料的运输包装要求。本标准由全国锅炉压力容器标准化技术委员会提出。本标准由国家经济贸易委员会批准。本标准由全国锅炉压力容器标准化技术委员会归口。本标准由合肥通用机械研究所、中国石化集团公司经济技术研究院起草。本标准主要起草人:王冰、杨国义。本标准由全国锅炉压力容器标准化技术委员会负责解释。1范围
压力容器涂敷与运输包装
本标准规定了压力容器及其零部件涂敷与运输包装的有关要求。JB/T4711-—2003
压力容器及其零部件的涂敷与运输包装除应符合本标准的规定外,还应符合图样的技术要求。2规范性引用文件
下列文件中的条款通过本标准的引用而成为本标准的条款。凡是注明日期的引用文件,其随后所有的修改单(不包括勘误的内容)或修订版均不适用于本标准,然而,鼓励根据本标准达成协议的各方研究是否可使用这些文件的最新版本。凡是不注日期的引用文件,其最新版本适用于本标准。GB146.11983标准轨距铁路机车车辆限界GB146.2—1983标准轨距铁路建筑限界GB191—2000包装储运图示标志
GB/T197—1981普通螺纹公差与配合(1mm~355mm)GB/T8923—1988涂装前钢材表面锈蚀等级和除锈等级3涂敷
3.1、表面除锈
3.1.1对于碳素钢和低合金钢制容器的外表面、可以进行除锈操作的内表面以及其他需涂敷防腐涂料的涂敷表面应予以清理除锈。3.1.2应采用喷射、抛射或采用手工和动力工具进行表面除锈,除锈时应防止对容器表面造成损伤。除锈前,应铲除厚的锈层,应清除可见的油脂和污垢;除锈后,应清除浮灰和碎屑。3.1.3除锈后的钢材表面至少达到GB/T8923—1988中St2级或Sa2级要求为合格。3.1.4除锈后应将容器内部的残留物清理干净。3.2涂敷防腐涂料
3.2.1容器制造单位质量检测部门对各项制造质量包括表面除锈检验合格后,方允许涂敷防腐涂料,涂敷前金属表面应保持清洁干燥。对表面凹凸不平及划痕,应采用磨削方法去除并使之圆滑过渡,不允许打腻子。
3.2.2防腐涂料的选择应根据容器内介质的性质与温度、环境条件、容器在工艺流程中的作用与造价、涂料的性能及固化条件等因素,由图样技术要求确定。如图样对涂敷防腐涂料无特殊要求时,容器壳体外表面应至少涂醇酸类底漆两道,底漆于膜厚度不小于30μm。
般情况下,容器壳体外表面应涂面漆一道,面漆的颜色宜浅淡,如图样另有规定,按图样要求。5
JB/T4711—2003
移动式压力容器面漆的颜色应符合有关标准的有求。3.2.3防腐涂料的质量应符合国家或行业有关标准的要求,并应有质量合格证书。超过有效贮存期的防腐涂料,应经质量监督部门认可的检验单位鉴定合格且出具证明文件后方可使用。
新型防腐涂料应先进行必要的试验,试验结果经质量监督部门认可的检验单位确认合格后方可使用。
3.2.4表面除锈后应立即涂敷防腐涂料,间隔时间一般不宜超过12h。如表面除锈后不能立即涂敷防腐涂料,应对除锈表面妥善保护,以防再度锈蚀或污染。如发现锈迹或污染,应重新进行表面处理。涂敷环境应清洁、干燥、通风良好,环境温度不应低于涂料规定的涂敷温度。涂敷的防腐涂料应均匀、牢固,不应有气泡、龟裂、流挂、剥落等缺陷,否则应进行修补。必要时可采用专门仪器检测涂层的厚度及致密度。3.2.5除图样另有规定外,下列情况可不涂敷防腐涂料:a)容器的内表面;
b)随容器整体出厂的内件;
c)不锈钢制压力容器;
d)有色金属及其合金制压力容器。3.2.6下列各坡口,在距坡口边缘约100mm范围内不涂敷防腐涂料,如需要可涂敷对焊接质量无害且易去除的保护膜:
分段出厂容器的切断面坡口;
b)分片件的周边坡口;
c)容器壳体上其他需要在使用现场组焊的焊接坡口。3.3涂敷保护膜
螺纹、密封面等精加工表面应涂敷易去除的保护膜。4运输包装
4.1运输包装的一般要求
4.1.1包装应根据容器的使用要求、结构尺寸、重量大小、路程远近、运输方法(铁路、公路、水路和航空)等特点选用相适应的结构及方法。容器的包装应有足够的强度,以确保容器及其零部件能安全可靠地运抵目的地。
对在运输和装卸过程中有严格防止变形、污染、损伤要求的容器及其零部件应进行专门的包装设计。
4.1.2铁路运输的容器,不论采用何种包装形式,其截面尺寸均不应超过GB146.1和GB146.2的规定。对尺寸超限容器的运输包装,应事先和有关铁路运输部门取得联系。公路、水路及航空运输的容器及其零部件,其单件尺寸、重量与包装要求应事先与相关运输部门联系。
对于尺寸超限或超重的容器,必要时应由设计、制造、建安及承运单位共同制订运输包装方案。6
JB/T4711-2003
4.1.3容器一般应整体出厂,如因运输条件限制,亦可分段、分片出厂。段、片的划分应根据容器的特点和有关运输要求在图样技术要求或供、需双方技术协议上注明。4.1.4法兰接口的包装应符合如下要求:a)有配对法兰的,应采用配对法兰中间夹以橡胶或塑料制盖板封闭,盖板的厚度不宜小于3mm;
b)无配对法兰的,应采用与法兰外径相同且足够厚的金属、塑料或木制盲板封闭,如用金属制盲板,则盲板中间应夹以橡胶或塑料制垫片,垫片厚度不宜小于3mm;c)配对法兰或盲板用螺栓紧固在容器法兰接口处,紧固螺栓不得少于4个且应分布均匀。4.1.5对待焊坡口的接管,应采用金属或塑料环形保护罩罩在接管端部,保护罩应采用适当方式固定。如图样允许,金属罩可点焊在接管外侧,但不应点焊在待焊坡口上。4.1.6所有螺纹接口应采用六角头螺塞和螺帽堵上,外螺纹也可采用塑料罩保护。4.1.7若因装运空间要求而改变或去除接管口、支承构件、吊耳或其他类似附件时,制造厂应提供装载图,以示出所需重新定位或去除的附件位置,并得到买方书面认可,此种情况制造厂应提供重新装配、组焊的程序和现场焊接接管所需的检验方法。4.2容器的包装形式
4.2.1裸装
具有足够刚性的不可分拆的大件和特大件,下部设置托架支承,上用拉紧箍拉紧,以防止滚翻和窜动。
4.2.2框架
用型钢或方木等制成牢固的框架将容器或其零部件可靠地固定其中。4.2.3包扎
对运输和装卸中不易损伤与散失、规格较大且数量较少的零部件,可采用软材料包装后再用铁丝或扁钢牢固扎紧。
4.2.4暗箱
暗箱系密闭的包装箱,是用以包装精密度高、容易损伤、怕潮、防腐以及容易失散的小零件。4.2.5空格箱
对不需用暗箱又不宜包扎的零、部件采用此种包装。必要时箱内可衬油毛毡。4.3整体或分段出厂容器的运输包装4.3.1—般要求
整体或分段出厂容器一般宜采用裸装。4.3.2整体出厂容器的运输包装
4.3.2.1装运前应清除容器内的各种残留物。4.3.2.2制造单位应根据容器和运输的具体情况,进行包装设计,设计时宜考虑如下要求:a)体积较小,重量不大于1t的容器,宜用垫木固定在运载车辆或船舶上;b)体积较大,重量大于1t的容器,宜用托架支承,并用拉紧箍将容器紧固在托架上,在拉紧箍与容器间需垫以柔性材料,托架应牢固地固定在运载车辆或船舶上。重量在1~10t的容器,可采用木制托架;重量大于10t或公称直径大于3000mm的容器,应采用钢制托架;
小提示:此标准内容仅展示完整标准里的部分截取内容,若需要完整标准请到上方自行免费下载完整标准文档。
JB/T4711-—2003
代替JB2536—1980
压力容器涂敷与运输包装
Coating and packing for pressure vessels transport2003-03-17发布
2003-07-01实施
国家经济贸易委员会发布
中华人民共和国国家经济贸易委员会公告
二00三年第32号
公布3项锅炉压力容器行业标准
国家经贸委批准《制冷装置用压力容器》等3项锅炉压力容器行业标准,现予公布,自2003年7月1日起实施。以上标准由全国锅炉压力容器标准化技术委员会组织出版、发行。
附件:3项锅炉压力容器行业标准名称及编号二〇〇三年三月十七日
附件:
3项锅炉压力容器行业标准名称及编号标准名称
制冷装置用压力容器
螺旋板式换热器
压力容器涂敷与运输包装
标准编号
JB/T4750—2003
JB/T4751-—2003
JB/T47112003
·代替标准编号www.bzxz.net
JB6917—1998
JB2536—1980
JB/T4711—-2003压力容器涂敷与运输包装录
JB/T4711-2003《压力容器涂敷与运输包装》标准释义11
2规范性引用文件
3涂敷
运输包装
图示标志
JB/T4711—2003
本标准代替JB2536—1980《压力容器油漆、包装、运输》。本标准与JB2536—1980相比,主要有如下变化:将标准名称更改为“压力容器涂敷与运输包装”;提高了容器产品表面质量的要求,规定了表面除锈的质量等级;JB/T4711—2003
-增加了涂敷防腐涂料的要求,包括防腐涂料的选用原则与质量、新涂料的确认与使用以及涂敷质量等:
一扩大了适用范围,包容了钢制、有色金属及其合金制容器,并对后者的涂敷、运输包装做了相应规定;
完善与提高了法兰接口、待焊坡口、螺纹的包装要求:一增加了不锈钢、有色金属及其合金制容器以及需充装情性气体保护容器运输包装的特殊要求;
-增加了文件资料的运输包装要求。本标准由全国锅炉压力容器标准化技术委员会提出。本标准由国家经济贸易委员会批准。本标准由全国锅炉压力容器标准化技术委员会归口。本标准由合肥通用机械研究所、中国石化集团公司经济技术研究院起草。本标准主要起草人:王冰、杨国义。本标准由全国锅炉压力容器标准化技术委员会负责解释。1范围
压力容器涂敷与运输包装
本标准规定了压力容器及其零部件涂敷与运输包装的有关要求。JB/T4711-—2003
压力容器及其零部件的涂敷与运输包装除应符合本标准的规定外,还应符合图样的技术要求。2规范性引用文件
下列文件中的条款通过本标准的引用而成为本标准的条款。凡是注明日期的引用文件,其随后所有的修改单(不包括勘误的内容)或修订版均不适用于本标准,然而,鼓励根据本标准达成协议的各方研究是否可使用这些文件的最新版本。凡是不注日期的引用文件,其最新版本适用于本标准。GB146.11983标准轨距铁路机车车辆限界GB146.2—1983标准轨距铁路建筑限界GB191—2000包装储运图示标志
GB/T197—1981普通螺纹公差与配合(1mm~355mm)GB/T8923—1988涂装前钢材表面锈蚀等级和除锈等级3涂敷
3.1、表面除锈
3.1.1对于碳素钢和低合金钢制容器的外表面、可以进行除锈操作的内表面以及其他需涂敷防腐涂料的涂敷表面应予以清理除锈。3.1.2应采用喷射、抛射或采用手工和动力工具进行表面除锈,除锈时应防止对容器表面造成损伤。除锈前,应铲除厚的锈层,应清除可见的油脂和污垢;除锈后,应清除浮灰和碎屑。3.1.3除锈后的钢材表面至少达到GB/T8923—1988中St2级或Sa2级要求为合格。3.1.4除锈后应将容器内部的残留物清理干净。3.2涂敷防腐涂料
3.2.1容器制造单位质量检测部门对各项制造质量包括表面除锈检验合格后,方允许涂敷防腐涂料,涂敷前金属表面应保持清洁干燥。对表面凹凸不平及划痕,应采用磨削方法去除并使之圆滑过渡,不允许打腻子。
3.2.2防腐涂料的选择应根据容器内介质的性质与温度、环境条件、容器在工艺流程中的作用与造价、涂料的性能及固化条件等因素,由图样技术要求确定。如图样对涂敷防腐涂料无特殊要求时,容器壳体外表面应至少涂醇酸类底漆两道,底漆于膜厚度不小于30μm。
般情况下,容器壳体外表面应涂面漆一道,面漆的颜色宜浅淡,如图样另有规定,按图样要求。5
JB/T4711—2003
移动式压力容器面漆的颜色应符合有关标准的有求。3.2.3防腐涂料的质量应符合国家或行业有关标准的要求,并应有质量合格证书。超过有效贮存期的防腐涂料,应经质量监督部门认可的检验单位鉴定合格且出具证明文件后方可使用。
新型防腐涂料应先进行必要的试验,试验结果经质量监督部门认可的检验单位确认合格后方可使用。
3.2.4表面除锈后应立即涂敷防腐涂料,间隔时间一般不宜超过12h。如表面除锈后不能立即涂敷防腐涂料,应对除锈表面妥善保护,以防再度锈蚀或污染。如发现锈迹或污染,应重新进行表面处理。涂敷环境应清洁、干燥、通风良好,环境温度不应低于涂料规定的涂敷温度。涂敷的防腐涂料应均匀、牢固,不应有气泡、龟裂、流挂、剥落等缺陷,否则应进行修补。必要时可采用专门仪器检测涂层的厚度及致密度。3.2.5除图样另有规定外,下列情况可不涂敷防腐涂料:a)容器的内表面;
b)随容器整体出厂的内件;
c)不锈钢制压力容器;
d)有色金属及其合金制压力容器。3.2.6下列各坡口,在距坡口边缘约100mm范围内不涂敷防腐涂料,如需要可涂敷对焊接质量无害且易去除的保护膜:
分段出厂容器的切断面坡口;
b)分片件的周边坡口;
c)容器壳体上其他需要在使用现场组焊的焊接坡口。3.3涂敷保护膜
螺纹、密封面等精加工表面应涂敷易去除的保护膜。4运输包装
4.1运输包装的一般要求
4.1.1包装应根据容器的使用要求、结构尺寸、重量大小、路程远近、运输方法(铁路、公路、水路和航空)等特点选用相适应的结构及方法。容器的包装应有足够的强度,以确保容器及其零部件能安全可靠地运抵目的地。
对在运输和装卸过程中有严格防止变形、污染、损伤要求的容器及其零部件应进行专门的包装设计。
4.1.2铁路运输的容器,不论采用何种包装形式,其截面尺寸均不应超过GB146.1和GB146.2的规定。对尺寸超限容器的运输包装,应事先和有关铁路运输部门取得联系。公路、水路及航空运输的容器及其零部件,其单件尺寸、重量与包装要求应事先与相关运输部门联系。
对于尺寸超限或超重的容器,必要时应由设计、制造、建安及承运单位共同制订运输包装方案。6
JB/T4711-2003
4.1.3容器一般应整体出厂,如因运输条件限制,亦可分段、分片出厂。段、片的划分应根据容器的特点和有关运输要求在图样技术要求或供、需双方技术协议上注明。4.1.4法兰接口的包装应符合如下要求:a)有配对法兰的,应采用配对法兰中间夹以橡胶或塑料制盖板封闭,盖板的厚度不宜小于3mm;
b)无配对法兰的,应采用与法兰外径相同且足够厚的金属、塑料或木制盲板封闭,如用金属制盲板,则盲板中间应夹以橡胶或塑料制垫片,垫片厚度不宜小于3mm;c)配对法兰或盲板用螺栓紧固在容器法兰接口处,紧固螺栓不得少于4个且应分布均匀。4.1.5对待焊坡口的接管,应采用金属或塑料环形保护罩罩在接管端部,保护罩应采用适当方式固定。如图样允许,金属罩可点焊在接管外侧,但不应点焊在待焊坡口上。4.1.6所有螺纹接口应采用六角头螺塞和螺帽堵上,外螺纹也可采用塑料罩保护。4.1.7若因装运空间要求而改变或去除接管口、支承构件、吊耳或其他类似附件时,制造厂应提供装载图,以示出所需重新定位或去除的附件位置,并得到买方书面认可,此种情况制造厂应提供重新装配、组焊的程序和现场焊接接管所需的检验方法。4.2容器的包装形式
4.2.1裸装
具有足够刚性的不可分拆的大件和特大件,下部设置托架支承,上用拉紧箍拉紧,以防止滚翻和窜动。
4.2.2框架
用型钢或方木等制成牢固的框架将容器或其零部件可靠地固定其中。4.2.3包扎
对运输和装卸中不易损伤与散失、规格较大且数量较少的零部件,可采用软材料包装后再用铁丝或扁钢牢固扎紧。
4.2.4暗箱
暗箱系密闭的包装箱,是用以包装精密度高、容易损伤、怕潮、防腐以及容易失散的小零件。4.2.5空格箱
对不需用暗箱又不宜包扎的零、部件采用此种包装。必要时箱内可衬油毛毡。4.3整体或分段出厂容器的运输包装4.3.1—般要求
整体或分段出厂容器一般宜采用裸装。4.3.2整体出厂容器的运输包装
4.3.2.1装运前应清除容器内的各种残留物。4.3.2.2制造单位应根据容器和运输的具体情况,进行包装设计,设计时宜考虑如下要求:a)体积较小,重量不大于1t的容器,宜用垫木固定在运载车辆或船舶上;b)体积较大,重量大于1t的容器,宜用托架支承,并用拉紧箍将容器紧固在托架上,在拉紧箍与容器间需垫以柔性材料,托架应牢固地固定在运载车辆或船舶上。重量在1~10t的容器,可采用木制托架;重量大于10t或公称直径大于3000mm的容器,应采用钢制托架;
小提示:此标准内容仅展示完整标准里的部分截取内容,若需要完整标准请到上方自行免费下载完整标准文档。

标准图片预览:





- 其它标准
- 上一篇: JB/T 4709-2000 钢制压力容器焊接规程
- 下一篇: JB/T 4712-1992 鞍式支座
- 热门标准
- 机械行业标准(JB)
- JB/T6127-2010 电动平车 技术条件
- JB/T9402-1999 工业X射线探伤机 性能测试方法
- JB/T3411.50-1999 两爪顶拔器 尺寸
- JB/T8803-1998 双金属温度计
- JB/T8895-1999 中小功率柴油机 通用技术条件
- JB/T8226.1-1999 光学零件镀膜 减反射膜
- JB/T7015-2010 回转式翻车机
- JB/T10509-2005 中小型异步电机用接线板 技术条件(机座号63~355)
- JB/T5934-1991 工程机械门锁 技术条件
- JB/T6504-1992 汽轮机油漆 典型工艺
- JB/T9768-1999 内燃机 气缸套平台珩磨网纹 技术规范及检测方法
- JB/T4371.2-1999 自紧钻夹头 精度检验
- JB∕T12594-2016 湿式电除尘器 灰水循环利用装置
- JB/T4366.2-1999 落地铣镗床 主轴端部 铣轴端部尺寸
- JB/T5345-1991 变压器用蝶阀
- 行业新闻
请牢记:“bzxz.net”即是“标准下载”四个汉字汉语拼音首字母与国际顶级域名“.net”的组合。 ©2009 标准下载网 www.bzxz.net 本站邮件:bzxznet@163.com
网站备案号:湘ICP备2023016450号-1
网站备案号:湘ICP备2023016450号-1