- 您的位置:
- 标准下载网 >>
- 标准分类 >>
- 电力行业标准(DL) >>
- DL/T 728-2000 气体绝缘金属封闭开关设备订货技术导则
标准号:
DL/T 728-2000
标准名称:
气体绝缘金属封闭开关设备订货技术导则
标准类别:
电力行业标准(DL)
标准状态:
现行-
发布日期:
2000-11-03 -
实施日期:
2001-01-01 出版语种:
简体中文下载格式:
.rar.pdf下载大小:
6.47 MB
点击下载
标准简介:
标准下载解压密码:www.bzxz.net
本标准规定了额定电压力72.5kV及以上、频率为50Hz的户内、户外型气体绝缘金属封闭开关设备(以下简称GIS)的订货技术导则。72.5kV以下的设备可以参照使用。本标准适用于向国内外订购GIS时应满足的基本技术要求。除本标准所规定的技术要求外,订货中有关其他具体事宜需由供需双方通过谈判商定。 DL/T 728-2000 气体绝缘金属封闭开关设备订货技术导则 DL/T728-2000
部分标准内容:
备案号:7788—2000
中华人民共和国电力行业标准
DL/T 728—2000
气体绝缘金属封闭开关设备
订货技术导则
Technical guide for the order of Gas-insulatedmetal-enclosed switchgear
2000-11-03发布
中华人民共和国国家经济贸易委员会15
2001 -01 - 01 实施
./showpage.d11?op=P&pageNo=1-15&name=&book=029410&PageNum 03-7-10DL/T 728-2000
页码,2/15
本标准制定了气体绝缘金属封闭开关设备(以下简称GIS)订货的基本技术要求,为使用单位在向国内外制造厂家订货时提供技术指导。制定本标准的目的是提出对GIS的基本技术参数、结构要求,规范订货各环节中的质量标准本标准由电力行业气体绝缘金属封闭电器标准化技术委员会提出并归口。本标准负责起草单位:华东电力集团公司。参加起草单位:中国电力科学研究院、西安高压开关厂、华东勘测设计院、上海超高压输变电公司。本标准主要起草人:刘兆林、顾冤鸿、申春红、余国、秦维陶、郭碧红本标准由电力行业气体绝缘金属封闭电器标准化技术委员会负责解释。::/showpage.d11?op=P&pageNo=1-15&name=&book=029410&PageNum=003-7-10DL/T 728-—2000
.1范围
2.引用标准
3工程概况
供货范围
5.使用条件
页码,3/15
电电电电电电修修修修发修电电电光电发电电电修电电电电电修电电电电电电电电染电脚修修电电发修修修修电电电光修电发6.额定参数
06H00060ee+e0
7.结构要求
8试验
9备品备件及专用工器具
10-运输、贮存、安装、运行和维护11其他
/showpage.d11?op=P&pageNo=1-15&name=&book=029410&PageNum=003-7-101范围
中华人民共和国电力行业标准
气体绝缘金属封闭开关设备订货技术导则Technical guide for the order of Gas-insulatedmetal-enclosed switchgear
页码,4/15
DL/T728—2000
本标准规定了额定电压为72.5kV及以上、频率为50Hz的户内、户外型气体绝缘金属封闭开关设备(以下简称GIS)的订货技术导则。72.5kV以下的设备可以参照使用。本标准适用于向国内外订购GIS时应满足的基本技术要求。除本标准所规定的技术要求外,订货中有关其他具体事宜需由供需双方通过谈判商定。2引用标准
下列标准所包含的条文,通过在本标准中引用而构成为本标准的条文。本标准出版时,所示版本均为有效。所有标准都会被修订,使用本标准的各方应探讨使用下列标准最新版本的可能性。GB311.11997高压输变电设备的绝缘配合GB1207—1997
GB1208—1997
GB4208-—1993
电压互感器
电流互感器
外壳保护等级(IP代码)
GB/T11022-
GB11032—1989
高压开关设备和控制设备标准的共同技术要求交流无间隙金属氧化物避雷器
GB/T16927.1-1997高电压试验技术第—部分:一般试验要求免费标准bzxz.net
DL/T402—1999
DL/T486--2000
DL/T593-1996
DL/T617—1997
IEC60815:1986
IEC60859:1986
3工程概况
交流高压断路器订货技术条件
交流高压隔离开关和接地开关订货技术条件高压开关设备的共用订货技术导则气体绝缘金属封闭开关设备技术条件绝缘子使用导则
额定电压72.5kV及以上GIS的电缆连接订货时应向供方(制造商)说明工程概况,包括:3.1.工程位置与交通条件
工程位置应说明工程所在地名称及与最近城市的相对位置和距离;交通条件应说明铁路、公路、水路情况,离工程所在地最近的机场,如运输条件受限制,应附有运输尺寸界限图;国际招标时还应说明目的港港口及从目的港至工程所在地的运输路线等。3.2电气主接线
电气主接线应表明拟订货的GIS配电装置相关部分的最终接线方式(包括电流互感器的配置和参数)。如有分期接线的要求应说明分期接线方式和过渡要求。在主接线中注明相连设备的有关参数。3.3电力系统特征
中华人民共和国国家经济贸易委员会2000-11-03批准2001-01-01实施
./showpage.d11?op=P&pageNo=1-15&name=&book=029410&PageNum=003-7-10标称电压
短路电流
系统中性点接地方式
3.4工程布置
DL/T728—2000
页码,5/15
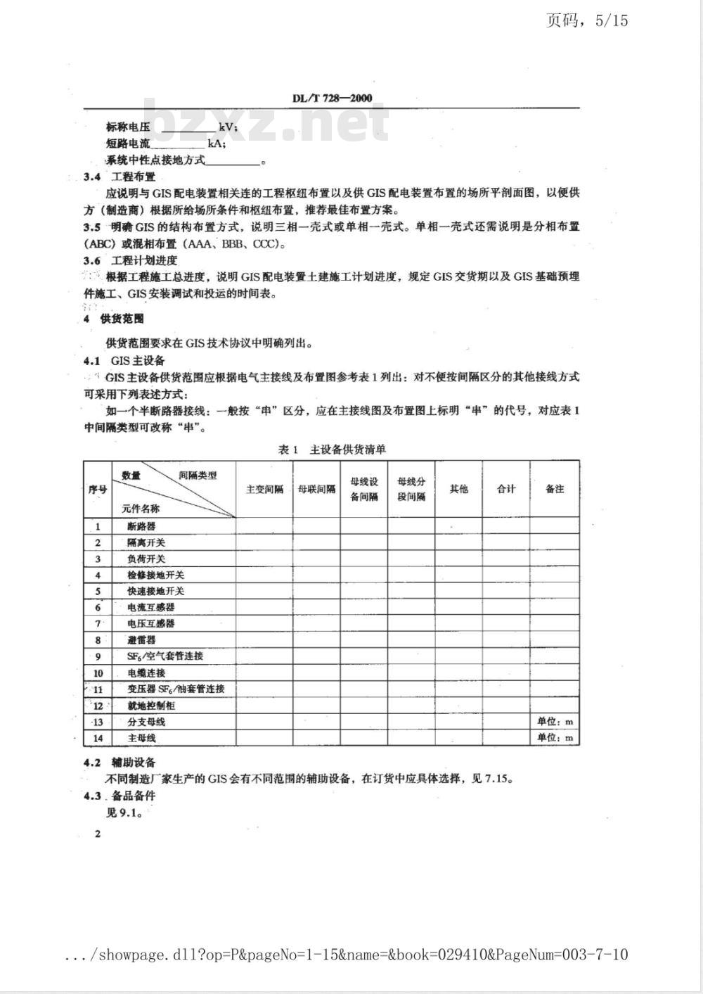
应说明与GIS配电装置相关连的工程枢纽布置以及供GIS配电装置布置的场所平剖面图,以便供方(制造商)根据所给场所条件和枢纽布置,推荐最佳布置方案。3.5明确GIS的结构布置方式,说明三相一壳式或单相一壳式。单相一壳式还需说明是分相布置(ABC)或混相布置(AAA、BBB、CCC)。3.6工程计划进度
:.根据工程施工总进度,说明GIS配电装置土建施工计划进度,规定GIS交货期以及GIS基础预埋件施工、GIS安装调试和投运的时间表。供货范围
供货范围要求在GIS技术协议中明确列出。4.1GIS主设备
:\GIS主设备供货范围应根据电气主接线及布置图参考表1列出:对不便按间隔区分的其他接线方式可采用下列表述方式:
如一个半断路器接线:一般按“申”区分,应在主接线图及布置图上标明“串”的代号,对应表1中间隔类型可改称“串”。
表1主设备供货清单
元件名称
断路器
隔离开关
负荷开关
间隔类型
检修接地开关
快速接地开关
电流互感器
电压互感器
避雷器
SFs/空气套管连接
电缆连接
变压器SFg/油套管连接
就地控制柜
分支母线
主母线
辅助设备
主变间隔
母联间隔
母线设
备间隔
母线分
段间隔
单位:m
单位:m
不同制造厂家生产的GIS会有不同范围的辅助设备,在订货中应具体选择,见7.15。4.3.备品备件
见9.1。
/showpage.d11?op=P&pageNo=1-15&name=&book=029410&PageNum=003-7-104.4SF。气体
DL/T728-2000
订货量应满足GIS正常运行及完成现场安装所需。4.5专用工器具
见9.2。
4.6供货范围界面划分
页码,6/15
4.6.1一次回路以SFc/空气套管为界,电缆终端连接分界按IEC859规定执行,连接部分套管由GIS生产厂家提供;变压器SF6/油终端连接由变压器厂提供。4.6.2二次回路以现地控制柜(汇控柜)为界,GIS及现地控制柜内的电缆、电缆支架等由制造厂提供。
4.6.3为保证GIS可靠安全运行和维修所需的附属设备及部件如操动机构、分合闸位置指示器、防爆装置、集中供气装置及管路、支撑及底架、检修平台、扶梯等均由供方提供。基础预埋件、接地联线、部分伸缩节等需由供需双方商定。5使用条件
GIS分为户内和户外型。使用条件见DL/T593—1996第3章。对于大部分元件装在户内,仅进出线部分装在户外的GIS,除装在户外部分应满足户外使用条件外,其余按户内使用条件。
额定参数
GIS的额定参数如下:
a)额定电压和相数;
b)额定绝缘水平;
c)额定频率;
d)额定电流;
e)额定短时耐受(热稳定)电流(主回路和接地回路);f)额定峰值耐受(动稳定)电流(主回路和接地回路);g)额定短路持续时间;
h)GIS各组成元件(包括它们的操动机构和辅助设备)额定值;i)用作绝缘气体的额定密度。
6.1标称电压和设备额定电压
三相GIS在电力系统中运行的标称电压和设备额定电压见表2。表2电力系统标称电压和设备额定电压值电力系统标称电压
设备额定电压
注:GIS的组成元件可以有各自的额定电压值。6.2额定绝缘水平
额定绝缘水平:从DL/T617一1997中表1和表2《GIS的额定绝缘水平》中选取。当使用条件偏离标准参考大气条件时,外绝缘的试验电压应按GB311.1和GB/T16927.1的有关规定予以修正。雷电冲击电压、操作冲击电压(采用时)和1min工频耐受电压应在DL/T617—1997表1和表2中同一行内选取。
:/showpage.d11?op=P&pageNo=1-15&name=&book=029410&PageNum=003-7-10DL/T728—2000
页码,7/15
同一额定电压有几个绝缘水平可供选择时,用户应根据绝缘配合研究的结果,计及GIS自身分合产生的瞬态过电压的影响,来选取适当的绝缘水平,GIS包括具有确定的绝缘水平的各种元件。虽然选择适当的绝缘水平能大大避免内部故障,但仍应考虑限制外部过电压的措施(避雷器、保护火花间隙)。6.3额定频率
额定频率为50Hz。
6.4额定电流
GIS额定电流应优先从以下数值中选取:1250,1600,2000,3150,4000,5000,6300A。GIS中的主回路,例如母线、支线等,可具有不同的额定电流值。6.5温升
GIS组成元件的温升应不超过元件相应标准规定的允许温升。对运行人员易接触的外壳,其温升不应超过30K;对运行人员易接近,但正常操作时不需接触的外壳,其温升不超过40K;对运行人员不接触的部位,允许温升可提高到65K,但应保证周围绝缘材料和密封等材料不致损坏,并需作出明显的高温标记。6.6额定短时耐受(热稳定)电流额定短时耐受电流应优先从下列数据中选取25,31.5,40,50,63,80,100kA。6.7·额定短路持续时间
额定短时耐受电流持续时间额定值:126kV及以下,4s;252kV及以上,2s。注:经用户和制造厂协商,126kV及以下的也可选用3s;252kV及以上的也可选用1s。126kV及以下的负荷开关为2s或4s;接地开关持续时间为1/2额定值。6.8额定峰值耐受(动稳定)电流额定峰值耐受电流等于额定短时耐受电流的2.5倍。特殊场合为2.6倍或2.7倍。.6.9GIS各组成元件(包括它们的操动机构和辅助装置)额定值6.9.1断路器
a)断路器时间参量与额定操作顺序:额定操作顺序为0-0.3s-00-180s-CO开断时间,关合时间,合分时间和分、合闸时间上下限由制造厂提供。合分时间也可由用户提出。分闸不同期性:同相断口间小于2ms;相间小于3ms。合闸不同期性:同相断口间小于3ms;相间小于5ms。b)开断能力参数:按DL/T402要求执行。额定短路开断电流(包括衰减时间常数、直流分量百分数、首开极系数和瞬态恢复电压特性);近区故障开断额定参数(包括90%、75%和60%);额定线路充电开断电流(应无重燃):额定失步开断电流;
额定电缆充电开断电流:
额定短路开断电流开断次数应不小于16次。c)机械稳定性次数5000次、10000次。d)并联电容器:原则上电容值应越小越好,可以防止铁磁谐振。允许偏差为土5%。工频耐压应大于2倍相电压。最高运行温度下的tg8(介质损耗)由制造厂提供。e)合闸电阻:合闸电阻值由制造厂给定,偏差为±5%,提前投入时间为(8~11)ms。在最高温度时阻值变化应在(-5%~+5%)范围内。工作方式为1.3倍额定相电压下CO4次(时间间隔CO30min-00-30min-00-3min-CO),或1.3倍额定相电压下00-3min-2倍额定相电压下CO。f)主回路电阻值:由制造厂提供。9
./showpage.d11?op=P&pageNo=1-15&name=&book=029410&PageNum=003-7-10DL/T728—2000
页码,8/15
g)无线电干扰电压:小于500μV。h)噪声水平:在GIS断路器及其操动机构最近部位2m,高1.2m处噪声:户内不大于90dB;户外不大于110dB。
i)操动机构:型式分液压、气动、弹簧等。制造厂应提供正常、最高、最低工作压力及24h压缩机或油泵最大启动次数(一般不超过2次)和不启动压缩机或油泵情况下的允许操作次数。要求在压力降到自动重合闸闭锁压力前,还能连续进行2次CO或O-0.3s-CO操作顺序。分、合闸线圈应包括工作电压、频率、直流电阻值和稳态电流。分闸线圈应为2只。i)操动机构的防护等级:一般应达IP5X(见GB4208)。6.9.2隔离开关
a)时间参数:分、合闸时间和分、合闸速度由制造厂提供。b)开断性能。
开断母线转移电流能力:见DL/T486—2000附录B。开断容性感性电流能力:363kV以下一般不用考虑,550kV超过0.5A,由使用部门提出要求。当断路器分闸时,隔离开关操作,不应因断路器断口间电容而产生危及变压器端部绝缘的特高频过电压。c)机械稳定性次数:2000次,5000次,10000次。d)操动机构:型式分手动、电动气动或其他,分相操作或三相操作,制造厂应提供辅助触点数目等。
快速接地开关
a)时间参数:分、合闸时间上、下限,合闸时间应不超过0.1s;分、合闸速度能保证其开断及关合性能。
b)开断和关合能力。
额定关合短路电流应与断路器一致,关合次数为2次。开合电容电流和电感电流能力:见DL/T486一2000附录C。c)机械稳定性次数:2000次、5000次。d)操动机构:型式分电动弹簧、气动、手动储能弹簧或其他。6.9.4检修接地开关
检修接地开关应与隔离开关的动热稳定电流应相等,机械稳定性次数同快速接地开关。开合电容电流和电感电流能力:见DL/T486—2000附录C。6.9.5电流互感器
按GB1208要求。
a)额定二次电流:从1、2、5A中选取。b)额定输出容量:分测量级、保护级及TPY型绕组。c)标准准确级:测量级一般为0.2级,仪表保安系数小于5。保护用绕组和TPY型短路电流倍数Kssc和暂态磁通倍数Kf,由用户提出要求。一般在一次通过故障电流0.04s内,二次暂态误差不应超过7.5%,短路电流倍数应尽量满足系统额定短路开断电流值。6.9.6电压互感器
按GB1207要求。
a)额定电压:从表2中选取。
b)额定二次电压:一般为100//3V(测量,保护级);当辅助绕组△接法时为100V。c)额定输出容量:应分别给出测量用绕组、保护用绕组和辅助绕组的额定输出容量。d)准确级:测量级一般为0.2级,其他为3P级。e)当三相一次绕组施加三相平衡电压时,辅助绕组开口三角的剩余电压不得大于1.0V。f)额定过电压倍数:1.2PU连续,1.5PU允许30s。5
: :/showpage. d11?op=P&pageNo=1-15&name=&book=029410&PageNum=003-7-10DL/T728—2000
g)应防止一次回路放电对二次绕组和二次回路产生影响。h)局部放电:在1.1PU下不大于10pC。6.9.7避雷器
页码,9/15
a)额定电压、持续运行电压:从GB11032一1989交流无间隙金属氧化物避雷器表6中选取。b).冲击残压:在标称放电电流下给出陡波冲击残压(1/5μs)和雷电冲击残压(8/20μus),在规定的操作波冲击电流下给出操作冲击残压(30/60us)。c)冲击通流容量:(25~100)kA,4/10μus应能冲击2次。d)长持续时间冲击电流耐受能力,应规定线路冲击阻抗,峰值持续时间,充电电压及次数。e)直流1mA参考电压。
f)金属氧化物元件最小总能量吸收能力(kI/kV)。g)压力释放能力最小值为在系统额定短路开断电流0.2s。h)长线释放等级。
6.9.8母线
\a)导体的电感、电容、电阻及波阻抗由制造厂提供。b)外壳电阻由制造厂提供。
c)母线的导体和外壳的电能损耗(W/m)由制造厂提供。6.9.9绝缘子
a)1.1倍额定相电压下局部放电量应不大于3pC。b)盆式绝缘子破坏压力与其运行压力之比,即安全系数大于4.5。c)1.1倍额定相电压下,最大电场强度不大于1.5kV/mm。6.9.10SF6/空气套管
a)最大工作荷载时的安全系数应大于2.5。b)环氧树脂浸渍纸套管的局部放电量在额定电压下不大于3pC,在2倍额定相电压下不大于5pC;介质损耗tg不大于0.5%。
i结构要求
7.1气体监测系统
7.1.1每个封闭压力系统(隔室)应设置密度监视装置,制造厂应给出补气报警密度值,对断路器室还应给出闭锁断路器分、合闸的密度值。7.1.2密度监视装置可以是密度表,也可以是密度继电器,并设置运行中可更换密度表(密度继电器)的自封接头或阀门。在此部位还应设置抽真空及充气的自封接头或阀门,并带有封盖。当选用密度继电器时,还应设置真空压力表及气体温度压力曲线铭牌,在曲线上应标明气体额定值、补气值曲线。在断路器隔室曲线图上还应标有闭锁值曲线。各曲线应用不同颜色表示。7.1.3密度监视装置可以按GIS的间隔集中布置,也可以分散在各隔室附近。当采用集中布置时,管道直径要足够大,以提高抽真空的效率及真空极限。7.1.4密度监视装置、压力表、自封接头或阀门及管道均应有可靠的固定措施。7.1.5应有防止内部故障短路电流发生时在气体监视系统上可能产生的分流现象。7.1.6气体监视系统的接头密封工艺结构应与GIS的主件密封工艺结构一致。7.2外壳与伸缩节
7.2.1外壳可以是钢板焊接、铝合金板焊接结构或铸铝结构。并按压力容器有关标准设计、制造与检验。
7.2.2GIS的平面布置图及剖视图上,应标明伸缩节的位置与数量。伸缩节一般采用不锈钢波纹管结构,也可以是特殊的套筒结构(运行中可以整个间隔抽出来处理故障)。6
:/showpage.d11?op=P&pageNo=1-15&name=&book=029410&PageNum=003-7-107.2.3应注明GIS外壳局部拆装的部位。7.2.4伸缩节
DL/T728—2000
页码,10/15
伸缩节(如有时)主要用于装配调整,吸收基础间的相对位移或热胀冷缩的伸缩量等。制造厂应根据使用的目的、允许的位移量等来选定伸缩节的结构在GIS分开的基础间允许的相对位移(不均勾下沉)应由制造厂和用户商定。7.3隔空与防爆
7.3.1GIS的间隔一次模拟图上应标明隔室的具体部位,在设备上应有色标表示。7.3.2.每个隔室应装有适当数量的吸附剂装置。7.3.3每个气室应设防爆装置,但满足如下条件之一的也可以不设防爆装置:a)气室分隔的容积足够大,在内部故障电弧发生的允许时限内,压力升高为外壳承受所允许,而不会发生燥裂。
b)制造厂与用户达成协议。
7.3.4防爆装置的防爆膜应保证在使用年限内不会老化开裂。7.3.5制造厂应提供防爆装置的压力释放曲线。7.3.6防爆装置的布置及保护罩的位置,应确保排出压力气体时,不危及巡视通道上执行运行任务人员的安全。
7.4支撑与底架
7.4.1GIS按运输拼装单元设置独立的支撑底架,并设置和标明起吊部位。在运输中需要拆除的部位,必要时应增设运输临时支撑。
7.4.2GIS的支撑底架结构若为固定不可调整式,制造厂在出厂前应予调整使符合现场安装要求,在现场安装时不得再用垫块调整。7.4.3电缆终端支撑底架应满足电缆现场施工的方便及电缆的固定。7.4.4GIS的所有支撑不得妨碍正常维修巡视通道的畅通。7.4.5必要时应设置永久性的高层平台及扶梯,便于操作、巡视及维修。7.5接地
按GB/T11022及DL/T617执行,并作如下补充:7.5.1制造厂提供的GIS平面布置图或基础图上,应标明与接地网连接的具体位置及连接的结构。7.5.2GIS的接地连线材质应为电解铜,并标明与地网连接处接地线的截面积要求。7.5.3当采用单相一壳式钢外壳结构时,应采用多点接地方式,并确保外壳中感应电流的流通以降低外壳中的涡流损耗。
7.5.4接地开关与快速接地开关的接地端子应与外壳绝缘后再接地,便以测量回路电阻,校验电流互感器变比,检测电缆故障。
7.6母线
7.6.1母线材质为电解铜或铝合金。7.6.2铝合金母线的导电接触部位表面应镀银。7.6.3导电回路的相互连接其结构上应做到:a)固定连接应有可靠的紧力补偿结构,不允许采用螺纹部位导电的结构方式。b)触指插入式连接结构应保证触指接触压力均匀。7.7油漆
7.7.1制造厂应提供色标,供用户选择GIS外壳及箱体的油漆颜色。:7.7.2GIS的接地、SF。气体管道、压缩空气管道等的油漆颜色应按有关标准分别表示以便区分。7.7.3油漆应保证(8~10)年完好。7.8压缩机及管道系统
:/showpage.d11?op=P&pageNo=1-15&name=&book=029410&PageNum=003-7-10DL/T728—2000
页码,11/15
7.8.1当GIS采用气动操作时,若压缩机采用集中布置方式,则一般至少设置2组,运行中应同时工作启动,并设置控制保护减压及疏水系统。7.8.2管道系统一般推荐双母线管道布置,阀门的设置原则要确保在一根母线管道或一台压缩机检修时仍保证对设备的供气,管道及阀门应采用铜质材料,接头采用卡套式结构。7.9扩建接口
GIS若采用分期建设,订货时应要求制造厂留有扩建接口,扩建接口宜设在分段开关处,扩建接口部位的接头应设置临时屏蔽装置及封盖。7.10控制与操作
7.10.1动力合闸:按GB11022—1999的6.8.1执行。7.10.2能合闸:按GB11022—1999的6.8.2执行。7.10.3脱扣器操作按GB11022—1999的6.9执行。7.10.4低气压和高气压联锁装置:按GB11022—1999的6.10执行。7.11、联锁
7.11.1GIS的联锁主要指:
a)隔离开关、接地开关与有关断路器之间的联锁。b)隔离开关与接地开关之间的联锁。7.11.2所有联锁的二次接线应在制造厂内完成并经过检验。7.12二次回路及就地控制柜
7.12.1就地控制柜可以设在GIS底座上与GIS-起运输供货,也可以分开独立设置,当就地控制柜安装在GIS底座架上,应考虑到GIS设备操作振动的影响。当GIS为户外布置时,应按户外条件来考虑柜体的设计结构工艺。
7.12.2GIS的全部二次线电缆应可靠固定,并全部在专用管道或专用托架中敷设。二次线进出接线盒或柜体部位应可靠封闭并固定。7.12.3二次走线应与GIS的接地线保持一定距离,要防止内部故障短路电流发生时在二次线上可能产生的分流现象。
7.13套管
7.13.1出线套管采用SF。或环氧树脂浸渍电容型,外套采用瓷质或硅橡胶,其伞型应按IEC815规定,爬距按大气污染等级及海拔高度选取。7.13.2变压器油气套管采用环氧树脂浸渍电容器,当选用油纸电容型时,应设置温度补偿油膨胀器。7.14电缆连接
电缆连接应考虑电缆耐压装设试验套管的可能性与方便性。GIS的电缆终端壳体上部除出线电压互感器外,不得布置隔离开关与接地开关等元件。如有可能,出线电压互感器的布置方式也应考虑电缆耐压的方便性,具体方式由用户与制造厂协商解决。7.15辅助设备
7.15.1辅助电气设备
随制造厂GIS提供的辅助电气设备应满足a)额定电压:交流为400V/230V;直流电压根据工程设计给定。b)电动机:
绝缘等级,B级;
-外壳防护等级,IP54(见GB4208)。e)二次元件:根据工程具体要求,对控制开关、按钮、表计、指示灯等二次元件作出相应的规定。7.15.2电力和控制电缆
交直流电力和控制电缆应满足1kV电压等级的绝缘要求,应选用阻燃型聚乙烯或交联聚乙烯电缆。8
./showpage.d11?op=P&pageNo=1-15&name=&book=029410&PageNum=003-7-10
小提示:此标准内容仅展示完整标准里的部分截取内容,若需要完整标准请到上方自行免费下载完整标准文档。
中华人民共和国电力行业标准
DL/T 728—2000
气体绝缘金属封闭开关设备
订货技术导则
Technical guide for the order of Gas-insulatedmetal-enclosed switchgear
2000-11-03发布
中华人民共和国国家经济贸易委员会15
2001 -01 - 01 实施
./showpage.d11?op=P&pageNo=1-15&name=&book=029410&PageNum 03-7-10DL/T 728-2000
页码,2/15
本标准制定了气体绝缘金属封闭开关设备(以下简称GIS)订货的基本技术要求,为使用单位在向国内外制造厂家订货时提供技术指导。制定本标准的目的是提出对GIS的基本技术参数、结构要求,规范订货各环节中的质量标准本标准由电力行业气体绝缘金属封闭电器标准化技术委员会提出并归口。本标准负责起草单位:华东电力集团公司。参加起草单位:中国电力科学研究院、西安高压开关厂、华东勘测设计院、上海超高压输变电公司。本标准主要起草人:刘兆林、顾冤鸿、申春红、余国、秦维陶、郭碧红本标准由电力行业气体绝缘金属封闭电器标准化技术委员会负责解释。::/showpage.d11?op=P&pageNo=1-15&name=&book=029410&PageNum=003-7-10DL/T 728-—2000
.1范围
2.引用标准
3工程概况
供货范围
5.使用条件
页码,3/15
电电电电电电修修修修发修电电电光电发电电电修电电电电电修电电电电电电电电染电脚修修电电发修修修修电电电光修电发6.额定参数
06H00060ee+e0
7.结构要求
8试验
9备品备件及专用工器具
10-运输、贮存、安装、运行和维护11其他
/showpage.d11?op=P&pageNo=1-15&name=&book=029410&PageNum=003-7-101范围
中华人民共和国电力行业标准
气体绝缘金属封闭开关设备订货技术导则Technical guide for the order of Gas-insulatedmetal-enclosed switchgear
页码,4/15
DL/T728—2000
本标准规定了额定电压为72.5kV及以上、频率为50Hz的户内、户外型气体绝缘金属封闭开关设备(以下简称GIS)的订货技术导则。72.5kV以下的设备可以参照使用。本标准适用于向国内外订购GIS时应满足的基本技术要求。除本标准所规定的技术要求外,订货中有关其他具体事宜需由供需双方通过谈判商定。2引用标准
下列标准所包含的条文,通过在本标准中引用而构成为本标准的条文。本标准出版时,所示版本均为有效。所有标准都会被修订,使用本标准的各方应探讨使用下列标准最新版本的可能性。GB311.11997高压输变电设备的绝缘配合GB1207—1997
GB1208—1997
GB4208-—1993
电压互感器
电流互感器
外壳保护等级(IP代码)
GB/T11022-
GB11032—1989
高压开关设备和控制设备标准的共同技术要求交流无间隙金属氧化物避雷器
GB/T16927.1-1997高电压试验技术第—部分:一般试验要求免费标准bzxz.net
DL/T402—1999
DL/T486--2000
DL/T593-1996
DL/T617—1997
IEC60815:1986
IEC60859:1986
3工程概况
交流高压断路器订货技术条件
交流高压隔离开关和接地开关订货技术条件高压开关设备的共用订货技术导则气体绝缘金属封闭开关设备技术条件绝缘子使用导则
额定电压72.5kV及以上GIS的电缆连接订货时应向供方(制造商)说明工程概况,包括:3.1.工程位置与交通条件
工程位置应说明工程所在地名称及与最近城市的相对位置和距离;交通条件应说明铁路、公路、水路情况,离工程所在地最近的机场,如运输条件受限制,应附有运输尺寸界限图;国际招标时还应说明目的港港口及从目的港至工程所在地的运输路线等。3.2电气主接线
电气主接线应表明拟订货的GIS配电装置相关部分的最终接线方式(包括电流互感器的配置和参数)。如有分期接线的要求应说明分期接线方式和过渡要求。在主接线中注明相连设备的有关参数。3.3电力系统特征
中华人民共和国国家经济贸易委员会2000-11-03批准2001-01-01实施
./showpage.d11?op=P&pageNo=1-15&name=&book=029410&PageNum=003-7-10标称电压
短路电流
系统中性点接地方式
3.4工程布置
DL/T728—2000
页码,5/15
应说明与GIS配电装置相关连的工程枢纽布置以及供GIS配电装置布置的场所平剖面图,以便供方(制造商)根据所给场所条件和枢纽布置,推荐最佳布置方案。3.5明确GIS的结构布置方式,说明三相一壳式或单相一壳式。单相一壳式还需说明是分相布置(ABC)或混相布置(AAA、BBB、CCC)。3.6工程计划进度
:.根据工程施工总进度,说明GIS配电装置土建施工计划进度,规定GIS交货期以及GIS基础预埋件施工、GIS安装调试和投运的时间表。供货范围
供货范围要求在GIS技术协议中明确列出。4.1GIS主设备
:\GIS主设备供货范围应根据电气主接线及布置图参考表1列出:对不便按间隔区分的其他接线方式可采用下列表述方式:
如一个半断路器接线:一般按“申”区分,应在主接线图及布置图上标明“串”的代号,对应表1中间隔类型可改称“串”。
表1主设备供货清单
元件名称
断路器
隔离开关
负荷开关
间隔类型
检修接地开关
快速接地开关
电流互感器
电压互感器
避雷器
SFs/空气套管连接
电缆连接
变压器SFg/油套管连接
就地控制柜
分支母线
主母线
辅助设备
主变间隔
母联间隔
母线设
备间隔
母线分
段间隔
单位:m
单位:m
不同制造厂家生产的GIS会有不同范围的辅助设备,在订货中应具体选择,见7.15。4.3.备品备件
见9.1。
/showpage.d11?op=P&pageNo=1-15&name=&book=029410&PageNum=003-7-104.4SF。气体
DL/T728-2000
订货量应满足GIS正常运行及完成现场安装所需。4.5专用工器具
见9.2。
4.6供货范围界面划分
页码,6/15
4.6.1一次回路以SFc/空气套管为界,电缆终端连接分界按IEC859规定执行,连接部分套管由GIS生产厂家提供;变压器SF6/油终端连接由变压器厂提供。4.6.2二次回路以现地控制柜(汇控柜)为界,GIS及现地控制柜内的电缆、电缆支架等由制造厂提供。
4.6.3为保证GIS可靠安全运行和维修所需的附属设备及部件如操动机构、分合闸位置指示器、防爆装置、集中供气装置及管路、支撑及底架、检修平台、扶梯等均由供方提供。基础预埋件、接地联线、部分伸缩节等需由供需双方商定。5使用条件
GIS分为户内和户外型。使用条件见DL/T593—1996第3章。对于大部分元件装在户内,仅进出线部分装在户外的GIS,除装在户外部分应满足户外使用条件外,其余按户内使用条件。
额定参数
GIS的额定参数如下:
a)额定电压和相数;
b)额定绝缘水平;
c)额定频率;
d)额定电流;
e)额定短时耐受(热稳定)电流(主回路和接地回路);f)额定峰值耐受(动稳定)电流(主回路和接地回路);g)额定短路持续时间;
h)GIS各组成元件(包括它们的操动机构和辅助设备)额定值;i)用作绝缘气体的额定密度。
6.1标称电压和设备额定电压
三相GIS在电力系统中运行的标称电压和设备额定电压见表2。表2电力系统标称电压和设备额定电压值电力系统标称电压
设备额定电压
注:GIS的组成元件可以有各自的额定电压值。6.2额定绝缘水平
额定绝缘水平:从DL/T617一1997中表1和表2《GIS的额定绝缘水平》中选取。当使用条件偏离标准参考大气条件时,外绝缘的试验电压应按GB311.1和GB/T16927.1的有关规定予以修正。雷电冲击电压、操作冲击电压(采用时)和1min工频耐受电压应在DL/T617—1997表1和表2中同一行内选取。
:/showpage.d11?op=P&pageNo=1-15&name=&book=029410&PageNum=003-7-10DL/T728—2000
页码,7/15
同一额定电压有几个绝缘水平可供选择时,用户应根据绝缘配合研究的结果,计及GIS自身分合产生的瞬态过电压的影响,来选取适当的绝缘水平,GIS包括具有确定的绝缘水平的各种元件。虽然选择适当的绝缘水平能大大避免内部故障,但仍应考虑限制外部过电压的措施(避雷器、保护火花间隙)。6.3额定频率
额定频率为50Hz。
6.4额定电流
GIS额定电流应优先从以下数值中选取:1250,1600,2000,3150,4000,5000,6300A。GIS中的主回路,例如母线、支线等,可具有不同的额定电流值。6.5温升
GIS组成元件的温升应不超过元件相应标准规定的允许温升。对运行人员易接触的外壳,其温升不应超过30K;对运行人员易接近,但正常操作时不需接触的外壳,其温升不超过40K;对运行人员不接触的部位,允许温升可提高到65K,但应保证周围绝缘材料和密封等材料不致损坏,并需作出明显的高温标记。6.6额定短时耐受(热稳定)电流额定短时耐受电流应优先从下列数据中选取25,31.5,40,50,63,80,100kA。6.7·额定短路持续时间
额定短时耐受电流持续时间额定值:126kV及以下,4s;252kV及以上,2s。注:经用户和制造厂协商,126kV及以下的也可选用3s;252kV及以上的也可选用1s。126kV及以下的负荷开关为2s或4s;接地开关持续时间为1/2额定值。6.8额定峰值耐受(动稳定)电流额定峰值耐受电流等于额定短时耐受电流的2.5倍。特殊场合为2.6倍或2.7倍。.6.9GIS各组成元件(包括它们的操动机构和辅助装置)额定值6.9.1断路器
a)断路器时间参量与额定操作顺序:额定操作顺序为0-0.3s-00-180s-CO开断时间,关合时间,合分时间和分、合闸时间上下限由制造厂提供。合分时间也可由用户提出。分闸不同期性:同相断口间小于2ms;相间小于3ms。合闸不同期性:同相断口间小于3ms;相间小于5ms。b)开断能力参数:按DL/T402要求执行。额定短路开断电流(包括衰减时间常数、直流分量百分数、首开极系数和瞬态恢复电压特性);近区故障开断额定参数(包括90%、75%和60%);额定线路充电开断电流(应无重燃):额定失步开断电流;
额定电缆充电开断电流:
额定短路开断电流开断次数应不小于16次。c)机械稳定性次数5000次、10000次。d)并联电容器:原则上电容值应越小越好,可以防止铁磁谐振。允许偏差为土5%。工频耐压应大于2倍相电压。最高运行温度下的tg8(介质损耗)由制造厂提供。e)合闸电阻:合闸电阻值由制造厂给定,偏差为±5%,提前投入时间为(8~11)ms。在最高温度时阻值变化应在(-5%~+5%)范围内。工作方式为1.3倍额定相电压下CO4次(时间间隔CO30min-00-30min-00-3min-CO),或1.3倍额定相电压下00-3min-2倍额定相电压下CO。f)主回路电阻值:由制造厂提供。9
./showpage.d11?op=P&pageNo=1-15&name=&book=029410&PageNum=003-7-10DL/T728—2000
页码,8/15
g)无线电干扰电压:小于500μV。h)噪声水平:在GIS断路器及其操动机构最近部位2m,高1.2m处噪声:户内不大于90dB;户外不大于110dB。
i)操动机构:型式分液压、气动、弹簧等。制造厂应提供正常、最高、最低工作压力及24h压缩机或油泵最大启动次数(一般不超过2次)和不启动压缩机或油泵情况下的允许操作次数。要求在压力降到自动重合闸闭锁压力前,还能连续进行2次CO或O-0.3s-CO操作顺序。分、合闸线圈应包括工作电压、频率、直流电阻值和稳态电流。分闸线圈应为2只。i)操动机构的防护等级:一般应达IP5X(见GB4208)。6.9.2隔离开关
a)时间参数:分、合闸时间和分、合闸速度由制造厂提供。b)开断性能。
开断母线转移电流能力:见DL/T486—2000附录B。开断容性感性电流能力:363kV以下一般不用考虑,550kV超过0.5A,由使用部门提出要求。当断路器分闸时,隔离开关操作,不应因断路器断口间电容而产生危及变压器端部绝缘的特高频过电压。c)机械稳定性次数:2000次,5000次,10000次。d)操动机构:型式分手动、电动气动或其他,分相操作或三相操作,制造厂应提供辅助触点数目等。
快速接地开关
a)时间参数:分、合闸时间上、下限,合闸时间应不超过0.1s;分、合闸速度能保证其开断及关合性能。
b)开断和关合能力。
额定关合短路电流应与断路器一致,关合次数为2次。开合电容电流和电感电流能力:见DL/T486一2000附录C。c)机械稳定性次数:2000次、5000次。d)操动机构:型式分电动弹簧、气动、手动储能弹簧或其他。6.9.4检修接地开关
检修接地开关应与隔离开关的动热稳定电流应相等,机械稳定性次数同快速接地开关。开合电容电流和电感电流能力:见DL/T486—2000附录C。6.9.5电流互感器
按GB1208要求。
a)额定二次电流:从1、2、5A中选取。b)额定输出容量:分测量级、保护级及TPY型绕组。c)标准准确级:测量级一般为0.2级,仪表保安系数小于5。保护用绕组和TPY型短路电流倍数Kssc和暂态磁通倍数Kf,由用户提出要求。一般在一次通过故障电流0.04s内,二次暂态误差不应超过7.5%,短路电流倍数应尽量满足系统额定短路开断电流值。6.9.6电压互感器
按GB1207要求。
a)额定电压:从表2中选取。
b)额定二次电压:一般为100//3V(测量,保护级);当辅助绕组△接法时为100V。c)额定输出容量:应分别给出测量用绕组、保护用绕组和辅助绕组的额定输出容量。d)准确级:测量级一般为0.2级,其他为3P级。e)当三相一次绕组施加三相平衡电压时,辅助绕组开口三角的剩余电压不得大于1.0V。f)额定过电压倍数:1.2PU连续,1.5PU允许30s。5
: :/showpage. d11?op=P&pageNo=1-15&name=&book=029410&PageNum=003-7-10DL/T728—2000
g)应防止一次回路放电对二次绕组和二次回路产生影响。h)局部放电:在1.1PU下不大于10pC。6.9.7避雷器
页码,9/15
a)额定电压、持续运行电压:从GB11032一1989交流无间隙金属氧化物避雷器表6中选取。b).冲击残压:在标称放电电流下给出陡波冲击残压(1/5μs)和雷电冲击残压(8/20μus),在规定的操作波冲击电流下给出操作冲击残压(30/60us)。c)冲击通流容量:(25~100)kA,4/10μus应能冲击2次。d)长持续时间冲击电流耐受能力,应规定线路冲击阻抗,峰值持续时间,充电电压及次数。e)直流1mA参考电压。
f)金属氧化物元件最小总能量吸收能力(kI/kV)。g)压力释放能力最小值为在系统额定短路开断电流0.2s。h)长线释放等级。
6.9.8母线
\a)导体的电感、电容、电阻及波阻抗由制造厂提供。b)外壳电阻由制造厂提供。
c)母线的导体和外壳的电能损耗(W/m)由制造厂提供。6.9.9绝缘子
a)1.1倍额定相电压下局部放电量应不大于3pC。b)盆式绝缘子破坏压力与其运行压力之比,即安全系数大于4.5。c)1.1倍额定相电压下,最大电场强度不大于1.5kV/mm。6.9.10SF6/空气套管
a)最大工作荷载时的安全系数应大于2.5。b)环氧树脂浸渍纸套管的局部放电量在额定电压下不大于3pC,在2倍额定相电压下不大于5pC;介质损耗tg不大于0.5%。
i结构要求
7.1气体监测系统
7.1.1每个封闭压力系统(隔室)应设置密度监视装置,制造厂应给出补气报警密度值,对断路器室还应给出闭锁断路器分、合闸的密度值。7.1.2密度监视装置可以是密度表,也可以是密度继电器,并设置运行中可更换密度表(密度继电器)的自封接头或阀门。在此部位还应设置抽真空及充气的自封接头或阀门,并带有封盖。当选用密度继电器时,还应设置真空压力表及气体温度压力曲线铭牌,在曲线上应标明气体额定值、补气值曲线。在断路器隔室曲线图上还应标有闭锁值曲线。各曲线应用不同颜色表示。7.1.3密度监视装置可以按GIS的间隔集中布置,也可以分散在各隔室附近。当采用集中布置时,管道直径要足够大,以提高抽真空的效率及真空极限。7.1.4密度监视装置、压力表、自封接头或阀门及管道均应有可靠的固定措施。7.1.5应有防止内部故障短路电流发生时在气体监视系统上可能产生的分流现象。7.1.6气体监视系统的接头密封工艺结构应与GIS的主件密封工艺结构一致。7.2外壳与伸缩节
7.2.1外壳可以是钢板焊接、铝合金板焊接结构或铸铝结构。并按压力容器有关标准设计、制造与检验。
7.2.2GIS的平面布置图及剖视图上,应标明伸缩节的位置与数量。伸缩节一般采用不锈钢波纹管结构,也可以是特殊的套筒结构(运行中可以整个间隔抽出来处理故障)。6
:/showpage.d11?op=P&pageNo=1-15&name=&book=029410&PageNum=003-7-107.2.3应注明GIS外壳局部拆装的部位。7.2.4伸缩节
DL/T728—2000
页码,10/15
伸缩节(如有时)主要用于装配调整,吸收基础间的相对位移或热胀冷缩的伸缩量等。制造厂应根据使用的目的、允许的位移量等来选定伸缩节的结构在GIS分开的基础间允许的相对位移(不均勾下沉)应由制造厂和用户商定。7.3隔空与防爆
7.3.1GIS的间隔一次模拟图上应标明隔室的具体部位,在设备上应有色标表示。7.3.2.每个隔室应装有适当数量的吸附剂装置。7.3.3每个气室应设防爆装置,但满足如下条件之一的也可以不设防爆装置:a)气室分隔的容积足够大,在内部故障电弧发生的允许时限内,压力升高为外壳承受所允许,而不会发生燥裂。
b)制造厂与用户达成协议。
7.3.4防爆装置的防爆膜应保证在使用年限内不会老化开裂。7.3.5制造厂应提供防爆装置的压力释放曲线。7.3.6防爆装置的布置及保护罩的位置,应确保排出压力气体时,不危及巡视通道上执行运行任务人员的安全。
7.4支撑与底架
7.4.1GIS按运输拼装单元设置独立的支撑底架,并设置和标明起吊部位。在运输中需要拆除的部位,必要时应增设运输临时支撑。
7.4.2GIS的支撑底架结构若为固定不可调整式,制造厂在出厂前应予调整使符合现场安装要求,在现场安装时不得再用垫块调整。7.4.3电缆终端支撑底架应满足电缆现场施工的方便及电缆的固定。7.4.4GIS的所有支撑不得妨碍正常维修巡视通道的畅通。7.4.5必要时应设置永久性的高层平台及扶梯,便于操作、巡视及维修。7.5接地
按GB/T11022及DL/T617执行,并作如下补充:7.5.1制造厂提供的GIS平面布置图或基础图上,应标明与接地网连接的具体位置及连接的结构。7.5.2GIS的接地连线材质应为电解铜,并标明与地网连接处接地线的截面积要求。7.5.3当采用单相一壳式钢外壳结构时,应采用多点接地方式,并确保外壳中感应电流的流通以降低外壳中的涡流损耗。
7.5.4接地开关与快速接地开关的接地端子应与外壳绝缘后再接地,便以测量回路电阻,校验电流互感器变比,检测电缆故障。
7.6母线
7.6.1母线材质为电解铜或铝合金。7.6.2铝合金母线的导电接触部位表面应镀银。7.6.3导电回路的相互连接其结构上应做到:a)固定连接应有可靠的紧力补偿结构,不允许采用螺纹部位导电的结构方式。b)触指插入式连接结构应保证触指接触压力均匀。7.7油漆
7.7.1制造厂应提供色标,供用户选择GIS外壳及箱体的油漆颜色。:7.7.2GIS的接地、SF。气体管道、压缩空气管道等的油漆颜色应按有关标准分别表示以便区分。7.7.3油漆应保证(8~10)年完好。7.8压缩机及管道系统
:/showpage.d11?op=P&pageNo=1-15&name=&book=029410&PageNum=003-7-10DL/T728—2000
页码,11/15
7.8.1当GIS采用气动操作时,若压缩机采用集中布置方式,则一般至少设置2组,运行中应同时工作启动,并设置控制保护减压及疏水系统。7.8.2管道系统一般推荐双母线管道布置,阀门的设置原则要确保在一根母线管道或一台压缩机检修时仍保证对设备的供气,管道及阀门应采用铜质材料,接头采用卡套式结构。7.9扩建接口
GIS若采用分期建设,订货时应要求制造厂留有扩建接口,扩建接口宜设在分段开关处,扩建接口部位的接头应设置临时屏蔽装置及封盖。7.10控制与操作
7.10.1动力合闸:按GB11022—1999的6.8.1执行。7.10.2能合闸:按GB11022—1999的6.8.2执行。7.10.3脱扣器操作按GB11022—1999的6.9执行。7.10.4低气压和高气压联锁装置:按GB11022—1999的6.10执行。7.11、联锁
7.11.1GIS的联锁主要指:
a)隔离开关、接地开关与有关断路器之间的联锁。b)隔离开关与接地开关之间的联锁。7.11.2所有联锁的二次接线应在制造厂内完成并经过检验。7.12二次回路及就地控制柜
7.12.1就地控制柜可以设在GIS底座上与GIS-起运输供货,也可以分开独立设置,当就地控制柜安装在GIS底座架上,应考虑到GIS设备操作振动的影响。当GIS为户外布置时,应按户外条件来考虑柜体的设计结构工艺。
7.12.2GIS的全部二次线电缆应可靠固定,并全部在专用管道或专用托架中敷设。二次线进出接线盒或柜体部位应可靠封闭并固定。7.12.3二次走线应与GIS的接地线保持一定距离,要防止内部故障短路电流发生时在二次线上可能产生的分流现象。
7.13套管
7.13.1出线套管采用SF。或环氧树脂浸渍电容型,外套采用瓷质或硅橡胶,其伞型应按IEC815规定,爬距按大气污染等级及海拔高度选取。7.13.2变压器油气套管采用环氧树脂浸渍电容器,当选用油纸电容型时,应设置温度补偿油膨胀器。7.14电缆连接
电缆连接应考虑电缆耐压装设试验套管的可能性与方便性。GIS的电缆终端壳体上部除出线电压互感器外,不得布置隔离开关与接地开关等元件。如有可能,出线电压互感器的布置方式也应考虑电缆耐压的方便性,具体方式由用户与制造厂协商解决。7.15辅助设备
7.15.1辅助电气设备
随制造厂GIS提供的辅助电气设备应满足a)额定电压:交流为400V/230V;直流电压根据工程设计给定。b)电动机:
绝缘等级,B级;
-外壳防护等级,IP54(见GB4208)。e)二次元件:根据工程具体要求,对控制开关、按钮、表计、指示灯等二次元件作出相应的规定。7.15.2电力和控制电缆
交直流电力和控制电缆应满足1kV电压等级的绝缘要求,应选用阻燃型聚乙烯或交联聚乙烯电缆。8
./showpage.d11?op=P&pageNo=1-15&name=&book=029410&PageNum=003-7-10
小提示:此标准内容仅展示完整标准里的部分截取内容,若需要完整标准请到上方自行免费下载完整标准文档。
标准图片预览:





- 其它标准
- 热门标准
- 电力行业标准(DL)
- DL/T332.1-2010 nbsp;塔式炉超临界机组运行导则 第1部分:锅炉运行导则
- DL/T1033.11-2006 电力行业词汇 第11部分:事故、保护、安全和可靠性
- DL/T724-2000 电力系统用蓄电池直流电源装置运行与维护技术规程
- DL/T455-2008 锅炉暖风器(免费下载)
- DL/T373-2010 电力复合脂技术条件
- DL/T849.4-2004 电力设备专用测试仪器通用技术条件 第4部分:超低频高压发生器
- DL/T1602-2016 发电厂纯水脱气氢电导率在线测量方法
- DL/T939-2005 火力发电厂锅炉受热面管监督检验技术导则
- DL/T997-2006 火电厂石灰石-石膏湿法脱硫废水水质控制指标
- DL/T1217-2013 磁控型可控并联电抗器技术规范
- DL/T411-1991 镶嵌式电力调度模拟屏通用技术条件
- DL/T504-1992 电力工程规划设计任务来源代码
- DL/T474.2-2006 现场绝缘试验实施导则 第2部份:直流高电压试验
- DL/T756-2009 悬垂线夹
- DL/T1217-2013 磁控型可控并联电抗器技术规范
- 行业新闻
请牢记:“bzxz.net”即是“标准下载”四个汉字汉语拼音首字母与国际顶级域名“.net”的组合。 ©2025 标准下载网 www.bzxz.net 本站邮件:bzxznet@163.com
网站备案号:湘ICP备2025141790号-2
网站备案号:湘ICP备2025141790号-2