- 您的位置:
- 标准下载网 >>
- 标准分类 >>
- 机械行业标准(JB) >>
- JB/T 7417-1994 内圆砂轮轴
标准号:
JB/T 7417-1994
标准名称:
内圆砂轮轴
标准类别:
机械行业标准(JB)
标准状态:
已作废-
发布日期:
1994-09-06 -
实施日期:
1995-07-01 -
作废日期:
2008-03-01 出版语种:
简体中文下载格式:
.rar.pdf下载大小:
249.08 KB
发布部门:
上海磨床所相关标签:
砂轮
点击下载
标准简介:
标准下载解压密码:www.bzxz.net
本标准规定了内圆砂轮轴的分类、技术要求、试验方法、检验规则、标志、包装、运输、贮存等要求。 JB/T 7417-1994 内圆砂轮轴 JB/T7417-1994
部分标准内容:
中华人民共和国机械行业标准
JB/T 7417-94
内圆砂轮轴
1994-09-06 发布
中华人民共和国机械工业部
1995-07-01实施
中华人民共和国机械行业标准
!主题内客与透用范围
JB/r7417-94
电ZB[55019-87
本际准规定了内圆轮轴(以下筒称矽轮辅)的分类,技术要求,试检方决,检验就标志.包装,运忙存等要求
本标准适月二到住享资外径52--150由最动拍承作支承、书传动的普通级的内床利纳录恶来轮主兼,其他房床也可参原恢司。号.用标准
CB 131
JE 2678
ZB15CQ03
ZB35C004
ZBJ5C13
3产品分类
包装储运图示际志
会四切制机庆确度检验通
金属切机表考适度的测是
金属切削机关噪声声压级关测定机床贴锈技求柔件
3.1砂轮主清的牛式
少轮主轴端郭的型式见图1、图2利图3。1型式(件定心支)
护械工业部19909-06批准
1995-07-01实施
3.2.1±冬数
主参数应符合表1的规定,
套节外
襄简长库工
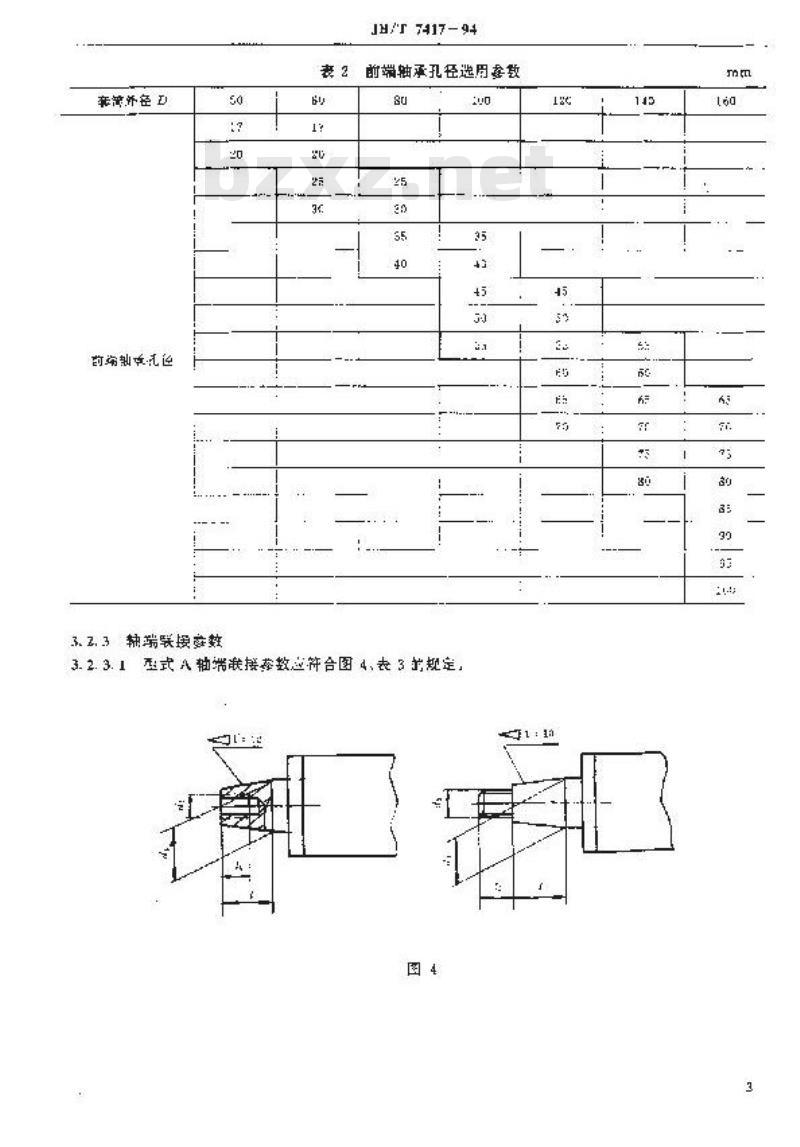
3.22前指拍承孔径送用参效
JD/T 741794
图2型式总阅性孔定心式)
3型式(谁托定心式)
主容数
轮猫前端轴承孔臣选用琴数应符合表2的规定。2
亲第外径D
前政式迫
3.2.3轴端联换穿数
JH/T 7417- 94
前端轴承孔任选用参致
3.2.3.1型式A抽端嵌接荐数应符合图4,表3规定t 下载标准就来标准下载网
前消轴近孔征
3. 2. 3. 2
JB/T7417 -94
表3型式A轴端主要联接数
实螺斑
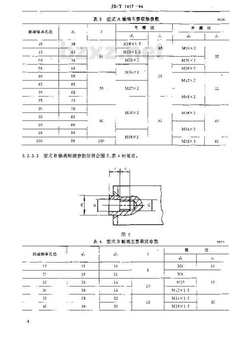
型B拍端联参款应符图5表4的电定固5
型式B轴端主要联接参效
前轴承孔钙
并医效
M24×3
MS-×3
的焱抽采孔径
JR/T $$17-94
型式亡新动联接参数应符合图6、装书见定,3. 2. 3. 3
塑式心轴主接
前端抽孔衣
3.3产品标
M2?×2
3.3.1际记的组成
3.3.2标记例
弥记示划1
标记示降至:
JB/T7417-94
要大设让改进原主室
前编灿系代(轴承型专的启三位效:禁商的
会简外径的1/10
转回代身顺转代号略,逆转代号N轴端型式
砂轮拍类代号
特轻需刻拥承径为8m
套简外径:150mm
型式A
砂轮轴类代号
第一次重大设计改进
轻系列拍率,孔径为4lmr1
套筑长度250mr
套赔外径n
型式B
砂轮拍大代学
JE/T7417-94
歡账标
JB/T 7417-94
JD/T7417-94
4.2湿度与混升
IB/T 7417-94
秒轮轴虽温度不过60;升不超过25℃检验方法:
在无负荷状态下以砂轮轴的最高转逐运转,使主轴轴承这到稳定温度时,在装拍承妇的套简外圆上测是辅承并据度与升。
4.3顾件
欣整劫范实际预加负药应符合设计规定.即允差不趋过设计规走催的主%。检性方法:
固定砂轮担和指示器.使店示器测头垂直越及去轴端面,在主轴轴线处.沿卡轴轴说参阻设计我的加码逐资列载·直系生轴与简之可达设计规定的相对位移最·此时加教力F的是实网的鱼见
计单公共,
if-F Fx
式中产实际的预加负声,V
误计规定的预后荷.N
砂轮轴径向静刚度利转向静刚度虚不小二设计规定值医
检验方法:
经可静测度
J/T 74I-94
质定砂轮独和测小计。在砂轮轴主轴外沿前端并通过主抽轴如载F过载!的方向一般应为节用工作状态下的力方向。回是指尽器,使其测垂直触及土轴外证如我点°位间工。性后·分正级平斯地加载(见图81.记录测力计各级读数及抢示器拍相应读数值,逆续加载两次,分别记承,并技款(2>计算,然片将主抛换转180°更享检验-·次。经静团度长管必州资测量结要的平当消计头链及位鼠:
型式,应为欧轮宽度中心平面径向专面,型式B、型式已,应为于粘射伸距会简量远端处范径向表面,b.辆向度
回定形轮拍和测力计让。在砂轮拍三轴前端沿推线方向费固定指求器·使其测头垂直轴及三推瑞而靠近外圈冲缘处,熟后分五级一稳地订载(况图8)记录测力计各级读数收指示靠明应读效值,续加载两达,分别记录井按式(2计算白辅向静刚位,注:最大期载力为比的事度效的13静剧虚检验证录长见表6.
第一次加载
第公次
或:k-
两次载力的平均值,N:
第二次之载
T.一两次划裁下相应的主轴位移量的平网值,产m:每次加就的级效:
[]:设计规定的静刚度值,N/um,+.5砂轮轴主轴轴线对套简轴线的重合度与平行厌砂轮抽主轴轴线对鲁简轴线的量合度平行度光差:,UsmF,F.
小提示:此标准内容仅展示完整标准里的部分截取内容,若需要完整标准请到上方自行免费下载完整标准文档。
JB/T 7417-94
内圆砂轮轴
1994-09-06 发布
中华人民共和国机械工业部
1995-07-01实施
中华人民共和国机械行业标准
!主题内客与透用范围
JB/r7417-94
电ZB[55019-87
本际准规定了内圆轮轴(以下筒称矽轮辅)的分类,技术要求,试检方决,检验就标志.包装,运忙存等要求
本标准适月二到住享资外径52--150由最动拍承作支承、书传动的普通级的内床利纳录恶来轮主兼,其他房床也可参原恢司。号.用标准
CB 131
JE 2678
ZB15CQ03
ZB35C004
ZBJ5C13
3产品分类
包装储运图示际志
会四切制机庆确度检验通
金属切机表考适度的测是
金属切削机关噪声声压级关测定机床贴锈技求柔件
3.1砂轮主清的牛式
少轮主轴端郭的型式见图1、图2利图3。1型式(件定心支)
护械工业部19909-06批准
1995-07-01实施
3.2.1±冬数
主参数应符合表1的规定,
套节外
襄简长库工
3.22前指拍承孔径送用参效
JD/T 741794
图2型式总阅性孔定心式)
3型式(谁托定心式)
主容数
轮猫前端轴承孔臣选用琴数应符合表2的规定。2
亲第外径D
前政式迫
3.2.3轴端联换穿数
JH/T 7417- 94
前端轴承孔任选用参致
3.2.3.1型式A抽端嵌接荐数应符合图4,表3规定t 下载标准就来标准下载网
前消轴近孔征
3. 2. 3. 2
JB/T7417 -94
表3型式A轴端主要联接数
实螺斑
型B拍端联参款应符图5表4的电定固5
型式B轴端主要联接参效
前轴承孔钙
并医效
M24×3
MS-×3
的焱抽采孔径
JR/T $$17-94
型式亡新动联接参数应符合图6、装书见定,3. 2. 3. 3
塑式心轴主接
前端抽孔衣
3.3产品标
M2?×2
3.3.1际记的组成
3.3.2标记例
弥记示划1
标记示降至:
JB/T7417-94
要大设让改进原主室
前编灿系代(轴承型专的启三位效:禁商的
会简外径的1/10
转回代身顺转代号略,逆转代号N轴端型式
砂轮拍类代号
特轻需刻拥承径为8m
套简外径:150mm
型式A
砂轮轴类代号
第一次重大设计改进
轻系列拍率,孔径为4lmr1
套筑长度250mr
套赔外径n
型式B
砂轮拍大代学
JE/T7417-94
歡账标
JB/T 7417-94
JD/T7417-94
4.2湿度与混升
IB/T 7417-94
秒轮轴虽温度不过60;升不超过25℃检验方法:
在无负荷状态下以砂轮轴的最高转逐运转,使主轴轴承这到稳定温度时,在装拍承妇的套简外圆上测是辅承并据度与升。
4.3顾件
欣整劫范实际预加负药应符合设计规定.即允差不趋过设计规走催的主%。检性方法:
固定砂轮担和指示器.使店示器测头垂直越及去轴端面,在主轴轴线处.沿卡轴轴说参阻设计我的加码逐资列载·直系生轴与简之可达设计规定的相对位移最·此时加教力F的是实网的鱼见
计单公共,
if-F Fx
式中产实际的预加负声,V
误计规定的预后荷.N
砂轮轴径向静刚度利转向静刚度虚不小二设计规定值医
检验方法:
经可静测度
J/T 74I-94
质定砂轮独和测小计。在砂轮轴主轴外沿前端并通过主抽轴如载F过载!的方向一般应为节用工作状态下的力方向。回是指尽器,使其测垂直触及土轴外证如我点°位间工。性后·分正级平斯地加载(见图81.记录测力计各级读数及抢示器拍相应读数值,逆续加载两次,分别记承,并技款(2>计算,然片将主抛换转180°更享检验-·次。经静团度长管必州资测量结要的平当消计头链及位鼠:
型式,应为欧轮宽度中心平面径向专面,型式B、型式已,应为于粘射伸距会简量远端处范径向表面,b.辆向度
回定形轮拍和测力计让。在砂轮拍三轴前端沿推线方向费固定指求器·使其测头垂直轴及三推瑞而靠近外圈冲缘处,熟后分五级一稳地订载(况图8)记录测力计各级读数收指示靠明应读效值,续加载两达,分别记录井按式(2计算白辅向静刚位,注:最大期载力为比的事度效的13静剧虚检验证录长见表6.
第一次加载
第公次
或:k-
两次载力的平均值,N:
第二次之载
T.一两次划裁下相应的主轴位移量的平网值,产m:每次加就的级效:
[]:设计规定的静刚度值,N/um,+.5砂轮轴主轴轴线对套简轴线的重合度与平行厌砂轮抽主轴轴线对鲁简轴线的量合度平行度光差:,UsmF,F.
小提示:此标准内容仅展示完整标准里的部分截取内容,若需要完整标准请到上方自行免费下载完整标准文档。
标准图片预览:





- 其它标准
- 热门标准
- 机械行业标准(JB)
- JB/T7940.4-1995 压配式压注油杯
- JB/T7893.1-1999 立式振动离心机
- JB/T7940.3-1995 旋盖式油杯
- JB/T7987-1999 普通磨料 微晶刚玉
- JB/T1648-1999 湿式多片电磁离合器
- JB/T7899-1999 填充聚四氟乙烯软带导轨 技术条件
- JB/T7952-1995 空气净化器
- JB/T7850-1995 手夹快换接头
- JB/T7938-1999 液压泵站油箱公称容量系列
- JB/T8009.4-1999 机床夹具零件及部件 弧形压块
- JB/T7947-1999 等压式焊炬、割炬
- JB/T7925.2-1995 滑动轴承 多层轴承减摩合金硬度检验方法
- JB/T1625-2002 工业锅炉焊接管孔
- JB/T7946.2-1999 铸造铝硅合金过烧
- JB/T7948.3-1999 熔炼焊剂化学分析方法 高锰酸盐光度法测定氧化锰量
- 行业新闻
请牢记:“bzxz.net”即是“标准下载”四个汉字汉语拼音首字母与国际顶级域名“.net”的组合。 ©2025 标准下载网 www.bzxz.net 本站邮件:bzxznet@163.com
网站备案号:湘ICP备2025141790号-2
网站备案号:湘ICP备2025141790号-2