- 您的位置:
- 标准下载网 >>
- 标准分类 >>
- 机械行业标准(JB) >>
- JB/T 3592-1993 钢球、滚柱自动冷镦机 精度
标准号:
JB/T 3592-1993
标准名称:
钢球、滚柱自动冷镦机 精度
标准类别:
机械行业标准(JB)
标准状态:
现行-
发布日期:
1993-03-31 -
实施日期:
1994-01-01 出版语种:
简体中文下载格式:
.rar.pdf下载大小:
75.80 KB
替代情况:
JB 3592-84
点击下载
标准简介:
标准下载解压密码:www.bzxz.net
本标准规定了冲模(冲头夹持器)与滑块为整体式的钢球,滚柱自动冷镦机的几何精度和工作精度,允差及其检验方法。本标准适用于单击钢球自动冷撤机,单、双击和多工位滚柱自动冷傲机。 JB/T 3592-1993 钢球、滚柱自动冷镦机 精度 JB/T3592-1993
部分标准内容:
中华人民共和国机械行业标
JB/T 3592-93
钢球、滚柱自动冷机
199303-31发布
中华人民共和国机械工业部
199-4-01-01实施
中华人民共和国机械行业标准
钢球、滚柱自动冷镦机
1主题内与适用范围wwW.bzxz.Net
JB/T3592
代55X1
本标准势定了冲模(冲头支持器)与滑块为整体式的能球,液柱动冷谢机(简称钢球,滋杜口动冷辙机)的几向拖变和工作箱度·汇差及其检验法本标难适用予单含钢球口动冷激机,单、双击插多工位滚性育动冷敏机。2引用标准
数位烤约越则
GB10923压机械摘度检瞻通则
3商要说明
3.1锅球、液杜自动冷微凯的几何精度应按差格规定及度选行测量,实谢还度小半统定测盘长度时,应按出例进行折期,其折算结果按G8170修约至微来位数,总允举值不足0.0mm时,奶以0.01mm计
3.2在制造与装配钢球,滚书门动冷机时.应保证+要李守的关钩项月的精虑择个表1规究、1
深牛老称
头未及率
拉验项日
冲头夹持器模汇中心学对冲头光片器行必采血的垂直支叫模半模注中心类对叫快座后支承面的等点忧泻块和机野的导执阅隙按表5进行检将。2
机械工业部19531批准
销球心
ti-~18
亚市宁批
的总间隙
并来mm
险玲方出
避尺在讨块的改后报
u. y -- 2. 08
张依置测整得块2贴机点 3
的导机间的调穿
同味作前和后,无印右认
行划册
自动冷策机起分别滤量间
1994-01-01实游
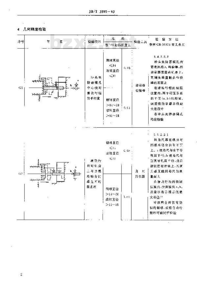
4几精度栓验
JB/13592—93
轻壁功
净头夹
持希祺理
中心线对
清块行程
的十行度
新梁行
三与当
陷贴合的
垂上度
在品行程长次工
新床直径
落企直径
>11--28
补直径
11--1B
激挂立色
均球立径
商托支放
>11~-18
格验工共
指示器
检整方达
照GB1C923有X文
5. 4. 2. 2. 2
头夹持乱挑孔内
肾离瓶入格摔,格
指示路原固在析身上
调头年验
情的表面上
在滑按行程的做服
过置内,两个互
认差按持示独示债始
大差该计
各冲头夹换器挑孔
均应格整
5. 5. 2. 2. 1
拼的尺靠在恒牙与
提年店合的七司
上。便尺与水
凯西乎行;b使伯尺与
盈直导教面以行,当示
微发质在益块上,成退
指示器
垂直迎到单尺的视
量面上
法决行玩的投版
位互内,分别检段,h,
读差以活示器示使最
云议!
对该贴合而装有垫
标的胡味、说性自动冷
装机可做扫格验
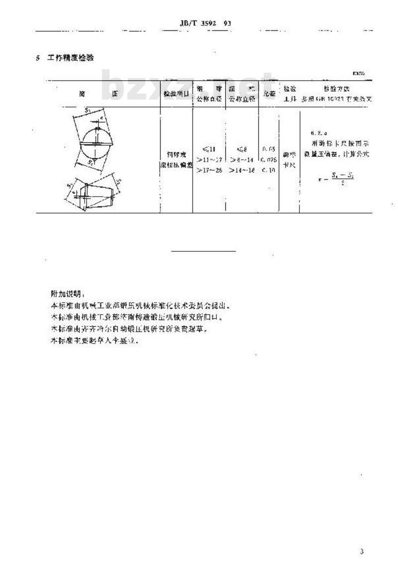
5工炸精度检验
附加说明,
JB/T359293
检控确
公称自在
公称直径
2>8--14
214~-1e
本标准由机械工业部银互矶缺标准化术交页会提出实款准由机技工业部济南情造设压恢研究所中口。本标准由齐齐冷尔自动锻压桃研究所负声起草。本标准主要起卓人本盛
格验亨益
1 多照 1G22 在关然
用游标卡尺按图示
益玉省在,计算分元
小提示:此标准内容仅展示完整标准里的部分截取内容,若需要完整标准请到上方自行免费下载完整标准文档。
JB/T 3592-93
钢球、滚柱自动冷机
199303-31发布
中华人民共和国机械工业部
199-4-01-01实施
中华人民共和国机械行业标准
钢球、滚柱自动冷镦机
1主题内与适用范围wwW.bzxz.Net
JB/T3592
代55X1
本标准势定了冲模(冲头支持器)与滑块为整体式的能球,液柱动冷谢机(简称钢球,滋杜口动冷辙机)的几向拖变和工作箱度·汇差及其检验法本标难适用予单含钢球口动冷激机,单、双击插多工位滚性育动冷敏机。2引用标准
数位烤约越则
GB10923压机械摘度检瞻通则
3商要说明
3.1锅球、液杜自动冷微凯的几何精度应按差格规定及度选行测量,实谢还度小半统定测盘长度时,应按出例进行折期,其折算结果按G8170修约至微来位数,总允举值不足0.0mm时,奶以0.01mm计
3.2在制造与装配钢球,滚书门动冷机时.应保证+要李守的关钩项月的精虑择个表1规究、1
深牛老称
头未及率
拉验项日
冲头夹持器模汇中心学对冲头光片器行必采血的垂直支叫模半模注中心类对叫快座后支承面的等点忧泻块和机野的导执阅隙按表5进行检将。2
机械工业部19531批准
销球心
ti-~18
亚市宁批
的总间隙
并来mm
险玲方出
避尺在讨块的改后报
u. y -- 2. 08
张依置测整得块2贴机点 3
的导机间的调穿
同味作前和后,无印右认
行划册
自动冷策机起分别滤量间
1994-01-01实游
4几精度栓验
JB/13592—93
轻壁功
净头夹
持希祺理
中心线对
清块行程
的十行度
新梁行
三与当
陷贴合的
垂上度
在品行程长次工
新床直径
落企直径
>11--28
补直径
11--1B
激挂立色
均球立径
商托支放
>11~-18
格验工共
指示器
检整方达
照GB1C923有X文
5. 4. 2. 2. 2
头夹持乱挑孔内
肾离瓶入格摔,格
指示路原固在析身上
调头年验
情的表面上
在滑按行程的做服
过置内,两个互
认差按持示独示债始
大差该计
各冲头夹换器挑孔
均应格整
5. 5. 2. 2. 1
拼的尺靠在恒牙与
提年店合的七司
上。便尺与水
凯西乎行;b使伯尺与
盈直导教面以行,当示
微发质在益块上,成退
指示器
垂直迎到单尺的视
量面上
法决行玩的投版
位互内,分别检段,h,
读差以活示器示使最
云议!
对该贴合而装有垫
标的胡味、说性自动冷
装机可做扫格验
5工炸精度检验
附加说明,
JB/T359293
检控确
公称自在
公称直径
2>8--14
214~-1e
本标准由机械工业部银互矶缺标准化术交页会提出实款准由机技工业部济南情造设压恢研究所中口。本标准由齐齐冷尔自动锻压桃研究所负声起草。本标准主要起卓人本盛
格验亨益
1 多照 1G22 在关然
用游标卡尺按图示
益玉省在,计算分元
小提示:此标准内容仅展示完整标准里的部分截取内容,若需要完整标准请到上方自行免费下载完整标准文档。
标准图片预览:




- 其它标准
- 热门标准
- 机械行业标准(JB)
- JB/T7940.3-1995 旋盖式油杯
- JB/T7893.1-1999 立式振动离心机
- JB/T7899-1999 填充聚四氟乙烯软带导轨 技术条件
- JB/T7938-1999 液压泵站油箱公称容量系列
- JB/T7948.3-1999 熔炼焊剂化学分析方法 高锰酸盐光度法测定氧化锰量
- JB/T7850-1995 手夹快换接头
- JB/T7952-1995 空气净化器
- JB/T8009.4-1999 机床夹具零件及部件 弧形压块
- JB/T1625-2002 工业锅炉焊接管孔
- JB/T7936-1999 直廓环面蜗杆减速器
- JB/T7939-1999 单活塞杆液压缸两腔面积比
- JB/T7941.2-1995 旋入式圆形油杯
- JB/T7948.11-1999 熔炼焊剂化学分析方法 燃烧-碘量法测定硫量
- JB/T7925.2-1995 滑动轴承 多层轴承减摩合金硬度检验方法
- JB/T7946.2-1999 铸造铝硅合金过烧
- 行业新闻
请牢记:“bzxz.net”即是“标准下载”四个汉字汉语拼音首字母与国际顶级域名“.net”的组合。 ©2025 标准下载网 www.bzxz.net 本站邮件:bzxznet@163.com
网站备案号:湘ICP备2025141790号-2
网站备案号:湘ICP备2025141790号-2