- 您的位置:
- 标准下载网 >>
- 标准分类 >>
- 国家标准(GB) >>
- GB/T 18997.2-2003 铝塑复合压力管 铝管对接焊式铝塑管
标准号:
GB/T 18997.2-2003
标准名称:
铝塑复合压力管 铝管对接焊式铝塑管
标准类别:
国家标准(GB)
标准状态:
现行-
发布日期:
2003-03-07 -
实施日期:
2003-10-01 出版语种:
简体中文下载格式:
.rar.pdf下载大小:
1.52 MB
点击下载
标准简介:
标准下载解压密码:www.bzxz.net
GB/T 18997的本部分规定了用对接焊铝管作为嵌入金属层增强,通过热熔粘合剂与内外层聚乙烯塑料复合而成的铝塑复合压力管的定义、分类、要求、试验方法、检验规则、标志、包装、运输、贮存,以及铝塑管生产用原材料的基本要求。本部分适用于输送最大允许工作压力下的流体的铝塑管,不适用于铝管未进行焊接或无胶粘层复合的塑料夹铝管材。本部分所适用的铝塑管适合于在较高工作温度和较大工作压力下输送流体。 GB/T 18997.2-2003 铝塑复合压力管 铝管对接焊式铝塑管 GB/T18997.2-2003
部分标准内容:
ICS 23. 040. 20
中华人民共和国国家标准
GB/T18997.2--2003
铝塑复合压力管
第2部分:铝管对接焊式铝塑管
Polyethylene/Aluminum/Polyethylene composite prcssure pipePart 2:PE/AL/PE pipe butt-welded by aluminum pipe2003-03-07发布
中华人武共和国
国家质量监督检验检疫总局
2003-10-01实施
GB/T18997.2—2003
GB/T1897《铝塑复合压力管》具分两部分:第1部分:辑管搭接焊式销塑笋;-第2部分铝管对接焊式锅塑管。本部分为G/T18997的第2部分。
本部分对应于ASTMF1335《较高温度条件下使用的额定压J的铝塑复合管材及管件(1!98年英文版)的“致性程度为非等效,主要技术差异如下:--—PE材料的长期静液压强度的预期寿命用59年(438700h)代替:增加了燃气用塑管用PE材料的耐气体组分要求;~一壁厚尺寸向尺寸较大的力向圆整位;—部分采纳了相关国际标准,相关ASTM标推以及其他用家同类产品你准的要求。增加了爆被试验,管环最小刺离力、气密性和逾气试验以及用于输送燃气或特种流体的气体组分试验和耐化学性试验等项目,
本部分的附录 A、录B、录 C、附录D为范性附录,附录 F为资料性附录。本部分出中国轻工业联合会提出,经部分全国塑料制品标准化委货会(T48)时1:本部分由无锡永人集团无锡市永大管业有限公同负贵起草,北京化工大学料机械及塑料工程研究所、深圳佳敛管业有限公司、溢州超维工程塑料有限公、四川省宜宾五粮液集团环球有限公司、常德美馨钳塑有限公爹加起,
本部分土要起草人:市恩润、李征、干伟明、黄片洋、上建虎、张维虎、易毅等。1范围
铝塑复合压力管
第2部分:铝管对接焊式铝塑管
GB/T 18997. 2—2003
GB/T18997的本部分规定了用对接焊铝管作为嵌人余属层增,道过热熔粘合剂与内外层案乙烯料复合而成的铝塑复合压力管(简称铝塑管或铝塑复分管)的定义、分类,要求,试验方法、检验规则、标志、包装、运输、财存,以及错塑管生产用原材料的基本要求。本部分适用于输送最大允许工作压力下的溉体(冷水、冷热水的饮用水输配系统和给水输配系统:采暖系统、地下灌溉系统、工业特种流体、压缩空气、燃气等)的钳塑管.不适用于铅管未迟行焊接或无胶粘层复合的塑料史铝管材。
本部分所适用的铝塑管适合于在较高工作湿度和较大工作压力下翰送流体,2规范性引用文件
下列文件中的条款通过(GB/T18997的本部分的引用间成为本部分的条款。凡愿注日期的引用文件,其随斥所有的修改单(不包拓期误的内容)或修订版均不适用了本部分,然而,鼓励根摇本部分达成协议的各方研究是否可使闲这些文件的最新版本。凡是不注日期的引用文件,其最新版本适用于本部分。
GB/T228金属拉伸试验法
塑料密度和相对案度试验方法(eqVIS()/D1S1183:1984)G8/3 1033-1986
GB/T 1040--1992
塑料拉值性能试验方法
GB/T 20351996 !
塑料术语及其定义(eqvIS0)472:1988)GB/T 28281987
逐批检查计数抽样程序及抽样丧(适用于连续批的检查)GB/T29181998
塑料试样状态调节和试验的标准环境(idtISr)291:1997)GB/T3682—2000
GB/T 4608-1984
热塑性塑料熔休质量流动速率和熔体体积流动速率的测定(l1SO1133:部分结晶聚合物熔点试验方法光学法GB/T 8806--1988
塑料管材尺寸测量方法(e9v1S0)3126:1974)(:R/1.3021--1991象乙管材和管件炭黑含量的测定热失重法(neISO6964:1986)R/136632000给水用聚乙烯(PE)材(neoISO4427:1995)GB/T15560流体输送用塑料管材液瞬时爆破和耐压试验方法GB15558.1-1S95燃气用埋地聚乙烯管材GB/T17219生活饮用水输配水设备及防护材料的安全性评价标摊GB/T17391--1998聚Z烯管材与咨件热稳定性试验方法(e4VJS0/TR10837:1991)GB/T18252--2000塑料管道系统用外推法对热塑性塑料臂材长期静液压强度的测定(ncgIS0/DIS 9080:1997)
GB/T 18474 2001
交联聚乙筛(FX)管材与管件交联度的试验方法(eqISC)10147:1904)GB/T 184762001
流体输送用聚烯烃管材耐裂纹护展的测定切门管材裂纹慢速增长的试GB/T 18997.2--2003
验方法(切试验)(eqv1s013479:1997)GB/T18997.!一2003塑复含压力管第1部分:铅管搭接焊式铅塑管IS)1167流体输送用热塑性塑料管材耐内压试验方法3定义和符号
3. 1定义
GR/F2035—1996及GB/T18997.1--2003中3.1确立的以及下列术语利定义适用丁本部分,3. 1. 1
铝管对接焊式铝塑管
种嵌人金属层为对接焊销合金(或铝)管的错塑管(觅图1)。PE塑料内展
内胶粘层
对接婵假管层
外胶粘层
北照料外层
图1对接焊式铝塑管
一型铝塑管
外层为聚乙烯塑料,内层为交联聚艺烯塑料,嵌人金属层为刘接焊铝合金的复合管。适合较高的工作温度和流体压力条件下使用。3.1.3
三型铝塑管
内外层均为交联聚乙烯塑料嵌人金属层为对接焊铝合金的复合管。适合较高的工作温度和流体压力下使用,比,型管具有更好的抗外恶劣环境的性能。3.1.4
三型铝塑管
内外层均为乙烯剿料,嵌人金属层为对接焊铅的复合管。适合较低的工作温度和流体!正力使期,
四型铝塑管
内外层均为案之烯類料,嵌人念属层为对接焊销合金的复合管。适合较低的工作温度和流体压力下使用,可用于输送燃气等体。3.2符号
本部分符号按(GB/T【8997.1—2003中13.2的规定:4分类与标记
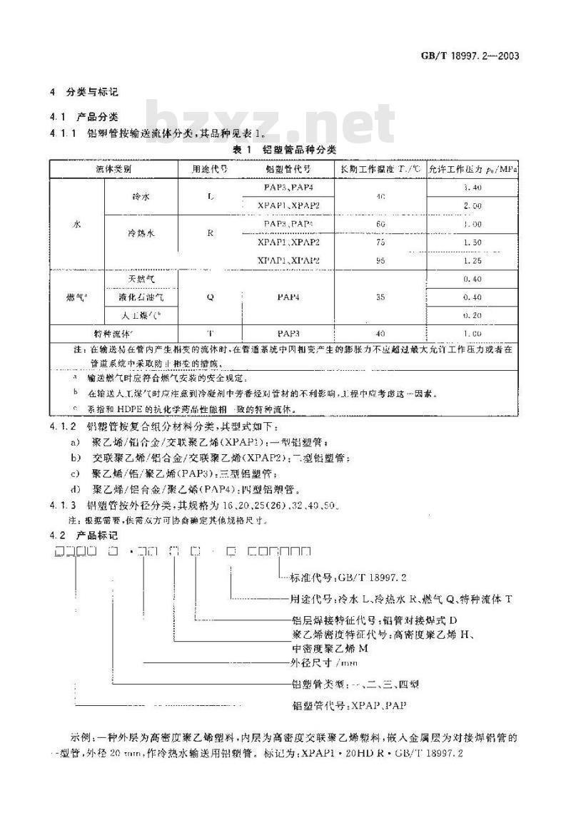
4.1产品分类
铅翻管按输送流体分类,其品种见表1,表1铝塑管品种分类
流体类别
燃气”
冷热水
天然氨
液化石油气
人上燥\
特种流体
用途代号
铅望管代号
PAP3,PAP4
XPAP1、XPAP2
PaPH,PaPA
XFAP1,XPAP2
XFAPI,XIAP2
GB/T 18997.2--2003
长期工作温度 I,/℃允许工作正力 u/MFa3.40
注:在输送易在管内产生,制变的流体时,在管道系统中内相变产生的影胀力不应超过最大允计工作压力或者在管道系统中采取防止期变的措施。输送燃气时底符合燃气安装的安全规定:在输送人L媒代时应注意到冷凝剂中芳香烃刘管材的不利影响且程中应考虑这一因素。系指和HDPE的抗化学药而性能相致的特种流休。管按复合组分材料分类,其型式如下:4.1 2
聚乙烯/钻合金/交联聚乙烯(XPAP=):一型铅塑管:交联聚乙烯/铅合金/交联聚乙烯(XPAF2):一型铝塑管:聚乙烯/铅/聚乙烯(PAP3):三型铝塑;聚乙烯/铝合金/聚乙烯(PAP4):四型铝塑管4.1.3铅塑管按外径分类,其规整为16.20.25(26),32.40.50注:根据需要,双方可协商确定其他规格尺寸4.2产品标记
EOTONM
标准代号:GB/T18997.2
月途代号:冷水 L.冷热水R、燃气Q、特种流体 T铝层焊接特征代号:铝管对接焊式I)聚乙烯密度特征代号:高密度聚乙烯H、中密度聚乙烯M
外径尺寸/mm
铝塑臂类型、三、三、四型
铝塑管代号:XPAP、PAF
示例:一种外层为高密度聚乙烯塑料,内层为高密度交联聚乙烯料,嵌人金属层为对接炼铝管的-型管,外轻20mTm.作冷热水输送用铝塑管,标记为:XPAP1·20HDR·GB/T18997.2GB/T 18997.2--2003
5材料
5.1聚乙烯树脂免费标准下载网bzxz
牛产管材所用材料为密过聚乙烯树脂(MDPE)或高密度聚乙烯树脂(HDPE),其性能应符合表2要求。
表 2 铝塑管用聚乙烯树脂的基本性能要求序
密度()
熔体质塔流
动速率/(g/10 min)
19c: 2. 16 kg
190℃,21.6kR
拉神属服强度/MPa
长期静较联强变(2心:证年
须谢摄率97.5%)/MPa
耐馒性裂纹增长:1G5 11)
热稳定件(20%)
谢气体组分(80,坏点 MPa)/h
对 PEX材料可不作要求
5.2添加剂
≤9.4上20对
小破坏
氧化诱导时间
小 min
测试方法
CB/T 1033—1985
中B法
GB/T 3682 2C00
CE/T 1540---1502
GB/T 18252--2000
GB/T 18476--2001 9
(i37T 17391—1998
GB 15E58. 1
材料类别
1HDFE,MPF
HIPEMPE
FIDPE, MEPF
Q类音材用FE
HDPE,MDPE
Q类管材用IE
外层案乙烯塑料应该加有足量的防紫外线化剂、抗载化剂和产品需耍的着色剂,对于使用于率外的铝塑管外层塑料,应添如按(B/T13021—-199!的规定方泌检测不少·12%的炭熙。内层螂料应加扰氧化剂.不宣有著色剂
5.3混配料和母料
内外层塑料宜来用混配料,亦采用基料添加母料法生产。5.4铝材
铝塑管用铝材接GB/T 228 进行测试,采用锅合金材科,其抗撤强度成不小于 80 MIa,断裂伸长率应不小于22%;来用纯铝材料,其抗拉强度应不小于60MPa,断裂长率应不小于35左5.5热熔粘合剂
热熔粘合剂应乙烯共聚物,GB/T 1033-198f 中B法测试,其密度应不低于0. 915 g/cm按B/下4608一1984方法測试压班、二型铝塑管的热熔剂合剂,基熔点威不低丁【20℃:用工三型、叫型铝塑管的热熔粘舍剂的熔点应不低工[0%5.6回用料
允许使用不含热熔粘合剂和铅的制回用料,仪用塑管的外层。6要求
6.1外观
6.1.1铅塑肾内外表面成清洁、光滑,不应有气泡、明显的划伤、凹陷.杂质、外表面额色不均等缺陷6.1.2铝蜘管内层塑料与层间不应有因脱胶而产生的狼迹线。6.1.3颜色
6.1.3.1铅塑管外层官采用以下题免,识别不同用途:冷水用铝塑管:黑色、蓝包或自色:a)
冷热水用铠塑管:橙红色:
燃气用铝篇;黄色
6. 1.3. 2室外用铝塑管外层应采用黑色,但管道上应标有表示用途额色的色标。法:根据用户需要,可出供需双方商定其他额色。6.2结构尺寸
铝塑管公称外径应衍合表3要求。6.2. 1
铝翘管内外塑料层厚度及铝些层璧厚应符合表3要求,6.2.3
圆度应符合表3要求,
铝塑管结构尺寸要求
公秘外
公称外径d.
径公差
参考内
臂壁草en
公称值
内层卵料厚
公称值·公差
管可以盘卷式或直管式供货,其长度应不少于出厂规定。6. 2、4
管环径向拉力
管环径向最大拉力应不小于表4规定值,表 4铝裂管管环径向拉力及爆破强度公称径d./mm
25(25)
6.4复合强度
6.4.1管环量小平均剥商力
管环径向拉力/N
HDPF,PEX
GB/T 18997.2---2003
单位为变米
外层塑
料最小
铅替悬壁厚e:
公称值
. 0. (
爆破压力/MPa
管环最小平购剥离力应符合表5要求,且任意一件试样的最小剥离力应不小于表5规定值的分之一
GB/T 18997.2--2003
公称外径d./mz1
最小-均剩离力/N
6.4.2扩径试验
管环最小平均剥离力
环打径后,其内层和外层与嵌入金属层之间不应出现脱胶,内外层管璧不应出现损坏。6.5气密性和通气试验
对盘卷式铝塑管逊行密试验时,管壁应尤泄澜;通气试验时、铝塑管管道内应通畅。6.6爆被试验
铝塑管按表4给出的值进行爆破试验时,管材不应发生破裂。6.7
静液压强度
6.7.1th静液压强度
铅塑骨进行1h静液压强度试验时应符合表6要求。表 6 铝塑管 1 b 静液压强度试验铝塑管代号
PAP3,PAP
公称外整d./mm
16~-50
1 000 h 静液压强魔
试验温度/气
试验压力/MPa
2. 12.0. 05
2. 00-0. 05
2. 10 -0. 05
铝塑管逊行1Cn h静液压强度试验时应符合表7要求,表 7 铝塑蓄 1 000 h 静液压强度试验铝孵管代号
PAP3,PAP4
交联度
公称外整4,mt
16·-32
40---50
试验温度/:
试验压/Ma
1. 93- 0. 03
1. 90.0. 05
1. 50-0. 0%
誠验时间/h
试龄时间/h
应无破裂,同部
球形膨胀、渗
序无破裂、局部
球烂膨胀、滤漏
交联铝蝴管交联层料进行交联度衡定附、出厂时其变联度对下硅烷交联应不小于65与;对下辐射交联府不小于的关
6.9耐化学性能
特种流体用势嘲管进行耐化学性试验试成符合表8学求,2:银据需要,共每效方可协商鸠定除表8规定之外的儿地化学介质进行谢化学性试验表8特种流体用铝塑管耐化学性能化擎介质
10沟氯化钠游液
30贤硫酸
10%耐酸
必筹复化钠济液
体积分数为头的乙醇
耐气体组分性能
质底变化平沟值/(mg/cm)
气币铝塑管进行耐气体组分试验时应符合表的要求。外规要求
试内是应无免裂、变粘等现象
流验介质
矿物(sp)
叔丁基毓醇
防依剂:甲醇或乙烯E醇
6. 11 卫生性能
表 9燃气用铝塑管耐气体组分性能虽大平均质量变化率/(%)
GB/T 18997. 2--2003
最大毕均管环径向拉神力的变化率/(%)+12
饮水用铅塑管按 7.11 的规定力法试验时应符合(GB/T17219的规定。涉及其他饮用流体用的铝塑管还应符合相关卫生性能要求。6. 12 系统适用性
冷热水用铝塑纤应将管材与管件连接成管道系统进行冷热水循环、循环压力冲击、真空、拉拔四项系统适用性试验,
6. 12. 1 耐冷热水循环性能
管道系统按表10的规定条件进行冷热水循环试验时,试验中管材、管件及连接处应光微裂,泄漏,表
最商试验温度\\
T:+oT:
最低试验益度
20·F2
最商试验避度不超过90%℃。
b每茨循环冷热容(131) min
6. 12. 2循环压力冲击性能
冷热水循环试验条件
试验压力/MPa
循环次数
每饮循环时间\/min
管道系统按表!的规定条件进行循环证力冲击试验.试验中管材、管件及连接处应无破裂、泄漏。表11
最尚试验压/MPa
1. 5=0. 35
6. 12. 3真空试验
鼓低试验压,为/MP
心. 1= 0. 05
循环压力冲击试验条件
试验混度化
23上2
管道系统进行真空试验时应符合表12的要求。表 12 真空试验条件
试验温度
6. 12. 4耐拉拔性能
6.12. 4. 1短期拉拔试验
读验压/MPa
德环次数
试验时间/h
循环频率/(次/min)
压力变化/MPa
按表13的规定条件进行短期拉拨试验,臂材与管件连接处应无任何泄凝、相对轴问移动、6.12.4.2持久拉拔试验
按表13的规定条件进行持久拉拨试验,管材与管件连接处应无任何泄漏、相对轴向移动。CB/T 18997. 2--2003
公称外径d./nmm
7试验方法
7.1外观
表13耐拉拨性能
短期拉骏性能
拉拨力/N
7.1.1铝塑管外表面质录采用日测检验。试验时间小
持久拉拔性能
拉拔力
7. t.2铝塑管内表面质量采用月测检验,取试样长 200 mI1.织向裁开检查。7.1.3铝塑管额色采用目测检验,7.2结构尺寸
7.2.1铝塑鲜平均外径和壁厚按GB/T88061988存法测星,7.2.2铅攀管内外塑料层及铝管层最小原度的御量方法如下:随机选取铝塑管样品峨取管环试样,应保持管环试样的阅度小于0t,:a)
试验时间/h
利用能刻度尺的放人镜或显微镜(分度精度0.05T1m)基取圆周六等分点的厚度,其中有-点在铝管捍缝处,分别量期料内外层及铝管层厚度,其中最小值。7.2.3铝塑管的圆度通过测量试样同:,域而的最人外轻最小外径,用计算其差值的方法确定,7. 2. 4铝塑管长度用刻度为 1 nn 的卷儿测量,7.3曾环径向拉力试验
鞍 GB/T 18397. 1 ---2003 中 7. 3 进行试验,7.4复合强度试验
7.4.1管环最小平均剥离力试验
按G13/T 18997.22003中7.4.1进行讯验,7.4.2扩径试验
按GB/T18997.1-2003巾7.4.2进行试验7.5气密性和通气试验
按GI3/T 18997. 1- 2603 中 7. 5 进行试验7. 6爆破试验
按BT1556进行战验
7.7静液压强度试验
7. 7. 11 h 静液压强度试验
接1S01167进行试验,参数见表67. 7. 21 000 h 静液压强度试验按1S01167避行试验·塞数见表7,7.8交联度测定
按G/T[87420o:两定.试样薄片别去外表皮并不含热熔粘合剂尺寸约为6mm×6tm火0. 4 rmm.
7.9耐化学性试验
按GB/ 18997.1—2003 7.9进行试验。7.10耐气体组分试验
按GB/F 18997.1—2003[7. 10进衔试验。7. 11卫生性能试验
按GB/T17219进行试验。
7.12系统适用性试验
7.12.1冷热水循环试验
按谢录A方法逊行试验。
7.12.2循环压力冲击试验
按附录B方法进行试验:
7.12.3真空试验
接附录C方法进行试验。
7.12.4拉拔试验
GB/T 18997. 2-2003
7.12.4.1从合格的管材、管件中随机抽取试样、组成一个封闭的、至少有两段管材、两个管件,长度不大于5c0mm的组件,
7.12.4.2将组件一端固定在试验机上,一端通人店力为(0.03!0.001)MPa的压缩空气,调整至不泄状态,并施加表13规定的拉获功值。7.12.4.3保持按拔力和内用力值到规定时间.检查管材与管件连接处有无泄漏、有无相对轴问移动。8检验规测
检验分为出厂检验、型式检验和定型检验,8.1组批
间·一源料、配方和工艺连续生产的同一规格产品,每 9okm作为一个检查批。如不足 90 km,以.E述生产方式七天产量作为一个检查批,不足七天产量,也作为一个检查批。8.2抽样
按 GB/T 2828-1987规定聚用一次批样方案描样、正带检查、-般检查水平「,抽样方案见表 14。表14铝塑管出厂检验抽样和合格质量水平判定合榜质虽水平AQI
批母N
91-150
151~·280
281-~50
501~-1250
1 23~3 2
3 201-:10 000
8.3出厂检验
样本大小月
8.3.1铝塑管出厂前均应出生产企业的质量部门进行出厂检验,出具合格证后方能山厂。山厂检验项H要求方法见表 15。6.1、6.2项臣按8.2 规定抽样,判定其合格质量水平。检查水乎的转移规则CB/T 18997.2--2003
按(GB/E2828—-1987的现定进行,由企业质检部门确定:其余出厂检验项目按试验方法舰定抽样表15铝塑管出厂检验项目
出广捡验项目
结构尺寸
管坏径向拉仲力试验
复合强度试验
气密性和通气试验
1 h静液压强试验
交联度测定?
技术慢求
选用于具有变联聚乙烯坛的钻塑贺本部分章、条
试验方法
合格质量水平AQ
按 8. 3. 3 判定
按8. 3. 2判定
按8.3.3判定
8.3.2每卷铝顿管均应进行6.5条出」检验·出现-件试样或次捡验不合搭则判定为不合格产品、8. 3. 3 6. 3,6. 4,6. 7. 1,6. 8 出/检验项目,出现一件试样或一欲检验不合格时,应从批量中加倍取试样进行该项检验;雄再出现件或-次检测不合格,则判定该出厂检验项目不合格。8.3.4所有旧厂检验项间合格,判定本生产批为合势批8.4型式检验
凡属下列情况之一者,应进行型式检验:8.4.1
结构、材料、工艺有较大敢变.可能影响产品性能时产品停产年以」恢复生产时:
产品常生产时,每隔两伴进行--次:c
H广榆验结果与上次型式检验结巢有较大差异时;()
国家质量监督机构提出型式检验要求时。型式检验项月要求和方法见表16。表16铝塑管型式检验项目
检验项目
出厂检验项日
爆破试验
1 000 h薛激压强度斌验
前化学推试验
耐气体组分试验
卫生性能试验
本部分率、条
投术要求
试方法
根据流体特征流要供带双方确定的项目L型
用途代号
8.4.3职式检验试样在出厂检验合格的检变批中抽样,型式捡验项目中所有试样合格,则项且合格如有…件试样不合格,则允许两次插样,即抽取同数量试样进行测试,如仍有一件试样戴一欲检測不会格,则该试验项用不合接。
8. 4.4所有型式检验项比合格为型式检验合格。型或检验不合格,应停止产品出,直到型式检验介格为止。
小提示:此标准内容仅展示完整标准里的部分截取内容,若需要完整标准请到上方自行免费下载完整标准文档。
中华人民共和国国家标准
GB/T18997.2--2003
铝塑复合压力管
第2部分:铝管对接焊式铝塑管
Polyethylene/Aluminum/Polyethylene composite prcssure pipePart 2:PE/AL/PE pipe butt-welded by aluminum pipe2003-03-07发布
中华人武共和国
国家质量监督检验检疫总局
2003-10-01实施
GB/T18997.2—2003
GB/T1897《铝塑复合压力管》具分两部分:第1部分:辑管搭接焊式销塑笋;-第2部分铝管对接焊式锅塑管。本部分为G/T18997的第2部分。
本部分对应于ASTMF1335《较高温度条件下使用的额定压J的铝塑复合管材及管件(1!98年英文版)的“致性程度为非等效,主要技术差异如下:--—PE材料的长期静液压强度的预期寿命用59年(438700h)代替:增加了燃气用塑管用PE材料的耐气体组分要求;~一壁厚尺寸向尺寸较大的力向圆整位;—部分采纳了相关国际标准,相关ASTM标推以及其他用家同类产品你准的要求。增加了爆被试验,管环最小刺离力、气密性和逾气试验以及用于输送燃气或特种流体的气体组分试验和耐化学性试验等项目,
本部分的附录 A、录B、录 C、附录D为范性附录,附录 F为资料性附录。本部分出中国轻工业联合会提出,经部分全国塑料制品标准化委货会(T48)时1:本部分由无锡永人集团无锡市永大管业有限公同负贵起草,北京化工大学料机械及塑料工程研究所、深圳佳敛管业有限公司、溢州超维工程塑料有限公、四川省宜宾五粮液集团环球有限公司、常德美馨钳塑有限公爹加起,
本部分土要起草人:市恩润、李征、干伟明、黄片洋、上建虎、张维虎、易毅等。1范围
铝塑复合压力管
第2部分:铝管对接焊式铝塑管
GB/T 18997. 2—2003
GB/T18997的本部分规定了用对接焊铝管作为嵌人余属层增,道过热熔粘合剂与内外层案乙烯料复合而成的铝塑复合压力管(简称铝塑管或铝塑复分管)的定义、分类,要求,试验方法、检验规则、标志、包装、运输、财存,以及错塑管生产用原材料的基本要求。本部分适用于输送最大允许工作压力下的溉体(冷水、冷热水的饮用水输配系统和给水输配系统:采暖系统、地下灌溉系统、工业特种流体、压缩空气、燃气等)的钳塑管.不适用于铅管未迟行焊接或无胶粘层复合的塑料史铝管材。
本部分所适用的铝塑管适合于在较高工作湿度和较大工作压力下翰送流体,2规范性引用文件
下列文件中的条款通过(GB/T18997的本部分的引用间成为本部分的条款。凡愿注日期的引用文件,其随斥所有的修改单(不包拓期误的内容)或修订版均不适用了本部分,然而,鼓励根摇本部分达成协议的各方研究是否可使闲这些文件的最新版本。凡是不注日期的引用文件,其最新版本适用于本部分。
GB/T228金属拉伸试验法
塑料密度和相对案度试验方法(eqVIS()/D1S1183:1984)G8/3 1033-1986
GB/T 1040--1992
塑料拉值性能试验方法
GB/T 20351996 !
塑料术语及其定义(eqvIS0)472:1988)GB/T 28281987
逐批检查计数抽样程序及抽样丧(适用于连续批的检查)GB/T29181998
塑料试样状态调节和试验的标准环境(idtISr)291:1997)GB/T3682—2000
GB/T 4608-1984
热塑性塑料熔休质量流动速率和熔体体积流动速率的测定(l1SO1133:部分结晶聚合物熔点试验方法光学法GB/T 8806--1988
塑料管材尺寸测量方法(e9v1S0)3126:1974)(:R/1.3021--1991象乙管材和管件炭黑含量的测定热失重法(neISO6964:1986)R/136632000给水用聚乙烯(PE)材(neoISO4427:1995)GB/T15560流体输送用塑料管材液瞬时爆破和耐压试验方法GB15558.1-1S95燃气用埋地聚乙烯管材GB/T17219生活饮用水输配水设备及防护材料的安全性评价标摊GB/T17391--1998聚Z烯管材与咨件热稳定性试验方法(e4VJS0/TR10837:1991)GB/T18252--2000塑料管道系统用外推法对热塑性塑料臂材长期静液压强度的测定(ncgIS0/DIS 9080:1997)
GB/T 18474 2001
交联聚乙筛(FX)管材与管件交联度的试验方法(eqISC)10147:1904)GB/T 184762001
流体输送用聚烯烃管材耐裂纹护展的测定切门管材裂纹慢速增长的试GB/T 18997.2--2003
验方法(切试验)(eqv1s013479:1997)GB/T18997.!一2003塑复含压力管第1部分:铅管搭接焊式铅塑管IS)1167流体输送用热塑性塑料管材耐内压试验方法3定义和符号
3. 1定义
GR/F2035—1996及GB/T18997.1--2003中3.1确立的以及下列术语利定义适用丁本部分,3. 1. 1
铝管对接焊式铝塑管
种嵌人金属层为对接焊销合金(或铝)管的错塑管(觅图1)。PE塑料内展
内胶粘层
对接婵假管层
外胶粘层
北照料外层
图1对接焊式铝塑管
一型铝塑管
外层为聚乙烯塑料,内层为交联聚艺烯塑料,嵌人金属层为刘接焊铝合金的复合管。适合较高的工作温度和流体压力条件下使用。3.1.3
三型铝塑管
内外层均为交联聚乙烯塑料嵌人金属层为对接焊铝合金的复合管。适合较高的工作温度和流体压力下使用,比,型管具有更好的抗外恶劣环境的性能。3.1.4
三型铝塑管
内外层均为乙烯剿料,嵌人金属层为对接焊铅的复合管。适合较低的工作温度和流体!正力使期,
四型铝塑管
内外层均为案之烯類料,嵌人念属层为对接焊销合金的复合管。适合较低的工作温度和流体压力下使用,可用于输送燃气等体。3.2符号
本部分符号按(GB/T【8997.1—2003中13.2的规定:4分类与标记
4.1产品分类
铅翻管按输送流体分类,其品种见表1,表1铝塑管品种分类
流体类别
燃气”
冷热水
天然氨
液化石油气
人上燥\
特种流体
用途代号
铅望管代号
PAP3,PAP4
XPAP1、XPAP2
PaPH,PaPA
XFAP1,XPAP2
XFAPI,XIAP2
GB/T 18997.2--2003
长期工作温度 I,/℃允许工作正力 u/MFa3.40
注:在输送易在管内产生,制变的流体时,在管道系统中内相变产生的影胀力不应超过最大允计工作压力或者在管道系统中采取防止期变的措施。输送燃气时底符合燃气安装的安全规定:在输送人L媒代时应注意到冷凝剂中芳香烃刘管材的不利影响且程中应考虑这一因素。系指和HDPE的抗化学药而性能相致的特种流休。管按复合组分材料分类,其型式如下:4.1 2
聚乙烯/钻合金/交联聚乙烯(XPAP=):一型铅塑管:交联聚乙烯/铅合金/交联聚乙烯(XPAF2):一型铝塑管:聚乙烯/铅/聚乙烯(PAP3):三型铝塑;聚乙烯/铝合金/聚乙烯(PAP4):四型铝塑管4.1.3铅塑管按外径分类,其规整为16.20.25(26),32.40.50注:根据需要,双方可协商确定其他规格尺寸4.2产品标记
EOTONM
标准代号:GB/T18997.2
月途代号:冷水 L.冷热水R、燃气Q、特种流体 T铝层焊接特征代号:铝管对接焊式I)聚乙烯密度特征代号:高密度聚乙烯H、中密度聚乙烯M
外径尺寸/mm
铝塑臂类型、三、三、四型
铝塑管代号:XPAP、PAF
示例:一种外层为高密度聚乙烯塑料,内层为高密度交联聚乙烯料,嵌人金属层为对接炼铝管的-型管,外轻20mTm.作冷热水输送用铝塑管,标记为:XPAP1·20HDR·GB/T18997.2GB/T 18997.2--2003
5材料
5.1聚乙烯树脂免费标准下载网bzxz
牛产管材所用材料为密过聚乙烯树脂(MDPE)或高密度聚乙烯树脂(HDPE),其性能应符合表2要求。
表 2 铝塑管用聚乙烯树脂的基本性能要求序
密度()
熔体质塔流
动速率/(g/10 min)
19c: 2. 16 kg
190℃,21.6kR
拉神属服强度/MPa
长期静较联强变(2心:证年
须谢摄率97.5%)/MPa
耐馒性裂纹增长:1G5 11)
热稳定件(20%)
谢气体组分(80,坏点 MPa)/h
对 PEX材料可不作要求
5.2添加剂
≤9.4上20对
小破坏
氧化诱导时间
小 min
测试方法
CB/T 1033—1985
中B法
GB/T 3682 2C00
CE/T 1540---1502
GB/T 18252--2000
GB/T 18476--2001 9
(i37T 17391—1998
GB 15E58. 1
材料类别
1HDFE,MPF
HIPEMPE
FIDPE, MEPF
Q类音材用FE
HDPE,MDPE
Q类管材用IE
外层案乙烯塑料应该加有足量的防紫外线化剂、抗载化剂和产品需耍的着色剂,对于使用于率外的铝塑管外层塑料,应添如按(B/T13021—-199!的规定方泌检测不少·12%的炭熙。内层螂料应加扰氧化剂.不宣有著色剂
5.3混配料和母料
内外层塑料宜来用混配料,亦采用基料添加母料法生产。5.4铝材
铝塑管用铝材接GB/T 228 进行测试,采用锅合金材科,其抗撤强度成不小于 80 MIa,断裂伸长率应不小于22%;来用纯铝材料,其抗拉强度应不小于60MPa,断裂长率应不小于35左5.5热熔粘合剂
热熔粘合剂应乙烯共聚物,GB/T 1033-198f 中B法测试,其密度应不低于0. 915 g/cm按B/下4608一1984方法測试压班、二型铝塑管的热熔剂合剂,基熔点威不低丁【20℃:用工三型、叫型铝塑管的热熔粘舍剂的熔点应不低工[0%5.6回用料
允许使用不含热熔粘合剂和铅的制回用料,仪用塑管的外层。6要求
6.1外观
6.1.1铅塑肾内外表面成清洁、光滑,不应有气泡、明显的划伤、凹陷.杂质、外表面额色不均等缺陷6.1.2铝蜘管内层塑料与层间不应有因脱胶而产生的狼迹线。6.1.3颜色
6.1.3.1铅塑管外层官采用以下题免,识别不同用途:冷水用铝塑管:黑色、蓝包或自色:a)
冷热水用铠塑管:橙红色:
燃气用铝篇;黄色
6. 1.3. 2室外用铝塑管外层应采用黑色,但管道上应标有表示用途额色的色标。法:根据用户需要,可出供需双方商定其他额色。6.2结构尺寸
铝塑管公称外径应衍合表3要求。6.2. 1
铝翘管内外塑料层厚度及铝些层璧厚应符合表3要求,6.2.3
圆度应符合表3要求,
铝塑管结构尺寸要求
公秘外
公称外径d.
径公差
参考内
臂壁草en
公称值
内层卵料厚
公称值·公差
管可以盘卷式或直管式供货,其长度应不少于出厂规定。6. 2、4
管环径向拉力
管环径向最大拉力应不小于表4规定值,表 4铝裂管管环径向拉力及爆破强度公称径d./mm
25(25)
6.4复合强度
6.4.1管环量小平均剥商力
管环径向拉力/N
HDPF,PEX
GB/T 18997.2---2003
单位为变米
外层塑
料最小
铅替悬壁厚e:
公称值
. 0. (
爆破压力/MPa
管环最小平购剥离力应符合表5要求,且任意一件试样的最小剥离力应不小于表5规定值的分之一
GB/T 18997.2--2003
公称外径d./mz1
最小-均剩离力/N
6.4.2扩径试验
管环最小平均剥离力
环打径后,其内层和外层与嵌入金属层之间不应出现脱胶,内外层管璧不应出现损坏。6.5气密性和通气试验
对盘卷式铝塑管逊行密试验时,管壁应尤泄澜;通气试验时、铝塑管管道内应通畅。6.6爆被试验
铝塑管按表4给出的值进行爆破试验时,管材不应发生破裂。6.7
静液压强度
6.7.1th静液压强度
铅塑骨进行1h静液压强度试验时应符合表6要求。表 6 铝塑管 1 b 静液压强度试验铝塑管代号
PAP3,PAP
公称外整d./mm
16~-50
1 000 h 静液压强魔
试验温度/气
试验压力/MPa
2. 12.0. 05
2. 00-0. 05
2. 10 -0. 05
铝塑管逊行1Cn h静液压强度试验时应符合表7要求,表 7 铝塑蓄 1 000 h 静液压强度试验铝孵管代号
PAP3,PAP4
交联度
公称外整4,mt
16·-32
40---50
试验温度/:
试验压/Ma
1. 93- 0. 03
1. 90.0. 05
1. 50-0. 0%
誠验时间/h
试龄时间/h
应无破裂,同部
球形膨胀、渗
序无破裂、局部
球烂膨胀、滤漏
交联铝蝴管交联层料进行交联度衡定附、出厂时其变联度对下硅烷交联应不小于65与;对下辐射交联府不小于的关
6.9耐化学性能
特种流体用势嘲管进行耐化学性试验试成符合表8学求,2:银据需要,共每效方可协商鸠定除表8规定之外的儿地化学介质进行谢化学性试验表8特种流体用铝塑管耐化学性能化擎介质
10沟氯化钠游液
30贤硫酸
10%耐酸
必筹复化钠济液
体积分数为头的乙醇
耐气体组分性能
质底变化平沟值/(mg/cm)
气币铝塑管进行耐气体组分试验时应符合表的要求。外规要求
试内是应无免裂、变粘等现象
流验介质
矿物(sp)
叔丁基毓醇
防依剂:甲醇或乙烯E醇
6. 11 卫生性能
表 9燃气用铝塑管耐气体组分性能虽大平均质量变化率/(%)
GB/T 18997. 2--2003
最大毕均管环径向拉神力的变化率/(%)+12
饮水用铅塑管按 7.11 的规定力法试验时应符合(GB/T17219的规定。涉及其他饮用流体用的铝塑管还应符合相关卫生性能要求。6. 12 系统适用性
冷热水用铝塑纤应将管材与管件连接成管道系统进行冷热水循环、循环压力冲击、真空、拉拔四项系统适用性试验,
6. 12. 1 耐冷热水循环性能
管道系统按表10的规定条件进行冷热水循环试验时,试验中管材、管件及连接处应光微裂,泄漏,表
最商试验温度\\
T:+oT:
最低试验益度
20·F2
最商试验避度不超过90%℃。
b每茨循环冷热容(131) min
6. 12. 2循环压力冲击性能
冷热水循环试验条件
试验压力/MPa
循环次数
每饮循环时间\/min
管道系统按表!的规定条件进行循环证力冲击试验.试验中管材、管件及连接处应无破裂、泄漏。表11
最尚试验压/MPa
1. 5=0. 35
6. 12. 3真空试验
鼓低试验压,为/MP
心. 1= 0. 05
循环压力冲击试验条件
试验混度化
23上2
管道系统进行真空试验时应符合表12的要求。表 12 真空试验条件
试验温度
6. 12. 4耐拉拔性能
6.12. 4. 1短期拉拔试验
读验压/MPa
德环次数
试验时间/h
循环频率/(次/min)
压力变化/MPa
按表13的规定条件进行短期拉拨试验,臂材与管件连接处应无任何泄凝、相对轴问移动、6.12.4.2持久拉拔试验
按表13的规定条件进行持久拉拨试验,管材与管件连接处应无任何泄漏、相对轴向移动。CB/T 18997. 2--2003
公称外径d./nmm
7试验方法
7.1外观
表13耐拉拨性能
短期拉骏性能
拉拨力/N
7.1.1铝塑管外表面质录采用日测检验。试验时间小
持久拉拔性能
拉拔力
7. t.2铝塑管内表面质量采用月测检验,取试样长 200 mI1.织向裁开检查。7.1.3铝塑管额色采用目测检验,7.2结构尺寸
7.2.1铝塑鲜平均外径和壁厚按GB/T88061988存法测星,7.2.2铅攀管内外塑料层及铝管层最小原度的御量方法如下:随机选取铝塑管样品峨取管环试样,应保持管环试样的阅度小于0t,:a)
试验时间/h
利用能刻度尺的放人镜或显微镜(分度精度0.05T1m)基取圆周六等分点的厚度,其中有-点在铝管捍缝处,分别量期料内外层及铝管层厚度,其中最小值。7.2.3铝塑管的圆度通过测量试样同:,域而的最人外轻最小外径,用计算其差值的方法确定,7. 2. 4铝塑管长度用刻度为 1 nn 的卷儿测量,7.3曾环径向拉力试验
鞍 GB/T 18397. 1 ---2003 中 7. 3 进行试验,7.4复合强度试验
7.4.1管环最小平均剥离力试验
按G13/T 18997.22003中7.4.1进行讯验,7.4.2扩径试验
按GB/T18997.1-2003巾7.4.2进行试验7.5气密性和通气试验
按GI3/T 18997. 1- 2603 中 7. 5 进行试验7. 6爆破试验
按BT1556进行战验
7.7静液压强度试验
7. 7. 11 h 静液压强度试验
接1S01167进行试验,参数见表67. 7. 21 000 h 静液压强度试验按1S01167避行试验·塞数见表7,7.8交联度测定
按G/T[87420o:两定.试样薄片别去外表皮并不含热熔粘合剂尺寸约为6mm×6tm火0. 4 rmm.
7.9耐化学性试验
按GB/ 18997.1—2003 7.9进行试验。7.10耐气体组分试验
按GB/F 18997.1—2003[7. 10进衔试验。7. 11卫生性能试验
按GB/T17219进行试验。
7.12系统适用性试验
7.12.1冷热水循环试验
按谢录A方法逊行试验。
7.12.2循环压力冲击试验
按附录B方法进行试验:
7.12.3真空试验
接附录C方法进行试验。
7.12.4拉拔试验
GB/T 18997. 2-2003
7.12.4.1从合格的管材、管件中随机抽取试样、组成一个封闭的、至少有两段管材、两个管件,长度不大于5c0mm的组件,
7.12.4.2将组件一端固定在试验机上,一端通人店力为(0.03!0.001)MPa的压缩空气,调整至不泄状态,并施加表13规定的拉获功值。7.12.4.3保持按拔力和内用力值到规定时间.检查管材与管件连接处有无泄漏、有无相对轴问移动。8检验规测
检验分为出厂检验、型式检验和定型检验,8.1组批
间·一源料、配方和工艺连续生产的同一规格产品,每 9okm作为一个检查批。如不足 90 km,以.E述生产方式七天产量作为一个检查批,不足七天产量,也作为一个检查批。8.2抽样
按 GB/T 2828-1987规定聚用一次批样方案描样、正带检查、-般检查水平「,抽样方案见表 14。表14铝塑管出厂检验抽样和合格质量水平判定合榜质虽水平AQI
批母N
91-150
151~·280
281-~50
501~-1250
1 23~3 2
3 201-:10 000
8.3出厂检验
样本大小月
8.3.1铝塑管出厂前均应出生产企业的质量部门进行出厂检验,出具合格证后方能山厂。山厂检验项H要求方法见表 15。6.1、6.2项臣按8.2 规定抽样,判定其合格质量水平。检查水乎的转移规则CB/T 18997.2--2003
按(GB/E2828—-1987的现定进行,由企业质检部门确定:其余出厂检验项目按试验方法舰定抽样表15铝塑管出厂检验项目
出广捡验项目
结构尺寸
管坏径向拉仲力试验
复合强度试验
气密性和通气试验
1 h静液压强试验
交联度测定?
技术慢求
选用于具有变联聚乙烯坛的钻塑贺本部分章、条
试验方法
合格质量水平AQ
按 8. 3. 3 判定
按8. 3. 2判定
按8.3.3判定
8.3.2每卷铝顿管均应进行6.5条出」检验·出现-件试样或次捡验不合搭则判定为不合格产品、8. 3. 3 6. 3,6. 4,6. 7. 1,6. 8 出/检验项目,出现一件试样或一欲检验不合格时,应从批量中加倍取试样进行该项检验;雄再出现件或-次检测不合格,则判定该出厂检验项目不合格。8.3.4所有旧厂检验项间合格,判定本生产批为合势批8.4型式检验
凡属下列情况之一者,应进行型式检验:8.4.1
结构、材料、工艺有较大敢变.可能影响产品性能时产品停产年以」恢复生产时:
产品常生产时,每隔两伴进行--次:c
H广榆验结果与上次型式检验结巢有较大差异时;()
国家质量监督机构提出型式检验要求时。型式检验项月要求和方法见表16。表16铝塑管型式检验项目
检验项目
出厂检验项日
爆破试验
1 000 h薛激压强度斌验
前化学推试验
耐气体组分试验
卫生性能试验
本部分率、条
投术要求
试方法
根据流体特征流要供带双方确定的项目L型
用途代号
8.4.3职式检验试样在出厂检验合格的检变批中抽样,型式捡验项目中所有试样合格,则项且合格如有…件试样不合格,则允许两次插样,即抽取同数量试样进行测试,如仍有一件试样戴一欲检測不会格,则该试验项用不合接。
8. 4.4所有型式检验项比合格为型式检验合格。型或检验不合格,应停止产品出,直到型式检验介格为止。
小提示:此标准内容仅展示完整标准里的部分截取内容,若需要完整标准请到上方自行免费下载完整标准文档。
标准图片预览:





- 热门标准
- 国家标准(GB)
- GB/T21666-2008 尿吸收辅助器具 评价的一般指南
- GB/T2828.1-2012 计数抽样检验程序 第1部分:按接收质量限(AQL)检索的逐批检验抽样计划
- GB/T1804-2000 一般公差 未注公差的线性和角度尺寸的公差
- GB/T32999-2016 表面化学分析 深度剖析 用机械轮廓仪栅网复型法测量溅射速率
- GB/T38604.4-2020 公共信息导向系统 评价要求 第4部分:公共汽电车车站
- GB/T13589-2007 锌及锌合金废料
- GB/T24235-2009 直接还原炉料用铁矿石 低温还原粉化率和金属化率的测定 气体直接还原法
- GB28355-2012 食品添加剂 水杨酸甲酯(柳酸甲酯)
- GB/T38948-2020 沥青混合料低温抗裂性能评价方法
- GB/T4722-1992 印制电路用覆铜箔层压板试验方法
- GB/T13070-1991 铀矿石中铀的测定 电位滴定法
- GB/T39454-2020 国际贸易业务数据规范货物跟踪与追溯
- GB/T43912-2024 铸造机械 再制造 通用技术规范
- GB/T19561-2004 寒地节能日光温室建造规程
- GB/T7574-1987 信息处理交换用磁带标号和文卷结构
- 行业新闻
请牢记:“bzxz.net”即是“标准下载”四个汉字汉语拼音首字母与国际顶级域名“.net”的组合。 ©2025 标准下载网 www.bzxz.net 本站邮件:bzxznet@163.com
网站备案号:湘ICP备2025141790号-2
网站备案号:湘ICP备2025141790号-2