- 您的位置:
- 标准下载网 >>
- 标准分类 >>
- 国家标准(GB) >>
- GB/T 12629-1990 限定燃烧性的薄覆铜箔 环氧玻璃布层压板(制造多层印刷板用)
标准号:
GB/T 12629-1990
标准名称:
限定燃烧性的薄覆铜箔 环氧玻璃布层压板(制造多层印刷板用)
标准类别:
国家标准(GB)
标准状态:
现行-
发布日期:
1990-01-02 -
实施日期:
1991-10-01 出版语种:
简体中文下载格式:
.rar.pdf下载大小:
184.37 KB
标准ICS号:
电子学>>31.180印制电路和印制电路板中标分类号:
电子元器件与信息技术>>电子元件>>L30印制电路
点击下载
标准简介:
标准下载解压密码:www.bzxz.net
本标准规定了限定燃烧性的薄覆铜箔环氧玻璃布层压板的技术要求。本标准适用于厚度不大于0.8mm的薄覆铜箔板(不包括铜箔)。本标准涉及的薄覆箔板主要用于制造多层印制板,也适用于制造单面或双面印制板。本标准涉及的薄覆箔板型号为CEPGC-34F。 GB/T 12629-1990 限定燃烧性的薄覆铜箔 环氧玻璃布层压板(制造多层印刷板用) GB/T12629-1990
部分标准内容:
中华人民共和国国家标准
限定燃烧性的薄覆铜箔
环氧玻璃布层压板
(制造多层印制板用)
Thin epnxide woven glass fabrlc copper-clad Jaminated sheetof defined flammability
for use in the fabrlcation of multilayer prlnted boardsGB12629—90
本标准是等效采用国际标准IEC 249-2-12(1987)限定燃烧性的薄覆铜箱环氧皱璃布层压板》。1主题内容与适用范围
本标准规定了限定燃烧性的薄覆铜箱环氧玻璃布层压板(以下简称薄覆箱板)的技术要求。本标准适用于厚度不大于0.8mm的薄覆铜箱板(不包括铜箔)。本标准涉及的薄覆箱板主要用于制造多层印制板,也适用于制造单面或双面印制板,本标准涉及的薄覆箔板型号为 CEPGC-34F。2引用标准
GB4721印制电路用覆铜箔层压板通用规则GB4722印制电路用覆钢箔层压板试验方法GB5230电解锅箔
GB/T13557印制电路用挠性覆铜箔材料试验方法3材料和结构
薄覆箱板出单面或双面覆以制箱的绝缘基材构成。3.1绝缘基材
绝缘基材是环氧树脂粘结的玻璃布层压板。3.2铜箱
箔的技术要求应符合GB5230的规定。4内标记
用户需要时可在薄覆箔板的基材表层的玻璃布上印出制造厂的识别标记。标记颜色为红色。标记以一定间距重复。要使板的任一部分到最近标志的最远点的距离不大于75mm,标记符号的竖立方向与基材的玻璃布的加工方向一致。5薄覆箔板的电性能
薄覆箱板的电性能应符合表1规定。国象技术监督局1990-12-28批准1991-10-01实施
W.bzsoso.coI镐箱电阻
体积!
电阻率
在潮l箱中1
恢复后
在潮差箱中\
恢复后
正常试验大气条件下介电常数
正带试验大气条件下介质损耗角正切电气强度1?
GB12629—90
试验方法
注:1)是否选择该项性能由供需双方商楚。6薄覆箔板的非电性能
6.1外观
6.1.1覆面的外观
般要求的表面
GB4722
中的条款
第4章
第5章
第 9章
第9章
第11 章
按GB5230中的2.2条
不小于1×10
不小于5×10*
不小于5×103
不小于1×10
平均值不大于 5. 5
平均值不大于0.035
由供需双方商定
钢箔与粘合面之间不应有气泡。覆箔面基本上应无针孔、划痕、凹坑及树脂等缺陷,任何变色及污垢应易于用密度为1.02g/cm的盐酸或合适的有机溶剂除去。6.1.1.2高质量要求的表面
如果电镀安金属或蚀刻精密线条需要高质量的表面时,除应符合6.1.1.1条的规定外,还应满足下列要求:
覆铜箔表面不得有瘾藏的缺陷
h。不应有深度人于10um或超过铜箔标称厚度1/5的划痕,以二者中较小数值为准;深度大于5zm但不大于10 m的划痕,其总长度在受试板的总面积内,每平方米不得超过1m。在0.5m面积上所有针孔的总面积不应超过0.012m:任何板材所具有的缺陷不得超过表2中的规定,其检验方法应按GB4722第17章中的规定。w.bzsoso:com缺陷种类
夹杂物
皱纹、起泡
GB 12629—90
允许的尺寸范圖
(如无说明聊指长度)rmm
3. 0 或宽度为 1. 0
4. 0 或高度为 0. 1
不大于
3. 0 或宽度为 1. 0
4. 0 或高度为 0. 1
在意尺寸
在任意
任意数目
任意数目
任意数目
允许数目1
在任意300 mmX
300mm面积上
任意数目
任意数目
任意数目
注:1)对于1m*或更大的板材,其任意1m中的缺陷数应符合第四列的允许数目,同一板上任盘300mm×300mm面积内的缺陷数还应符合第五列的允许数目。对小于1m的板材,其在意300mm×30αmm面积内的缺陷数应符合第五列的允许数目。对切好的其他尺寸板材,可由供需双方商定缺陷的最大尺寸及数目。2)这些尺寸的凹坑总数不得大于13.3)这些尺寸的凹坑总数不得大于 3。6.1.2层压板面
层压板面应无任何影响粘结的杂质,如脱模剂、油类或润滑剂等。6.2趣曲度
由供需双方协商。
注:由于薄覆箔板缺乏足够的阴度,只有全部被支撑时才能保持其原状。薄覆落板的弓曲和扭曲的程度与其包装状态有关。
板面尺寸及其允许偏差
薄覆箔板推荐的标称板面尺寸及允许偏差应符合表3规定。表3
椎荐标称尺寸(长×宽)
500×500wwW.bzxz.Net
1000×500
1000×1000
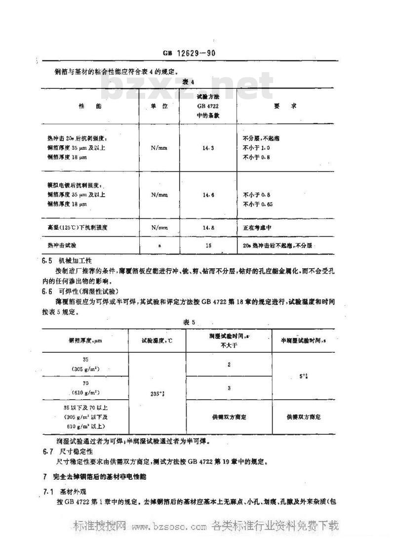
其他板面尺寸的允许偏差由供需双方商定。6.4铜箔与基材的粘合性能
GE12629--90
铜箔与基材的粘含性能应符合表4的规定。表4
试验方法
热冲击20g后抗剃强度:
铜箱厚度 35 μm 及以上
铜箱厚度 18 μm
模拟电镀启抗型蕴度:
竭箔厚度 35 μml 及以上
铜结厚度18μm
高温(125 ℃)下抗剃强度
热冲击试验
6.5机楼加工性
GB4722
中的备教
不分腰,不起泡
不小于 1. 0
不小于0. 8
不小于 0. 8
不小于心5
正在考中
20a 热冲击后不起港,不分层
按制造厂推荐的条件,薄覆箔板应能进行冲、铣、剪、钻而不分层,钻好的孔应能金属化,而不会受孔内的任何出物的影响。
6.6可焊性(润湿性试验)
薄覆箱板应为可焊或半可焊,其试验和评定方法按 GB 4722 第 18 章的规定进行,试验温度和时间按表5规定。
钢符厚度·μm
(305 g/m*)
(610g/m*)
35以下及70以上
(905g/m以下及
610g/m*以上>
试验混度,C
剂差试险时间,
不大于
供需双方商定
润湿试验通过者为可焊;半润湿试验通过者为半可焊。6.7尺寸稳定性
尺寸稳定性要求由供需双方商定,测试方法按GB 4722第19章中的规定。7完全去掉铜箔后的基材非电性能7.1基材外观
半摘湿试验时间,s
供备双方商定
按GB4722第1章中的规定。去铜箱后的基材应基本上无麻点、小孔、树痕、孔麟及外来杂质(包W.bzsoso.coIGB 12629—90
括预圖化的树脂微粒及残铜)。额色应基本一致,但允许有少许差异,7.2基材厚度及其允许偏差
基材厚度与标称厚度之差不应超过表6所列数值。除指定采用精密偏差的外,通常采用一股偏差。表6
标称厚度范围
0. 111≤0. 15
0. 3≤0. 5
0. 5≤≤0. 8
基材的优选标称厚度系列如下:0.05、0.1,0.2、0.4.0.6,0.8 mm。7.3燃烧性
燃烧性应符合表7规定。
标称厚度t,mm
垂直燃烧试验
每个试样每次点火有焰嫩烧时间每组 5 十试样 10 次点火后,总的有焰燃烧时间
第二次移开试验火焰后的无焰燃烧时间
有焰燃烧或无焰燃烧是否有烧到试样来的现象
痛落的有焰颗粒是否有点燃薄棉纸的现象
试梯尴加火焰15+之后
测试方法
GB4722
的23.5条
GB/T13557
第5章
4个试伴中有
4个试样中有 3
个未被点燃
3个火焰到达
上标记线前已
w.bzsoso:com8检验规则
GB 12629—90
薄覆箔板的检验规则应符合GB4721的规定。9包装和标志
9.1每一包装件中的薄覆箔板应剪切整齐,统一按玻璃布的加工方向排列,并在每块板上用适当的方法标明此方向。
9.2薄覆箔板的包装必须牢固,并采用防潮内包装,以免在运输及贮存期问发生损伤、翘曲或污染9.3薄覆箔板包装件内应附有产品合格证,标明制造厂名称、产品名称、本标准号、商标、型号、规格、铜箱单位面积质量、批号及制造日期。9.4外包装上应标明制造厂名称、产品名称,型号、规格、批号、制造日期、张数或重量,并标以“注意防潮\”“防晒”“小心轻放”等字样或符号标志。10运和贮存
运输和贮存应符合GB1721的规定。附加说明:
本标准由全国印制电路标准化技术委员会提出。本标准由国营七○四厂负责起草。本标雁主要起草人朱宏娇、李秀菊。W.bzsoso.coD
小提示:此标准内容仅展示完整标准里的部分截取内容,若需要完整标准请到上方自行免费下载完整标准文档。
限定燃烧性的薄覆铜箔
环氧玻璃布层压板
(制造多层印制板用)
Thin epnxide woven glass fabrlc copper-clad Jaminated sheetof defined flammability
for use in the fabrlcation of multilayer prlnted boardsGB12629—90
本标准是等效采用国际标准IEC 249-2-12(1987)限定燃烧性的薄覆铜箱环氧皱璃布层压板》。1主题内容与适用范围
本标准规定了限定燃烧性的薄覆铜箱环氧玻璃布层压板(以下简称薄覆箱板)的技术要求。本标准适用于厚度不大于0.8mm的薄覆铜箱板(不包括铜箔)。本标准涉及的薄覆箱板主要用于制造多层印制板,也适用于制造单面或双面印制板,本标准涉及的薄覆箔板型号为 CEPGC-34F。2引用标准
GB4721印制电路用覆铜箔层压板通用规则GB4722印制电路用覆钢箔层压板试验方法GB5230电解锅箔
GB/T13557印制电路用挠性覆铜箔材料试验方法3材料和结构
薄覆箱板出单面或双面覆以制箱的绝缘基材构成。3.1绝缘基材
绝缘基材是环氧树脂粘结的玻璃布层压板。3.2铜箱
箔的技术要求应符合GB5230的规定。4内标记
用户需要时可在薄覆箔板的基材表层的玻璃布上印出制造厂的识别标记。标记颜色为红色。标记以一定间距重复。要使板的任一部分到最近标志的最远点的距离不大于75mm,标记符号的竖立方向与基材的玻璃布的加工方向一致。5薄覆箔板的电性能
薄覆箱板的电性能应符合表1规定。国象技术监督局1990-12-28批准1991-10-01实施
W.bzsoso.coI镐箱电阻
体积!
电阻率
在潮l箱中1
恢复后
在潮差箱中\
恢复后
正常试验大气条件下介电常数
正带试验大气条件下介质损耗角正切电气强度1?
GB12629—90
试验方法
注:1)是否选择该项性能由供需双方商楚。6薄覆箔板的非电性能
6.1外观
6.1.1覆面的外观
般要求的表面
GB4722
中的条款
第4章
第5章
第 9章
第9章
第11 章
按GB5230中的2.2条
不小于1×10
不小于5×10*
不小于5×103
不小于1×10
平均值不大于 5. 5
平均值不大于0.035
由供需双方商定
钢箔与粘合面之间不应有气泡。覆箔面基本上应无针孔、划痕、凹坑及树脂等缺陷,任何变色及污垢应易于用密度为1.02g/cm的盐酸或合适的有机溶剂除去。6.1.1.2高质量要求的表面
如果电镀安金属或蚀刻精密线条需要高质量的表面时,除应符合6.1.1.1条的规定外,还应满足下列要求:
覆铜箔表面不得有瘾藏的缺陷
h。不应有深度人于10um或超过铜箔标称厚度1/5的划痕,以二者中较小数值为准;深度大于5zm但不大于10 m的划痕,其总长度在受试板的总面积内,每平方米不得超过1m。在0.5m面积上所有针孔的总面积不应超过0.012m:任何板材所具有的缺陷不得超过表2中的规定,其检验方法应按GB4722第17章中的规定。w.bzsoso:com缺陷种类
夹杂物
皱纹、起泡
GB 12629—90
允许的尺寸范圖
(如无说明聊指长度)rmm
3. 0 或宽度为 1. 0
4. 0 或高度为 0. 1
不大于
3. 0 或宽度为 1. 0
4. 0 或高度为 0. 1
在意尺寸
在任意
任意数目
任意数目
任意数目
允许数目1
在任意300 mmX
300mm面积上
任意数目
任意数目
任意数目
注:1)对于1m*或更大的板材,其任意1m中的缺陷数应符合第四列的允许数目,同一板上任盘300mm×300mm面积内的缺陷数还应符合第五列的允许数目。对小于1m的板材,其在意300mm×30αmm面积内的缺陷数应符合第五列的允许数目。对切好的其他尺寸板材,可由供需双方商定缺陷的最大尺寸及数目。2)这些尺寸的凹坑总数不得大于13.3)这些尺寸的凹坑总数不得大于 3。6.1.2层压板面
层压板面应无任何影响粘结的杂质,如脱模剂、油类或润滑剂等。6.2趣曲度
由供需双方协商。
注:由于薄覆箔板缺乏足够的阴度,只有全部被支撑时才能保持其原状。薄覆落板的弓曲和扭曲的程度与其包装状态有关。
板面尺寸及其允许偏差
薄覆箔板推荐的标称板面尺寸及允许偏差应符合表3规定。表3
椎荐标称尺寸(长×宽)
500×500wwW.bzxz.Net
1000×500
1000×1000
其他板面尺寸的允许偏差由供需双方商定。6.4铜箔与基材的粘合性能
GE12629--90
铜箔与基材的粘含性能应符合表4的规定。表4
试验方法
热冲击20g后抗剃强度:
铜箱厚度 35 μm 及以上
铜箱厚度 18 μm
模拟电镀启抗型蕴度:
竭箔厚度 35 μml 及以上
铜结厚度18μm
高温(125 ℃)下抗剃强度
热冲击试验
6.5机楼加工性
GB4722
中的备教
不分腰,不起泡
不小于 1. 0
不小于0. 8
不小于 0. 8
不小于心5
正在考中
20a 热冲击后不起港,不分层
按制造厂推荐的条件,薄覆箔板应能进行冲、铣、剪、钻而不分层,钻好的孔应能金属化,而不会受孔内的任何出物的影响。
6.6可焊性(润湿性试验)
薄覆箱板应为可焊或半可焊,其试验和评定方法按 GB 4722 第 18 章的规定进行,试验温度和时间按表5规定。
钢符厚度·μm
(305 g/m*)
(610g/m*)
35以下及70以上
(905g/m以下及
610g/m*以上>
试验混度,C
剂差试险时间,
不大于
供需双方商定
润湿试验通过者为可焊;半润湿试验通过者为半可焊。6.7尺寸稳定性
尺寸稳定性要求由供需双方商定,测试方法按GB 4722第19章中的规定。7完全去掉铜箔后的基材非电性能7.1基材外观
半摘湿试验时间,s
供备双方商定
按GB4722第1章中的规定。去铜箱后的基材应基本上无麻点、小孔、树痕、孔麟及外来杂质(包W.bzsoso.coIGB 12629—90
括预圖化的树脂微粒及残铜)。额色应基本一致,但允许有少许差异,7.2基材厚度及其允许偏差
基材厚度与标称厚度之差不应超过表6所列数值。除指定采用精密偏差的外,通常采用一股偏差。表6
标称厚度范围
0. 111≤0. 15
0. 3≤0. 5
0. 5≤≤0. 8
基材的优选标称厚度系列如下:0.05、0.1,0.2、0.4.0.6,0.8 mm。7.3燃烧性
燃烧性应符合表7规定。
标称厚度t,mm
垂直燃烧试验
每个试样每次点火有焰嫩烧时间每组 5 十试样 10 次点火后,总的有焰燃烧时间
第二次移开试验火焰后的无焰燃烧时间
有焰燃烧或无焰燃烧是否有烧到试样来的现象
痛落的有焰颗粒是否有点燃薄棉纸的现象
试梯尴加火焰15+之后
测试方法
GB4722
的23.5条
GB/T13557
第5章
4个试伴中有
4个试样中有 3
个未被点燃
3个火焰到达
上标记线前已
w.bzsoso:com8检验规则
GB 12629—90
薄覆箔板的检验规则应符合GB4721的规定。9包装和标志
9.1每一包装件中的薄覆箔板应剪切整齐,统一按玻璃布的加工方向排列,并在每块板上用适当的方法标明此方向。
9.2薄覆箔板的包装必须牢固,并采用防潮内包装,以免在运输及贮存期问发生损伤、翘曲或污染9.3薄覆箔板包装件内应附有产品合格证,标明制造厂名称、产品名称、本标准号、商标、型号、规格、铜箱单位面积质量、批号及制造日期。9.4外包装上应标明制造厂名称、产品名称,型号、规格、批号、制造日期、张数或重量,并标以“注意防潮\”“防晒”“小心轻放”等字样或符号标志。10运和贮存
运输和贮存应符合GB1721的规定。附加说明:
本标准由全国印制电路标准化技术委员会提出。本标准由国营七○四厂负责起草。本标雁主要起草人朱宏娇、李秀菊。W.bzsoso.coD
小提示:此标准内容仅展示完整标准里的部分截取内容,若需要完整标准请到上方自行免费下载完整标准文档。
标准图片预览:





- 热门标准
- 国家标准(GB)
- GB/T2828.1-2012 计数抽样检验程序 第1部分:按接收质量限(AQL)检索的逐批检验抽样计划
- GB50367-2013 混凝土结构加固设计规范
- GB/T18204.4-2000 公共场所毛巾、床上卧具微生物检验方法细菌总数测定
- GB5009.225-2023 食品安全国家标准 酒和食用酒精中乙醇浓度的测定
- GB/T3836.1-2021 爆炸性环境 第1部分:设备 通用要求
- GB/T29863-2023 服装制图
- GB/T9145-2003 普通螺纹 中等精度、优选系列的极限尺寸
- GB/T11839-1989 二氧化铀芯块中硼的测定 姜黄素萃取光度法
- GB/T23892.3-2009 滑动轴承 稳态条件下流体动压可倾瓦块止推轴承 第3部分:可倾瓦块止推轴承计算的许用值
- GB/T18380.33-2022 电缆和光缆在火焰条件下的燃烧试验 第33部分:垂直安装的成束电线电缆火焰垂直蔓延试验 A类
- GB/T9239-1988 刚性转子平衡品质 许用不平衡的确定
- GB/T15917.3-1995 金属镝及氧化镝化学分析方法 对氯苯基荧光酮--溴化十六烷基三甲基胺分光光度法测定钽量
- GB50209-2002 建筑地面工程施工质量验收规范
- GB/T6122.1-2002 圆角铣刀 第1部分:型式和尺寸
- GB/T7433-1987 对称电缆载波通信系统抗无线电广播和通信干扰的指标
- 行业新闻
请牢记:“bzxz.net”即是“标准下载”四个汉字汉语拼音首字母与国际顶级域名“.net”的组合。 ©2025 标准下载网 www.bzxz.net 本站邮件:bzxznet@163.com
网站备案号:湘ICP备2025141790号-2
网站备案号:湘ICP备2025141790号-2