- 您的位置:
- 标准下载网 >>
- 标准分类 >>
- 国家标准(GB) >>
- GB 9774-2002 水泥包装袋
标准号:
GB 9774-2002
标准名称:
水泥包装袋
标准类别:
国家标准(GB)
标准状态:
现行-
发布日期:
2002-04-09 -
实施日期:
2002-10-01 出版语种:
简体中文下载格式:
.rar.pdf下载大小:
301.09 KB
标准ICS号:
货物的包装和调运>>55.080麻袋、袋子中标分类号:
建材>>建材综合>>Q08标志、包装、运输、贮存
替代情况:
GB 9774-1996
点击下载
标准简介:
标准下载解压密码:www.bzxz.net
本标准规定了水泥包装袋的技术要求、试验方法、检验规则、标志、运输、贮存和使用。本标准适用于装载质量不超过50kg的各种类型的水泥包装袋。 GB 9774-2002 水泥包装袋 GB9774-2002
部分标准内容:
ICS55.080
中华人民共和国国家标准
GB9774—2002
代替GB9774—1996
水泥包装袋
Sacks for packing cement
2002-04-09发布
中华人民共和国
国家质量监督检验检疫总局
2002-10-01实施
GB 9774—-2002
本标准5.2~5.5、6.2~6.4为强制性条款,其余为推荐性条款。本标准自实施之日起代替GB9774--1996。本标准与GB9774—1996《水泥包装袋》相比·主要变化如下:纸袋袋型全部为糊底袋,取消缝底袋袋型;-增加了25kg规格包装袋,并规定其他规格包装袋由买卖双方协商确定;…增加了包装袋版面印刷内容和示意图;-…·牢固度不划分等级,并增加热处理,以5个样袋跌落不破次数均≥8次为牢固度合格;:适用溢度试验方法取消,只规定温度类型,由牢固度试验确定其适用温度;--制袋材料对水泥强度的影响试验采用GB/T17671---1999《水泥胶砂强度检验方法(1SO法)》;:·防潮性能试验,取消标准小样袋,相对湿度改为90%土5%,恒温、恒湿时间改为7天。不划分防潮等级、水泥强度试验方法采用GB/T17671--1999《水泥胶砂强度检验方法(1SO法)》,以3天抗压强度比≥90%为合格。
本标准附录C、附录D、附录E为规范性附录,附录A、附录B为资料性附录。本标准由中国建筑材料工业协会提出。本标准出全国包装标准化技术委员会袋分技术委员会归口。本标准起草单位:中国建筑材料科学研究院水泥与新型建材研究所、国家建材局标准化研究所。本标准主要起草人:江丽珍、白显明、王巧云、颜碧兰、霍春明、李金平、张大同、宋立春、刘晨甘向晨。
本标准主要协作单位:深圳中艺星实业有限公司、广州市达肯包装有限公司、唐山冀昌塑料制品有限公司、内蒙古蒙西包装材料有限公司。本标准所代替标准的历次版本发布情况为:GB9774-1988.GB9774--1996。
1范围
水泥包装袋
GB 9774--2002
本标准规定了水泥包装袋的技术要求、试验方法、检验规则、标志、运输、贮存和使用。本标准适用于装载质量不超过50kg的各种类型的水泥包装袋。2规范性引用文件
下列文件中的条款通过本标准的引用而成为本标准的条款。凡是注日期的引用文件,其随后所有的修改单(不包括勘误的内容)或修订版均不适用于本标准,然而,鼓励根据本标准达成协议的各方研究是否可使用这些文件的最新版本。凡是不注日期的引用文件,其最新版本适用于本标准。G3175.1999硅酸盐水泥、普通硅酸盐水泥GB/T7968纸袋纸
G3/T8947复合塑料编织袋
GB/T17671--1999水泥胶砂强度检验方法(ISO法)(idtISO679:1989)QB/T1460伸性纸袋纸
3分类、规格、标记、命名和版面印刷内容3.1分类
3.1.1水泥包装袋按制袋材料分为纸袋、复膜塑编袋、复合袋。3.1.2水泥包装袋按制袋工艺分为糊底袋和缝底袋两种,其中纸袋均为糊底袋,复膜塑编袋、复合袋分为糊底袋和缝底袋两种。糊底袋按糊底工艺分为粘合和热封合。3.1.2.1糊底袋
糊底袋袋身两侧为平边,两底各粘合成平面六边形,上底一角设有阀口,其典型袋型示意图如图1所亲。
图1糊底袋示意图
GB 9774-·2002
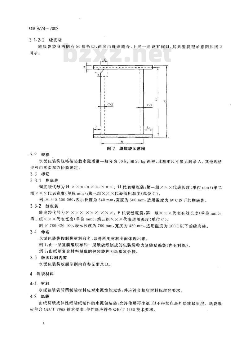
3.1.2.2缝底袋
缝底袋袋身两侧有M形折边,两底由缝线缝合,上底一角设有阀,其典型袋型示意图如图2所东
缝底袋示意图
.3.2规格
水泥包装袋规格按装载水泥质量一般分为50kg和25kg两种,其基本尺寸参见附录A。其他规格也问由买卖双方协商确定。
3.3标记
3.3.1糊底袋
糊底袋代号为 H-×××-× ××-×××。H 代表糊底袋,第一组× ××代表长度(单位 mm);第二组×××代表宽度(单位mm);第三组×××代表适用温度(单位C)。例:H-640500.060,表示长度为640mm,宽度为500mm,适用温度为60C以下的糊底袋。3.3.2缝底袋
缝底袋代号为 F-×××-×××-×××。F代表缝底袋,第一组×× ×代表有效长度(单位 mm);第二组×××代表宽度(单位mm);第三组×××代表适用温度(单位C)。例:F-780-420-100,表示长度为780mm,宽度为420mm,适用温度为100C以下的缝底袋。3.4命名
水泥包装袋按制袋材料命名,即将所用材料全面体现出来。例1:由-层复膜编织布和一层纸袋纸制戒的包装袋称为复膜塑编袋(内有衬纸)。例2:由纸塑复合材料制成的包装袋称为纸塑复合袋。3.5版面印刷内容
水泥包装袋版面印刷内容参见附录B。4制袋材料
4.1、材料
水泥包装袋所用制袋材料应对水泥性能无害,并应符合相应材料标准的要求。4.2纸袋
由纸袋纸或伸性纸袋纸制作的水泥包装袋,允许使用再生纸,但不得加在最外层或最里层。纸袋纸应符合(G13/T7968技术要求,伸性纸应符合QB/T1460技术要求。4.3复膜塑编袋、复合袋
GB 9774—2002
复膜塑编袋是由复膜塑料编织布制作的水泥包装袋(包括有内衬纸的);复合袋是由复合材料等制作的水泥包装袋(包括有内衬纸的)。复膜塑编袋和复合袋所用材料应符合相应材料标准的要求,所用内衬纸必须是纸袋纸,成型袋(包括打孔的)的物理性能应符合表1中技术要求,有关计算和试验方法按GB/T8947进行。
表1复膜塑编袋、复合袋的物理性能包装袋的
5要求
5.1外观
布的单位面积质量/
不小于
拉伸负荷/(N/50mm)
不小于
粘合向」缝边(折边)向缝(糊)底向250
平整、无裂口、无脱胶、无粘膛、印刷清晰、完整。5.2适用温度
包装袋包装水泥时的最高温度。超过最高温度,使用性能不受保证。a)纸袋:适用温度有≤60C和≤80C两种。b)复膜塑编袋、复合袋:适用温度有≤80C、≤90C和≤100℃三种。5.3牢固度
剥离力/(N/30mm)
不小于
3.0(或不可剥离)
任取5个样袋,按5.2规定温度热处理后进行跌落试验,以跌落试验不破次数表示,5个样袋跌落不破次数均应≥8次。
5. 4制袋材料对水泥强度的彩响3天抗折强度比R≥93%、3天抗压强度比R≥95%。5..5防潮性能
3天抗压强度比R.≥90%。
6试验方法
6.1外观
在正常光线下目测。
6.2牢固度
按附录(进行。
6. 3制袋材料对水泥强度的影响按附录D进行。
6.4防潮性能
按附录E进行。
7检验规则此内容来自标准下载网
7.1组批
水泥包装袋出厂前的取样编号按工厂实际生产能力分为:a)年产量≥5000万条时,以10万条为一个批号;b)年产量<5000万条时,以5万条为一个批号;当日产量<5万条时,以1d产量为一个批号。7.2取样
GB 9774--2002
取样时应随机从同一批号不同部位的15捆中各取1条样袋供检验用。7.3出厂检验
出厂检验项目为5.1、5.3。
7.4型式检验
型式检验项目为5.1、5.2、5.3、5.4、5.5。有下列情况之一时,应进行型式检验:a)新产品或老产品转厂生产;
b)结构、材料、工艺有较大改变,可能影响产品性能时;c)正常生产时,每年进行一次检验;d)产品长期停产后,恢复生产时;e)出厂检验结果与上次型式检验有较大差异时;f)国家质量监督机构提出型式检验的要求时。7.5判定规则
7.5.1出广检验
外观检验时每个编号任取15条样袋,当有13条以上符合5.1要求,即判定外观检验合格,否则为批不合格。当外观检验合格时,牢固度检验按照附录C规定的取样量进行检验,结果符合5.3要求时,判为批合格,否则为批不合格。7.5.2型式检验
外观检验时每个编号任取15条样袋,当有13条以上符合5.1要求,即判定外观检验合格,否则为型式检验不合格。当外观检验合格时,其他性能检验按照相应试验方法中规定的取样量进行检验,结果全部符合要求时,判为型式检验合格,其中任一项不符合要求时,扩大一倍取2组样品进行全部项目(除外观复检,当2组样品复检均符合要求时,才可判为型式检验合格。7.6仲裁
当买卖双方对产品质量有争议时,买卖双方应将双方认可的样袋签封,送省级或省级以上国家认可的水泥包装袋质量蓝督检验机构进行仲裁检验。7.7新开发的包装袋的定型批准
新开发的包装袋,应经国家指定的检测机构检测,并有用户试用情况报告和专家鉴定报告,同时应考虑到环境保护的要求,合格后方可投产使用。8标志和包装
8.1标志
水泥包装袋必须标明制袋企业名称、地址、包装袋生产日期和包装袋适用温度。8.2包装
水泥包装袋以100、150或200条为一捆,捆扎的绳索应不磨损袋子或在捆扎处垫上软质材料。产品应有合格证,其上印有制袋企业名称和地址、执行标准号、标记、生产日期、批号、牢固度、适用温度及防潮性能。
9运输、贮存和使用
水泥包装袋在运输和贮存过程中,不得受潮,避免高温和阳光直射,装卸时要防止硬器划破袋子。水泥包装袋储存期不宜超过6个月,超过6个月时,应重新进行检验。水泥包装袋在使用前应进行包装工艺适应性试验,即包装袋在水泥厂包装且整个包装系统处于稳定状态下时,能满足正常包装要求,并且满足出包机破包率≤0.3%的要求时,则判定该包装袋在该厂包装T艺适应性合格。该试验由买卖双方共同进行。A.1导言
附录A
(资料性附录)
水泥包装袋的基本尺寸
本附录规定了糊底袋和缝底袋的基本尺寸,适用于50kg和25kg水泥包装袋。A.2糊底袋的规格
糊底袋的规格如表A.1所示。
表 A.1糊底袋的基本尺寸
规格尺寸
包装袋规格
缝底袋的规格
袋长度
缝底袋的规格如表A.2所示。
包装袋
袋长度
A±10/
B.1导言
袋宽度
袋宽度
袋有效长度
底宽度
阀口宽度
缝底袋的基本尺寸
折边宽度
缝线纸宽度
附录B
(资料性附录)
阀口折角
长度E/
≥110
水泥包装袋版面印刷内容和示意图阀口长度
宽度F/
GB 9774---2002
单位为mm
阀口伸出长度
袋端留余线扣数
活扣L
死扣L2
本附录按水泥产品标准有关要求规定了水泥包装袋的正面、侧面、背面和上下底面(糊底袋)印刷内容,适用于各种规格的水泥包装袋。B.2正面印刷内容
水泥包装袋正面应印刷如下内容:a)水泥品牌、注册商标图形;
b)水泥生产许可证编号;
GB 9774--- 2002
()水泥产品名称;
d)水泥代号;
e)水泥产品执行标准;
f)水泥强度等级;
g)水泥净含量;
h)水泥出厂编号;
i)水泥包装口期;
j)水泥储存条件:不得受潮和混人杂物;k)水泥生产企业名称和地址。
注1:如有认证标志、免检标志等,可印于正面适当位置;注2:水泥出」编号和水泥包装日期也可印于侧面或背面。B.3侧面印刷内容
水泥包装袋一个侧面或两个侧面宜印刷如下内容:a)水泥产品名称;
b)水泥强度等级。
B.4背面印刷内容
水泥包装袋背面宜印刷如下内容:a)水泥包装袋生产日期和适用温度;b)制袋企业名称和地址。
注1:背面印刷内容也可印于侧面适当位置。B.5上下底面印刷内容
糊底水泥包装袋上下底面宜印刷如下内容:a)包装袋结构,如三层纸糊底袋其结构表示为3E,三层纸和一层塑料薄膜糊底袋则表示为3EIPE;
b)净重;
c)阀Ⅱ处应有指示性标志。
B.6版面和字体
B.6.1版面印刷应清晰完整,无斑点、无重影,颜色应符合水泥产品标准规定。B.6.2字体由买双方协商确定。
B.7版面印刷示意图
以普通硅酸盐水泥为例,水泥包装袋正面、侧面、背面印刷形式宜按图B.1安排。C.1 导言
执行标准:GB175—1999
生产许可证号:×X×
普通硅酸盐水泥
净含量50kg
注册商标图形
出厂编号:×××
包装日期:年 月 日
贮存条件:不得受潮和混人杂物水泥生产企业名称和地址
制袋企业名称和地址
GB 9774-2002
制袋日期:年月日
包装袋适用温度
两侧面
普通硅酸盐水泥
图B.1水泥包装袋版面印刷示意图附录C
(规范性附录)
水泥包装袋牢固度试验方法
本附录规定了水泥包装袋的牢固度试验方法,适用于各种规格的水泥包装袋C.2原理
将样袋装满规定重量的砂子,于1m高度自由下落,使水泥包装袋承受-个标准的冲量,考核水泥包装袋能承受多少次冲击,以其数值衡量水泥包装袋的牢固程度。C.3试验设备
C.3.1台秤:称量范围100kg士0.2kg。C.3.2电热干燥箱:温度范围150C土2C。C.3.3跌落试验机或试验架
a)支撑试验样袋的装置在释放前能使样袋处于水平状态;b)支撑装置使样袋置于1m高度(距离冲击面),其高度差不得超过士20mm;c)试验机(架)在释放过程中能保证样袋自由跌落;d)冲击面为水平面,质地坚硬,试验时不移动,不变形,不框动,冲击面的大小要足以保证样袋完全跌落在冲击面内;
e)试验机(架)在提升、转移和释放样袋时不得损伤样袋。9
GB 9774--2002
C.4 试验步骤
C.4.1每编号从15条样袋中随机抽取5条,试验前放人设定温度(根据5.2)电热于燥箱中,恒温1h后,取出,放人温度20C土5(、湿度大于50%的试验室内(复膜塑编袋也可在自然条件下的室内),冷却4h以上;
C.4.2在样袋中灌装符合GB/T17671-1999第5.1.3中0.5mm~~1.0mm中级砂(允许使用粒度≤1.0mm以下湿含量≤0.2%的建筑用砂)50kg±0.2kg或25kg±0.2kg;C.4.3将样袋平放于跌落试验机底板中心,样袋胶结口面朝上,并使砂分布均勾;如使用跌落试验架,则直接将样袋置于支撑板中心;C.4.4启动机器,提升样袋至1m高度.开启释放装置,使样袋自由下落;C.4.5反复操作,如<8次破包,记录该破包次数;如≥8次未破包,可记录8次,并注明未破包。C.5结果判定
C.5.1破包判定
有下列情况之一均为破包:
a)裂口处大于50mm;
b)几处裂口合计大于80mm;
c)阀口外翻;
t)有砂渗漏。
C.5.2合格判定
以5条样袋跌落次数表示,当5个样袋跌落不破次数均≥8次时,判定牢固度合格。附录D
(规范性附录)
制袋材料对水泥强度的影响试验方法D.1导言
本附录规定了水泥包装袋制袋材料对水泥强度的影响试验方法,适用于各种材料的水泥包装袋。D.2试验设备
D.2.1电热于燥箱:温度范围150C土2C。D.2.2符合GB/T17671规定的水泥强度试验用仪器。1).3试验步骤
D.3.1任取两条被检验样袋,用其有胶结口面缝制2个有效尺寸为250mm×150mm小袋。复膜塑编袋应去掉内衬纸,其他复合袋·挺度较大的,内衬纸沿小袋长度方向剪开100mm,挺度较小的,应去掉内衬纸;
D.3.2取2kg符合GB175的硅酸盐水泥或普通硅酸盐水泥(强度等级42.5以上.)混匀,取1kg放人烧杯中,再各取500g分别放人2个小袋中,封口。然后将烧杯和2个小袋分别置于2个温度为105C+3(的电热干燥箱中,恒温2h,取出并将烧杯和2个小袋分别置于密闭容器内,放人符合GB/T17671规定的成型实验室冷却24h士2h;D.3.3将2个小袋中水泥混勾·然后将此水泥与烧杯中水泥分别按GB/T17671规定进行水泥3d抗折强度、抗压强度检验。
D.4结果计算
D.4.1抗折强度比
抗折强度比按式1).1计算:
式中:
R= R2/R × 100
R.---—水泥抗折强度比,单位为百分数(%),R烧杯中水泥抗折强度,单位为兆帕(MPa);R----小袋中水泥抗折强度.单位为兆帕(MPa)。D.4.2抗压强度比
抗压强度比按式D.2计算:
R. = Rs2/Rsl × 100
式中:
R”…水泥抗压强度比,单位为百分数(%);R烧杯中水泥抗压强度,单位为兆帕(MPa);R.小袋中水泥抗压强度,单位为兆帕(MPa)。附录E
(规范性附录)
水泥包装袋防潮性能试验方法
E.1导言
本附录规定了水泥包装袋防潮性能试验方法,适用于各种水泥包装袋。E.2原理
GB 9774--2002
.(D. 1 )
·( D. 2 )
以小样袋盛装水泥,置于一定温度、湿度条件下,存放7天,检验小样袋中水泥强度,与常温、密闭窄器中存放的同一品种水泥强度比较,以判定水泥包装袋的防潮能力。E.3试验设备
E.3.1恒温、恒混箱:温度20土5C,相对湿度90%士5%。E.3.2符合GB/T17671规定的水泥强度试验用仪器。E.4试验步骤
E.4.1任取一条被检验样袋,缝制1个有效尺寸为250mm×150mm小袋;E.4.2称取600g符合GB175的硅酸盐水泥或普通硅酸盐水泥(强度等级42.5以上),放入小袋中,封口;
E.4.3将盛有水泥的小袋放人温度为20C土5C,湿度为90%±5%的恒温、恒湿箱中,存放7天;E.4.4将小袋中水泥和对比水泥(常温、密闭容器中存放的同品种水泥)分别按GB/T17671规定进行水泥3天抗压强度检验。
GB9774—2002
结果计算
抗压强度比按式E.1计算:
式中:
R=Re2/ReX100
R.-水泥抗压强度比,单位为百分数(%);R.-对比水泥抗压强度,单位为兆帕(MPa);Re2—小袋中水泥抗压强度,单位为兆帕(MPa)。12
....(E.1 )
小提示:此标准内容仅展示完整标准里的部分截取内容,若需要完整标准请到上方自行免费下载完整标准文档。
中华人民共和国国家标准
GB9774—2002
代替GB9774—1996
水泥包装袋
Sacks for packing cement
2002-04-09发布
中华人民共和国
国家质量监督检验检疫总局
2002-10-01实施
GB 9774—-2002
本标准5.2~5.5、6.2~6.4为强制性条款,其余为推荐性条款。本标准自实施之日起代替GB9774--1996。本标准与GB9774—1996《水泥包装袋》相比·主要变化如下:纸袋袋型全部为糊底袋,取消缝底袋袋型;-增加了25kg规格包装袋,并规定其他规格包装袋由买卖双方协商确定;…增加了包装袋版面印刷内容和示意图;-…·牢固度不划分等级,并增加热处理,以5个样袋跌落不破次数均≥8次为牢固度合格;:适用溢度试验方法取消,只规定温度类型,由牢固度试验确定其适用温度;--制袋材料对水泥强度的影响试验采用GB/T17671---1999《水泥胶砂强度检验方法(1SO法)》;:·防潮性能试验,取消标准小样袋,相对湿度改为90%土5%,恒温、恒湿时间改为7天。不划分防潮等级、水泥强度试验方法采用GB/T17671--1999《水泥胶砂强度检验方法(1SO法)》,以3天抗压强度比≥90%为合格。
本标准附录C、附录D、附录E为规范性附录,附录A、附录B为资料性附录。本标准由中国建筑材料工业协会提出。本标准出全国包装标准化技术委员会袋分技术委员会归口。本标准起草单位:中国建筑材料科学研究院水泥与新型建材研究所、国家建材局标准化研究所。本标准主要起草人:江丽珍、白显明、王巧云、颜碧兰、霍春明、李金平、张大同、宋立春、刘晨甘向晨。
本标准主要协作单位:深圳中艺星实业有限公司、广州市达肯包装有限公司、唐山冀昌塑料制品有限公司、内蒙古蒙西包装材料有限公司。本标准所代替标准的历次版本发布情况为:GB9774-1988.GB9774--1996。
1范围
水泥包装袋
GB 9774--2002
本标准规定了水泥包装袋的技术要求、试验方法、检验规则、标志、运输、贮存和使用。本标准适用于装载质量不超过50kg的各种类型的水泥包装袋。2规范性引用文件
下列文件中的条款通过本标准的引用而成为本标准的条款。凡是注日期的引用文件,其随后所有的修改单(不包括勘误的内容)或修订版均不适用于本标准,然而,鼓励根据本标准达成协议的各方研究是否可使用这些文件的最新版本。凡是不注日期的引用文件,其最新版本适用于本标准。G3175.1999硅酸盐水泥、普通硅酸盐水泥GB/T7968纸袋纸
G3/T8947复合塑料编织袋
GB/T17671--1999水泥胶砂强度检验方法(ISO法)(idtISO679:1989)QB/T1460伸性纸袋纸
3分类、规格、标记、命名和版面印刷内容3.1分类
3.1.1水泥包装袋按制袋材料分为纸袋、复膜塑编袋、复合袋。3.1.2水泥包装袋按制袋工艺分为糊底袋和缝底袋两种,其中纸袋均为糊底袋,复膜塑编袋、复合袋分为糊底袋和缝底袋两种。糊底袋按糊底工艺分为粘合和热封合。3.1.2.1糊底袋
糊底袋袋身两侧为平边,两底各粘合成平面六边形,上底一角设有阀口,其典型袋型示意图如图1所亲。
图1糊底袋示意图
GB 9774-·2002
3.1.2.2缝底袋
缝底袋袋身两侧有M形折边,两底由缝线缝合,上底一角设有阀,其典型袋型示意图如图2所东
缝底袋示意图
.3.2规格
水泥包装袋规格按装载水泥质量一般分为50kg和25kg两种,其基本尺寸参见附录A。其他规格也问由买卖双方协商确定。
3.3标记
3.3.1糊底袋
糊底袋代号为 H-×××-× ××-×××。H 代表糊底袋,第一组× ××代表长度(单位 mm);第二组×××代表宽度(单位mm);第三组×××代表适用温度(单位C)。例:H-640500.060,表示长度为640mm,宽度为500mm,适用温度为60C以下的糊底袋。3.3.2缝底袋
缝底袋代号为 F-×××-×××-×××。F代表缝底袋,第一组×× ×代表有效长度(单位 mm);第二组×××代表宽度(单位mm);第三组×××代表适用温度(单位C)。例:F-780-420-100,表示长度为780mm,宽度为420mm,适用温度为100C以下的缝底袋。3.4命名
水泥包装袋按制袋材料命名,即将所用材料全面体现出来。例1:由-层复膜编织布和一层纸袋纸制戒的包装袋称为复膜塑编袋(内有衬纸)。例2:由纸塑复合材料制成的包装袋称为纸塑复合袋。3.5版面印刷内容
水泥包装袋版面印刷内容参见附录B。4制袋材料
4.1、材料
水泥包装袋所用制袋材料应对水泥性能无害,并应符合相应材料标准的要求。4.2纸袋
由纸袋纸或伸性纸袋纸制作的水泥包装袋,允许使用再生纸,但不得加在最外层或最里层。纸袋纸应符合(G13/T7968技术要求,伸性纸应符合QB/T1460技术要求。4.3复膜塑编袋、复合袋
GB 9774—2002
复膜塑编袋是由复膜塑料编织布制作的水泥包装袋(包括有内衬纸的);复合袋是由复合材料等制作的水泥包装袋(包括有内衬纸的)。复膜塑编袋和复合袋所用材料应符合相应材料标准的要求,所用内衬纸必须是纸袋纸,成型袋(包括打孔的)的物理性能应符合表1中技术要求,有关计算和试验方法按GB/T8947进行。
表1复膜塑编袋、复合袋的物理性能包装袋的
5要求
5.1外观
布的单位面积质量/
不小于
拉伸负荷/(N/50mm)
不小于
粘合向」缝边(折边)向缝(糊)底向250
平整、无裂口、无脱胶、无粘膛、印刷清晰、完整。5.2适用温度
包装袋包装水泥时的最高温度。超过最高温度,使用性能不受保证。a)纸袋:适用温度有≤60C和≤80C两种。b)复膜塑编袋、复合袋:适用温度有≤80C、≤90C和≤100℃三种。5.3牢固度
剥离力/(N/30mm)
不小于
3.0(或不可剥离)
任取5个样袋,按5.2规定温度热处理后进行跌落试验,以跌落试验不破次数表示,5个样袋跌落不破次数均应≥8次。
5. 4制袋材料对水泥强度的彩响3天抗折强度比R≥93%、3天抗压强度比R≥95%。5..5防潮性能
3天抗压强度比R.≥90%。
6试验方法
6.1外观
在正常光线下目测。
6.2牢固度
按附录(进行。
6. 3制袋材料对水泥强度的影响按附录D进行。
6.4防潮性能
按附录E进行。
7检验规则此内容来自标准下载网
7.1组批
水泥包装袋出厂前的取样编号按工厂实际生产能力分为:a)年产量≥5000万条时,以10万条为一个批号;b)年产量<5000万条时,以5万条为一个批号;当日产量<5万条时,以1d产量为一个批号。7.2取样
GB 9774--2002
取样时应随机从同一批号不同部位的15捆中各取1条样袋供检验用。7.3出厂检验
出厂检验项目为5.1、5.3。
7.4型式检验
型式检验项目为5.1、5.2、5.3、5.4、5.5。有下列情况之一时,应进行型式检验:a)新产品或老产品转厂生产;
b)结构、材料、工艺有较大改变,可能影响产品性能时;c)正常生产时,每年进行一次检验;d)产品长期停产后,恢复生产时;e)出厂检验结果与上次型式检验有较大差异时;f)国家质量监督机构提出型式检验的要求时。7.5判定规则
7.5.1出广检验
外观检验时每个编号任取15条样袋,当有13条以上符合5.1要求,即判定外观检验合格,否则为批不合格。当外观检验合格时,牢固度检验按照附录C规定的取样量进行检验,结果符合5.3要求时,判为批合格,否则为批不合格。7.5.2型式检验
外观检验时每个编号任取15条样袋,当有13条以上符合5.1要求,即判定外观检验合格,否则为型式检验不合格。当外观检验合格时,其他性能检验按照相应试验方法中规定的取样量进行检验,结果全部符合要求时,判为型式检验合格,其中任一项不符合要求时,扩大一倍取2组样品进行全部项目(除外观复检,当2组样品复检均符合要求时,才可判为型式检验合格。7.6仲裁
当买卖双方对产品质量有争议时,买卖双方应将双方认可的样袋签封,送省级或省级以上国家认可的水泥包装袋质量蓝督检验机构进行仲裁检验。7.7新开发的包装袋的定型批准
新开发的包装袋,应经国家指定的检测机构检测,并有用户试用情况报告和专家鉴定报告,同时应考虑到环境保护的要求,合格后方可投产使用。8标志和包装
8.1标志
水泥包装袋必须标明制袋企业名称、地址、包装袋生产日期和包装袋适用温度。8.2包装
水泥包装袋以100、150或200条为一捆,捆扎的绳索应不磨损袋子或在捆扎处垫上软质材料。产品应有合格证,其上印有制袋企业名称和地址、执行标准号、标记、生产日期、批号、牢固度、适用温度及防潮性能。
9运输、贮存和使用
水泥包装袋在运输和贮存过程中,不得受潮,避免高温和阳光直射,装卸时要防止硬器划破袋子。水泥包装袋储存期不宜超过6个月,超过6个月时,应重新进行检验。水泥包装袋在使用前应进行包装工艺适应性试验,即包装袋在水泥厂包装且整个包装系统处于稳定状态下时,能满足正常包装要求,并且满足出包机破包率≤0.3%的要求时,则判定该包装袋在该厂包装T艺适应性合格。该试验由买卖双方共同进行。A.1导言
附录A
(资料性附录)
水泥包装袋的基本尺寸
本附录规定了糊底袋和缝底袋的基本尺寸,适用于50kg和25kg水泥包装袋。A.2糊底袋的规格
糊底袋的规格如表A.1所示。
表 A.1糊底袋的基本尺寸
规格尺寸
包装袋规格
缝底袋的规格
袋长度
缝底袋的规格如表A.2所示。
包装袋
袋长度
A±10/
B.1导言
袋宽度
袋宽度
袋有效长度
底宽度
阀口宽度
缝底袋的基本尺寸
折边宽度
缝线纸宽度
附录B
(资料性附录)
阀口折角
长度E/
≥110
水泥包装袋版面印刷内容和示意图阀口长度
宽度F/
GB 9774---2002
单位为mm
阀口伸出长度
袋端留余线扣数
活扣L
死扣L2
本附录按水泥产品标准有关要求规定了水泥包装袋的正面、侧面、背面和上下底面(糊底袋)印刷内容,适用于各种规格的水泥包装袋。B.2正面印刷内容
水泥包装袋正面应印刷如下内容:a)水泥品牌、注册商标图形;
b)水泥生产许可证编号;
GB 9774--- 2002
()水泥产品名称;
d)水泥代号;
e)水泥产品执行标准;
f)水泥强度等级;
g)水泥净含量;
h)水泥出厂编号;
i)水泥包装口期;
j)水泥储存条件:不得受潮和混人杂物;k)水泥生产企业名称和地址。
注1:如有认证标志、免检标志等,可印于正面适当位置;注2:水泥出」编号和水泥包装日期也可印于侧面或背面。B.3侧面印刷内容
水泥包装袋一个侧面或两个侧面宜印刷如下内容:a)水泥产品名称;
b)水泥强度等级。
B.4背面印刷内容
水泥包装袋背面宜印刷如下内容:a)水泥包装袋生产日期和适用温度;b)制袋企业名称和地址。
注1:背面印刷内容也可印于侧面适当位置。B.5上下底面印刷内容
糊底水泥包装袋上下底面宜印刷如下内容:a)包装袋结构,如三层纸糊底袋其结构表示为3E,三层纸和一层塑料薄膜糊底袋则表示为3EIPE;
b)净重;
c)阀Ⅱ处应有指示性标志。
B.6版面和字体
B.6.1版面印刷应清晰完整,无斑点、无重影,颜色应符合水泥产品标准规定。B.6.2字体由买双方协商确定。
B.7版面印刷示意图
以普通硅酸盐水泥为例,水泥包装袋正面、侧面、背面印刷形式宜按图B.1安排。C.1 导言
执行标准:GB175—1999
生产许可证号:×X×
普通硅酸盐水泥
净含量50kg
注册商标图形
出厂编号:×××
包装日期:年 月 日
贮存条件:不得受潮和混人杂物水泥生产企业名称和地址
制袋企业名称和地址
GB 9774-2002
制袋日期:年月日
包装袋适用温度
两侧面
普通硅酸盐水泥
图B.1水泥包装袋版面印刷示意图附录C
(规范性附录)
水泥包装袋牢固度试验方法
本附录规定了水泥包装袋的牢固度试验方法,适用于各种规格的水泥包装袋C.2原理
将样袋装满规定重量的砂子,于1m高度自由下落,使水泥包装袋承受-个标准的冲量,考核水泥包装袋能承受多少次冲击,以其数值衡量水泥包装袋的牢固程度。C.3试验设备
C.3.1台秤:称量范围100kg士0.2kg。C.3.2电热干燥箱:温度范围150C土2C。C.3.3跌落试验机或试验架
a)支撑试验样袋的装置在释放前能使样袋处于水平状态;b)支撑装置使样袋置于1m高度(距离冲击面),其高度差不得超过士20mm;c)试验机(架)在释放过程中能保证样袋自由跌落;d)冲击面为水平面,质地坚硬,试验时不移动,不变形,不框动,冲击面的大小要足以保证样袋完全跌落在冲击面内;
e)试验机(架)在提升、转移和释放样袋时不得损伤样袋。9
GB 9774--2002
C.4 试验步骤
C.4.1每编号从15条样袋中随机抽取5条,试验前放人设定温度(根据5.2)电热于燥箱中,恒温1h后,取出,放人温度20C土5(、湿度大于50%的试验室内(复膜塑编袋也可在自然条件下的室内),冷却4h以上;
C.4.2在样袋中灌装符合GB/T17671-1999第5.1.3中0.5mm~~1.0mm中级砂(允许使用粒度≤1.0mm以下湿含量≤0.2%的建筑用砂)50kg±0.2kg或25kg±0.2kg;C.4.3将样袋平放于跌落试验机底板中心,样袋胶结口面朝上,并使砂分布均勾;如使用跌落试验架,则直接将样袋置于支撑板中心;C.4.4启动机器,提升样袋至1m高度.开启释放装置,使样袋自由下落;C.4.5反复操作,如<8次破包,记录该破包次数;如≥8次未破包,可记录8次,并注明未破包。C.5结果判定
C.5.1破包判定
有下列情况之一均为破包:
a)裂口处大于50mm;
b)几处裂口合计大于80mm;
c)阀口外翻;
t)有砂渗漏。
C.5.2合格判定
以5条样袋跌落次数表示,当5个样袋跌落不破次数均≥8次时,判定牢固度合格。附录D
(规范性附录)
制袋材料对水泥强度的影响试验方法D.1导言
本附录规定了水泥包装袋制袋材料对水泥强度的影响试验方法,适用于各种材料的水泥包装袋。D.2试验设备
D.2.1电热于燥箱:温度范围150C土2C。D.2.2符合GB/T17671规定的水泥强度试验用仪器。1).3试验步骤
D.3.1任取两条被检验样袋,用其有胶结口面缝制2个有效尺寸为250mm×150mm小袋。复膜塑编袋应去掉内衬纸,其他复合袋·挺度较大的,内衬纸沿小袋长度方向剪开100mm,挺度较小的,应去掉内衬纸;
D.3.2取2kg符合GB175的硅酸盐水泥或普通硅酸盐水泥(强度等级42.5以上.)混匀,取1kg放人烧杯中,再各取500g分别放人2个小袋中,封口。然后将烧杯和2个小袋分别置于2个温度为105C+3(的电热干燥箱中,恒温2h,取出并将烧杯和2个小袋分别置于密闭容器内,放人符合GB/T17671规定的成型实验室冷却24h士2h;D.3.3将2个小袋中水泥混勾·然后将此水泥与烧杯中水泥分别按GB/T17671规定进行水泥3d抗折强度、抗压强度检验。
D.4结果计算
D.4.1抗折强度比
抗折强度比按式1).1计算:
式中:
R= R2/R × 100
R.---—水泥抗折强度比,单位为百分数(%),R烧杯中水泥抗折强度,单位为兆帕(MPa);R----小袋中水泥抗折强度.单位为兆帕(MPa)。D.4.2抗压强度比
抗压强度比按式D.2计算:
R. = Rs2/Rsl × 100
式中:
R”…水泥抗压强度比,单位为百分数(%);R烧杯中水泥抗压强度,单位为兆帕(MPa);R.小袋中水泥抗压强度,单位为兆帕(MPa)。附录E
(规范性附录)
水泥包装袋防潮性能试验方法
E.1导言
本附录规定了水泥包装袋防潮性能试验方法,适用于各种水泥包装袋。E.2原理
GB 9774--2002
.(D. 1 )
·( D. 2 )
以小样袋盛装水泥,置于一定温度、湿度条件下,存放7天,检验小样袋中水泥强度,与常温、密闭窄器中存放的同一品种水泥强度比较,以判定水泥包装袋的防潮能力。E.3试验设备
E.3.1恒温、恒混箱:温度20土5C,相对湿度90%士5%。E.3.2符合GB/T17671规定的水泥强度试验用仪器。E.4试验步骤
E.4.1任取一条被检验样袋,缝制1个有效尺寸为250mm×150mm小袋;E.4.2称取600g符合GB175的硅酸盐水泥或普通硅酸盐水泥(强度等级42.5以上),放入小袋中,封口;
E.4.3将盛有水泥的小袋放人温度为20C土5C,湿度为90%±5%的恒温、恒湿箱中,存放7天;E.4.4将小袋中水泥和对比水泥(常温、密闭容器中存放的同品种水泥)分别按GB/T17671规定进行水泥3天抗压强度检验。
GB9774—2002
结果计算
抗压强度比按式E.1计算:
式中:
R=Re2/ReX100
R.-水泥抗压强度比,单位为百分数(%);R.-对比水泥抗压强度,单位为兆帕(MPa);Re2—小袋中水泥抗压强度,单位为兆帕(MPa)。12
....(E.1 )
小提示:此标准内容仅展示完整标准里的部分截取内容,若需要完整标准请到上方自行免费下载完整标准文档。
标准图片预览:





- 热门标准
- 国家标准(GB)
- GB/T2828.1-2012 计数抽样检验程序 第1部分:按接收质量限(AQL)检索的逐批检验抽样计划
- GB/T24678.2-2009 植物保护机械 担架式宽幅远射程喷雾机
- GB/T42822-2023 美术用品中初级芳香胺的测定方法
- GB/T5204-2008 核电厂安全系统定期试验与监测
- GB/T40210-2021 增材制造云服务平台参考体系
- GB/T16573-2008 缩微摄影技术 在16mm和35mm银-明胶型缩微胶片上拍摄文献的操作程序
- GB/T9124.1-2019 钢制管法兰 第1部分:PN 系列
- GB/T25418-2022 水稻直播机
- GB11495-1989 电子器件详细规范 半导体集成电路CD7680CP图象伴音中频放大电路
- GB/T42567.1-2023 工业过程测量变送器试验的参比条件和程序 第1部分:所有类型变送器的通用程序
- GB/T32113-2015 口腔护理产品中氯酸盐的测定离子色谱法
- GB9123.28-1988 PN10.0MPa(100bar)榫槽面钢制管法兰盖
- GB50752-2012 电子辐射工程技术规范
- GB/T50010-2010 混凝土结构设计标准(2024年版)
- GB/T7130-2016 塑料 酚醛模塑制品 游离酚的测定 碘量法
- 行业新闻
请牢记:“bzxz.net”即是“标准下载”四个汉字汉语拼音首字母与国际顶级域名“.net”的组合。 ©2025 标准下载网 www.bzxz.net 本站邮件:bzxznet@163.com
网站备案号:湘ICP备2025141790号-2
网站备案号:湘ICP备2025141790号-2