- 您的位置:
- 标准下载网 >>
- 标准分类 >>
- 石油化工行业标准(SH) >>
- SH 1052-1991 乙烯-乙酸乙烯酯共聚物(E/VAC)命名
标准号:
SH 1052-1991
标准名称:
乙烯-乙酸乙烯酯共聚物(E/VAC)命名
标准类别:
石油化工行业标准(SH)
标准状态:
现行-
发布日期:
1991-06-28 -
实施日期:
1992-07-01 出版语种:
简体中文下载格式:
.rar.pdf下载大小:
207.28 KB
中标分类号:
化工>>合成材料>>G32合成树脂、塑料
点击下载
标准简介:
标准下载解压密码:www.bzxz.net
本标准规定了乙烯-乙酸乙烯酯共聚物热塑性材料的命名方法。本标准适用于在常态下为粉状和粒状的乙烯-乙酸乙酯共聚物,其中乙酸乙烯酯含量为3%~50%(m/m)。本标准也适用于经着色剂、添加剂、填料、增强材料等改性或未改性的上述材料。本标准不提供材料的具体应用或加工所需要的工程数据、性能数据和加工条件。 SH 1052-1991 乙烯-乙酸乙烯酯共聚物(E/VAC)命名 SH1052-1991
部分标准内容:
中华人民共和国石油化工行业标准乙烯-乙酸乙烯酯共聚物(E/VAC)命名SH/T 1052·-91
本标准参照采用国际标准ISO4613-1-1988《塑料-乙烯-乙酸乙烯酯共聚物热塑性塑料(E/VAC)—第部分:命名》。
1主题内容与适用范围
本标准规定了乙烯-乙酸乙烯酯共聚物(E/VAC)热塑性材料的命名方法。本标准适用于在常态下为粉状和粒状的乙烯-乙酸乙烯酯共聚物,其中乙酸乙烯酯含量为3%~50%(m/m).
本标准也适用于经着色剂、添加剂、填料、增强材料等改性或未改性的上述材料。本标准不提供材料的具体应用或加工所需要的工程数据、性能数据和加工条件。本标准并不意味着相同命名的材料,必须具有相同的性能。2引用标准
GB/T1844塑料及树脂缩写代号。GB/T3682热塑性塑料熔体流动速率试验方法3命名方法
本命名方法系以乙烯-乙酸乙烯酯共聚物的代号、乙酸乙烯酯含量标称值、熔体流动速率标称值、主要用途、加工方法以及其他特性等为内容,分为若干个特征单元,组成材料的命名。命名形式为:特征单元1
特征单元2
特征单元3
特征单元4
特征单元51
特征单元1:乙烯-乙酸乙烯酯共聚物缩写代号和乙酸乙烯酯含量标称值(见3.1条)。特征单元2:共聚物的主要用途、加工方法、重要性能、添加剂和补充说明(见3.2条)。特征单元3:共物的熔体流动速率标称值及其试验条件(见3.3条)。特征单元4:填料、增强材料及其含量(见3.4条)特征单元5;为了详细说明问题,可加此特征单元,作为补充说明(见3.5条)。在特征单元之间用连字符(-)分隔,若有一个特征单元不用,应用两个连字符(--)分隔3.1特征单元
按照(iB/T1844的规定,乙烯-乙酸乙烯酯共聚物缩写代号为英文字母E/VAC,在空--格以店,以两个数字为代号表明乙酸乙烯酯含量标称值的范围。乙.烯-乙酸乙烯酯含量标称值的范围分为七个档次,其相应代号按表1所规定。中国石油化工总公司1991-06-28批准62
1992-07-01实施
SH/T 1052-- 91
表1乙酸乙烯酯含量标称值档次代号及范围号
乙酸乙烯酯含量的试验方法见附录A(补充件)。3.2特征单元2
围,%(m/m)
>5~~10
>10~15
>15~20
>20~30
>30~40
>40~50
共聚物的主要用途或加工方法在第一位写出,其重要性能、添加剂、颜色和状态(粒状或粉状)在第二位至第四位写出。按表2的规定以代号表示。本色(无着色)、粒状材料不需写出,有颜色(着色)、粉状材料则需写明。表2特征单元2所用的代号
粘合剂
吹塑成型(中空制品)
挤出管材、型材和片材
挤出薄膜
电缆护套
电线和电缆绝缘层
旋转模塑
粉末涂覆或烧结
挤出扁丝
无说明
第二位至第四位
加工稳定
抗粘连
着色的
可发泡的
耐热老化
金属纯化
耐光和(或)气候老化
冲击改性
脱膜剂
提高透明性
抗水解
可交联的
增加导电性
抗静电
SH/T 1052 -- 91
如果在第二位至第四位有内容表达,而第,·位无专门说明,则应写上X。3.3特征单元3
在本特征单元中,共聚物熔体流动速率标称值用--个字母和三个数字表示(见3.3.1)。上述特征值,如果落在或接近某档极限,生产厂应确定该共聚物按某档次命名。如果因生产误差而造成个别试验值落在某档极限或某档极限的任何一一侧,命名不受影响。3.3.1熔体流动速率
熔体流动速率按GB:T3682进行测定。本共聚物熔体流动速率试验条件及代号如表3所规定。表3熔体流动速率试验条件及代号代号
测试温度,C
标称负荷,kg
通常试验条件应选用D,如测得的熔体流动速率大于100g/10min时,应改用B,如后者测得的熔体流动速率仍大于100g/10min时,推荐使用z。本共聚物熔体流动速率标称值范围分为十一个档次;每个档次以三个数字表示,如表4所规定。命名中试验条件代号写在档次代号前端。表熔体流动速率标称值档次代号及范围代
3.4特征单元4
范围,g/10 min
>0. 10~~0. 20
>0. 20~~0. 40
>0. 40~0.80
>0.80~~1. 5
>1. 5~3. 0
>3. 0~6. 0
>6. 0~12. 0
>12. 0~25. 0
>25. 0~~50. 0
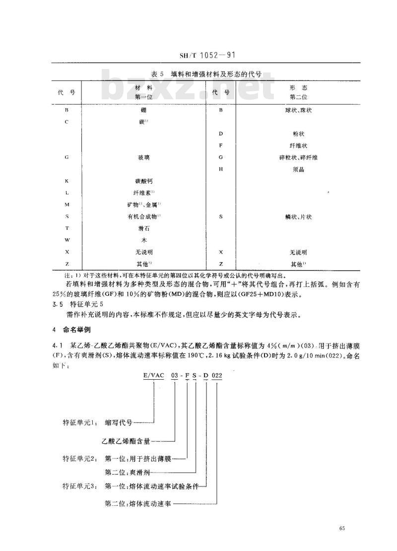
在本特征单元中,填料或增强材料的类型用一个字母为代号在第一位写出,其物理形态用另一个字母为代号在第二位写出(见表5)。其质量含量百分数用两个数字在第三位写出。64
SH/T 1052--91
表5填料和增强材料及形态的代号材料
第一位
碳酸钙
纤维素1)
矿物\、金属\
有机合成物!
无说明
第二位
球状、珠状
纤维状
碎粒状、碎纤维
鳞状、片状
无说明
其他)
注:1)对于这些材料,可在本特征单元的第四位以其化学符号或公认的代号明确写出。若填料和增强材料为多种类型及形态的混合物,可用“十”将其代号组合,再打上括弧。例如含有25%的玻璃纤维(GF)和10%的矿物粉(MD)的混合物,则应以(GF25+MD10)表示。3.5特征单元5
需作补充说明的内容,本标准不作规定,但应以尽量少的英文字母为代号表示。4命名举例
4.1某乙烯-乙酸乙烯酯共聚物(E/VAC),其乙酸乙烯酯含量标称值为4%(m/m)(03).用于挤出薄膜(F),含有爽滑剂(S),熔体流动速率标称值在190℃,2.16kg试验条件(D)时为2.0g/10min(022)。命名如下:
03-F S~D 022
特征单元1:
特征单元2:
缩写代号
乙酸乙烯酯含量
第一位:用于挤出薄膜
第二位:爽滑剂
第一位:熔体流动速率试验条件特征单元3:
第二位:熔体流动速率
命名:E/VAC
03-FS-D022
SH/T 1052-91
4.2某乙烯-乙酸乙烯酯共聚物(E/VAC),其乙酸乙烯酯含量标称值为17%(m/m)(18),用于注塑(M),熔体流动速率标称值在190℃,2.16kg试验条件(D)时为19g/10min(200),命名如下:18-M-D200
特征单元1:缩写代号
乙酸乙烯酯含量
特征单光2:第一位:用于注塑
特征单元3:
第二位:熔体流动速率试验条件第二位:熔体流动速率
命名:E/VAC
18-M-D200
A1主题内容与适用范围
SH/T 1052—91
附录A
乙酸乙烯酯含量的测定皂化法
(补充件)
本方法适用测定乙烯-乙酸乙烯酯共聚物(E/VAC)中的乙酸乙烯酯含量。A2方法原理
乙烯乙酸乙烯酯共聚物经加热能溶解于甲苯中,此时加入已知过量的氢氧化钾与其发生皂化反应,再用硫酸标准滴定溶液滴定剩余的氢氧化钾,从而计算出乙酸乙烯酯的含量。反应式:
[— ECH2-CH2—CH-CH2 + nCHs
CH—CH2 +nKOH-
ECH2---CH2-
CH3—-C--O
A3试剂免费标准bzxz.net
A3.1甲苯:分析纯。
A3.2乙醇:分析纯。
氢氧化钾-乙醇溶液:c(KOH)=0.5mol/L。A3.4
硫酸标准滴定溶液:c(H2SO,)=0.05mol/L。OH
百里酚蓝指示剂:将0.1g百里酚蓝指示剂溶于100mL乙醇中。A3.5
仪器与设备
分析天平感量为0.1mg。
滴定管:25mL。
移液管30mL,25mL。
磨口三角烧瓶:250mL。
筒:50mL。
回流冷凝器:500mm。
A4.7恒温水浴。
A4.8滴瓶:50mL。
A5测定步骤
A5.1称取约0.28试样,精确至0.0001g,放入磨口三角烧瓶中,加入20mL甲苯(A3.1)并用移液管加入5mL氢氧化钾-乙醇溶液(A3.3)。A5.2把回流冷凝器装在磨口三角烧瓶上,置于80℃恒温水浴中加热回流2h。然后取出,冷却至室温。用15mL蒸馏水冲洗回流冷凝器,取下磨口三角烧瓶,依次加入30mL乙醇(A3.2)和1mL百里酚蓝指示剂(A3.5)。
A5.3将磨口三角烧瓶内的溶液摇匀,用硫酸标准滴定溶液(A3.4)滴定至溶液由蓝色变成黄色。A5.4作-空白试验。
A6结果表示
A6.1计算
SH/T 1052--91
乙酸乙烯酯的含量&以质量百分数表示,按式(A1)计算:0. 086 09 X (V1 -- V2)cl X 100m
式中:’
0.086 09---
A6.2报告
空白试验所消耗硫酸标准滴定溶液的体积,mL,滴定试样所消耗硫酸标准滴定溶液的体积,mL;硫酸标准滴定溶液的实际浓度,mol/L;试样的质量,8;
与1.00mL硫酸标准滴定溶液[c(HzSO,)=1.000mol/L)相当的以克表示的乙酸乙烯酯的质量。
测定须进行两次,以两次测定的算术平均值报告结果,精确至小数点后一位。乙酸乙烯酯的含量小于或等于15%(m/m)时,两次测定结果的偏差不得大于1.0%(m/m);乙酸乙烯酯的含量大于15%(m/m)时,两次测定结果的偏差不得大于3.0%(m/m);否则须进行复测。附加说明:
本标准由上海石油化工总厂提出。本标准由全国塑料标准化技术委员会石化塑料树脂产品分技术委员会归口。本标准由上海石油化工总厂塑料厂负责起草。本标准主要起草人费士伟、仰俊泉。68
小提示:此标准内容仅展示完整标准里的部分截取内容,若需要完整标准请到上方自行免费下载完整标准文档。
本标准参照采用国际标准ISO4613-1-1988《塑料-乙烯-乙酸乙烯酯共聚物热塑性塑料(E/VAC)—第部分:命名》。
1主题内容与适用范围
本标准规定了乙烯-乙酸乙烯酯共聚物(E/VAC)热塑性材料的命名方法。本标准适用于在常态下为粉状和粒状的乙烯-乙酸乙烯酯共聚物,其中乙酸乙烯酯含量为3%~50%(m/m).
本标准也适用于经着色剂、添加剂、填料、增强材料等改性或未改性的上述材料。本标准不提供材料的具体应用或加工所需要的工程数据、性能数据和加工条件。本标准并不意味着相同命名的材料,必须具有相同的性能。2引用标准
GB/T1844塑料及树脂缩写代号。GB/T3682热塑性塑料熔体流动速率试验方法3命名方法
本命名方法系以乙烯-乙酸乙烯酯共聚物的代号、乙酸乙烯酯含量标称值、熔体流动速率标称值、主要用途、加工方法以及其他特性等为内容,分为若干个特征单元,组成材料的命名。命名形式为:特征单元1
特征单元2
特征单元3
特征单元4
特征单元51
特征单元1:乙烯-乙酸乙烯酯共聚物缩写代号和乙酸乙烯酯含量标称值(见3.1条)。特征单元2:共聚物的主要用途、加工方法、重要性能、添加剂和补充说明(见3.2条)。特征单元3:共物的熔体流动速率标称值及其试验条件(见3.3条)。特征单元4:填料、增强材料及其含量(见3.4条)特征单元5;为了详细说明问题,可加此特征单元,作为补充说明(见3.5条)。在特征单元之间用连字符(-)分隔,若有一个特征单元不用,应用两个连字符(--)分隔3.1特征单元
按照(iB/T1844的规定,乙烯-乙酸乙烯酯共聚物缩写代号为英文字母E/VAC,在空--格以店,以两个数字为代号表明乙酸乙烯酯含量标称值的范围。乙.烯-乙酸乙烯酯含量标称值的范围分为七个档次,其相应代号按表1所规定。中国石油化工总公司1991-06-28批准62
1992-07-01实施
SH/T 1052-- 91
表1乙酸乙烯酯含量标称值档次代号及范围号
乙酸乙烯酯含量的试验方法见附录A(补充件)。3.2特征单元2
围,%(m/m)
>5~~10
>10~15
>15~20
>20~30
>30~40
>40~50
共聚物的主要用途或加工方法在第一位写出,其重要性能、添加剂、颜色和状态(粒状或粉状)在第二位至第四位写出。按表2的规定以代号表示。本色(无着色)、粒状材料不需写出,有颜色(着色)、粉状材料则需写明。表2特征单元2所用的代号
粘合剂
吹塑成型(中空制品)
挤出管材、型材和片材
挤出薄膜
电缆护套
电线和电缆绝缘层
旋转模塑
粉末涂覆或烧结
挤出扁丝
无说明
第二位至第四位
加工稳定
抗粘连
着色的
可发泡的
耐热老化
金属纯化
耐光和(或)气候老化
冲击改性
脱膜剂
提高透明性
抗水解
可交联的
增加导电性
抗静电
SH/T 1052 -- 91
如果在第二位至第四位有内容表达,而第,·位无专门说明,则应写上X。3.3特征单元3
在本特征单元中,共聚物熔体流动速率标称值用--个字母和三个数字表示(见3.3.1)。上述特征值,如果落在或接近某档极限,生产厂应确定该共聚物按某档次命名。如果因生产误差而造成个别试验值落在某档极限或某档极限的任何一一侧,命名不受影响。3.3.1熔体流动速率
熔体流动速率按GB:T3682进行测定。本共聚物熔体流动速率试验条件及代号如表3所规定。表3熔体流动速率试验条件及代号代号
测试温度,C
标称负荷,kg
通常试验条件应选用D,如测得的熔体流动速率大于100g/10min时,应改用B,如后者测得的熔体流动速率仍大于100g/10min时,推荐使用z。本共聚物熔体流动速率标称值范围分为十一个档次;每个档次以三个数字表示,如表4所规定。命名中试验条件代号写在档次代号前端。表熔体流动速率标称值档次代号及范围代
3.4特征单元4
范围,g/10 min
>0. 10~~0. 20
>0. 20~~0. 40
>0. 40~0.80
>0.80~~1. 5
>1. 5~3. 0
>3. 0~6. 0
>6. 0~12. 0
>12. 0~25. 0
>25. 0~~50. 0
在本特征单元中,填料或增强材料的类型用一个字母为代号在第一位写出,其物理形态用另一个字母为代号在第二位写出(见表5)。其质量含量百分数用两个数字在第三位写出。64
SH/T 1052--91
表5填料和增强材料及形态的代号材料
第一位
碳酸钙
纤维素1)
矿物\、金属\
有机合成物!
无说明
第二位
球状、珠状
纤维状
碎粒状、碎纤维
鳞状、片状
无说明
其他)
注:1)对于这些材料,可在本特征单元的第四位以其化学符号或公认的代号明确写出。若填料和增强材料为多种类型及形态的混合物,可用“十”将其代号组合,再打上括弧。例如含有25%的玻璃纤维(GF)和10%的矿物粉(MD)的混合物,则应以(GF25+MD10)表示。3.5特征单元5
需作补充说明的内容,本标准不作规定,但应以尽量少的英文字母为代号表示。4命名举例
4.1某乙烯-乙酸乙烯酯共聚物(E/VAC),其乙酸乙烯酯含量标称值为4%(m/m)(03).用于挤出薄膜(F),含有爽滑剂(S),熔体流动速率标称值在190℃,2.16kg试验条件(D)时为2.0g/10min(022)。命名如下:
03-F S~D 022
特征单元1:
特征单元2:
缩写代号
乙酸乙烯酯含量
第一位:用于挤出薄膜
第二位:爽滑剂
第一位:熔体流动速率试验条件特征单元3:
第二位:熔体流动速率
命名:E/VAC
03-FS-D022
SH/T 1052-91
4.2某乙烯-乙酸乙烯酯共聚物(E/VAC),其乙酸乙烯酯含量标称值为17%(m/m)(18),用于注塑(M),熔体流动速率标称值在190℃,2.16kg试验条件(D)时为19g/10min(200),命名如下:18-M-D200
特征单元1:缩写代号
乙酸乙烯酯含量
特征单光2:第一位:用于注塑
特征单元3:
第二位:熔体流动速率试验条件第二位:熔体流动速率
命名:E/VAC
18-M-D200
A1主题内容与适用范围
SH/T 1052—91
附录A
乙酸乙烯酯含量的测定皂化法
(补充件)
本方法适用测定乙烯-乙酸乙烯酯共聚物(E/VAC)中的乙酸乙烯酯含量。A2方法原理
乙烯乙酸乙烯酯共聚物经加热能溶解于甲苯中,此时加入已知过量的氢氧化钾与其发生皂化反应,再用硫酸标准滴定溶液滴定剩余的氢氧化钾,从而计算出乙酸乙烯酯的含量。反应式:
[— ECH2-CH2—CH-CH2 + nCHs
CH—CH2 +nKOH-
ECH2---CH2-
CH3—-C--O
A3试剂免费标准bzxz.net
A3.1甲苯:分析纯。
A3.2乙醇:分析纯。
氢氧化钾-乙醇溶液:c(KOH)=0.5mol/L。A3.4
硫酸标准滴定溶液:c(H2SO,)=0.05mol/L。OH
百里酚蓝指示剂:将0.1g百里酚蓝指示剂溶于100mL乙醇中。A3.5
仪器与设备
分析天平感量为0.1mg。
滴定管:25mL。
移液管30mL,25mL。
磨口三角烧瓶:250mL。
筒:50mL。
回流冷凝器:500mm。
A4.7恒温水浴。
A4.8滴瓶:50mL。
A5测定步骤
A5.1称取约0.28试样,精确至0.0001g,放入磨口三角烧瓶中,加入20mL甲苯(A3.1)并用移液管加入5mL氢氧化钾-乙醇溶液(A3.3)。A5.2把回流冷凝器装在磨口三角烧瓶上,置于80℃恒温水浴中加热回流2h。然后取出,冷却至室温。用15mL蒸馏水冲洗回流冷凝器,取下磨口三角烧瓶,依次加入30mL乙醇(A3.2)和1mL百里酚蓝指示剂(A3.5)。
A5.3将磨口三角烧瓶内的溶液摇匀,用硫酸标准滴定溶液(A3.4)滴定至溶液由蓝色变成黄色。A5.4作-空白试验。
A6结果表示
A6.1计算
SH/T 1052--91
乙酸乙烯酯的含量&以质量百分数表示,按式(A1)计算:0. 086 09 X (V1 -- V2)cl X 100m
式中:’
0.086 09---
A6.2报告
空白试验所消耗硫酸标准滴定溶液的体积,mL,滴定试样所消耗硫酸标准滴定溶液的体积,mL;硫酸标准滴定溶液的实际浓度,mol/L;试样的质量,8;
与1.00mL硫酸标准滴定溶液[c(HzSO,)=1.000mol/L)相当的以克表示的乙酸乙烯酯的质量。
测定须进行两次,以两次测定的算术平均值报告结果,精确至小数点后一位。乙酸乙烯酯的含量小于或等于15%(m/m)时,两次测定结果的偏差不得大于1.0%(m/m);乙酸乙烯酯的含量大于15%(m/m)时,两次测定结果的偏差不得大于3.0%(m/m);否则须进行复测。附加说明:
本标准由上海石油化工总厂提出。本标准由全国塑料标准化技术委员会石化塑料树脂产品分技术委员会归口。本标准由上海石油化工总厂塑料厂负责起草。本标准主要起草人费士伟、仰俊泉。68
小提示:此标准内容仅展示完整标准里的部分截取内容,若需要完整标准请到上方自行免费下载完整标准文档。
标准图片预览:





- 其它标准
- 热门标准
- 石油化工行业标准(SH)
- SHS07007-2004 特殊仪表
- SH/T0269-1992 内燃机润滑油清净性测定法
- SH/T3151-2013 石油化工转子泵工程技术规范
- SH/T3530-2001 石油化工立式圆筒形钢制储罐施工工艺标准
- SH/T3082-2003 石油化工仪表供电设计规范
- SHSG039-1989 施工图设计交底会议规定
- SH/T3055-2007 石油化工管架设计规范
- SHS05028-2004 往复式合成气压缩机组维护检修规程
- SH/T0764-2005 柴油机喷嘴结焦试验方法(XUD-9法)
- SH/T0221-1992 液化石油气密度或相对密度测定法(压力密度计法)
- SH0375-1992 2号航空润滑脂
- SHQ002-2001 《汽车加油加气站设计规范》车用乙醇汽油补充规定(附条文说明)
- SH/T0248-1992 馏分燃料冷滤点测定法
- SH/T0322-1992 润滑脂有害粒子鉴定法
- SH/T0605-2008 润滑油及添加剂中钼含量的测定 原子吸收光谱法
- 行业新闻
请牢记:“bzxz.net”即是“标准下载”四个汉字汉语拼音首字母与国际顶级域名“.net”的组合。 ©2025 标准下载网 www.bzxz.net 本站邮件:bzxznet@163.com
网站备案号:湘ICP备2025141790号-2
网站备案号:湘ICP备2025141790号-2